F and F LE-03d CT200 3 Phase Electric Energy Meter

Purpose
The LE-03d CT200 is a static (electronic) calibrated electricity meter of three-phase alternating current in a semidirect system. The meter is designed to work with current transformers with a primary current of 200 A and a secondary current of 5 A. The maximum measured current of the system is determined by the value of the primary current of the current transformer used. When using transformers with dedicated parameters, the meter shows the actual value of electricity consumed by the system.
Functioning
A special electronic system under the influence of flowing current and applied voltage in each phase generates pulses proportional to the energy drawn in the respective phase. Energy consumption in the phase is indicated by a flashing of corresponding LED (L1, L2, L3). Th sum of the three phase pulses is indicated by a flashing LED and converted into energy absorbed throughout the three-phase system. Its value is displayed by the segment LCD display
Pulse output
The meter is equipped with pulse output open collector (OC type). This allows you to connect another pulse device (SO) that reads pulses generated by the meter.
No additional connected equipment is required for proper operation of the meter.
Sealing
The meter has sealable input and output terminal covers to prevent any attempts to bypass the meter.
Meter number
The meter is marked with individual serial number allowing its unambiguous identification. The marking is laser engraved and cannot be removed).
Front description

Dimensions

Mounting
- Disconnect the power supply.
- The indicator mounted on a rail in the distribution box.
- Connect the voltages of controlled phases to the terminals in accordance with the markings 18 (L1), 17 (L2), 16 (L3).
- Connect the transformers to the phase conductors and connect the secondary outputs to the terminals in accordance with the markings 1-2 (L1), 3-4 (L2), 5-6 (L3).
- N-wire connect to terminal 15.
- In order to increase the safety of the system and the measurement accuracy, it is recommended to ground the terminals (S2) of the secondary side of current transformers.
- Additional pulse receiver connected (optional) to terminals
- (+) i 8 (–).
Additional pulse receiver is not required
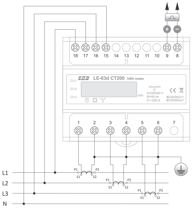
Wiring diagram

Current measurement circuits:
- 1-2 L1 phase
- 3-4 L2 phase
- 5-6 L3 phase
Pulse output (open collector):
- 8 transistor emitter (–)
- 9 transistor collector (+)
The circuit for measuring the voltage and supply of the meter:
- 15 neutral N-wire
- 16 L3 phase
- 17 L2 phase
- 18 L1 phase
Technical data
| installation | 4-wire |
| rated voltage | 3×230/400 V |
| minimum measured current | 0.04 A |
| base current | 3×1.5 A |
| maximum current | 3×5 A |
| voltage measuring range | 160÷265 V |
| transformer type | 200/5 A |
| measurement accuracy (IEC62052-11, IEC62053-21) | 1 |
| rated frequency | 50 Hz |
| insulation protection class | II |
| own power consumption | |
| indication range | 0÷9999999 kWh |
| constant | 300 pulses/kW |
| current consumption signalling | 3× red LED |
| read-out signalling | red LED |
| pulse output | |
| type | open collector |
| maximum voltage | 27 V DC |
| maximum current | 27 mA |
| pulse constant | 300 pulses/kWh |
| pulse time | 35 ms |
| working temperature | -25÷55°C |
| terminal | 25 mm² screw terminals |
| dimensions | 7 modules (122 mm) |
| mounting | on TH-35 rail |
| ingress protection | IP20 |
Warranty
F&F products are covered by a 24-month warranty from the date of purchase. The warranty is only valid with proof of purchase. Contact your dealer or contact us directly
CE declaration
F&F Filipowski sp. j. declares that the device is in conformity with the essential requirements of The Low Voltage Directive (LVD) 2014/35/EU and the Electromagnetic Compatibility (EMC) Directive 2014/30/UE.
The CE Declaration of Conformity, along with the references to the standards in relation to which conformity is declared, can be found www.fif.com.pl on the product subpage.
General work safety conditions
- Please read the instructions carefully before installation.
- The device should be installed and operated by qualified personnel who are familiar with its design, operation, and associated risks.
- Do not install a meter that is damaged or incomplete.
- The user is responsible for proper grounding of the system, proper selection, installation, and efficiency of other devices connected to the meter, including safety devices such as overcurrent, residual current and overvoltage circuit breakers.
- Before connecting the power supply, make sure that all cables are connected correctly.
- It is essential to observe the operating conditions of the meter (supply voltage, humidity, temperature).
- To avoid electric shock or damage to the meter, turn off the power supply whenever the connection is changed.
- Do not make any changes to the unit yourself. Doing so can result in damage to or improper operation of the device, which in turn can pose a threat to people operating it. In such cases, the manufacturer is not responsible for the resulting events and may refuse the provided warranty in the event of a complaint.
Customer Support
F&F Filipowski sp. j.
Konstantynowska 79/81, 95-200 Pabianice, POLAND
phone/fax (+48 42) 215 23 83 / (+48 42) 227 09 71
www.fif.com.pl;
e-mail: [email protected]
Do not dispose of this device in the trash along with other waste!
According to the Law on Waste, electro coming from households free of charge and can give any amount to up to that end point of collect on, as well as to store the occasion of the purchase of new equipment (in accordance with the principle of old-for-new, regardless of brand). Electro thrown in the trash or abandoned in nature, pose a threat to the environment and human health.




















