ELECTRICITY CONSUMPTION METER
3-phase
LE-03MQ CT
LE-03MQ CT 3 Phase Electricity Consumption Meter
WARRANTY. The F&F products arecovered by a warranty of the 24 monthfrom the date of purchase. Effective only with proof of purchase.

Do not dispose of this device in the trash along with other waste! According to the Law on Waste, electro coming from households free of charge and can give any amount to up to that end point of collection, as well as to store the occasion of the purchase of new equipment (in accordance with the principle of old-for-new, regardless of brand). Electro thrown in the trash or abandoned in nature, pose a threat to the environment and human health.
Compliance
Directive: 2014/32/EU
Certificate number: 0120/SGS 0216
Purpose
The LE-03MQ CT is a static (electronic) calibrated single-phase or three-phase alternating current electricity meter in a semi-indirect system. It is used for indication and registration of electric energy consumption and parameters of the power supply network with the option for remote reading through a wired RS-485 network.
The meter works with current transformers (CT) with a secondary current of 1 A or 5 A.
The meter is configured via the configuration menu accessible from the front panel and via the communication port according to Modbus RTU software functions.
User manual and programming instructions
Detailed PDF manual available for download from the following website: www.le.fif.com.pl
Features
- 1-phase or 3-phase system (3- and 4-wire)
- two-way measurement (4-quadrant)
- 1 A or 5 A transformers
- current ratio 1÷9999
- indications of kWh/kvar (imported/exported)
- indications of network parameters
- MID compliance
- RS-485 port
- Modbus RTU protocol
- SO (×2) pulse output
- backlit, multifunctional LCD
- password-protected meter configuration
Measured values
| Active energy imported/exported | AE+/AE- | [kWh] |
| Reactive energy imported/exported | RE+/RE- | [kvarh] |
| Phase voltage | U1, U2, U3 | [V] |
| Phase currents | I1, I2, I3 | [A] |
| Frequency | F | [Hz] |
| Active power | P | [W] |
| Reactive power | Q | [var] |
| Apparent power | S | [VA] |
| Power factor | cosϕ | |
| Total Harmonic Distortion THD Power and current demand | kW, kvar, kVA, I |
Number of the meter
The meter is marked with an individual serial number, which makes it possible to identify it unambiguously.
The marking is indelible (laser engraving).

Sealing
The meter has the option of sealing the input and output terminals, preventing the meter from being bypassed.
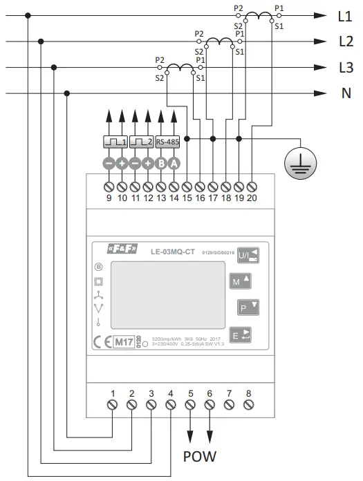
Connection diagram
1-phase 2-wire installation

1÷4 – voltage inputs
5, 6 – power supply (POW)
9÷12 – pulse outputs
13, 14 – RS-485 (B, A)
15÷20 – current inputs
3-phase 3-wire installation

1÷4 – voltage inputs
13, 14 – RS-485 (B, A)
5, 6 – power supply (POW)
15÷20 – current inputs
9÷12 – pulse outputs
3-phase 4-wire installation
3-phase 4-wire installation

1÷4 – voltage inputs
5, 6 – power supply (POW)
9÷12 – pulse outputs
13, 14 – RS-485 (B, A)
15÷20 – current inputs
Technical data
| reference voltage | 3×230/400 V |
| base current | 0.25÷5 A |
| maximum current | 6:00 AM |
| minimum measured current | 0.02 A |
| measured voltage | |
| L-N | 100÷289 V AC |
| L-L | 173÷500 V AC |
| accuracy of measurement | class 1 |
| overload capacity | 30×Imax/10 ms |
| insulation | 4 kV/1 min; 6 kV/1 µs |
| own energy consumption of the met | 10 VA; 2 W |
| power of current inputs | <1 VA |
| power supply voltage of the meter | 85÷275 V AC /120÷380 V DC |
| counter display range | 0÷9999999.9 kWh |
| meter constant kWh | 3200 imp/kWh |
| meter constant kvarh/kWh | 0,01, 0,1, 10, 100 imp/kvar |
| reading signalling | 1×LED |
| pulse outputs kWh/kvarh | |
| OC (open collector) | 27 V DC/50 mA |
| pulse time kWh/kvarh | 60, 100, 200 ms |
| port | RS-485 |
| communication protocol | Modbus RTU |
| working temperature | -25÷55°C |
| terminal | 4.0 mm² screw terminals |
| tightening torque | 0.5 Nm |
| dimensions | 4 modules (72 mm) |
| mounting | on TH-35 rail |
| ingreess protection | IP51 |
Configuration software
A program for PCs (with Windows) that allows you to check the status of the meter and configure all of its settings is available for download on the fif.com.pl website (on the LE-03MQ CT meter subpage).
CE and MID declarations
Copy of the CE and MID declarations available for download from the website: from the product subpage.
F&F Filipowski sp. j.
Konstantynowska 79/81 95-200 Pabianice
phone/fax: (+48 42) 215 23 83 / 227 09 71 POLAND
http://www.fif.com.pl e-mail: [email protected]

















