nVent RAYCHEM VIA-DU-20 Control Unit

Application
The VIA-DU-20 is an electronic control device designed to regulate nVent RAYCHEM ramp heating systems in garage driveways, staircases, inclines etc. The buried heating cable is controlled by sensing both ground temperature and moisture. The heater operates only when the temperature falls below the set value and there is moisture. Use of this controller results in significant energy savings if compared to other devices that regulate according to temperature only.
Function
The ground temperature and moisture are measured with the help of one sensor. The sensor is heated so that it can also measure dry snow. The control device evaluates the data from the sensor and switches the heating on, if the ground temperature falls below a value set by menu and the ground moisture exceeds a value set by menu. In addition, the device is capable of identifying a risk of freezing rain. This function serves to switch the heating on when freezing rain is predicted. The controller also has what is called an overruling entry. This can be configured using the menu and serves to prevent over-loading or to allow the device to be controlled remotely via the BMS.
Display and Controls
The device has a display which is lit when the device is being operated (see A). Under normal operating conditions the device alternately shows the moisture, the ground and air temperature and the status of the heating output (on/off). Only the values, which are relevant for controlling, are shown. Air temperature e.g. is only shown, if sleet precaution is set to local detection.
Testing the device / switch on the heating output
Selecting a language
Increasing the value selected, changing settings (forwards)
Reducing the value selected, changing settings (backwards)
Enter menu, exit menu
Confirm the value selected, select the next value and responding to fault messages.
Operation
Selecting a Language
You can select a language by pressing the button once or more. The languages available are German, English, French, Italian, Polish, Finnish, Hungarian. The language can be changed regardless of the operating status. After 2 seconds the device automatically returns to where it was when the language selection procedure was called up (Normal display, test or parameter menu).
Example of display when selecting a language:
Testing mode
Pressing the once switches the heating timer on for 30 min. The display indicates the time remaining, the software version number and the status of the heating output. The test mode can be selected at any stage. It should however be remembered that any heating
periods underway will be interrupted. So for example, selecting the test mode will interrupt the post-heating period. The test finishes once the test time has elapsed, but can also be terminated by pressing the button while the test is still underway. When the test mode has been terminated the device will return to the standard display.
Display in test mode (example):
The parameter menu can be called up by pressing the button. The parameter displayed may be modified using the and buttons.
If the buttons are pressed down for an extended period the value changes automatically (autorepeat function). Pressing and down at t
– he same time will reset the parameter to the default setting.
Now you can switch to the next parameter with the button or you can leave the parameter menu by pressing the
button.
If you have changed a parameter and want to switch to the next or leave the menu, there appears “SAVE CHANGES” in the display. You can select “YES” or “NO” using the and buttons. Having confirmed this with the button, device switches to the next parameter or leaves the parameter menu with or without saving changes. Confirming the final parameter, the device goes back to the standard display
The following menu points can be set or called up:
- Range of settings: +1.0°C … +6.0°C
- Interval: 1.0 K
- Default setting: 3.0°C
The temperature threshold is used to set the value below which the ground temperature must fall for the heating to come on, providing there is sufficient moisture. The temperature threshold also is the set point for the sensor heating, i.e. there is the possibility to control the sensor heating by this value.
Attention: If the temperature threshold is set to 1.0°C or 2.0°C, the sensor may freeze in. In this case reliable detection of moisture can not be guaranteed.
The value of moisture is no longer indicated in the display.
- Settings: OFF, 1 … 10
- Interval: 1
- Default setting: 3
The moisture threshold determines the level of moisture which must be exceeded for the heating to come on, providing the temperature is low enough. 1 is the most sensitive setting, i.e. very little moisture is enough to reach this value.
If the moisture threshold is set to ‘OFF’, the control device will always switch the heating on, as long as the temperature falls below the threshold value. No moisture is required. The value of moisture is no longer indicated in the display.
- Range of settings: 30 … 120 min.
- Interval: Interval: 10 min.
- Default setting: 30 min.
The post-heating period is the time for which the device continues to heat after the threshold conditions which set the heating on are no longer present.
- Range of settings: OFF, –15°C, …–1.0°C
- Interval: 1.0 K
- Default setting: OFF
If the temperature in the ground falls below the base value, the control device will keep on heating (regardless of the moisture). This functions speeds up the time required to clear the surface from snow and ice. If the ground temperature rises above the base temperature again, the heating timer will remain switched on for the post-heating period.
- Range of settings: LOCAL DETECTION, WEATHER FORECAST, OFF
- Default setting: LOCAL DETECTION
This function addresses the issue of freezing rain, the purpose is to preheat the surface to prevent the associated problems.
* For the purpose of the use of VIA-DU-20 in the UK, ‘sleet’ is used to describe the condition and effect of freezing rain.
This can be done in two different ways:
- Local detection freezing rain warning
If the device is set to LOCAL DETECTION, i.e. local detection of risk of freezing rain, the device will heat the surface as soon as it notices a sharp rise in temperature after a lengthy period of cold weather.
The rise in air temperature is performed by an air temperature sensor which is delivered together with the device. The device can recognize a lengthy period of cold weather by means of a ground temperature sensor, if the ground temperature has been below a set value for 18 hours. See also the sections on the rise in temperature and the low ground temperature for an 18 hour period in the paragraphs relating to the following parameters. - Freezing rain warning via the weather service
With this function, the device waits for a logic signal sent from an additional device to the terminals of the air temperature sensor. The additional device, which is not part of the standard package, evaluates information from the weather service and converts these into the relevant logic status.
The control device expects the following logic status:- Logic status Input in control device Reaction of the control device
- 0 open Heating OFF (no risk of freezing rain)
- 1 short circuit Heating ON (risk of freezing rain)
If it has recognised the possibility of a fall of freezing rain, the device switches on for 5 hours. If the warning has come via the weather service, the five-hour period begins from the moment the logic status signal changed from 0 to 1. The heating is switched off as soon as the ground temperature reaches the threshold value or the five hours have elapsed. If however, after five hours, the ground temperature and moist conditions are present for heating to continue, the heating is not turned off, i.e. following the five-hour period the device continues to operate under normal operating conditions.
If the device is set for the local detection freezing rain warning, you should ensure that the base temperature is lower than the 18-hour ground temperature value, since otherwise the temperature will never fall below the 18-hour value and the freezing rain warning will not function.
The reliability of the early recognition function heavily depends on the correct setting of the parameters. It is possible that ice may build up on the surface or the device may come on unnecessarily.
- Range of settings: 0.5K/h … 4.0 K/h
- Interval: 0.5 K/h
- Default setting: 2.0 K/h
This parameter* is used for setting the minimum rise in the air temperature in order to recognize the potential risk of freezing rain after a lengthy period of cold weather.
- Range of settings: – 15°C … –1.0°C
- Interval: 1.0 K
- Default setting: – 1.0°C
*This parameter temperature is indicated only when “local detection” is selected.
This parameter* is used to set the value below which the air temperature must fall for a period of at least 18 hours. If this condition is fulfilled and the temperature rises sharply, there is a risk of freezing rain. The heating will be switched on to prevent the risk of freezing rain.
- Range of settings: OFF, ON, BMS
- Default setting: OFF
The OVERRULING parameter is used to configure the relevant logic input. If the parameter is set to ‘OFF’ the input is not evaluated by the control device. The control device is not affected.
In the ‘ON’ setting the control device cannot switch the heating on for 10 min. if the input is or was short-circuited. This prevents peak loads in buildings. If the input is still short- circuited or has short-circuited again after 10 minutes have elapsed, the device cannot turn on the heating for another 10 minutes.
If the device is set to ‘BMS’ the heating output is remote controlled. If the input is short-circuited, the control device switches the heating off. If the input is open, the device will switch on the heating in any event.
The sensor values of the ice indicator are not displayed and not evaluated.
- Range of settings: OFF, ON
- Default setting: OFF
This parameter allows you to select what status the heating timer should assume in the event of a fault. The ‘OFF’ setting is recommended for all energy sensitive applications, whereas the ‘ON’ setting should be selected for safety applications.
This menu option indicates the heating time in hours (H) and minutes (M). Using the and buttons the counter can be reset
Testing Mode
Pressing the once switches the heating timer on for 30 min. The display indicates the time remaining, the software version number and the status of the heating output. The test mode can be selected at any stage. It should however be remembered that any heating periods underway will be interrupted. So for example, selecting the test mode will interrupt the post-heating period. The test finishes once the test time has elapsed, but can also be terminated by pressing the button while the test is still underway. When the test mode has been terminated the device will return to the standard display.
Setting Values and Changing Settings
Increasing the value selected, changing settings (forwards) and reducing the value selected, changing settings (backwards) can be done using the controls. Enter menu, exit menu and confirm the value selected, select the next value and responding to fault messages are also done using the controls.
ADVICE, FAULT MESSAGES AND SERVICING
What to do during set up
When the device is first put into operation it carries out an auto-test. During this test the display indicates, “POWER-UP TESTS”. If the device finds a fault during this test, it displays a number on the second line of the display. Otherwise the device goes into the standard operating mode.
* This parameter is indicated only when “local detection” is selected.
If a fault is identified, you should carry out another test by switching the device off and on again. If the fault message is displayed again, the device is faulty and must be replaced.
If the fault message is displayed indicating the number ‘6’, perhaps one of the buttons is stuck. In this case, the keyboard must be checked. Then switch the device off and on again for another test.
What to do in the event of a loss of power
If there is a loss of power, all parameters will remain saved in the memory. Both relays (heating and alarm) will stop working.
After the power failure, the device will continue to operate in its state when the power loss occurred. The timers will remain constant during power loss (no reserve power supply).
Sensor monitoring
The ground temperature and moisture sensor and the air temperature sensor are monitored for faults (breakage and short circuits) by the control device. If a fault occurs, the alarm relay switches and the display indicates, “SENSOR FAULT” and a corresponding fault message is emitted. The following fault messages are used:
A failure will interrupt heating times, such as the post-heating period. The heating output will be turned on or off as set under the parameter “IN THE CASE OF FAILURE HEATING…”
* The monitoring of air temperature is only active when “local detection” is selected.
Trouble shooting
| Symptoms | Probable | Correction |
| Setting overruling BY BMS is selected | If necessary change settings | |
| Heating is on, but there is no moisture | Setting moisture threshold OFF is selected | If necessary change settings |
| The device has detected a temperature drop and heating is on for post heating period | This is normal operation | |
| The device shows moisture 0, while sensor is moist | The sensors surface it soiled (oily) | Clean the surface of the ground sensor with a flannel and water. The surface of the sensor must not be scratched with sharp objects. |
| The moisture on the sensor is frozen | Set the temperature threshold to a higher value. This gives a higher set point for sensor heating, too. |
| Symptoms | Probable | Correction |
| Moisture threshold too high | Set the moisture threshold to a lower value | |
| Heating is OFF although there is moisture on sensor | Temperature threshold too low | Set the temperature threshold to a higher value |
| The device is set in over- ruling ON and the logic input is short-circuited | ||
| If necessary change settings | ||
| Heating is regularly OFF, but area is not yet free of ice and snow | The post-heating period is too short | Set a longer post heating period |
| The sensor is dry, but there is ice and snow on the heated area | Set the temperature threshold to a lower value. This gives a lower set point for sensor heating, too. |
Attention: Please change settings step by step to ensure reliable function. Also with careful settings it can’t be guaranteed, that the heated area is always free of snow and ice.
Servicing
Neither control device nor any of the sensors require any servicing.
The surface of the ground sensor needs to be cleaned regularly, to ensure that it gives correct moisture measurements. A flannel and tap water may be used. The surface of the sensor must not be scratched with sharp objects. It is recommended that you check that the device is working before the onset of winter.
SAFETY INSTRUCTIONS
Only for electricians!
Attention: mistakes made when connecting up the device can cause damage to the control unit. nVent is not liable for any damage caused by faulty connections and/or incorrect handling.
- Before working on the device, switch off the power supply.
- The device may only be connected up and serviced by authorized, trained personnel.
- The device is only designed to be connected to fixed cables.
- When installing the device, make sure that high-voltage cables, such as the mains supply and extensions do not come into contact with low-voltage cables such as sensor cables.
- Moreover, you must ensure adequate protection against all the extension leads disconnecting in compliance with the requirements of EN 60730, part I. This can be achieved for example by fixing the cables with cable clips.
- Local standards for electrical connection must be observed.
- If the device does not work, please first check all connections and the mains power supply.
INSTALLATION
Installation of the control device
This device is installed in a housing to be snapped onto DIN rails (DIN EN 50022-35). It is designed to be mounted in switchboxes and distribution panels.
The housing has the following dimensions: 
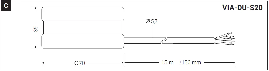
Installation of the ground temperature and moisture sensor VIA-DU-S20
The sensor is yellow and can be recognized by its 5-core connection lead.
It has the following dimensions
The ground temperature and moisture sensor is to be installed within the heated area at least 2.5 cm and maximum 15 cm away from the heating cables (see diagram).
The sensor must be able to directly detect weather conditions (rain, snow, melted
snow and ice). The sensor may not be covered up (e.g. when clearing snow).
Take care that VIA-DU-S20 is not installed in an area which is continuously flooded with water (e.g. drain line), neither in an area which is continuously under ice due to external parameters (e.g. freezing of condensation water in cooling rooms).
The piece of wood is placed into the ground surface as a dummy for the sensor.
A metal protective pipe is to be installed up to the wooden piece. The pipe is to be secured on the wooden piece to prevent concrete, asphalt, etc. from getting in. Once the material has been put on and if necessary cooled, the piece of wood is removed and the sensor fitted into the hole. The sensor must be mounted absolutely horizontal. The remaining space around the sensor is to be filled with, for example, silicon, mortar or asphalt. The temperature of the filling material must not exceed 80°C. Furthermore, it has to be ensured that there is a good connection without hollow space between the sensor and the filling material. The sensor connection lead may be extended from 15 m
(standard length) to a maximum of 50 m with a diameter of 1.5 mm² .
Installation of air temperature sensor VIA-DU-A10
The sensor has the following dimensions:
The air temperature sensor should be installed approx. 2-3 m above the ground in a protected place (with a shelter). It must not be exposed to direct sunlight. It must also be protected from external influences, i.e. it must not be installed above doors or windows or near lamps or headlights.
The sensor connection lead may be up to 100 m long, given a diameter of 1.5 mm².


TECHNICAL DATA
| Operating voltage | AC 230 V, ±10 %, 50/60 Hz |
| Power consumption | 14 VA max. |
| Main relay (heating) | Imax 4(1)A, 250 Vac SPST, voltfree |
| Alarm relay | Imax 2(1)A, 250 Vac SPDT, voltfree |
| Switching accuracy | ±1 K |
| Display | Point matrix, 2 x 16 places |
| Assembly | DIN rail |
| Housing material | Noryl |
| Terminals | 0.5 mm² to 2.5 mm² |
| Protection | IP20/class II (Requirements of Class II are only fulfilled after proper mounting) |
| Action type | Type 1.C |
| Control pollution degree | 2 |
| Software class | A |
| Rated impulse voltage | 4 kV |
| Weight | 630 g |
| Temperature resistance | 0°C to +50°C |
| Main parameters | |
| Temperature at which device comes on | +1°C to +6°C |
| Moisture at which device switches on | Off, 1 (moist) to 10 (very wet) |
| Post-heating period | 30 to 120 min. (heating on) |
| Base temperature | Off, –15°C to –1°C |
| Freezing rain warning | Local detection, weather service, off |
| Overruling | Off, on, by BMS |
| If there is a power failure, all parameters remain saved in the memory | |

| Display, lit (parameter and fault display) | |
| 1. Test button | |
| 2. Increasing the value selected, changing settings (forwards) | |
| 3. Menu button | |
| 4. Selecting a language (D, GB, F, I, FIN, PL, H) | |
| 5. Reducing the value selected, changing settings (backwards) | |
| 6. Confirm button | |
Ground temperature and moisture sensor VIA-DU-S20
| Voltage | DC 8 V (via control device) |
| Type of sensor | PTC (see table below) |
| Protection | IP67 |
| Diameter of lead | 5 x 0.5 mm², Ø 5.7 mm |
| Length of lead | 15 m, can be extended to 50 m (5 x 1.5 mm²) |
| Temperature resistance | –30°C to +80°C |
| Sensor heating | approx. 9.3 Ohm (green – brown wire) |
Air temperature sensor* VIA-DU-A10
| Type of sensor | PTC (see table below) |
| Protection | IP54 |
| Terminals | 1.5 to 2.5 mm² |
| Diameter of lead | 2 x 1.5 mm², max. 100 m (not part of standard package) |
| Temperature resistance | –30°C to +80°C |
| Fitting | Wall mounted |
| * Assembly not necessary if ‘Freezing rain warning’ is not set to ‘local detection’ | |
VIA-DU-A10 and VIA-DU-S20 (yellow- brown wire)
| Temperature in °C | Resistance in Ohm |
| –20 | 1335 |
| –10 | 1459 |
| 0 | 1592 |
| +10 | 1732 |
| +20 | 1879 |
WIRING DIAGRAM
VIA-DU-20 with contactor
When using MI heating cables a 300 mA RCD should be used.
- * Local values, standards and rules require two- or four-pole switching using a electrical protection
- ** Depending on the application, both one- and three-pole circuit breakers of contactors are possible.
- *** Optional and can be activated in a BMS.
- **** Air temperature sensor will be needed only if in menu freezing rain precaution the parameter
“local detection” has been selected. When weather forecast has been selected you have to connect the voltfree contacts of additional device to these terminals.
Alarm output
Connection of a current loop (rest position)
Notice:
The alarm relay is always active (switched on) as long as there is no fault. The alarm relay is potential free but not suitable for the switching of safety low voltage (SELV) as there is no double insulation in the device.
COMMISSIONING
Ref.: …………………………………………………………………………….
Location : …………………………………………………………………………………
Batch No.: ………………………………………………………. Date : ……………………………………………………………………….
| Parameter | Setting |
| Temperature threshold Moisture threshold Min. heating Time Low temperature limit Freezing rain warning: 18 h ground temperature Rise in air temperature Overruling Heater Operation in case of error Heater Time ON |
Sensor: ……………………………… Length:………………………………………………………………………………………………………………………………………………………………….м
Heater:……………………… Length:……………………………………………………………………………………………………………………………………………………………………………………………………… м
CB:……………………………………………………………………………………………………………………………………………………………………………………………………… A
Type : ………………………………………………………………………. RCD:………………………………………………………………………………………………………………………………………………………………………………………………….. mA
©2023 nVent. All nVent marks and logos are owned or licensed by nVent Services GmbH or its affiliates. All other trademarks are the property of their respective owners. nVent reserves the right to change specifications without notice.
RAYCHEM-IM-INST197-VIADU20-ML-2304
nVent.com/RAYCHEM

Testing the device / switch on the heating output
Selecting a language
Increasing the value selected, changing settings (forwards)
Reducing the value selected, changing settings (backwards)
Enter menu, exit menu
Confirm the value selected, select the next value and responding to fault messages.

















