NGC-30-CR Controller Board
NGC-30-CR
NGC-30-CRM
NGC-30-CRMS
NGC-30-CTM
NGC-30-CVM
Modules for use with the nVent RAYCHEM NGC-30WARNING: This component is an electrical device that must be installed correctly to ensure proper operation and to prevent shock or fire. Read these important warnings and carefully follow all of the installation instructions.
- Component approvals and performance are based on the use of nVent-specified parts only. Do not use substitute parts.
- Keep components dry before and during installation
- Leave these instructions with the end user for reference and future use.
For technical support, call nVent at + 00 32 16 213511 or your local representative.
ATEX/IECEx/UKEX ZONE 2 conditions of safe use
1. This equipment must be mounted in an ATEX/IECEx/UKEX certified Zone 2 enclosure that provides a minimum ingress protection of IP54 when used in a Zone 2 environment.
2. The enclosure shall only be accessible with the use of a tool.
3. Device shall only be used in an area of not more than pollution degree 2.
4. Provisions shall be made, external to the apparatus, to provide the transient protection device to be set at a level not exceeding 140% of the rated voltage at the input terminals of this apparatus.
General installation instructions
1. The NGC-30 components must be installed:
– In compliance with all local electrical and safety codes
– In an enclosure suitable for the application environment. When used in Zone 2 hazardous locations, a minimum IP54 enclosure is required. The enclosure shall only be accessible with the use of a tool.
2. The NGC-30 components must be protected by external overcurrent and disconnect devices. This may be a circuit breaker or a combination of disconnect switch and fuses. Also for Overvoltage protection, an external protection needs to be provided to limit any transients to 140% of the rated input voltage. The disconnect device:
– Must disconnect all ungrounded, current-carrying conductors
– Should be located in close proximity to the equipment
– Be within easy reach of the Operator
– Be marked as the disconnecting device for the equipment
3. Supply wiring insulation must be rated for the highest voltage and temperature to be encountered in the application. Conductors must be sized for the application and be protected by an external overcurrent device.
4. Some wiring configurations will use more than one power source and all must be de-energized prior to performing any maintenance on a controller circuit.
5. Protection provided by this equipment may be impaired if the device is used outside of its ratings or for applications other than is intended.
6. Always be sure that the intended location is classified as an area for which the product is approved.
7. CRM(S) and CTM modules must be handled with care when installed in a panel. Components should not be subject to mechanical stress.
8. Wear an anti-static wrist strap connected to ground in order to avoid component damage when installing the CRM(S) or CTM modules.
Conducted and radiated emissions – Statement of compliance
This equipment has been tested and found to comply with the limits for a Class A digital device, pursuant to Part 15 of the FCC Rules. These limits are designed to provide reasonable protection against harmful interference in a residential installation. This equipment generates, uses and can radiate radio frequency energy and, if not installed and used in accordance with the instructions, may cause harmful interference to radio communications. However, there is no guarantee that interference will not occur in a particular installation. If this equipment does cause harmful interference to radio or television reception, which can be determined by turning the equipment off and on, the user is encouraged to try to correct the interference by one or more of the following measures:
• Reorient or relocate the receiving antenna.
• Increase the separation between the equipment and receiver.
• Connect the equipment into an outlet on a circuit different from that to which the receiver is connected.
• Consult the dealer or an experienced radio/TV technician for help.
This Class A digital apparatus complies with Canadian ICES-003.
Contact address
nVent
899 Broadway
Redwood City, CA 94063
United States
Tel +1.800.545.6258
Fax +1.800.527.5703
[email protected]
NGC-30-CRM/-CRMS installation instructions

- Alarm output
- Relay outputs (5x)
- LEDs (9x)
- Fuse
- 12 Vdc Inputs (2x)
- End of Line (EOL) jumper
- RS-485 Communications
- Line & ground-fault sensor inputs (5x)
- RTD Inputs
bk Address Switches PowerRelay
Power Supply
The power supply connector (TB19) is a dual two pin connector. Either connector allows for power in (pin #1 (+), pin #2 (–) and bussing of power to other NGC-30-CRM modules).
Note: Power supply must be sized correctly based on the number of NGC-30-CRM/-CRMS modules.
RS-485 Communications
The RS-485 connector (TB6) is a dual three pin connector. Either connector allows for RS-485 input signals (pin #1 (shield), pin #2 (+), pin #3 (–)) and bussing of RS485 signal to other NGC-30-CRM modules.
End of Line (EOL) Jumper
If this device (NGC-30-CRM/-CRMS) is the last device in the RS-485 network, the J1 jumper needs to be moved from terminals 2 & 3 to terminals 1 & 2.
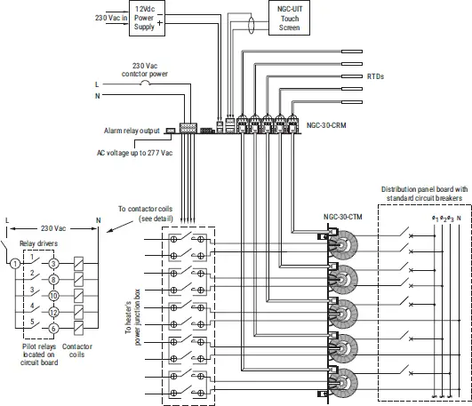
System layout NGC-30-CRM

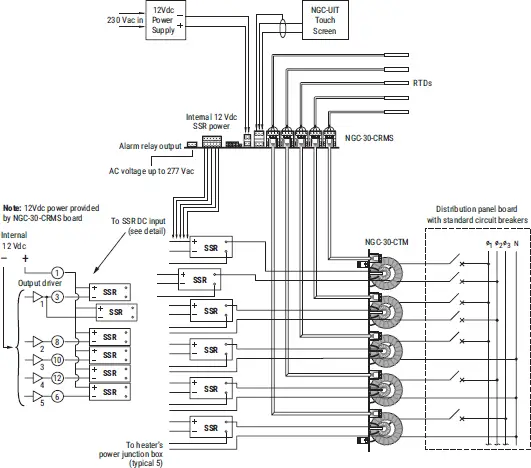
System layout NGC-30-CRMS

Non-hazardous Locations 1
Hazardous Locations 2
DEMKO 19 ATEX 2239 X
UL21UKEX2317X
IECEx UL 19.0064 X,
II 3 G Ex ec nC IIC T5 Gc
Class I, Div. 2, Groups A,B,C,D S4 Ex nC IIC T5 Fb
Class I, Zone 2, AEx nC IIC T5 Fb
(Russia, Kazakhstan, Belarus) For other
countries contact your local nVent
representative. 3
- Zones non explosibles
- Zones explosibles
NGC-30-CRM/-CRMS and NGC-30-CTM
Description
The nVent RAYCHEM NGC-30-CRM/-CRMS and NGC-30-CTM provide ground-fault and line current sensing, alarming, switching and RTD inputs for five heat-tracing circuits when used with the NGC-UIT. The NGC-30-CRM is used to control Electromechanical Relays (EMRs) and the NGC-30-CRMS is used to control Solid State Relays (SSRs).
Tools Required
• Screw driver small blade – standard
• RJ11 stripping/crimping tool
• Wire cutters
• RJ11 connectors
Additional Materials
• Power supply – 12 Vdc @ 400 mA-per NGC-30-CRM/-CRMS board
• RJ11 4 conductor cable

Kit Contents
Item Qty Description
A 1 NGC-30-CRM or CRMS (card rack module with connectors)
B 1 NGC-30-CTM (current transformer module)
C 1 NGC-30-CR (card rack)
D 1 NGC-30-CVM (voltage monitoring module) – optional
Cleaning instructions
If dust accumulates on the NGC-30-CRM/-CRMS circuit board use
dried compressed air to remove the dust. Turn off all power to the
NGC-30 panel. Carefully disconnect all cables from a single
NGC-30-CRM/-CRMS card, making sure to label cables so that
they can be reconnected after board cleaning. Wear an anti-static
wrist strap connected to ground in order to avoid component
damage. Remove the CRM/CRMS circuit card from the card cage
and place on a clean lint-free surface.
Use dry compressed air from a can for cleaning circuit boards.
(Avoid factory compressed air since it may contain enough
moisture or oil to cause permanent damage.) Use short quick
blasts to remove dust build-up as necessary. After cleaning,
replace the CRM/CRMS in the same card cage position and
reconnect all cables. Remove only one card at a time for cleaning
to avoid any problems during re-installation.
General
Supply Voltage 12 Vdc ± 10%
Internal power consumption < 5 W per NGC-30-CRM/-CRMS
Ambient operating temperature –40°F to 140°F (–40°C to 60°C)
Ambient storage temperature –40°F to 167°F (–40°C to 75°C)
Environment PD2, CAT III
Max. altitude 2000 m
Humidity 0 – 90% non-condensing
Electromagnetic Compatibility
Immunity Heavy Industrial
Emission Industrial Environment
Temperature Sensors
Type
100-ohm platinum RTD, 3-wire, α = 0.00385 ohms/ohm/°C. Can be extended with a 3-conductor shielded cable of 20 ohm maximum per conductor
Quantity
Up to five wired directly to each NGC-30-CRM/-CRMS
Current Sensors
Mounting Din Rail – 35 mm
Quantity per Five for ground-current measurement
NGC-30-CTM Five for line current measurement
Line Current Sensors
Max current 60 A
Accuracy ± 2% of reading
Ground Fault Sensor
Range 10 – 200 mA
Accuracy ± 4% of range at 30 A line current
Voltage Sensor
Range 80 – 290 Vac 50/60 Hz
Accuracy ± 1% of span
Outputs
CRM output relays
Form A 3-Amp @ 277 Vac max 50/60 Hz
(CSA), 1.5A MAX @ 277 Vac max 50/60 Hz (IECEx/ATEX/UKEX)
CRMS SSR outputs
12 Vdc @ 30 mA max per output
Alarm Relay Form C 3A MAX @ 277 Vac max 50/60 Hz
(CSA), 1.5A MAX @ 277 Vac max 50/60 Hz ((IECEx/ATEX/UKEX)
Communication to NGC-UIT
Type 2 wire RS-485
Cable One shielded twisted pair
Length 4000 ft. (1200 M) maximum
Quantity Up to 52* NGC-30-CRM/-CRMS may be connected to one NGC-UIT
Connection Terminals
Power supply/Pilot Relay/ RTD/Comm Port (RS485)
0.8 – 3.3 mm2 Minimum rating of client provided wiring, 70°C or higher Tightening torque: min 0.5 Nm, max 0.6 Nm
RTD Inputs – Ordinary Area
3 wire RTDs with shield may be connected to RTD Ch1 thru Ch 5 (TB1 – TB5). The two common wires (usually red, red) are connected to terminals 2 & 3, the source (usually white) to terminal 1 and the braid to terminal 4 (earth ground).
Note: RTD’s are not required if monitoring current/ground-faults only or if RTD’s are connected via MONI-RMM2s.
Relay Output Connections to Contactors or Solid State Devices (TB7)
This connector switches voltage to the contactor coils or solid state relays. The pilot relay will switch the supply voltage (up to 277 Vac) to the contactor coil (using an NGC-30-CRM) or 12 Vdc to the solid state device (using an NGC-30-CRMS).
Refer to system layout diagram for detail wiring.
Common Alarm
The common alarm terminal block (TB12) provides a form C dry contact, rated at 277 Vac max (3A).
When the nVent RAYCHEM NGC-30 system is powered on, the common alarm relay coil is energized and pin 2 is connected to pin 1 (common). This is the “No Alarm” condition for the CRM/CRMS board.
If the alarm occurs, or the CRM/CRMS board loses power, the relay coil is de-energized and pin 1 (common) is disconnected from pin 2 and connected to pin 3 to indicate an alarm condition exits.
Address Switches (SW1 & SW2)
Each NGC-30-CRM/-CRMS must have a unique communication address selected. The valid address switch range when using the NGC-UIT is 1-99. SW1 is the ones digit (0–9) and SW2 is the tens digit (0 or 9).
Note: When adding an NGC-30-CRM/-CRMS to the system, you must perform a network update at the NGC-UIT.
NGC-30-CR installation instructions
Mounting of Card Rack
Use the mounting template (on page 7) to mount the rack on a panel backplane. There are four holes (0,48 cm dia.) to secure it to the mounting surface using #8 screws.
Once the card rack is installed, a earth bonding wire must be connected to the card rack using the ground screw provided.
Note: The card rack must be installed on a non-combustible surface.

NGC-30-CTM installation instructions

Ground-Fault/Line Current Sensors
Connections from NGC-30-CRM/-CRMS to NGC-30-CTM.
Using an RJ11 connector/cable assembly, connect one end to an RJ11 input (TB13-TB17) and the other end to the appropriate NGC‑30-CTM RJ11 connector.

Optional Voltage Sensor
The optional voltage sensor can monitor 80 – 290 Vac. This voltage connects to one of the five line current/ground-fault inputs on the NGC-30-CRM.
Note: By using the optional voltage sensor, you lose the ability to monitor the ground-fault and current for that circuit.
Ground-Fault/Line Current Cable Assembly
Cables are not available as loose item. They need to be created by the project team while assembling the panel.

Cable Preparation
Notes:
1. Cut one end off of a ground-fault /line current cable.
2. Strip insulation approx. 2,5 cm from cut end.
3. Strip the red and black wire insulation approx. 0,5 cm.
4. Connect red and black wire to the two position
terminal plug. No need to be concerned about polarity.
5. Trim brown and orange wires from cut end.



















