INSTALLATION INSTRUCTIONS
NAMV1 Series
One-Piece Variable Speed Air Handler
L5651 NAMV1 Series One-Piece Variable Speed Air Handler
This manual must be left with the homeowner for future reference.
This is a safety alert symbol and should never be ignored. When you see this symbol on labels or in manuals, be alert to the potential for personal injury or death.
WARNING
Improper installation, adjustment, alteration, service or maintenance can cause property damage, personal injury or loss of life. Installation and service must be performed by a licensed professional HVAC installer or equivalent, service agency, or the gas supplier.
IMPORTANT
The Clean Air Act of 1990 bans the intentional venting of refrigerant (CFCs, HCFCs and HFCs) as of July 1, 1992. Approved methods of recovery, recycling or reclaiming must be followed. Fines and/or incarceration may be levied for noncompliance.
CAUTION
As with any mechanical equipment, contact with sharp sheet metal edges can result in personal injury. Take care while handling this equipment and wear gloves and protective clothing.
GE Appliances A Haier Company
Appliance Park
Louisville, KY 40225
Save these instructions for future reference
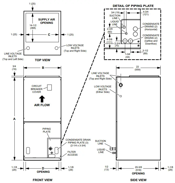
Unit Dimensions – Upflow – Inches (mm)

NOTE: Unit is shipped configured for horizontal right-hand air discharge. Unit may be converted to horizontal left-hand air discharge by repositioning horizontal drain pan. Dimensions remain the same in all configurations.
| Dimensions | 18 | 24 | 30 | 036 / 042 | 48 | 60 | ||||||
| In. | mm | In. | mm | in. | mm | in. | mm | in. | mm | in. | mm | |
| A | 43-1/2 | 1105 | 45-1/2 | 1156 | 47 | 1194 | 53-5/8 | 1362 | 55 | 1397 | 59-3/4 | 1518 |
| B | 18-1/2 | 470 | 18-1/2 | 470 | 18-1/2 | 470 | 21-1/2 | 546 | 21-1/2 | 546 | 21-1/2 | 546 |
| C | 16-1/2 | 419 | 16-1/2 | 419 | 16-1/2 | 419 | 19-1/2 | 495 | 19-1/2 | 495 | 19-1/2 | 495 |
| D | 16-1/4 | 413 | 16-1/4 | 413 | 16-1/4 | 413 | 19-1/4 | 489 | 19-1/4 | 489 | 19-1/4 | 489 |
Shipping and Packing List
Package 1 of 1 contains:
1 – Assembled air handler unit factory-equipped for upflow or horizontal air discharge application (includes upflow and horizontal drain pans and pre-installed air filter).
Check the air handler for shipping damage; if found, immediately contact the last carrier. Check the unit rating plate to confirm that delivered unit matches order.
General
The NAMV1 series air handler with aluminum coil is designed for indoor installation only. As shipped, the unit is ready for installation in either upflow or horizontal right-hand air discharge applications. Horizontal drain pan may be repositioned in the field to allow installation in the horizontal left-hand air discharge position. Various accessories are available and listed in the NAMV1 Product Specification for ordering.
This instruction is intended as a general guide and does not supersede local or national codes in any way. Consult authorities having jurisdiction before installation.
NOTE: Special procedures are required for cleaning the aluminum coil in this unit. See Page 22 in this instruction for information.
Requirements
WARNING
Excessive Weight Hazard – Use two or more people when moving and installing the unit. Failure to do so can result in back or other type of injury.
IMPORTANT
NAMV1 units include a factory-installed check/expansion valve which will provide optimal refrigerant control and system performance with outdoor units of varying capacities. These units must be installed as a part of a matched system as outlined in the NAMV1 Product Specification.
These instructions are intended as a general guide. Compliance with all local, state, or national codes pertaining to this type of equipment should be determined prior to installation. Read this instruction manual, as well as the instructions supplied in separate equipment, before starting the installation.
In addition to conforming to manufacturer’s installation instructions and local municipal building codes, installation of air handler units (with or without optional electric heat), MUST conform with National Fire Protection Association (NFPA) standards: “Standard for Installation of Air Conditioning and Ventilation Systems” (NFPA No. 90A) and “Standard for Installation of Residence Type Warm Air Heating and Air Conditioning Systems” (NFPA No. 90B).
All models are designed for indoor installation only. The installation of the air handler, field wiring, duct system, etc. must conform to the requirements of the National Electrical Code, ANSI/NFPA No. 70 (latest edition) in the United States, and any state laws, and local ordinances (including plumbing or waste water codes).
Local authorities having jurisdiction should be consulted before installation is made. Such applicable regulations or requirements take precedence over the general instructions in this manual.
Install the conditioned air plenum, ducts and air filters (provided) in accordance with NFPA 90B Standard for the Installation of Warm Air Heating and Air-Conditioning Systems (latest edition).
The air handler is shipped from the factory completely assembled. The unit is provided with flanges for the connection of the duct system.
Do not remove the cabinet knockouts until it has been determined which knockouts will need to be removed for the installation.
Select the air discharge position which best suits the site conditions. Consider required clearances, space, routing requirements for refrigerant line, condensate disposal, filters, duct system, wiring, and accessibility for service. Refer to the rating plate on the air handler for specific information.
WARNING
Danger of explosion. Keep flammable materials and vapors, such as gasoline, away from air handler. Place air handler so that heating elements are at least 18 inches (46 cm) above the floor for a garage installation. Failure to follow these instructions can result in death, explosion, or fire.
IMPORTANT
Excessive condensation may occur if the unit is installed in a warm, humid place. When the unit is installed in an unconditioned space, apply sealant around electrical wires, refrigerant piping and condensate lines at the point where they enter the cabinet. Apply sealant on the inside of the cabinet at the point where the electrical wires exit through the conduit opening. This will also keep warm and moist unconditioned air out of the air handler cabinet where it will form condensate on the cooler control box and electrical controls.
IMPORTANT
This unit is approved for installation clearance to combustible material as stated on the unit rating plate. Accessibility and service clearances must take precedence over combustible material clearances. The air handler must be installed so that free access is allowed to the coil/filter compartment and blower/control compartment.
- During cooling operation, excessive sweating may occur if the air handler is installed in a warm and humid space.
- If installed in an unconditioned space, sealant should be applied around the electrical wires, refrigerant tubing, and condensate lines where they enter the cabinet.
- Electrical wires should be sealed on the inside where they exit the conduit opening. Sealant is required to prevent air leakage into, and condensate from forming inside of, the air handler, the control box, and on the electrical controls.
Use of Air Handler During Construction
Units may be used for heating (heat pumps) or cooling of buildings or structures under construction, if the following conditions are met to ensure proper operation.
DO NOT USE THE UNIT FOR CONSTRUCTION HEAT UNLESS ALL OF THE FOLLOWING CRITERIA ARE MET:
- A room thermostat must control the air handler. The use of fixed jumpers is not allowed.
- Air filter must be installed in the system and must be maintained during construction.
- Air filter must be replaced upon construction completion.
- The air handler evaporator coil, supply fan assembly and duct system must be thoroughly cleaned following final construction clean-up.
- All air handler operating conditions must be verified according to these installation instructions.
EQUIPMENT MAY EXPERIENCE PREMATURE COMPONENT FAILURE AS A RESULT OF FAILURE TO FOLLOW THE ABOVE INSTALLATION INSTRUCTIONS. FAILURE TO FOLLOW THE ABOVE INSTALLATION INSTRUCTIONS VOIDS THE MANUFACTURER’S EQUIPMENT LIMITED WARRANTY. ALLIED AIR DISCLAIMS ALL LIABILITY IN CONNECTION WITH INSTALLER’S FAILURE TO FOLLOW THE ABOVE INSTALLATION INSTRUCTIONS.
NOTWITHSTANDING THE FOREGOING, INSTALLER IS RESPONSIBLE FOR CONFIRMING THAT THE USE OF CONSTRUCTION HEAT OR COOLING IS CONSISTENT WITH THE POLICIES AND CODES OF ALL REGULATING ENTITIES. ALL SUCH POLICIES AND CODES MUST BE ADHERED TO.
Installation Clearances
Non-Ducted Return Closet Installation
The air handler can be installed in a closet with a false bottom to form a return air plenum. It may also be installed with a return air plenum under the air handler.
Louvers or return air grilles are field-supplied. Local codes may limit application of systems without a ducted return to single-story buildings.
When a NAMV1 unit is installed in a closet with a louvered return opening, the minimum open area for the louvers will be:
- 320 square inches for -18 and -24 models;
- 360 square inches for -30 and -36 models;
- 450 square inches for -42 thru -60 models
If the free area is not known, assume a 25% free area for wood or a 75% free area for metal louvers or grilles. Using the louver dimensions and the 25% or 75% assumption, determine if the open area meets the minimum open area listed above.
If a return air plenum is used, the return air grille should be immediately in front of the opening in the plenum to allow for the free flow of return air. When not installed in front of the opening, there must be adequate clearance around the air handler to allow for the free flow of return air.
Installation
Each unit consists of a blower assembly, refrigerant coil, and controls in an insulated galvanized steel factory-finished enclosure. Knockouts are provided for electrical wiring entrance.
For ease in installation, it is best to make any necessary coil configuration changes before setting air handler in place.
Refrigerant Metering Device
NAMV1 units are equipped with a factory-installed check/expansion valve.
Upflow Application
- The air handler must be supported on the bottom only and set on solid floor or field-supplied support frame. Securely attach the air handler to the floor or support frame.
- If installing a unit in an upflow application, remove the horizontal drain pan.
NOTE: The horizontal drain pan is not required in upflow air discharge installations; its removal provides the best efficiency and air flow. - Place the unit in the desired location and slope unit. Connect return and supply air plenums as required using sheet metal screws.
- Install units that have no return air plenum on a stand that is at least 14” from the floor. This will allow proper air return.
Horizontal Applications
IMPORTANT
When removing the coil, there is a possibility of danger of equipment damage and personal injury. Be careful when removing the coil assembly from a unit installed in right- or left-hand applications. The coil may tip into the drain pan once it is clear of the cabinet. Support the coil when removing it..
NOTE: When the unit is installed in horizontal applications, a secondary drain pan is recommended. Refer to local codes.
NOTE: This unit may be installed in left-hand or right-hand air discharge horizontal applications. Adequate support must be provided to ensure cabinet integrity. Ensure that there is adequate room to remove service and access panels if installing in the horizontal position.
Right-Hand Discharge
- Determine which plugs are required for drain line connections.
- With access door removed, remove drain line plugs to install drain lines.
- Set unit so that it is sloped toward the upflow drain pan end of the unit and level from front to back of unit (see Figure 6).
- The horizontal configuration is shown in Figure 2.

- If the unit is suspended, the entire length of the cabinet must be supported. If you use a chain or strap, use a piece of angle iron or sheet metal attached to the unit (either above or below) to support the length of the cabinet. Use securing screws no longer than 1/2 inch to avoid damaging the coil or filter. See Figure 3. Use sheet metal screws to connect the return and supply air plenums as required.

Left-Hand Air Discharge
For horizontal left-hand air discharge, the following field modifications are required.
- Remove access panels and the corrugated padding between the blower and coil assembly. Discard the corrugated padding.
- Pull the coil assembly from unit. Pull off the horizontal drain pan.
- Remove the drain plugs from back drain holes on horizontal drain pan and reinstall them on front holes.
IMPORTANT
After removal of drain pan plug(s), check drain hole(s) to verify that drain opening is fully open and free of any debris. Also check to make sure that no debris has fallen into the drain pan during installation that may plug up the drain opening. - Rotate drain pan 180º front-to-back and install it on the opposite side of the coil.
- Remove screws from top cap. Remove drip shield screw located in the center of the back coil end seal as illustrated in Detail A in Figure 5.

- Rotate drip shield 180° front-to-back.
- Remove plastic plug from left hole on coil front end seal and reinstall plug in back hole. Reinstall drip shield screw in front coil end seal. Drip shield should drain downward into horizontal drain pan inside coil.
- Rotate top cap 180º front-to-back and align with unused screw holes. Holes must align with front and back coil end plates (see Detail B in Figure 5). The top cap has a 45º bend on one side and a 90º bend on the other. The 90º bend must be on the same side as the horizontal drain pan as illustrated in Detail A in Figure 5.
NOTE: Be very careful when reinstalling the screws into the coil end plate engaging holes. Misaligned screws may damage the coil. - From the upflow position, flip cabinet 90º to the left and set into place. Replace blower assembly. Secure coil in place by bending down the tab on the cabinet support rail as illustrated.
NOTE: Seal around the exiting drain pipe, liquid and suction lines to prevent infiltration of humid air. - Flip access door and replace it on the unit.
- Set unit so that it is sloped 1/4ʺ toward the drain pan end of the unit. Connect return and supply air plenums as required using sheet metal screws.
- If suspending the unit, it must be supported along the entire length of the cabinet. If using chain or strap, use a piece of angle iron or sheet metal attached to the unit (either above or below) so that the full length of the cabinet is supported. Use securing screws no longer than 1/2ʺ to avoid damage to coil or filter, as illustrated in Figure 3. Connect return and supply air plenums as required using sheet metal screws.
Downflow Application
If downflow application is required, separately order a downflow conversion kit and install per kit instructions. See Table 1 for kit information. Also use metal or class I supply and return air plenums.
| Model | Kit Number |
| 018, 024, 030 | Y9658 |
| 036, 042, 048, 060 | Y9659 |
Table 1. Downflow Conversion Kits
Units installed on combustible floors in the downflow position with electric heat require a downflow combustible flooring base. See Table 2 for kit information. Install per kit
instructions.
| Model | Kit Number |
| 018, 024, 030 | 12W95 |
| 036, 042, 048, 060 | 12W96 |
Table 2. Downflow Combustible Floor Base Kits
IMPORTANT
If electric heat section with circuit breakers (ECBA25) is installed in a NAMV1 unit in a downflow application, the circuit breakers must be rotated 180° to the UP position.
See ECBA25 installation instructions for more details.
Condensate Drain
IMPORTANT
On units of this type, where the blower “draws” rather than “blows” air through the coil, traps must be installed in the condensate drain lines (primary and auxiliary, if used). Traps prevent the blower from drawing air through the drain lines into the air supply.
IMPORTANT
A field-fabricated secondary drain pan, with a drain pipe to the outside of the building, is required in all installations over a finished living space or in any area that may be damaged by overflow from the main drain pan. In some localities, local codes may require a secondary drain pan for any horizontal installation.
Sloping The Unit
Make sure the unit is sloped (similar to the slope shown in Figure 6) so that the drain pan will empty completely without water standing in the pan.
Install Condensate Drain
The air handler is provided with 3/4” NPT condensate drain connections.
IMPORTANT
On some pans, the primary and secondary drain holes have knockouts.
Confirm primary and secondary drains are open.
- NAMV1 units are equipped with a drain pan, which includes green (main drain) and red (secondary drain) plugs. Unscrew the plugs to remove them before inserting condensate drain fittings.

- Install properly sized, field-provided connection fittings and connect primary drain line to the main drain pan connection.
NOTE: When installing drain line connection fittings to the drain pan, hand tighten the fitting and use a thread sealant. Over-tightening the fittings can split connections on the drain pan. - If the secondary drain line is to be used, remove the plug or the knockout and route the drain line so that water draining from the outlet will be easily noticed by the homeowner. Refer to local codes for drain trap requirements on the secondary drain line.

- Check again to ensure drain ports and drain pan are free of all debris.
- Plug and check any unused drain pan openings for tightness. Torque plugs to 36 in. lb. to prevent water leaks or seepage from the drain pan.
- Install a 2” trap in the main (primary) drain lines as close to the unit as practical (see Figure 8). Make sure the top of the trap is below the connection to the drain pan to allow complete drainage of the pan.
NOTE: Horizontal runs must have an anti-siphon air vent (standpipe) installed ahead of the horizontal run. See Figure 8. An extremely long horizontal run may require an oversized drain line to eliminate air traps.
NOTE: Do not operate air handler without a trap in the main (primary) drain. The condensate drain is on the negative pressure side of the blower; therefore, air being pulled through the condensate line will not allow positive drainage without a proper trap. - Route the drain line to the outside or to an appropriate drain. Drain lines must be installed so they do not block service access to the front of the air handler. A 24” clearance is required for filter, coil, or blower removal and service access.
NOTE: Check local codes before connecting the drain line to an existing drainage system. Insulate the drain lines where sweating could cause water damage.
Test Condensate Drain
Test the drain pan and drain line after installation:
- Pour several quarts of water into drain pan. Use enough water to fill both the drain trap and the line.
- Check the installed drain pan. Drain pan must be draining completely. Drain line fittings must not be leaking. Water must be draining from the end of the primary drain line.
- Correct any leaks found.
Duct System and Filters
Duct System
The air handler is provided with flanges for the connection of the supply plenum.
Supply and return duct system must be adequately sized to meet the system’s air requirements and static pressure capabilities. The duct system should be insulated with a minimum of 1” thick insulation with a vapor barrier in conditioned areas or 2” minimum in unconditioned areas. Supply plenum should be the same size as the flanged opening provided around the blower outlet and should extend at least 3 ft. from the air handler before turning or branching off plenum into duct runs. The plenum forms an extension of the blower housing and minimizes air expansion losses from the blower.
Filters
A filter is provided. Table 3 lists the filter size for each unit.
| NAMV1 | Filter Size – in. |
| -018, -024, -030 | 15″ x 20″ x 1″ |
| -036, -042, -048, -060 | 18″ x 20″ x 1″ |
Table 3. Unit Air Filter Size Chart
IMPORTANT
If a high efficiency filter is being installed as part of this system to ensure better indoor air quality, the filter must be properly sized. High efficiency filters have a higher static pressure drop than standard efficiency glass/foam filters. If the pressure drop is too great, system capacity and performance may be reduced. The pressure drop may also cause the limit to trip more frequently during the winter and the indoor coil to freeze in the summer, resulting in an increase in the number of service calls. Before using any filter with this system, check the specifications provided by the filter manufacturer against the data given in the appropriate Product Specifications. Additional information is provided in Service and Application Note ACC002 (August 2000).
Installing Duct System
Connect supply air duct to the flange on top of the air handler. If an isolation connector is used, it must be nonflammable.
Field-Fabricated Return Air Duct Flange For Horizontal Applications
A return air duct system is recommended, but not factoryprovided.
If the unit is installed in a confined space or closet, run a full-size return connection to a location outside the closet.
Brazing Refrigerant Lines
Refrigerant lines must be connected by a qualified technician in accordance with established procedures.
IMPORTANT
Refrigerant lines must be clean, dry, refrigerant-grade copper lines. Air handler coils should be installed only with specified line sizes for approved system combinations.
Handle the refrigerant lines gently during the installation process. Sharp bends or kinks in the lines will cause a restriction.
Do not remove the caps from the lines or system connection points until connections are ready to be completed.
WARNING
Polyol ester (POE) oils used with HFC-410A refrigerant absorb moisture very quickly. It is very important that the refrigerant system be kept closed as much as possible.
DO NOT remove line set caps or service valve stub caps until you are ready to make connections.
PLEASE READ IMPORTANT ISSUES CONCERNING BRAZING OPERATIONS IN THE BRAZING REFRIGERANT LINES SECTION BEFORE PROCEEDING.
NOTE – Refer to outdoor unit installation instructions for refrigerant piping size requirements.
NOTE – Use silver alloy brazing rods with five or six percent minimum silver alloy for copper-to-copper brazing; 45 percent alloy for copper-to-brass and copper-to-steel brazing. Do not use soft solder.
A. REMOVE ACCESS PANEL
B. ROUTE SUCTION AND LIQUID LINES FROM FITTINGS ON INDOOR COIL TO FITTINGS ON OUTDOOR UNIT. RUN LINES IN DIRECT PATH, AVOIDING UNNECESSARY TURNS AND BENDS.
NOTE – MAKE SURE SUCTION LINE IS INSULATED OVER ENTIRE EXPOSED LENGTH AND NEITHER SUCTION NOR LIQUID LINES ARE IN DIRECT CONTACT WITH FLOORS, WALLS, DUCT SYSTEM, FLOOR JOISTS, OR OTHER PIPING.
D. EITHER REMOVE OR PUSH PIPE WRAPPING BACK THROUGH HOLE IN PIPING PLATE BEFORE LINE SET CONNECTION AND BRAZING.
E. CONNECT PIPES
NOTE – REFRIGERANT LINE SETS SHOULD BE ROUTED TO ALLOW FILTER ACCESSIBILITY.
G. PLACE A WET RAG AGAINST PIPING PLATE AND AROUND THE SUCTION LINE CONNECTION.
H. BRAZE CONNECTION. ALLOW PIPE TO COOLTO ROOM TEMPERATURE BEFORE REMOVINGWET RAG FROM CTXV SENSING BULB AND PIPING PANEL AREA.
I. REPEAT PREVIOUS PROCEDURE FOR LIQUID LINE.
J. REINSTALL RUBBER GROMMETS INTO THE REFRIGERANT PIPING PANEL.
NOTE – MAKE SURE EXPANSION VALVE CAPILLARY TUBE IS NOT TOUCHING METAL EDGES OR COPPER TUBING.
NOTE – Refer to instructions provided with outdoor unit for leak testing, evacuating and charging procedures.
Figure 10. Brazing Connections
WARNING
To prevent the build-up of high levels of nitrogen when purging, it must be done in a well-ventilated area. Purge low-pressure nitrogen (1 to 2 psig, 6.9 to 13.8 kPa) through the refrigerant piping during brazing. This will help to prevent oxidation and the introduction of moisture into the system.
WARNING
Danger of fire. Bleeding the refrigerant charge from only the high side may result in pressurization of the low side shell and suction tubing. Application of a brazing torch to a pressurized system may result in ignition of the refrigerant and oil mixture. Check the high and low pressures before applying heat.
CAUTION
Brazing alloys and flux contain materials which are hazardous to your health.
Avoid breathing vapors or fumes from brazing operations. Perform operations only in well-ventilated areas.
Wear gloves and protective goggles or face shield to protect against burns.
Wash hands with soap and water after handling brazing alloys and flux.
NOTE
Recommended line length is 50’ or less. If more than 50’ line set is required, contact GE Appliances.
Sealing the Unit
Seal the unit so that warm air is not allowed into the cabinet.
Warm air introduces moisture, which results in water blowoff problems. This is especially important when the unit is installed in an unconditioned area.
If installed in an unconditioned space, sealant should be applied around the electrical wires, refrigerant tubing, and condensate lines where they enter the cabinet.
WARNING
There must be an airtight seal between the bottom of the air handler and the return air plenum. Use fiberglass sealing strips, caulking, or equivalent sealing method between the plenum and the air handler cabinet to ensure a tight seal. Return air must not be drawn from a room where this air handler or any gas-fueled appliance (i.e., water heater), or carbon monoxide-producing device (i.e., wood fireplace) is installed.
IMPORTANT
Use duct tape and/or Permagum to seal closed any space around the holes where the drain lines exit the cabinet. Warm air must not be allowed to enter through any gaps or holes in the cabinet.
Electrical Connections
WARNING
Electric shock hazard! – Disconnect all power supplies before servicing.
Replace all parts and panels before operating.
Failure to do so can result in death or electrical shock.
WARNING
Run 24V Class II wiring only through specified low voltage opening. Run line voltage wiring only through specified high voltage opening. Do not combine voltage in one opening.
WARNING
Electric Shock Hazard.
Can cause injury or death.
Foil-faced insulation has conductive characteristics similar to metal. Be sure there are no electrical connections within 1/2ʺ of the insulation. If the foil-faced insulation comes in contact with electrical voltage, the foil could provide a path for current to pass through to the outer metal cabinet. While the current produced may not be enough to trip existing electrical safety devices (e.g., fuses or circuit breakers), the current can be enough to cause an electrical shock hazard that could cause personal injury or death.
WARNING
Electric Shock Hazard. Can cause injury or death. Unit must be properly grounded in accordance with national and local codes.
Line voltage is present at all components when unit is not in operation on units with singlepole contactors.
Disconnect all remote electric power supplies before opening access panel.
Unit may have multiple power supplies.
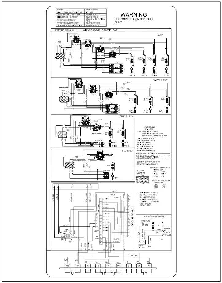
- Wiring must conform to the current National Electric Code ANSI/NFPA No. 70, or Canadian Electric Code Part I, CSA Standard C22.1, and local building codes. Refer to following wiring diagrams. See unit nameplate for minimum circuit ampacity and maximum overcurrent protection size.
- Electrical wiring, disconnect means and over-current protection are to be supplied by the installer. Refer to the air handler rating plate for maximum overcurrent protection, minimum circuit ampacity, as well as operating voltage. Select the proper supply circuit conductors in accordance with tables 310-16 and 31017 in the National Electric Code, ANSI/NFPA No. 70 or tables 1 through 4 in the Canadian Electric Code, Part I, CSA Standard C22.1.
- The power supply must be sized and protected according to the specifications supplied on the product.
- This air handler is factory-configured for 240 volt, single phase, 60 cycles. For 208-volt applications, see “208 Volt Conversion” later in this section.
- Separate openings have been provided for 24V low voltage and line voltage. Refer to the dimension illustration of specific location.
- This unit is provided with holes for conduit. Use provided caps to seal holes not used.
- Typical unit wiring (as well as wiring of optional fieldinstalled electric heat) is given in Figure 14. Refer to the instructions provided with the electric heat section for proper installation.
WARNING
USE COPPER CONDUCTORS ONLY
- Disconnect all power supplies.
- Remove the air handler access panel.
- Route the field supply wires to the air handler electrical connection box.
- Use UL-listed wire nuts to connect the field supply conductors to the unit black and yellow leads, and the ground wire to ground terminal marked GND.
- Replace the air handler access panel.
Control Panel Relocation
To avoid the possibility of moisture damage to the control in some right-hand discharge configurations, the control panel can be relocated to the end panel as shown in Figure 12.
- Remove the two screws that secure the control panel to the cabinet. Slide panel out.
- Slide the control panel into the notch on the electric heat mounting panel (Figure 11). Using the screws removed in Step 1, secure the control panel to the end panel.

208 Volt Conversion
- Disconnect all power supplies.
- Remove the air handler access panel.
- Using the wiring diagram located on the unit access panel as a reference, move the 2 connected black transformer leads from the 240 volt terminal on the transformer to the 208 volt terminal on the transformer.

Figure 14. Typical Wiring Diagram – NAMV1 Air Handler with Electric Heat – (Variable-Speed Motor)
![]() | ![]() |
| To operate indoor blower at the dehumidification air volume: Remove the factory jumper between DS and R. Connect DS terminal in air handler to DS in room thermostat. | To operate indoor blower at the dehumidification air volume: Remove the factory jumper between DS and R. Connect DS terminal in air handler to DS in room thermostat. |
![]() | ![]() |
| To operate indoor blower at the dehumidification air volume: Remove the factory jumper between DS and R. Connect DS terminal in air handler to DS in room thermostat. | To operate indoor blower at the dehumidification air volume: Remove the factory jumper between DS and R. Connect DS terminal in air handler to DS in room thermostat. |
WARNING
USE COPPER CONDUCTORS ONLY
Figure 15. Low Voltage Connections (Variable-Speed Motor)
BDC3 Blower Control
NAMV1 units are equipped with a variable-speed motor that is capable of maintaining a specified CFM throughout the external static range. A particular CFM can be obtained by positioning jumpers (COOL, HEAT, and ADJUST) on the BDC3 control.
The jumpers are labeled 1, 2, 3, and 4. This indicates the selected air volume (CFM). The ADJUST jumper is labeled Test, -, +, and Norm. The – and + pin settings are used to add or subtract a percentage of the CFM selected. The Test jumper is used to operate the motor in the test mode. The delay jumper controls the timing pattern in which the fan delay occurs.
Figure 16 illustrates the BDC3 control. Use the blower performance tables to determine the correct air volume for heat and cool speed taps.
Diagnostic LEDs located on the BDC3 control to assist in servicing the unit. Read the jumper settings section before adjusting blower speed. Refer to Figure 16 for identification.
Adjusting the Blower Speed
Diagnostic LEDs
- RUN LED indicates there is a demand for the blower motor to run.
- CFM LED indicates the cubic feet per minute at which the unit is operating. The light flashes once for approximately every 100 CFM. For example, if the unit is operating at 1000 CFM, the CFM LED will flash 10 times. If the CFM is 1150, CFM LED will flash 11 full times plus one fast or half flash.
At times, the light may appear to flicker or glow. This is normal and occurs when the control is communicating with the motor between cycles.
Move the jumper pins to select the blower speed needed to meet application CFM requirements.
Jumper Settings
IMPORTANT
Before changing jumper setting, make sure the motor has completely stopped. Any jumper setting change will not take place while the motor is running.
Table 4 lists the recommended factory blower speed tap selections for NAMV1 series units. These settings are for nominal tonnage match-ups with the NAMV1. When matched with other sizes, it is recommended that the CFM be adjusted to provide approximately 400 CFM per ton.
| Model | Speed Tap Selection | |||
| Cooling | Hea ing* | |||
| Note 1 | Note 2 | Note 3 | Note 4 | |
| -18 | COOL PIN #2 | COOL PIN #2 | HEAT PIN #2 | HEAT PIN #2 |
| -24 | COOL PIN #3 | COOL PIN #3 | HEAT PIN #3 | HEAT PIN #3 |
| -30 | ||||
| -36 | ||||
| -42 | ||||
| -48 | ||||
| -60 | ||||
| NOTES – 1.Condensing Unit 2.Heat Pump 3.Condensing Unit with electric heat only 4.Heat Pump with electric heat * Minimum setting for heat | ||||
Table 4. Recommended Blower Speed Taps
To change jumper positions, gently pull the jumper off the pins and insert it onto the desired set of pins. The following section outlines the different jumper selections available and conditions associated with each one as illustrated in Figure 16.
After the CFM for each application has been determined, the jumper settings must be adjusted to reflect those given in the blower performance tables. From the tables, determine which row of CFM volumes most closely matches the desired CFM. Once a specific row has been chosen (+, NORMAL, or -), CFM volumes from other rows cannot be used. Below are descriptions of the jumper selections.
Adjust Jumper
The ADJUST pins allow the motor to run at normal speed, slightly higher (approximately 10%) than normal speed, or slightly lower (approximately 10%) than normal speed.
The blower performance tables list three rows (+, NORMAL, and -) with their respective CFM volumes. Notice that for the 1.5 ton unit, for example, that the normal adjustment setting for heat speed position #4 is 1050 CFM. The + adjustment setting for that position is 1150 CFM and for the – adjustment setting is 950 CFM. After the adjustment setting has been determined, choose the remaining speed jumper settings from those offered in the table in that row. The TEST pin is available to bypass the BDC3 control and run the motor at approximately 70% to test that the motor is operational. This is beneficial primarily in troubleshooting.
G must be energized for motor to run.
Cool Jumper
The COOL jumper is used to determine the CFM during either cooling or heat pump operation without a call for electric heat. These jumper selections are activated for cooling when Y2 and DS terminals in the NAMV1 are energized. They are activated for heating when Y2 is energized.
The unit will provide 70% of the COOL CFM during firststage cooling for two-stage outdoor units. 100% of COOL speed is provided for systems with a single-stage outdoor unit.
For applications with zone control, the air handler CFM volume is determined by the control center. The minimum blower speed is predetermined at 250 CFM for -018, -024, -030 and -036 units and 450 CFM for -042, -048 and -060 units. This speed is not adjustable. See footnotes in the blower performance tables.
With the thermostat set for Continuous Fan and without a call for heating or cooling, the NAMV1 provides 50% of the COOL CFM selected.
NOTE: For two-stage heat pumps, air handler will operate at 70% of the COOL selection until supplemental electric heat is demanded. At that time, the air handler will operate at the selected HEAT speed. This arrangement provides warmer supply air during second-stage heating.
Blower Performance
NAM24V1 Blower Performance
0 through 0.80 in. w.g. External Static Pressure Range
| ADJUST Jumper Setting | Jumper Speed Positions | |||||||||||
| “HEAT’ Speed | First Stage “COOL” Speed | Second Stage ‘COOL” Speed | ||||||||||
| 1 | 2 | 3 | 4 | 1 | 2 | 3 | 4 | 1 | 2 | 3 | 4 | |
| cfm | cfm | cfm | cfm | cfm | cfm | cfm | cfm | cfm | cfm | cfm | cfm | |
| + | 500 | 705 | 925 | 1150 | 365 | 520 | 665 | 810 | 500 | 705 | 925 | 1150 |
| NORM | 465 | 650 | 850 | 1050 | 350 | 485 | 610 | 740 | 465 | 650 | 850 | 1050 |
| — | 420 | 600 | 760 | 950 | 320 | 425 | 560 | 680 | 420 | 600 | 760 | 950 |
| NOTES – The effect of static pressure. filter and electric heater resistance is included in the air volumes listed. First stage cooling air volume is 70% of COOL speed setting. Continuous blower speed is approximately 50% of COOL speed setting. Zoning System applications – minimum blower speed is 250 cfm. | ||||||||||||
NAM24V1 Blower Performance
0 through 0.80 in. w.g. External Static Pressure Range
| ADJUST Jumper Setting | Jumper Speed Positions | |||||||||||
| “HEAT’ Speed | First Stage “COOL” Speed | Second Stage ‘COOL” Speed | ||||||||||
| 1 | 2 | 3 | 4 | 1 | 2 | 3 | 4 | 1 | 2 | 3 | 4 | |
| cfm | cfm | cfm | cfm | cfm | cfm | cfm | cfm | cfm | cfm | cfm | cfm | |
| + | 450 | 670 | 900 | 1120 | 340 | 450 | 650 | 770 | 450 | 670 | 900 | 1120 |
| NORM | 420 | 620 | 820 | 1050 | 300 | 400 | 600 | 700 | 420 | 620 | 820 | 1050 |
| — | 390 | 570 | 750 | 915 | 280 | 390 | 500 | 650 | 390 | 570 | 750 | 915 |
| NOTES – The effect of static pressure. filter and electric heater resistance is included in the air volumes listed. First stage cooling air volume is 70% of COOL speed setting. Continuous blower speed is approximately 50% of COOL speed setting. Zoning System applications – minimum blower speed is 250 cfm. | ||||||||||||
NAM30V1 Blower Performance
0 through 0.80 in. w.g. External Static Pressure Range
| ADJUST Jumper Setting | Jumper Speed Positions | |||||||||||
| “HEAT’ Speed | First Stage “COOL” Speed | Second Stage ‘COOL” Speed | ||||||||||
| 1 | 2 | 3 | 4 | 1 | 2 | 3 | 4 | 1 | 2 | 3 | 4 | |
| cfm | cfm | cfm | cfm | cfm | cfm | cfm | cfm | cfm | cfm | cfm | cfm | |
| + | 680 | 885 | 1115 | 1340 | 490 | 635 | 770 | 930 | 680 | 885 | 1115 | 1340 |
| NORM | 620 | 810 | 1020 | 1220 | 440 | 575 | 715 | 845 | 620 | 810 | 1020 | 1220 |
| — | 550 | 725 | 905 | 1100 | 411 | 530 | 645 | 755 | 550 | 725 | 905 | 1100 |
| NOTES – The effect of static pressure. filter and electric heater resistance is included in the air volumes listed. First stage cooling air volume is 70% of COOL speed setting. Continuous blower speed is approximately 50% of COOL speed setting. Zoning System applications – minimum blower speed is 250 cfm. | ||||||||||||
NAM36V1 Blower Performance
0 through 0.80 in. w.g. External Static Pressure Range
| ADJUST Jumper Setting | Jumper Speed Positions | |||||||||||
| “HEAT’ Speed | First Stage “COOL” Speed | Second Stage ‘COOL” Speed | ||||||||||
| 1 | 2 | 3 | 4 | 1 | 2 | 3 | 4 | 1 | 2 | 3 | 4 | |
| cfm | cfm | cfm | cfm | cfm | cfm | cfm | cfm | cfm | cfm | cfm | cfm | |
| + | 930 | 1155 | 1390 | 1530 | 640 | 815 | 970 | 1150 | 930 | 1155 | 1390 | 1530 |
| NORM | 830 | 1050 | 1260 | 1450 | 590 | 725 | 875 | 1025 | 830 | 1050 | 1260 | 1450 |
| — | 740 | 940 | 1135 | 1330 | 545 | 650 | 780 | 910 | 740 | 940 | 1135 | 1330 |
| NOTES – The effect of static pressure. filter and electric heater resistance is included in the air volumes listed. First stage cooling air volume is 70% of COOL speed setting. Continuous blower speed is approximately 50% of COOL speed setting. Zoning System applications – minimum blower speed is 250 cfm. | ||||||||||||
NAM42V1 Blower Performance
0 through 0.80 in. w.g. External Static Pressure Range
| ADJUST Jumper Setting | Jumper Speed Positions | |||||||||||
| “HEAT’ Speed | First Stage “COOL” Speed | Second Stage ‘COOL” Speed | ||||||||||
| 1 | 2 | 3 | 4 | 1 | 2 | 3 | 4 | 1 | 2 | 3 | 4 | |
| cfm | cfm | cfm | cfm | cfm | cfm | cfm | cfm | cfm | cfm | cfm | cfm | |
| + | 1130 | 945 | 1575 | 1810 | 780 | 945 | 1110 | 1275 | 1130 | 945 | 1575 | 1810 |
| NORM | 1020 | 1255 | 1440 | 1650 | 710 | 860 | 1000 | 1160 | 1020 | 1255 | 1440 | 1650 |
| — | 920 | 1135 | 1300 | 1490 | 670 | 780 | 910 | 1040 | 920 | 1135 | 1300 | 1490 |
| NOTES – The effect of static pressure. filter and electric heater resistance is included in the air volumes listed. First stage cooling air volume is 70% of COOL speed setting. Continuous blower speed is approximately 50% of COOL speed setting. Zoning System applications – minimum blower speed is 450 cfm. | ||||||||||||
NAM48V1 Blower Performance
0 through 0.80 in. w.g. External Static Pressure Range
ADJUST | Jumper Speed Positions | |||||||||||
| “HEAT” Speed | First Stage “COOL” Speed | Second Stage “COOL” Speed | ||||||||||
| 1 | 2 | 3 | 4 | 1 | 2 | 3 | 4 | 1 | 2 | 3 | 4 | |
| cfm | cfm | cfm | cfm | cfm | cfm | cfm | cfm | cfm | cfm | cfm | cfm | |
+ | 1375 | 1600 | 1820 | 2185 | 960 | 1125 | 1285 | 1620 | 1375 | 1600 | 1820 | 2185 |
NORM | 1260 | 1455 | 1655 | 2085 | 885 | 1035 | 1185 | 1475 | 1260 | 1455 | 1655 | 2085 |
– | 1125 | 1310 | 1490 | 1885 | 790 | 925 | 1060 | 1330 | 1125 | 1310 | 1490 | 1885 |
| NOTES – The effect of static pressure, filter and electric heater resistance is included in the air volumes listed. First stage cooling air volume is 70% of COOL speed setting. Continuous blower speed is approximately 50% of COOL speed setting. Zoning System applications – minimum blower speed is 450 cfm. | ||||||||||||
NAM60V1 Blower Performance
0 through 0.80 in. w.g. External Static Pressure Range
ADJUST | Jumper Speed Positions | |||||||||||
| “HEAT” Speed | First Stage “COOL” Speed | Second Stage “COOL” Speed | ||||||||||
| 1 | 2 | 3 | 4 | 1 | 2 | 3 | 4 | 1 | 2 | 3 | 4 | |
| cfm | cfm | cfm | cfm | cfm | cfm | cfm | cfm | cfm | cfm | cfm | cfm | |
+ | 1600 | 1835 | 2030 | 2190 | 1110 | 1285 | 1380 | 1615 | 1600 | 1835 | 2030 | 2190 |
NORM | 1465 | 1675 | 1855 | 2085 | 1000 | 1160 | 1250 | 1470 | 1465 | 1675 | 1855 | 2085 |
– | 1320 | 1500 | 1675 | 1890 | 895 | 1035 | 1115 | 1320 | 1320 | 1500 | 1675 | 1890 |
| NOTES – The effect of static pressure, filter and electric heater resistance is included in the air volumes listed. First stage cooling air volume is 70% of COOL speed setting. Continuous blower speed is approximately 50% of COOL speed setting. Zoning System applications – minimum blower speed is 450 cfm. | ||||||||||||
| Operating Sequence | System Demand | System Response | ||||||||||
| System Condition | Step | Thermostat Demand | Relative Humidity | Comp | Air Handler CFM (COOL) | Comments | ||||||
| Y1 | Y2 | O | G | W1 | W2 | Status | D | |||||
| NO CALL FOR DEHUMIDIFICATION | ||||||||||||
| Normal Operation | 1 | On | On | On | Accetpable | 24 VAC | High | 100% | Compressor and indoor air handler follow thermostat demand | |||
| BASIC MODE (only active on a Y1 thermostat demand) | ||||||||||||
| Normal Operation | 1 | On | On | On | Accetpable | 24 VAC | High | 100% | Thermostat energizes Y1 and de-energizes D on a call for dehumidification | |||
| Dehumidification Call | 2 | On | On | On | Demand | 0 VAC | High | 60/65/70%* | ||||
| PRECISION MODE (operates independent of a Y1 thermostat demand) | ||||||||||||
| Normal Operation | 1 | On | On | On | Accetpable | 24 VAC | High | 100% | Dehumidification mode begins when humidity is greater than setpoint | |||
| Dehumidification Call | 2 | On | On | On | Demand | 0 VAC | High | 60/65/70%* | ||||
| Dehumidification Call Only | 1 | On | On | On | Demand | 0 VAC | High | 60/65/70%* | Thermostat will try to maintain room humidity setpoint by allowing the room space to maintain a cooler room thermostat setpoint** | |||
| Jumpers at indoor unit with a single stage outdoor unit With Condensing unit – Y1 to Y2 and R to O With Heat Pump – Y1 to Y2 | ||||||||||||
| * During dehumidification, cooling air handler speed is as follows: 70% of COOL cfm for 024, 030; 65% for 036; 60% for 042, 048 and 060 units. ** Thermostat will maintain the room temperature up to 2°F (1.2°C) cooler than the room thermostat setting in precision mode. | ||||||||||||
Table 5. NAMV1 Thermostat and Single-Stage Outdoor Unit Operating Sequence
Operating Sequence | System Demand | System Response | ||||||||||
| System Condition | Step | Thermostat Demand | Relative Humidity | Comp | Air Handler CFM (COOL) | Comments | ||||||
Y1 | Y2 | O | G | W1 | W2 | Status | D | |||||
| NO CALL FOR DEHUMIDIFICATION | ||||||||||||
| Normal Operation – Y1 | 1 | On | On | On | Accetpable | 24 VAC | Low | 70% | Compressor and indoor air handler follow thermostat demand | |||
| Normal Operation – Y2 | 2 | On | On | On | On | Accetpable | 24 VAC | High | 100% | |||
| Room Thermostat Calls for First-Stage Cooling | ||||||||||||
| BASIC MODE (only active on a Y1 thermostat demand) | ||||||||||||
| Normal Operation | 1 | On | On | On | Accetpable | 24 VAC | Low | 70% | Thermostat energizes Y2 and de-energizes D on a call for dehumidification | |||
| Dehumidification Call | 2 | On | On | On | On | Demand | 24 VAC | High | 60/65/70%* | |||
| PRECISION MODE (operates independent of a Y1 thermostat demand) | ||||||||||||
| Normal Operation | 1 | On | On | On | Acceptable | 24 VAC | Low | 70% | Dehumidification mode begins when humidity is greater than setpoint | |||
| Dehumidification Call | 2 | On | On | On | On | Demand | 0 VAC | High | 60/65/70%* | |||
| Dehumidification Call Only | 1 | On | On | On | On | Demand | 0 VAC | High | 60/65/70%* | Thermostat will try to maintain room humidity setpoint by allowing the room space to maintain a cooler room thermostat setpoint** | ||
| Room Thermostat Calls for First- and Second-Stage Cooling | ||||||||||||
| BASIC MODE (only active on a Y1 thermostat demand) | ||||||||||||
| Normal Operation | 1 | On | On | On | On | Accetpable | 24 VAC | High | 100% | Thermostat energizes Y2 and de-energizes D on a call for dehumidification | ||
| Dehumidification Call | 2 | On | On | On | On | Demand | 0 VAC | High | 60/65/70%* | |||
| PRECISION MODE (operates independent of a Y1 thermostat demand) | ||||||||||||
| Normal Operation | 1 | On | On | On | On | Accetpable | 24 VAC | High | 100% | Dehumidification mode begins when humidity is greater than setpoint | ||
| Dehumidification Call | 2 | On | On | On | On | Demand | 0 VAC | High | 60/65/70%* | |||
| Dehumidification Call Only | 1 | On | On | On | On | Demand | 0 VAC | High | 60/65/70%* | Thermostat will try to maintain room humidity setpoint by allowing the room space to maintain a cooler room thermostat setpoint** | ||
| Jumpers at indoor unit with a two-stage outdoor unit With Condensing unit – Y2 and R to O With Heat Pump – none | ||||||||||||
| * During dehumidification, cooling air handler speed is as follows: 70% of COOL cfm for 024, 030; 65% for 036; 60% for 042, 048 and 060 units. ** Thermostat will maintain the room temperature up to 2°F (1.2°C) cooler than the room thermostat setting in precision mode. | ||||||||||||
Table 6. NAMV1 Thermostat and Two-Stage Outdoor Unit Operating Sequence
Heat Jumper
The HEAT jumper is used to determine CFM during electric heat operation only. These jumper selections are activated only when W1 is energized.
Delay Jumper
The DELAY jumper is used to set the specific motor fan operation during cooling mode. Depending on the application, one of four options may be chosen by moving the jumper to the appropriate set of pins.
#1 Pins Jumpered
a. Motor runs at 100% until demand is satisfied.
b. Once demand is met, motor ramps down to stop.
#2 Pins Jumpered
a. Motor runs at 100% until demand is satisfied.
b. Once demand is met, motor runs at 100% for 45 seconds.
c. Motor ramps down to stop.
#3 Pins Jumpered
a. Motor runs at 82% for approximately 7-1/2 minutes. If demand has not been satisfied after 7-1/2 minutes.
b. Motor runs at 100% until demand is satisfied.
c. Once demand is met, motor ramps down to stop.
#4 Pins Jumpered
a. Motor ramps up to 82%.
b. Motor then runs at 82% for approximately 7-1/2 minutes. If demand has not been satisfied after 7-1/2 minutes,
c. Motor runs at 100% until demand is satisfied.
d. Once demand is met, motor ramps down to stop.
Checkout Procedures
NOTE: Refer to outdoor unit installation instructions for system start-up instructions and refrigerant charging instructions.
Pre-Start-Up Checks
- Is the air handler properly and securely installed?
- If horizontally configured, is the unit sloped up to 5/8 inch toward drain lines?
- Will the unit be accessible for servicing?
- Has an auxiliary pan been provided under the unit with separate drain for units installed above a finished ceiling or in any installation where condensate overflow could cause damage?
- Have ALL unused drain pan ports been properly plugged?
- Has the condensate line been properly sized, run, trapped, pitched, and tested?
- Is the duct system correctly sized, run, sealed, and insulated?
- Have all cabinet openings and wiring been sealed?
- Is the indoor coil factory-installed TXV properly sized for the outdoor unit being used?
- Have all unused parts and packaging been disposed of?
- Is the filter clean, in place, and of adequate size?
- Is the wiring neat, correct, and in accordance with the wiring diagram?
- Is the unit properly grounded and protected (fused)?
- Is the thermostat correctly wired and in a good location?
- Are all access panels in place and secure?
Check Blower Operation
1. Set thermostat to FAN ON. The indoor blower should come on.
Check Cooling Operation
- Set thermostat to force a call for cooling (approximately 5ºF lower than the indoor ambient temperature).
- The outdoor unit should come on immediately and the indoor blower should start between 30 – 60 seconds later.
- Check the air flow from a register to confirm that the system is moving cooled air.
- Set the thermostat 5ºF higher than the indoor temperature. The indoor blower and outdoor unit should cycle off.
Check Electric Heat (If Used)
- Set thermostat to call for auxiliary heat (approximately 5°F above ambient temperature). The indoor blower and auxiliary heat should come on together. Allow a minimum of 3 minutes for all sequencers to cycle on.
- Set the thermostat so that it does not call for heat. Allow up to 5 minutes for all sequencers to cycle off.
Professional Maintenance
NOTICE
Failure to follow instructions will cause damage to the unit.
This unit is equipped with an aluminum coil. Aluminum coils may be damaged by exposure to solutions with a pH below 5 or above 9. The aluminum coil should be cleaned using potable water at a moderate pressure (less than 50psi). If the coil cannot be cleaned using water alone, it is recommended to use a coil cleaner with a pH in the range of 5 to 9. The coil must be rinsed thoroughly after cleaning.
In coastal areas, the coil should be cleaned with potable water several times per year to avoid corrosive buildup (salt).
Homeowner Maintenance
IMPORTANT
Do not operate system without a filter. A filter is required to protect the coil, blower, and internal parts from excessive dirt and dust. The filter is placed in the return duct by the installer.
Inspect air filters at least once a month and replace or clean as required. Dirty filters are the most common cause of inadequate heating or cooling performance.
Replace disposable filters. Cleanable filters can be cleaned by soaking in mild detergent and rinsing with cold water.
Install new/clean filters with the arrows on the side pointing in the direction of air flow. Do not replace a cleanable (high velocity) filter with a disposable (low velocity) filter unless return air system is properly sized for it.
If water should start coming from the secondary drain line, a problem exists which should be investigated and corrected. Contact a qualified service technician.
Repairing or Replacing Cabinet Insulation
IMPORTANT
DAMAGED INSULATION MUST BE REPAIRED OR REPLACED before the unit is put back into operation.
Insulation loses its insulating value when wet, damaged, separated or torn.
Matte- or foil-faced insulation is installed in indoor equipment to provide a barrier between outside air conditions (surrounding ambient temperature and humidity) and the varying conditions inside the unit. If the insulation barrier is damaged (wet, ripped, torn or separated from the cabinet walls), the surrounding ambient air will affect the inside surface temperature of the cabinet.
The temperature/humidity difference between the inside and outside of the cabinet can cause condensation on the inside or outside of the cabinet which leads to sheet metal corrosion and, subsequently, component failure.
Repairing Damaged Insulation
Areas of condensation on the cabinet surface are an indication that the insulation is in need of repair.
If the insulation in need of repair is otherwise in good condition, the insulation should be cut in an X pattern, peeled open, glued with an appropriate all-purpose glue and placed back against the cabinet surface, being careful to not overly compress the insulation so the insulation can retain its original thickness. If such repair is not possible, replace the insulation. If using foil-faced insulation, any cut, tear, or separations in the insulation surface must be taped with a similar foil-faced tape.
Installing Contractor’s Name_________
Installing Contractor’s Phone_______
Job Address______________
Installing Date___________
Air Handler Model #____
| 1. DUCT SYSTEM SUPPLY AIR DUCT ◊ Sealed ◊ Insulated (if necessary) ◊ Registers Open and Unobstructed ◊ RETURN AIR DUCT ◊ Sealed ◊ Filter Installed and Clean ◊ Registers Open and Unobstructed | 2. INTEGRATED CONTROL ◊ Jumpers Configured Correctly (if applicable) ◊ Appropriate Links in Place (if applicable) 3. VOLTAGE CHECK ◊ Supply Voltage ___________ ◊ Low Voltage _____________ ◊ Electrial Connections Tight 4. DRAIN LINE ◊ Leak Free ◊ Explained Operation of System to Homeowner |
| 5. TOTAL EXTERNAL STATIC (dry coil) dry coil wet coil Supply External Static ______ ______ Return External Static ______ ______ Total External Static = ______ ______ 6. ELECTRIC HEAT AMPS____________ 7. INDOOR BLOWER AMPS___________ INDOOR BLOWER CFM____________ | 8. TEMPERATURE DROP (Cooling Mode) Return Duct Temperature ___________ Supply Duct Temperature − ___________ Temperature Drop = ___________ 8. TEMPERATURE RISE (Heating Mode) Return Duct Temperature __________ Supply Duct Temperature − __________ Temperature Rise = __________ 9. THERMOSTAT ◊ Adjusted and Programmed ◊ Operation Explained to Owner |
Technician’s Name:_____Date Start−Up & Performance Check Completed____
Figure 18. Start-up and Performance Checklist (Upflow Configuration)
Installing Contractor’s Name________
Installing Contractor’s Phone______
Job Address__________
Installing Date__________
Air Handler Model #______
| 1. DUCT SYSTEM SUPPLY AIR DUCT ◊ Sealed ◊ Insulated (if necessary) ◊ Registers Open and Unobstructed ◊ RETURN AIR DUCT ◊ Sealed ◊ Filter Installed and Clean ◊ Registers Open and Unobstructed | 2. INTEGRATED CONTROL ◊ Jumpers Configured Correctly (if applicable) ◊ Appropriate Links in Place (if applicable) 3. VOLTAGE CHECK ◊ Supply Voltage ___________ ◊ Low Voltage _____________ ◊ Electrial Connections Tight 4. DRAIN LINE ◊ Leak Free ◊ Explained Operation of System to Homeowner |
| 5. TOTAL EXTERNAL STATIC (dry coil) dry coil wet coil Supply External Static ______ Return External Static ______ Total External Static = ______ 6. ELECTRIC HEAT AMPS________ 7. INDOOR BLOWER AMPS______ INDOOR BLOWER CFM_________ | 8. TEMPERATURE DROP (Cooling Mode) Return Duct Temperature ___________ Supply Duct Temperature − ___________ Temperature Drop = ___________ 8. TEMPERATURE RISE (Heating Mode) Return Duct Temperature __________ Supply Duct Temperature − __________ Temperature Rise = __________ 9. THERMOSTAT ◊ Adjusted and Programmed ◊ Operation Explained to Owner |
Technician’s Name:______Date Start−Up & Performance Check Completed___
Figure 19. Start-up and Performance Checklist (Horizontal Configuration)
Issue 2112
507789-02G / 31-5000673





















