Series AVUL Air Velocity Transmitter
Specifications – Installation and Operating Instructions
Series AVUL Air Velocity Transmitter
The Series AVUL Air Velocity Transmitter quickly and accurately measures air velocity or volumetric flow in imperial or metric units. Simultaneous current and voltage outputs on all models provide universal inputs to monitoring equipment while the output range, units, and 0-5/10 VDC output can be configured via local DIP switches.
The optional integral display, or the portable remote display tool, provide a convenient way to locally monitor process values and configure the unit.
Models are available in 3% and 5% of reading accuracy models to suit a variety of needs, and the optional BACnet MS/TP or Modbus® RTU/ASCII communication protocol allows units to be daisy-chained while providing access to all of the velocity and flow data, as well as additional information such as air temperature.
| MODEL CHART | ||||
| Model | AVUL | Al | -LOD | ‘GO-LCD |
| Accuracy | 5 | -1(0.2 rn/s • 5% of reading) @ standard conditions | ||
| 3 | 3(02 rNs + 3%m reading) @ standard conditions | |||
| MountInp | D | Duct mount | ||
| Output | Analog universal (0-5 VOC, 0-10 VOG. 0-20 mA) | |||
| Analcg • BAGnet NIS/I-P Anal • Mod…NM/ASCII | ||||
| Options | LCD FC | LCD display Facto, calibration certificate | ||
| OUST GLO | NISI- certificate Electrical cable gland | |||
| SF | Silicone tee | |||
SPECIFICATIONS
Service: Clean air and non-combustible, compatible gases.
Wetted Materials: Consult factory.
Range: 1000, 2000, 3000, 4000 FPM (5, 10, 15, 20 m/s); Field selectable.
Accuracy: ±(5% of reading + 0.2 m/s) or ±(3% of reading + 0.2 m/s) @ standard conditions, depending on model.
Temperature Limits: 32 to 122°F (0 to 50°C).
Power Requirements: 24 VDC ±20% or 24 VAC ±20%.
Humidity Limits: 5 to 95% RH, non-condensing.
Output Signals: 4-20 mA, 0-5 VDC, 0-10 VDC.
Response Time (90%): 10 s, typical.
Zero and Span Adjustments: Digital push buttons.
Output Load Resistance: Current output: 0 to 1100 Ω max.; Voltage output:
Minimum load resistance 1 kΩ.
Current Consumption: 60 mA max.
Display (Optional): 5 digit LCD.
Electrical Connections (Analog): Power and output: 4-wire removable European style terminal block for 16 to 26 AWG.
Communication (Optional): Connections: BACnet MS/TP or Modbus®
RTU/ASCII: 3-wire removable European style terminal block for 16 to 26 AWG; Supported baud
rates: 9600, 19200, 38400, 57600, 76800, 115200.
Device Load: 1/8 unit load.
Electrical Entry: 1/2˝ NPS thread. Accessory (A-151): Cable gland for 5 to 10 mm diameter cable.
Enclosure Rating: NEMA 4X (IP66).
Mounting Orientation: Flow direction must be parallel to the sensor tip;
See Installation section for details.
Weight: 6.0 oz (160 g).
Compliance: CE.
INSTALLATION
Duct Mount:
The transmitter should be mounted away from fans, corners, heating and cooling coils, and other equipment that will effect the measurement of the air velocity. It is recommended that the AVUL is mounted 10 duct diameters downstream of any disturbances and 5 duct diameters upstream of any disturbances, if possible.
- Mark and drill a 0.750 to 0.938˝ (20 to 24 mm) diameter hole into the duct.
- Insert and center the duct mount flange in the previously drilled hole and mark location of the three mounting screw holes.
- Remove the mounting flange and drill or punch the mounting holes in the marked locations.
- Fasten the flange to the duct using three #8 x 1/2 pan head sheet metal screws. Do not over tighten screws.
- Insert the AVUL probe into the ducts mount flange and set the desired insertion depth.
- Note the flow direction and unit alignment as shown on sensor tip and product label, tighten probe retention set screw on the duct mount flange screw to affix the probe in place.
Electrical Connection:
The Series AVUL is powered and simultaneously transmits a 2-wire 4-20 mA current output and a three-wire 0-5 VDC or 0-10 VDC voltage output via a removable four conductor terminal block. The transmitter power supply common is used to reference the current and voltage outputs so either current, voltage, or current and voltage may be wired according to the application. The range of the voltage output can be selected using the on board DIP switches as described in the Analog DIP Switch Settings section of this manual.
Power Supply
Choose a power supply with a voltage and current rating sufficient to meet the power specifications under all operating conditions. If the power supply is unregulated, make sure the output voltage remains within the required voltage range under all power line conditions. Ripple on the supply should not exceed 100 mV.
CAUTION
DO NOT EXCEED SPECIFIED SUPPLY VOLTAGE RATINGS.
PERMANENT DAMAGE NOT COVERED BY WARRANTY WILL RESULT.
Current Output Operation
CAUTION
DO NOT EXCEED SPECIFIED SUPPLY VOLTAGE RATINGS.
PERMANENT DAMAGE NOT COVERED BY WARRANTY WILL RESULT.
The terminal block is removable, and each of the terminals are labeled underneath the terminal block on the circuit board. As the power supply and outputs share the same common signal (GND), the outputs may have separate wires but must effectively join at terminal 2 of the transmitter, as shown in Figure 1. The connections to the transmitter are made to terminals 1, 2, and 3 (PWR, GND, and IOUT respectively) on the terminal block as shown in Figure 4.
Although low loop resistances are recommended, the absolute maximum current loop load resistance, RMAX , is defined by the following the equation:
RMAX =
where VPS is the power supply voltage
For a 24 VDC nominal power supply, this evaluates to RMAX = 1100 Ω.
Shielded two wire cable is recommended for current output loop wiring. Ground the shield at the power supply end only.
The maximum length of connecting wire between the current transmitter and the receiver is a function of wire size and receiver resistance. That portion of the total current loop resistance represented by the resistance of the connecting wires themselves should not exceed 10% of the receiver resistance. For extremely long runs (over 1,000 ft.), it is desirable to select receivers with higher resistances in order to keep the size and cost of the connecting leads as low as possible. In installations where the connecting run is no more than 100 ft, connecting lead wire as small as No.
22 Ga. can be used.
Voltage Output Operation
CAUTION
DO NOT EXCEED SPECIFIED SUPPLY VOLTAGE RATINGS.
PERMANENT DAMAGE NOT COVERED BY WARRANTY WILL RESULT.
The terminal block is removable, and each of the terminals are labeled underneath the terminal block on the circuit board. The voltage output and the power supply must have separate wire leads that are only joined at terminal 2 of the transmitter, as shown in Figure 2. Additional error may occur for the voltage output if a single wire is used or if the wires are joined at the power supply or receiver. The connections to the transmitter are made to terminals 1, 2, and 4 (PWR, GND, and VOUT respectively) on the terminal block as shown in Figure 4.
The minimum receiver load is 1 kΩ. The resistance due to the wire should be low compared to the receiver load resistance. While the voltage at the terminal block remains unchanged with a 10 mA current flow, resistive losses in the wiring do cause errors in the voltage delivered to the receiver. For a 1% accurate gauge, the resistance of the wires should be less than 0.1% of the value of the receiver load resistance. This will keep the error caused by the current flow below 0.1%.
The output across VOUT and COM will be either 0-5 VDC, 0-10 VDC, or the inverse depending on the DIP switch setting. See the Analog DIP Switch Settings section for more information.
Simultaneous Current and Voltage Output Operation
CAUTION
DO NOT EXCEED SPECIFIED SUPPLY VOLTAGE RATINGS.
PERMANENT DAMAGE NOT COVERED BY WARRANTY WILL RESULT.
The terminal block is removable, and each of the terminals are labeled underneath the terminal block on the circuit board. The voltage output and the power supply must have separate wire leads that are only joined at terminal 2 of the transmitter, as shown in Figure 3. Additional error may occur for the voltage output if a single wire is used or if the wires are joined at the power supply or receiver. The connections to the transmitter are made to terminals 1, 2, 3 and 4 (PWR, GND, IOUT, and VOUT respectively) on the terminal block as shown in Figure 4, which reflects both the 4-20 mA and 0-5/10 VDC outputs in the same circuit. Details of each output are detailed in their electrical connection sections. 
ANALOG DIP SWITCH SETTINGS
The analog output DIP switches (SW1) are located above the terminal blocks on the left are as shown in Figure 4. A small screw driver or pen can be used to change the position of the switches as required. DIP switch positions for SW2 and SW3 are RESERVED or have no affect.
WARNING
All power should be turned off to the transmitter before adjusting the DIP switch settings to avoid electrical shock.
Factory Default Settings (DIP SW1 – All Switches ON)
Range = Highest Range Setting (4000 FPM)
Units = Imperial (FPM)
Voltage Output Range = 0-10 VDC
Direct / Reverse Output Action = Direct
Setting the Air Velocity Range
The range of the instrument is selected by using DIP switches 1 and 2 on SW1. Table 1 shows the maximum full scale value for the selected range and unit. Refer to Setting the Engineering Units section for information on setting the unit.
| DIP Switch SW1 | Full Scale Range | ||
| 1 | 2 | Imperial (FPM) | Metric (m/s) |
| 66` | ON | 4000 | 20 |
| OFF | 3000 | 15 | |
| ON | 2000 | 10 | |
| OFF | 1000 | 5 | |
Table 1: DIP switch SW1 settings for full-scale range
Setting the Engineering Units
The Series AVUL can be configured to indicate velocity in imperial (FPM, CFM) or metric (m/s, m3/h) units using DIP switches 4 and 5 on SW1, and Table 2 shows the values. The units will be displayed on the optional LCD display if connected.
| DIP Switch SW1 | Units | ||
| 4 | 5 | Velocity Mode | Air Flow Mode |
| ON ON OFF OFF | ON OFF ON OFF | FPM m/s m/s m/s | CFM m3/h m3/h m3/h |
Table 2: DIP switch SW1 settings for units
The default operating mode is velocity, but changes can be made, such as flow mode, via the menu system while an optional display or remote display accessory is connected. Please refer to Appendix III for a full menu flow chart.
Setting the Output Voltage Range
Voltage Output can be either 0-5 VDC or 0-10 VDC depending on the position of DIP
Switch 6 ON SW1.
- When the switch is in the ON position, the output will be 0-10 VDC.
- When the switch is in the OFF position, the output will be 0-5 VDC.
Setting the Input / Output Action
The output will either follow the process directly (DIRECT) or inverted (REVERSED) based on the position of DIP Switch 7 on SW1.
- When the switch is in the ON position, the output directly follows the input (i.e. output increases as the input increases).
- When the switch is in the OFF position, the output acts in reverse of the input (i.e. output decreases as the input increases).
CALIBRATION
NOTICE
There is a 5 second delay from the time the zero or span calibration buttons are released until the time that the change in calibration takes place. This delay is used to reduce vibration or disturbances of the user related to the button presses.
NOTICE
The security level that is set in the Programming Menu section of the manual will determine which calibrations, if any, may be adjusted by the user.
Zero Calibration
The zero calibration can be set by covering the sensor to ensure no air flow and pressing the zero button for 3 seconds. If either the remote or local LCD is present, the display will read ZEro and then sequence back to the home display.
SPAN Calibration
The span calibration can be adjusted only after setting the zero adjustment. It must be completed within 5 minutes of the last zero calibration. The span calibration button will be ignored until the zero calibration is completed. Place the sensor in airflow that matches the maximum selected range of the transmitter. Press and hold the span button for 3 seconds. If either the remote or local LCD is present, the display will read SPAn and then sequence back to the home display. If the span calibration is attempted before adjusting the zero calibration, the FAiL error message will be displayed briefly before returning to the home display.
LCD Display
The Series AVUL can be ordered with an optional, integral LCD. It comes with a housing cover and overlay to protect the display. The display will plug into the pins as shown in Figure 5. If the display is not needed for normal operation, the transmitter can be ordered without the LCD. 
Another option for models that do not have a display would be to use a Model A-435-A remote display tool which can plug into the connector shown in Figure 6. The remote display tool has two buttons that function identically to the buttons on the PCB. 
Display Error Messages
ovEr = The air velocity is greater than the maximum span value causing an Over Range Error
UndEr = The air velocity is less than the minimum span value causing an Under Range Error
FAiL = When the span or zero buttons are pressed, the air velocity value is out of the range to allow a correct setting. This may be due to a sensor failure.
Err1 = The sensor is damaged.
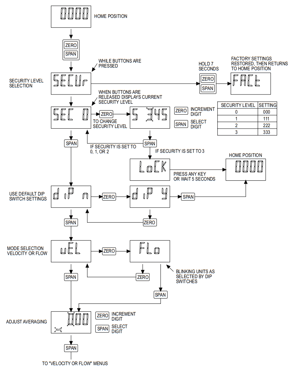
PROGRAMMING MENUS
Home Menu
During normal operation, the display will be in the Home Menu and will display the current measured pressure and the engineering units.
Menu Access Security
While in the Home Menu, press and hold the Zero and Span buttons simultaneously until SECUr appears on the display in order to access the other programming menus.
Upon releasing the buttons, the display will indicate the current security level.
If the current security level is the security level desired (i.e. Security Level 0), press and hold the span button for 3 seconds to enter the Velocity or Air Flow Menu.
If the security level is not the desired level, the security level can be changed temporarily to a lower security level or permanently to a higher level of security by pressing the zero button. A security code will appear on the display, and it can be changed to one of the codes listed in Table 3. The span button chooses which digit and the zero button increments the value of that digit. Pressing and holding the span button will store the value.
The level of access to the programming menus and the calibration is limited based on the security level. Table 3 details the level of access for each security level.
Mode Selection / Digital Dampening Menu
From the home display, pressing the span and zero button simultaneously for 3 seconds will access the Menu Security Level. If the level is set to 0 or 1, pressing and holding the span button for 3 seconds, a second time, will access the Mode Selection Menu. The display will default to air velocity when first powered up. Pressing the zero button will cycle to air flow.
Once the desired mode is displayed, pressing and holding the span button for 3 seconds will save the selected mode and display the digital dampening or averaging parameter. This parameter stabilizes the output and the display by averaging the readings. There are 2.5 readings taken each second and the user can select the number of seconds that they would like to average, up to 240 seconds. The display and the output will continue to update at a rate of 2.5 updates per second, but the moving average is used for these updates.
Velocity Mode
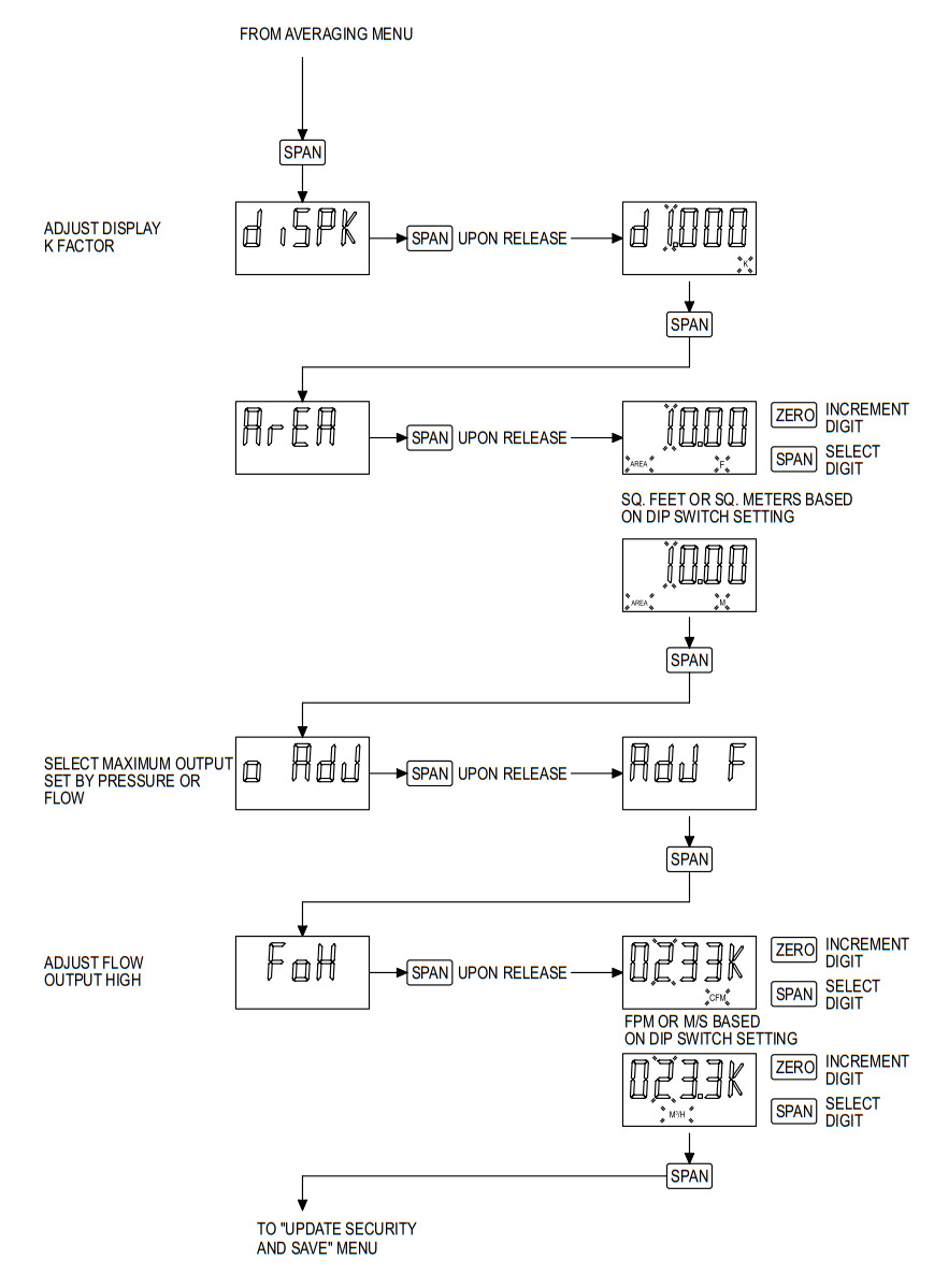
K-Factor Adjustment
If the Velocity Mode was selected, pressing and holding the span after adjusting the digital dampening will enter the Velocity Mode and the transmitter will display the engineering unit that has been selected by the DIP switch. Pressing and holding the span button for 3 seconds will enter the K – Factor adjustment. The K – Factor can be adjusted between 0.001 to 9.999. The K- Factor can be adjusted by pressing the span button to select the digit and pressing the zero button to increment the value of the digit. Pressing and holding the span button for 3 seconds will enter the Maximum Output Adjustment parameter.
Flow Mode
K-Factor Adjustment
If the Flow Mode was selected, pressing and holding the span after adjusting the digital dampening will enter the Flow Mode and the transmitter will display the engineering unit that has been selected by the DIP switch. Pressing and holding the span button for 3 seconds will enter the K–Factor adjustment. The K–Factor can be adjusted between 0.001 to 9.999. The K-Factor can be adjusted by pressing the span button to select the digit and pressing the zero button to increment the value of the digit. Pressing and holding the span button for 3 seconds will enter the Area Adjustment parameter.
Area Adjustment
For flow applications, the area is multiplied by the velocity to determine the volumetric air flow. The area will be listed in either CFM or m3/h depending on the DIP switch settings. The units will appear on the display at the time of adjustment. The area can be adjusted by pressing the span button to select the digit and pressing the zero button to increment the value of the digit. Pressing and holding the span button for 3 seconds will enter the Maximum Output Adjustment parameter.
Maximum Output Adjustment
The maximum output can be equivalent to air velocity or air flow. After adjusting the K-Factor, the display will indicate if the adjustment is set for velocity or air flow.
Pressing the zero button will toggle between the selections. Pressing and holding the span button for 3 seconds will enter the maximum output adjustment. The maximum output can be adjusted by pressing the span button to select the digit and pressing the zero button to increment the value of the digit. Pressing and holding the span button for 3 seconds will save this value and go to the Security Update Menu.
Security Update / Save Changes Menu
The Security Update Menu allows the security level to be set either higher or lower than the current security level setting. This security level will be displayed the next time the Menus are accessed from the home screen. Pressing the zero button cycles through the security levels. Pressing and holding the span button for 3 seconds accepts the new security level and gives the option to save all the menu changes.
Pressing the zero button will toggle between yes and no. Yes will save the changes made to all menu items and no will discard all the changes made to all menu items. If the display is set to yes, pressing and holding the span will save the menu items and return the display to the home position.
FACTORY DEFAULT PROCEDURE
In order to reset all of the menu settings back to their factory programmed values, press and hold both the span and zero buttons simultaneously for 10 seconds until FACt is displayed on the LCD. Upon releasing the buttons, the unit will be factory defaulted. Since resetting the transmitter will wipe out all changes, it is necessary to zero (and possibly span) the transmitter before taking measurements.
MAINTENANCE/REPAIR
Upon final installation of the Series AVUL Air Velocity Transmitter, no routine maintenance is required besides zeroing the transmitter occasionally. Besides routine calibration and installation of the LCD, the Series AVUL is not field serviceable, and it is not possible to repair the unit. Field repair should not be attempted and may void warranty.
This symbol indicates waste electrical products should not be disposed of with household waste. Please recycle where facilities exist. Check with your Local Authority or retailer for recycling advice.
WARRANTY/RETURN
Refer to “Terms and Conditions of Sales” in our catalog and on our website. Contact customer service to receive a Return Goods Authorization number before shipping the product back for repair. Be sure to include a brief description of the problem plus any dditional application notes.
APPENDIX I: Air Velocity / Air Flow Calculations
Velocity in m/s is then calculated from the equation:
Velocity (m/s) = Velocity (FPM) x 0.00508
Flow in m3/h is then calculated using the below equation:
Flow (CFM) = Area (ft 2) x K-Factor x Velocity (FPM)
Flow (m3/h) = Flow (CFM) x 1.6992
BUTTON PRESS LEGEND
| PRESS ZERO BUTTON | |
| PRESS SPAN BUTTON | |
| PRESS AND HOLD ZERO BUTTON | |
| PRESS AND HOLD SPAN BUTTON | |
| PRESS AND HOLD ZERO AND SPAN BUTTONS |
MENU CONVENTIONS
IN HOME POSITION:
| CALIBRATE UNIT TO ZERO PRESSURE. | |
| CALIBRATE UNIT TO SPAN PRESSURE. | |
| ENTER MENU DISPLAY |
IN MENU DISPLAY:
| SEQUENCES TO NEXT MAIN MENU ITEM, AND IF A MENU ITEM IS CHANGED TEMPORARILY SAVES THE SELECTION | |
| SEQUENCES THROUGH SUB MENU SELECTIONS OR INCREMENTS DIGITS | |
| SEQUENCE TO NEXT DIGIT. ACTIVE DIGIT WILL BLINK. |

Velocity Mode Menu
Flow Mode Menu

Security Menu

©Copyright 2023 Dwyer Instruments, LLC
DWYER INSTRUMENTS, LLC
P.O. BOX 373 MICHIGAN CITY, INDIANA 46360, U.S.A.
Phone: 219-879-8000
Fax: 219-872-9057
www.dwyer-inst.com
e-mail: [email protected]


















