Dwyer Series AVLV Low Air Velocity Transmitter with Modbus Communication

Product Information
The Series AVLV Low Air Velocity Transmitter is a device that can measure air velocity or volumetric flow in imperial or metric units. It comes with simultaneous current and voltage outputs on all models that provide universal inputs to monitoring equipment. The output range, units, and 0-5/10 VDC output can be configured via local DIP switches. The product also has an optional integral display or portable remote display tool that provides a convenient way to locally monitor process values and configure the unit.
The product has an accuracy chart that shows the accuracy rating for different velocity ranges. The accuracy rating is dependent on the model selected when ordering.
For installation, the product should be mounted away from fans, corners, heating and cooling coils, and other equipment that will affect the measurement of the air velocity. It is recommended that the AVLV is mounted 10 duct diameters downstream of any disturbances and 5 duct diameters upstream of any disturbances if possible. The product comes with a duct mount flange that needs to be inserted into a 0.750-0.938 (20-24 mm) diameter hole drilled into the duct. The AVLV probe is then inserted into the duct mount flange and set to the desired insertion depth. The flow direction and unit alignment should be noted as shown on the sensor tip and product label, and the probe retention set screw on the duct mount flange screw should be tightened to affix the probe in place.
The product requires a power supply with a voltage and current rating sufficient to meet the power specifications under all operating conditions. If the power supply is unregulated, make sure the output voltage remains within the required voltage range under all power line conditions. Ripple on the supply should not exceed 100 mV.
For voltage output operation, caution needs to be taken to not exceed specified supply voltage ratings as permanent damage not covered by warranty can occur. The product has a terminal block that is removable, and each of the terminals are labeled underneath the terminal block on the circuit board. As the power supply and outputs share the same common signal (GND), the outputs may have separate wires but must effectively join at terminal 2 of the transmitter.
For current output operation, caution needs to be taken to not exceed specified supply voltage ratings as permanent damage not covered by warranty can occur. The connections to the transmitter are made to terminals 1, 2, and 3 (PWR, GND, and IOUT respectively) on the terminal block as shown in Figure 4.
Product Usage Instructions
- Mount the AVLV away from fans, corners, heating and cooling coils, and other equipment that will affect the measurement of air velocity.
- Insert the duct mount flange into a 0.750-0.938 (20-24 mm) diameter hole drilled into the duct.
- Mark the location of the three mounting screw holes on the duct.
- Remove the mounting flange and drill or punch the mounting holes in the marked locations.
- Fasten the flange to the duct using three #8 x 1/2 pan head sheet metal screws. Do not over tighten screws.
- Insert the AVLV probe into the ducts mount flange and set the desired insertion depth.
- Note the flow direction and unit alignment as shown on sensor tip and product label, tighten probe retention set screw on the duct mount flange screw to affix the probe in place.
- Choose a power supply with a voltage and current rating sufficient to meet the power specifications under all operating conditions.
- For voltage output operation, ensure that you do not exceed specified supply voltage ratings as permanent damage not covered by warranty can occur. The outputs may have separate wires but must effectively join at terminal 2 of the transmitter.
- For current output operation, ensure that you do not exceed specified supply voltage ratings as permanent damage not covered bywarranty can occur. The connections to the transmitter are made to terminals 1, 2, and 3 (PWR, GND, and IOUT respectively) on the terminal block as shown in Figure 4.

The Series AVLV Low Air Velocity Transmitter quickly and accurately measures air velocity or volumetric flow in imperial or metric units. Simultaneous current and voltage outputs on all models provide universal inputs to monitoring equipment while the output range, units, and 0-5/10 VDC output can be configured via local DIP switches. The optional integral display, or the portable remote display tool, provide a convenient way to locally monitor process values and configure the unit.
Models are available in 1% and 2% accuracy models and low velocity ranges to suit a variety of needs, and the optional BACnet MS/TP or Modbus® RTU/ASCII communication protocol allows units to be daisy-chained while providing access to all of the velocity and flow data, as well as additional information such as air temperature. The lower ranges in these high accuracy units allow for applications in quality intensive environments, such as the pharmaceutical industry.
| ACCURACY CHART | |
| Velocity Range | Accuracy Rating* |
| 20 to 100 FPM (0.15 to 0.5 m/s)
20 to 200 FPM (0.15 to 1.0 m/s)
20 to 300 FPM (0.15 to 1.5 m/s)
20 to 400 FPM (0.15 to 2.0 m/s) | ± (2% of reading + 0.04 m/s [7.9 FPM]) ± (1% of reading + 0.04 m/s [7.9 FPM]) ± (2% of reading + 0.04 m/s [7.9 FPM]) ± (1% of reading + 0.04 m/s [7.9 FPM]) ± (2% of reading + 0.05 m/s [9.8 FPM]) ± (1% of reading + 0.05 m/s [9.8 FPM]) ± (2% of reading + 0.06 m/s [11.8 FPM]) ± (1% of reading + 0.06 m/s [11.8 FPM]) |
| *Accuracy dependent on model selected when ordering. | |
SPECIFICATIONS
- Service: Clean air and non-combustible, compatible gases.
- Wetted Materials: Consult factory.
- Range: 100, 200, 300, 400 FPM (0.5, 1, 1.5, 2.0 m/s); field selectable. Accuracy: See chart.
- Temperature Limits: 32 to 122°F (0 to 50°C).
- Power Requirements: 24 VDC ±20% or 24 VAC ±20%.
- Humidity Limits: 5 to 95% RH, non-condensing.
- Output Signals: 4-20 mA, 0-5 VDC, 0-10 VDC.
- Response Time (90%): 4 s, typical; 1 s at constant temperature.
- Zero and Span Adjustments: Digital push buttons.
- Output Load Resistance: Current output: 0 to 1100 Ω max.; Voltage output: Minimum load resistance 1 kΩ.
- Current Consumption: 60 mA max.
- Display: 5 digit LCD (optional).
- Electrical Connections: Analog: Power and output: four wire removable European style terminal block for 16 to 26 AWG; Communication: Connections: BACnet MS/TP or Modbus® RTU/ASCII: three wire removable European style terminal block for 16 to 26 AWG.
- Supported Communication Baud Rates: 9600, 19200, 38400, 57600, 76800, 115200 (optional).
- Device Load: 1/8 unit load.
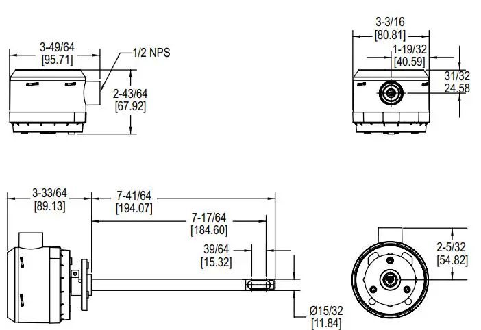
- Electrical Entry: 1/2˝ NPS thread; Accessory: Cable gland for 5 to 10 mm diameter cable, A-151.
- Enclosure Rating: NEMA 4X (IP66).
- Mounting Orientation: Flow direction must be parallel to the sensor tip.
- Weight: 6.0 oz (160 g).
- Agency Approval: BTL, CE.
INSTALLATION
Duct Mount:
The transmitter should be mounted away from fans, corners, heating and cooling coils, and other equipment that will effect the measurement of the air velocity. It is recommended that the AVLV is mounted 10 duct diameters downstream of any disturbances and 5 duct diameters upstream of any disturbances, if possible.
- Mark and drill a 0.750-0.938˝ (20-24 mm) diameter hole into the duct.
- Insert and center the duct mount flange in the previously drilled hole and mark location of the three mounting screw holes.
- Remove the mounting flange and drill or punch the mounting holes in the marked locations.
- Fasten the flange to the duct using three #8 x 1/2 pan head sheet metal screws. Do not over tighten screws.
- Insert the AVLV probe into the ducts mount flange and set the desired insertion depth.
- Note the flow direction and unit alignment as shown on sensor tip and product label, tighten probe retention set screw on the duct mount flange screw to affix the probe in place.
Electrical Connection:
The Series AVLV is powered and simultaneously transmits a two-wire 4-20 mA current output and a three-wire 0-5 VDC or 0-10 VDC voltage output via a removable four conductor terminal block. The transmitter power supply common is used to reference the current and voltage outputs so either current, voltage, or current and voltage may be wired according to the application. The range of the voltage output can be selected using the on board DIP switches as described in the Analog DIP Switch Settings section of this manual.
Power Supply
Choose a power supply with a voltage and current rating sufficient to meet the power specifications under all operating conditions. If the power supply is unregulated, make sure the output voltage remains within the required voltage range under all power line conditions. Ripple on the supply should not exceed 100 mV.
CAUTION DO NOT EXCEED SPECIFIED SUPPLY VOLTAGE RATINGS. PERMANENT DAMAGE NOT COVERED BY WARRANTY WILL RESULT.
Current Output Operation
CAUTION DO NOT EXCEED SPECIFIED SUPPLY VOLTAGE RATINGS. PERMANENT DAMAGE NOT COVERED BY WARRANTY WILL RESULT.
The terminal block is removable, and each of the terminals are labeled underneath the terminal block on the circuit board. As the power supply and outputs share the same common signal (GND), the outputs may have separate wires but must effectively join at terminal 2 of the transmitter, as shown in Figure 1. The connections to the transmitter are made to terminals 1, 2, and 3 (PWR, GND, and IOUT respectively) on the terminal block as shown in Figure 4.
Although low loop resistances are recommended, the absolute maximum current loop load resistance, RMAX , is defined by the following the equation:
RMAX = (VPS – 2.0) / 0.02 where VPS is the power supply voltage
For a 24 VDC nominal power supply, this evaluates to RMAX = 1100 ohms.
Shielded two wire cable is recommended for current output loop wiring. Ground the shield at the power supply end only.
The maximum length of connecting wire between the current transmitter and the receiver is a function of wire size and receiver resistance. That portion of the total current loop resistance represented by the resistance of the connecting wires themselves should not exceed 10% of the receiver resistance. For extremely long runs (over 1,000 ft.), it is desirable to select receivers with higher resistances in order to keep the size and cost of the connecting leads as low as possible. In installations where the connecting run is no more than 100 ft, connecting lead wire as small as No. 22 Ga. can be used.
Voltage Output Operation
CAUTION DO NOT EXCEED SPECIFIED SUPPLY VOLTAGE RATINGS. PERMANENT DAMAGE NOT COVERED BY WARRANTY WILL RESULT.
The terminal block is removable, and each of the terminals are labeled underneath the terminal block on the circuit board. The voltage output and the power supply must have separate wire leads that are only joined at terminal 2 of the transmitter, as shown in Figure 2. Additional error may occur for the voltage output if a single wire is used or if the wires are joined at the power supply or receiver. The connections to the transmitter are made to terminals 1, 2, and 4 (PWR, GND, and VOUT respectively) on the terminal block as shown in Figure 4.
The minimum receiver load is 1 kΩ. The resistance due to the wire should be low compared to the receiver load resistance. While the voltage at the terminal block remains unchanged with a 10 mA current flow, resistive losses in the wiring do cause errors in the voltage delivered to the receiver. For a 1% accurate gauge, the resistance of the wires should be less than 0.1% of the value of the receiver load resistance. This will keep the error caused by the current flow below 0.1%.
The output across VOUT and COM will be either 0-5 VDC, 0-10 VDC, or the inverse depending on the DIP switch setting. See the Analog DIP Switch Settings section for more information.
Simultaneous Current and Voltage Output Operation
The terminal block is removable, and each of the terminals are labeled underneath the terminal block on the circuit board. The voltage output and the power supply must have separate wire leads that are only joined at terminal 2 of the transmitter, as shown in Figure 3. Additional error may occur for the voltage output if a single wire is used or if the wires are joined at the power supply or receiver. The connections to the transmitter are made to terminals 1, 2, 3 and 4 (PWR, GND, IOUT, and VOUT respectively) on the terminal block as shown in Figure 4, which reflects both the 4-20 mA and 0-5/10 VDC outputs in the same circuit. Details of each output are detailed in their electrical connection sections. 
ANALOG DIP SWITCH SETTINGS
The analog output DIP switches (SW1) are located above the terminal blocks on the left are as shown in Figure 4. A small screw driver or pen can be used to change the position of the switches as required
CAUTION All power should be turned off to the transmitter before adjusting the DIP switch settings to avoid electrical shock.

Factory Default Settings (DIP SW1 – All Switches ON)
- Range = Highest Range Setting (400 FPM)
- Units = Imperial (FPM)
- Voltage Output Range = 0-10 VDC
- Direct / Reverse Output Action = Direct
Setting the Air Velocity Range
The range of the instrument is selected by using DIP switches 1 and 2 on SW1. Table 1 shows the maximum full scale value for the selected range and unit. Refer to Setting the Engineering Units section for information on setting the unit.
| DIP Switch SW1 | Full Scale Range | ||
| 1 | 2 | Imperial (FPM) | Metric (m/s) |
| ON | ON | 400 | 2 |
| ON | OFF | 300 | 1.5 |
| OFF | ON | 200 | 1 |
| OFF | OFF | 100 | 0.5 |
Table 1: DIP switch SW1 settings for full scale range
Setting the Engineering Units
The Series AVLV can be configured to indicate velocity in imperial (FPM, CFM) or metric (m/s, m3/h) units using DIP switches 4 and 5 on SW1, and Table 2 shows the values. The units will be displayed on the optional LCD display if connected.
| DIP Switch SW1 | Units | ||
| 4 | 5 | Velocity Mode | Air Flow Mode |
| ON | ON | FPM | CFM |
| ON | OFF | m/s | m3/h |
| OFF | ON | m/s | m3/h |
| OFF | OFF | m/s | m3/h |
Table 2: DIP switch SW1 settings for units
The default operating mode is velocity, but changes can be made, such as flow mode, via the menu system while an optional display or remote display accessory is connected. Please refer to Appendix VI for a full menu flow chart.
Setting the Output Voltage Range
Voltage Output can be either 0-5 VDC or 0-10 VDC depending on the position of DIP Switch 6 ON SW1.
- When the switch is in the ON position, the output will be 0-10 VDC.
- When the switch is in the OFF position, the output will be 0-5 VDC.
Setting the Input / Output Action
The output will either follow the process directly (DIRECT) or inverted (REVERSED) based on the position of DIP Switch 7 on SW1.
- When the switch is in the ON position, the output directly follows the input (i.e. output increases as the input increases).
- When the switch is in the OFF position, the output acts in reverse of the input (i.e. output decreases as the input increases).
CALIBRATION
NOTICE There is a 5 second delay from the time the zero or span calibration buttons are released until the time that the change in calibration takes place. This delay is used to reduce vibration or disturbances of the user related to the button presses.
NOTICE The security level that is set in the Programming Menu section of the manual will determine which calibrations, if any, may be adjusted by the user.
Zero Calibration
The zero calibration can be set by covering the sensor to ensure no air flow and pressing the zero button for 3 seconds. If either the remote or local LCD is present, the display will read ZEro and then sequence back to the home display.
SPAN Calibration
The span calibration can be adjusted only after setting the zero adjustment. It must be completed within 5 minutes of the last zero calibration. The span calibration button will be ignored until the zero calibration is completed. Place the sensor in airflow that matches the maximum selected range of the transmitter. Press and hold the span button for 3 seconds. If either the remote or local LCD is present, the display will read SPAn and then sequence back to the home display. If the span calibration is attempted before adjusting the zero calibration, the FAiL error message will be displayed briefly before returning to the home display.
LCD Display
The Series AVLV can be ordered with an optional, integral LCD. It comes with a housing cover and overlay to protect the display. The display will plug into the pins as shown in Figure 5. If the display is not needed for normal operation, the transmitter can be ordered without the LCD.

Another option for models that do not have a display would be to use a Model A-435-A remote display tool which can plug into the connector shown in Figure 6. The remote display tool has two buttons that function identically to the buttons on the PCB. 
Display Error Messages
- ovEr = The air velocity is greater than the maximum span value causing an Over Range Error
- UndEr = The air velocity is less than the minimum span value causing an Under Range Error
- FAiL = When the span or zero buttons are pressed, the air velocity value is out of the range to allow a correct setting. This may be due to a sensor failure.
- Err1 = The sensor is damaged.
Home Menu
During normal operation, the display will be in the Home Menu and will display the current measured pressure and the engineering units.
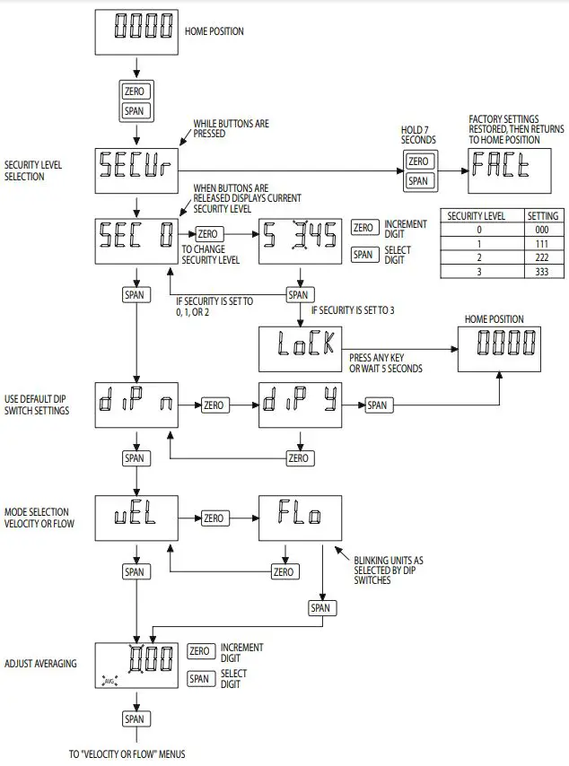
Menu Access Security
While in the Home Menu, press and hold the Zero and Span buttons simultaneously until SECUr appears on the display in order to access the other programming menus. Upon releasing the buttons, the display will indicate the current security level.
If the current security level is the security level desired (i.e. Security Level 0), press and hold the span button for 3 seconds to enter the Velocity or Air Flow Menu.
If the security level is not the desired level, the security level can be changed temporarily to a lower security level or permanently to a higher level of security by pressing the zero button. A security code will appear on the display, and it can be changed to one of the codes listed in Table 3. The span button chooses which digit and the zero button increments the value of that digit. Pressing and holding the span button will store the value.
The level of access to the programming menus and the calibration is limited based on the security level. Table 3 details the level of access for each security level.
| Security Level | Setting | Access | |||
| View Menu | Edit Menu | Span | Zero | ||
| 0 | 000 | Yes | Yes | Yes | Yes |
| 1 | 111 | Yes | No | No | Yes |
| 2 | 222 | No | No | No | No |
| 3 | 333 | No | No | No | No |
Table 3: Security settings
Mode Selection / Digital Dampening Menu
From the home display, pressing the span and zero button simultaneously for 3 seconds will access the Menu Security Level. If the level is set to 0 or 1, pressing and holding the span button for 3 seconds, a second time, will access the Mode Selection Menu. The display will default to air velocity when first powered up. Pressing the zero button will cycle to air flow.
Once the desired mode is displayed, pressing and holding the span button for 3 seconds will save the selected mode and display the digital dampening or averaging parameter. This parameter stabilizes the output and the display by averaging the readings. There are 2.5 readings taken each second and the user can select the number of seconds that they would like to average, up to 240 seconds. The display and the output will continue to update at a rate of 2.5 updates per second, but the moving average is used for these updates.
Velocity Mode
K-Factor Adjustment
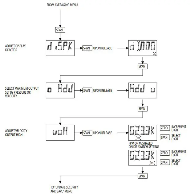
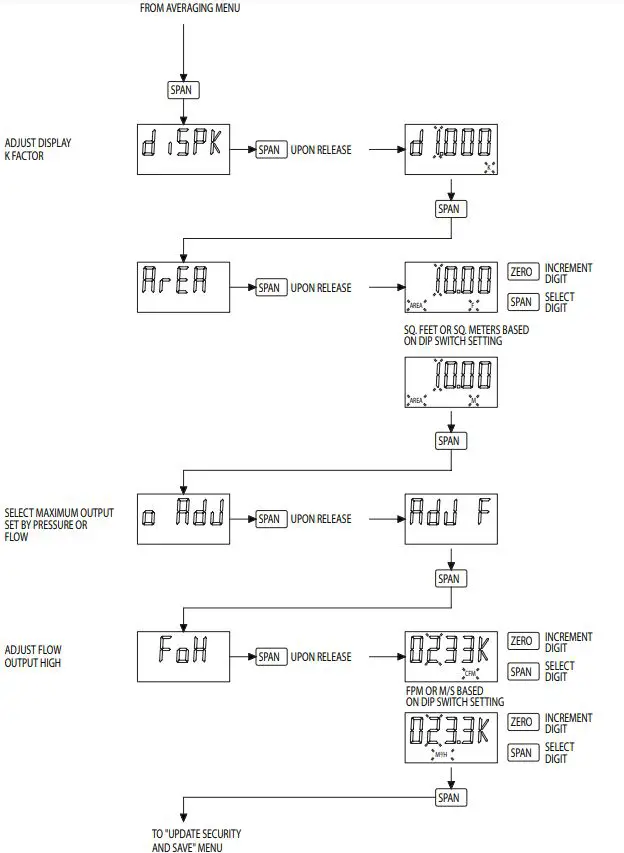
If the Velocity Mode was selected, pressing and holding the span after adjusting the digital dampening will enter the Velocity Mode and the transmitter will display the engineering unit that has been selected by the DIP switch. Pressing and holding the span button for 3 seconds will enter the K – Factor adjustment. The K – Factor can be adjusted between 0.001 to 9.999. The K-Factor can be adjusted by pressing the span button to select the digit and pressing the zero button to increment the value of the digit. Pressing and holding the span button for 3 seconds will enter the Maximum Output Adjustment parameter.
Flow Mode
K-Factor Adjustment
If the Flow Mode was selected, pressing and holding the span after adjusting the digital dampening will enter the Flow Mode and the transmitter will display the engineering unit that has been selected by the DIP switch. Pressing and holding the span button for 3 seconds will enter the K–Factor adjustment. The K–Factor can be adjusted between 0.001 to 9.999. The K-Factor can be adjusted by pressing the span button to select the digit and pressing the zero button to increment the value of the digit. Pressing and holding the span button for 3 seconds will enter the Area Adjustment parameter.
Area Adjustment
For flow applications, the area is multiplied by the velocity to determine the volumetric air flow. The area will be listed in either CFM or m3/h depending on the DIP switch settings. The units will appear on the display at the time of adjustment. The area can be adjusted by pressing the span button to select the digit and pressing the zero button to increment the value of the digit. Pressing and holding the span button for 3 seconds will enter the Maximum Output Adjustment parameter.
Maximum Output Adjustment
The maximum output can be equivalent to air velocity or air flow. After adjusting the K-Factor, the display will indicate if the adjustment is set for velocity or air flow. Pressing the zero button will toggle between the selections. Pressing and holding the span button for 3 seconds will enter the maximum output adjustment. The maximum output can be adjusted by pressing the span button to select the digit and pressing the zero button to increment the value of the digit. Pressing and holding the span button for 3 seconds will save this value and go to the Security Update Menu.
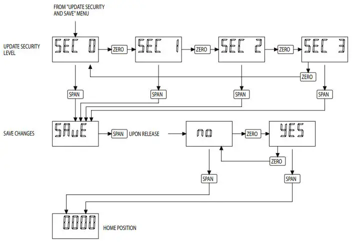
Security Update / Save Changes Menu
The Security Update Menu allows the security level to be set either higher or lower than the current security level setting. This security level will be displayed the next time the Menus are accessed from the home screen. Pressing the zero button cycles through the security levels. Pressing and holding the span button for 3 seconds accepts the new security level and gives the option to save all the menu changes. Pressing the zero button will toggle between yes and no. Yes will save the changes made to all menu items and no will discard all the changes made to all menu items. If the display is set to yes, pressing and holding the span will save the menu items and return the display to the home position.
FACTORY DEFAULT PROCEDURE
In order to reset all of the menu settings back to their factory programmed values, press and hold both the span and zero buttons simultaneously for 10 seconds until FACt is displayed on the LCD. Upon releasing the buttons, the unit will be factory defaulted. Since resetting the transmitter will wipe out all changes, it is necessary to zero (and possibly span) the transmitter before taking measurements.
MAINTENANCE/REPAIR
Upon final installation of the Series AVLV Air Velocity Transmitter, no routine maintenance is required besides zeroing the transmitter occasionally. Besides routine calibration and installation of the LCD, the Series AVLV is not field serviceable, and it is not possible to repair the unit. Field repair should not be attempted and may void warranty.
WARRANTY/RETURN
Refer to “Terms and Conditions of Sales” in our catalog and on our website. Contact customer service to receive a Return Goods Authorization number before shipping the product back for repair. Be sure to include a brief description of the problem plus any additional application notes.
APPENDIX I: Air Velocity / Air Flow Calculations Velocity in m/s is then calculated from the equation:
Velocity (m/s) = Velocity (FPM) x 0.00508
Flow in m3/h is then calculated using the below equation: Flow (CFM) = Area (ft2) x K-Factor x Velocity (FPM) Flow (m3/h) = Flow (CFM) x 1.6992
APPENDIX II: Maximum Flow
| Max Flow | Max K Factor x Area | ||
| CFM | m3/h | CFM Range | m3/h Range |
| 5885000 | 9999000 | 14712.5 | 1388.75 |
APPENDIX III: Modbus® Communication Protocol Operation
NOTICE Wiring should comply with Electrical Characteristics of Generators and Receivers for Use in Balanced Digital Multipoint
Systems, TIA/EIA-485-A-1998, Telecommunications Industry Association, 1998.
NOTICE Wiring should comply with Modbus® Communication Protocol over Serial Line Specification and Implementation Guide V1.02, Modbus Organization, Inc., 2006
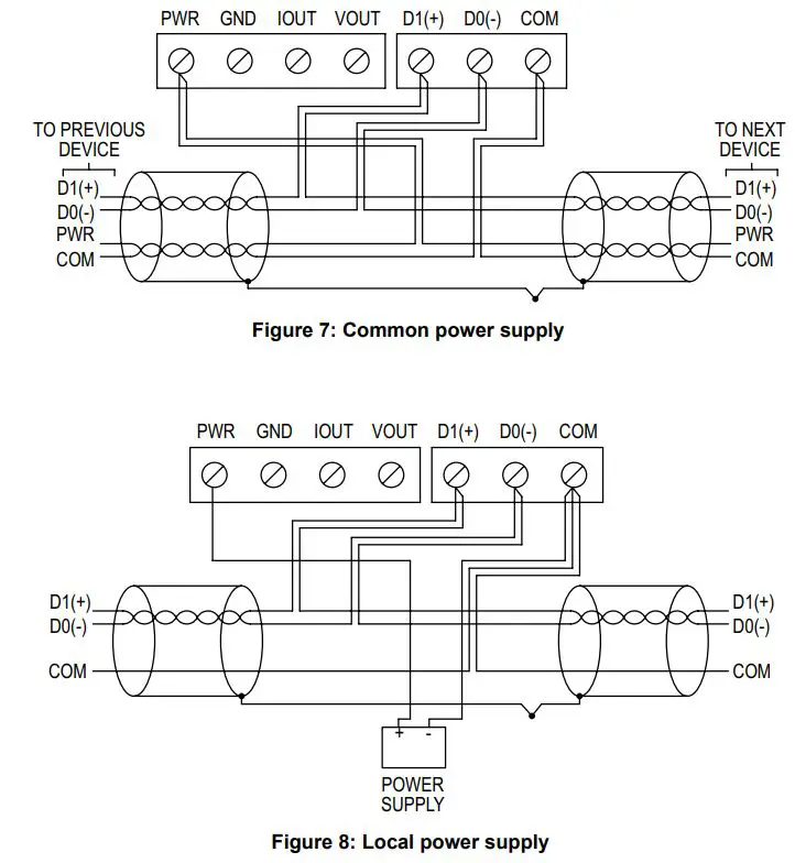
Communications wiring must be in a daisy-chain fashion. Star connections are not permitted.
Cable shield must be connected to earth ground at one location only.
Figure 7 shows how to connect the AVLV in a network containing a common power supply. Use a cable containing two twisted pairs. One pair is to be used for D1(+) and D0(-). The other pair is to be used for power and common. This configuration is not suitable for AC supplies. Use a DC supply only. Care should be taken that there are not too many devices powered from the same supply as voltage drops will occur in the wiring. If you have many devices, or have long cable runs, the local supply configuration may be a better choice.
Figure 8 shows how to connect the AVLV in a network containing individual local supplies. Use a cable containing a twisted pair and a single conductor. The pair is to be used for D1(+) and D0(-). The single conductor is to be used for common. Both AC and DC supplies are suitable for this configuration.
In either configuration you must use shielded cable. The AVLV has a shield terminal for a convenient location to make connections. It is not electrically connected to the AVLV. Connect the shield to earth ground at one location only to prevent ground loops.
All devices in the network should be daisy chained. Star connections and T connections are not permitted.
The D1(+) and D0(-) lines must be terminated at both ends with a 120 ohm resistor. If the AVLV is an end device it has an on-board resistor that may be used. See Modbus® Communication Protocol DIP Switch Settings to enable it.
The network must be biased properly. If needed, there are bias resistors on-board the AVLV. No more than two sets of bias resistors should be enabled in the network. See Modbus® Communication Protocol DIP Switch Settings to enable them.

Modbus® Communication Protocol DIP Switch Settings
Use the middle DIP Switch SW2 to configure the Modbus® Communication Protocol address of the device. The LCD will show the address when the transmitter is powered on. Valid addresses range from 1 to 247. By default, the device is shipped with the address 127 (as shown in Figure 10). A valid and unused address should be set before connecting to an existing network. However, the address can be changed while the device is operational. If the address is changed, the device will stop responding to the currently configured address immediately. The device waits 15 seconds after the last switch change before applying the new address. The device will not function properly if an invalid address is set. The red LED will periodically blink once indicating an invalid address. The LCD will display A Err when the transmitter is powered on if the address is invalid. See Appendix V for setting the Modbus® Communication Protocol address of the device. Use the right DIP Switch SW3 to configure other hardware and software options.
Table 5: DIP switch SW3 functions
| Switch | On | Off |
| 1-2 – Display Units Selection 3-4 – Reserved 5 – Intelligent Serial Configuration 6 – D1(+) Network resistor 7 – D0(-) Network resistor 8 – Terminating resistor |
Enabled
511Ω Pull-up to 5V 511Ω Pull-down to GND 120Ω between D0(-) and D1(+) |
Disabled
Pull-up not connected Pull-down not connected Open |
APPENDIX IV: Programming Via Modbus® Communication Protocol
| Modbus® Mode | Supported Baud Rates | Data Size | Parity | Stop Bits | |
| RTU | 9600 | 8 | Even | 1 | |
| 19200 | Odd | ||||
| 38400 | None1 | ||||
| 57600 | |||||
| None | 2 | ||||
| 76800 115200 | |||||
| ASCII | 7 | Even Odd | 1 | ||
| None | 2 |
Intelligent Serial Configuration
Intelligent serial configuration enables the device to determine the baud rate, data size, party, stop bits and even the Modbus® Communication Protocol mode directly from the serial traffic. This allows the Series AVLV to be quickly and easily deployed after a valid Modbus® Communication Protocol address is chosen.
To activate intelligent serial configuration, set a valid Modbus® Communication Protocol address using the left DIP switch SW2, connect the serial bus and power wires, and then apply power. The device will power up and begin examining the serial bus for communication. The Red LED will repeatedly flash twice, indicating that intelligent serial configuration is in progress.
If the device is setup offline or away from the main network, it is necessary to generate Modbus® Communication Protocol traffic in order to configure the serial communication. Attempting to read input registers is a good method to generate Modbus® Communication Protocol traffic. Note that while serial configuration is in progress, the device may not respond to requests. The device may require multiple read requests to complete the serial configuration process.
The intelligent serial configuration process will complete once a message addressed to the device is received and processed successfully. The serial configuration parameters are then saved to non-volatile storage and loaded by default each time the device starts. If the serial configuration of the bus changes, a power cycle of the device is required to restart the Intelligent Serial Configuration process.
Table 7: Supported Modbus® communication protocol functions
| Function Name | Function Code |
| Read Coils | 01 |
| Read Holding Registers | 03 |
| Read Input Registers | 04 |
| Write Single Coil | 05 |
| Write Single Register | 06 |
| Write Multiple Registers | 16 |
The String data type is read as a stream of ASCII characters, with the first character sent in the MSB of the first register, and the second character sent in the LSB of the first register and so on. If the string is shorter than the allotted size, the remaining bytes will be zero padded.
Table 8: Holding registers
|
Register |
Description |
Data Type |
Value |
Range | Multi- Address Supported |
| 0001 – | Velocity | Float | 0.01…999.99 | 0.01…999.99 | Yes |
| 0002 | Flow Area | ||||
| (ft2) | |||||
| 0003 – | Velocity | Float | 0.00093…92.9 | 0.00093…92.9 | Yes |
| 0004 | Flow Area | ||||
| (m2) | |||||
| Register | Description | Data Type | Value | Range | Multi- |
| Address | |||||
| Supported |
1 – The serial configuration, no parity with one stop bit is not officially supported by the Modbus® Communication Protocol standard. However, if this configuration is desired, set switch 5 on DIP switch SW3 to off. The device will configure itself in Modbus® RTU Communication Protocol mode with a data size of 8, no parity, and 1 stop bit. The baud rate will still be determined automatically.
Coils
The coil registers represent functions of the device. The value returned when reading a coil register indicates the status of the last function execution. If the value is 1, then the last time the function executed was a success. If the value is 0, then the function has either not been executed since power on or failed during the last execution. To execute a function, write 1 to the corresponding register. A response will be returned immediately and the value of the coil will be set to 0. Once the function completes, the value of the coil will be set to 1 if the operation was a success. An application should poll the value of the coil periodically during this time to determine if the function succeeded. If the coil value does not transition to 1 after at most 10 seconds, then the operation failed.
|
Register |
Description |
Data Type |
Value |
Range | Multi- Address Supported |
| 0001 | Perform Zero Function | Boolean | 0…1 | False – True | No |
| 0002 | Perform Span Function | Boolean | 0…1 | False – True | No |
| 0003 | Reset Factory Defaults | Boolean | 0…1 | False – True | No |
| 0004 | Reset Device | Boolean | 0…1 | False – True | No |
Table 9: Coils
Coil 1 – Zero Function
The zero function will attempt to recalibrate the zero point. This may be needed if the sensor has drifted over time. Note that the zero function will only re-zero the sensor if the current air velocity is within ±2% of span air velocity of the previous zero. If the current air velocity is outside the valid band, the zero function will fail and the coil value will remain 0. If the sensor has drifted far enough that the zero function fails, then the unit will have to be placed in flow to bring the current air velocity closer to the current zero, and the zero function will have to be executed multiple times until the actual zero is reached.
Coil 2 – Span Function
The span function will attempt to recalibrate the maximum air velocity. Note that accurate span air velocity depends on an accurate zero air velocity. The span function will fail if the zero function has not been executed within the last 5 minutes.
Coil 3 – Reset factory Defaults Function
The reset factory defaults function resets the zero, span, Velocity K value, Area, and Use Default K Value variables back to their factory default values.
Coil 4 – Reset Device Function
The reset device function allows this device to be reset remotely from the Modbus® Communication Protocol. When the reset device function coil is written with a value of 1, the device will immediately respond with success. The reset will take place approximately 5 seconds after the command was received. Writing the value 0 to this coil has no effect.
Multi-address Support
Multi-Address support allows a register to be read or written to using different byte orientations specified by the address range. For example, input register 0003 can also be read at 2003, 4003 and 6003 with different byte orientations as listed in Table 10. Registers that do not have multi-address support are only available in Big-Endian byte orientation (Modbus® Communication Protocol standard).
| Float/32 Bit Values | 16 Bit Values | ||||||
| Register 1 | Register 2 | Register 1 | |||||
| Byte Order | Address Range | MSB | LSB | MSB | LSB | ||
| Big-Endian | 1 – 2000 | A | B | C | D | A | B |
| Byte Swap | 2001 – 4000 | B | A | D | C | B | A |
| Word Sway | 4001 – 6000 | C | D | A | B | A | B |
| Little-Endian | 6001 – 8000 | D | C | B | A | B | A |
APPENDIX V: Setting Modbus® Communication Protocol MAC Address of Unit
| Switch Position | 1 | 2 | 3 | 4 | 5 | 6 | 7 | 8 |
| Address Value | 128 | 64 | 32 | 16 | 8 | 4 | 2 | 1 |
Table 11: Device objects
The address assignment is determined by adding the values for each of the switches that are in the ON position. The transmitter comes from the factory with all of the DIP switches, except position 1, in the ON position as shown in Figure 10. The address of the transmitter would be 127 as it would be 64+32+16+8+4+2+1 = 127. Another example would be if the address desired was 008, the only DIP switch position in the ON position would be position 5 as shown in Figure 11

NOTICE Though the minimum possible address would be address 0 when all the DIP switch positions were set to OFF, and the maximum possible address would be address 255 when all of the DIP switches were set to ON, but the transmitter only has valid address from 1 to 247. Any address outside of this range will give an error code.
APPENDIX VI: Modbus® Communication Protocol Registers
|
Register |
Description |
Data Type |
Value |
Range | Multi- Address Supported |
| 0001 | Velocity (FPM) | Signed 16bit | Yes | ||
| integer | |||||
| 0002 | Velocity (0.001 MPS) | Signed 16bit | Yes | ||
| integer | |||||
| 0003 | Flow (CFM) | Signed 16bit | Yes | ||
| integer | |||||
| 0004 | Flow (CMH) | Signed 16bit | Yes | ||
| integer | |||||
| 0005 | Temperature (0.1 °F) | Signed 16bit | Yes | ||
| integer | |||||
| 0006 | Temperature (0.1 °C) | Signed 16bit | Yes | ||
| integer | |||||
| 0007 – | Velocity (FPM) | Float | Yes | ||
| 0008 | |||||
| 0009 – | Velocity (MPS) | Float | Yes | ||
| 0010 | |||||
| 0011 – | Flow (CFM) | Float | Yes | ||
| 0012 | |||||
| 0013 – | Flow (CMH) | Float | Yes | ||
| 0014 | |||||
| 0015 – | Temperature (°F) | Float | Yes | ||
| 0016 | |||||
| 0017 – | Temperature (°C) | Float | Yes | ||
| 0018 | |||||
| 0019 | Sensor Operational | Unsigned 16bit | 0…1 | False – | Yes |
| integer | True | ||||
| 0020 – | Sensor | Unsigned 32bit | 0…232-1 | 0…232- | Yes |
| 0021 | Communication | integer | 1 | ||
| Errors | |||||
| 8001 – | Modbus® Application | String | No | ||
| 8006 | Firmware Version | ||||
| 8007 – | Sensor Application | String | No | ||
| 8012 | Firmware Version | ||||
| 8013 – | Modbus® Application | String | No | ||
| 8018 | Serial Number | ||||
| 8019 – | Sensor Application | String | No | ||
| 8024 | Serial Number |
APPENDIX III: Menu Flow Chart

Averaging Menu 
Velocity Mode Menu 
Flow Mode Menu 
Security Menu 
Do not dispose of as unsorted domestic or municipal waste. Consult retailer or local authorities for recycling information.
Modbus® is a registered trademark of Schneider Electric USA, Inc.
©Copyright 2023 Dwyer Instruments, LLC
DWYER INSTRUMENTS, LLC
- P.O. BOX 373 • MICHIGAN CITY, INDIANA 46360, U.S.A.
- Phone: 219/879-8000
- Fax: 219/872-9057
- www.dwyer-inst.com
- e-mail: [email protected]


















