YORK JHET Series Standard ECM Single Piece Multi Position Air Handlers

Product Information
Product Name:
Standard ECM Single Piece Multi-position Air Handlers (JHET Series)
Voltage:
- – 208/230 V – Available in Single and Three-Phase options
Sections in the Manual:
- List of sections
- List of Figures
- List of tables
- Electric heat performance data: 208/230-1-60 and 208/230-3-60
- Electrical data for single source power supply: 208/230-1-60
- Electrical data for multi-source power supply: 208/230-1-60
- Electrical data for single source power supply: 208/230-3-60
- Electrical data for multi-source power supply: 208/230-3-60
- Airflow data (CFM per Watts) – Section I: General – Section II: Safety
Safety Warnings:
- WARNING – FIRE OR ELECTRICAL HAZARD: Failure to follow the safety warnings exactly could result in serious injury, death, or property damage. A fire or electrical hazard may result causing property damage, personal injury, or loss of life.
- WARNING – Air Handler Area Restrictions: The air handler area must not be used as a broom closet or for any other storage purposes, as a fire hazard may be created. Items such as spray or aerosol cans, rags, brooms, cleaning tools, cleaning compounds, plastic items or containers, volatile fluids, paint thinners, paper products should not be stored on, near, or in contact with the furnace. Operating the air handler with the blower door removed can result in serious personal injury and/or equipment damage.
- WARNING – Safety for Persons with Reduced Capabilities: This appliance is not intended for use by persons (including children) with reduced physical, sensory, or mental capabilities, or lack of experience and knowledge unless they have been given supervision or instruction concerning the use of the appliance by a person responsible for their safety. Children should be supervised to ensure that they do not play with the appliance.
- WARNING – Installation and Maintenance: Improper installation, adjustment, alteration, or maintenance may create a condition where the operation of the product could cause personal injury or property damage. Refer to this manual for assistance, or for additional information, consult a qualified contractor, installer, or service agency.
- CAUTION – Installation Compliance: This product must be installed in strict compliance with the installation instructions and any applicable local, state, and national codes including, but not limited to building, electrical, and mechanical codes.
Tabular Data Sheet:
To ensure a correct match for this indoor product, refer to the current Tabular Data Sheet for the outdoor equipment selected for the system application. If the indoor product model is not listed in the Tabular Data Sheet included with the outdoor unit, you can access the current version of the Tabular Data Sheet by visiting the Residential Equipment & Supplies section of the Offering Catalog at www.simplygettingthejobdone.com or scanning the QR code provided on the outdoor unit rating plate.
Product Usage Instructions
- Read and understand all sections of the installation manual before proceeding with the installation.
- Ensure that the voltage supply is compatible with the air handler’s specifications (208/230 V).
- Follow the electrical data section relevant to your power supply configuration (single or multi-source) and phase (1-60 or 3-60) for proper electrical connections.
- Refer to the electric heat performance data section for information on heat output based on voltage and phase.
- Install the air handler in a suitable location, following all safety guidelines mentioned in Section II of the manual.
- Do not use the air handler area for storage purposes and avoid storing any flammable or hazardous items near the furnace.
- Always keep the blower door intact while operating the air handler to prevent personal injury and equipment damage.
- Ensure that the appliance is not accessible to persons (including children) with reduced capabilities unless supervised by someone responsible for their safety.
- For installation and maintenance, strictly adhere to the instructions provided in the manual and consult a qualified contractor, installer, or service agency for any additional assistance or information.
- The product must be installed in compliance with all applicable local, state, and national codes.
- Refer to the Tabular Data Sheet for proper matching of indoor and outdoor equipment. If the indoor product model is not listed, follow the instructions provided to access the current version of the Tabular Data Sheet. Please note that this is a summary of the product information and usage instructions. For complete details and specific guidelines, refer to the installation manual provided with the product.
General
- The single piece air handler series provides the flexibility for installation in any position. This unit may be used for upflow, downflow, horizontal right, or horizontal left applications.
- These units may be located in a closet, utility room, attic, crawl space, or basement. These versatile models may be used for cooling or heat pump operation with or without electric heat.
- Top or side power and control wiring, color coded leads for control wir-ing, and electric heaters all combine to make the installation easy and minimize installation cost.
- Electric heat kits are available as field installed accessories. Single phase kits are available from 2.5 kW to 25 kW and 208/230 V three phase kits are available from 10 kW to 25 kW.
Safety
- This is a safety alert symbol. When you see this symbol on labels or in manuals, be alert to the potential for personal injury.
- Understand and pay particular attention to the signal words DANGER, WARNING, or CAUTION.
- DANGER indicates an imminently hazardous situation, which, if not avoided, will result in death or serious injury.
- WARNING indicates a potentially hazardous situation, which, if not avoided, could result in death or serious injury.
- CAUTION indicates a potentially hazardous situation, which, if not avoided may result in minor or moderate injury. It is also used to alert against unsafe practices and hazards involving only property dam-age.
WARNING
FIRE OR ELECTRICAL HAZARD
Failure to follow the safety warnings exactly could result in serious injury, death or property damage. A fire or electrical hazard may result causing property damage, personal injury or loss of life.
WARNING
The air handler area must not be used as a broom closet or for any other storage purposes, as a fire hazard may be created. Never store items such as the following on, near or in contact with the furnace.
- Spray or aerosol cans, rags, brooms, dust mops, vacuum cleaners or other cleaning tools.
- Soap powders, bleaches, waxes or other Cleaning compounds; plastic items or containers; gasoline, kerosene, cigarette lighter fluid, dry cleaning fluids or other volatile fluid.
- Paint thinners and other painting compounds.
- Paper bags, boxes or other paper products.
Never operate the air handler with the blower door removed. To do so could result in serious personal injury and/or equipment damage.
WARNING
This appliance is not intended for use by persons (including children) with reduced physical, sensory or mental capabilities, or lack of expe-rience and knowledge, unless they have been given supervision or instruction concerning use of the appliance by a person responsible for their safety.
Children should be supervised to ensure that they do not play with the appliance.
WARNING
Improper installation, adjustment, alteration, or maintenance may cre-ate a condition where the operation of the product could cause per-sonal injury or property damage. Refer to this manual for assistance, or for additional information, consult a qualified contractor, installer, or service agency.
CAUTION
This product must be installed in strict compliance with the installation instructions and any applicable local, state, and national codes including, but not limited to building, electrical, and mechanical codes.
NOTICE
To ensure a correct match for this indoor product, refer to the current Tabular Data Sheet for the outdoor equipment selected for the system application. If the indoor product model is not listed in the Tabular Data Sheet included with the outdoor unit, to access the current ver-sion of the Tabular Data Sheet, go to the Residential Equipment & Supplies section of the Offering Catalog at www.simplygettingthejobdone.com or scan the QR code provided on the outdoor unit rating plate.
Safety requirements
- Failure to carefully read and follow all instructions in this manual can result in air handler malfunction, death, personal injury, or property damage.
- Always install this air handler in accordance with all national and local building and safety codes and requirements, local plumbing or wastewater codes, and other applicable codes.
- Only install this air handler in a location and position specified in the Unit installation.
- Do not use the air handler for temporary heating of buildings or structures under construction.
- Always install the air handler to operate within the air handler’s intended maximum outlet air temperature.
- Clearance from combustible material is provided under Clearances in Unit installation.
- The unit rating plate displays the air handler model number. The unit dimensions for the supply air plenum are provided in Figure 3 and Table 1. Always install the plenum according to the instructions.
CAUTION
Do not lift the air handler by the cabinet braces. The cabinet braces could become disengaged from the cabinet causing the air handler to fall, potentially causing injury or damaging property. See Figure 1 for the location of the cabinet braces. Lift the air handler by tightly gripping the casing.
- It is necessary to maintain clearances for servicing and allow access to the electric heaters and blower.
- It is necessary to verify the unit rating plate and power supply to ensure that the electrical characteristics match.
- When attaching ductwork with screws, carefully fasten the screws and keep them within 5/8 in. of the sides and back of the air handler.
- Install the air handler so the electrical components are protected from water.
- Installing and servicing heating and cooling equipment can be haz-ardous due to the electrical components. Only trained and licensed personnel must install, repair, or service heating and cooling equip-ment. Unlicensed service personnel can perform basic mainte-nance functions such as cleaning and replacing the air filters. When working on heating and cooling equipment, the precautions in the manuals and on the labels attached to the unit and other safety pre-cautions must be observed as applicable.
CAUTION
These air handlers must be transported and handled in an upright, upflow position. Failure to do so may result in unit damage and per-sonal injury. Configuration conversions must be done at the site of installation. - These instructions cover minimum requirements and conform to existing national standards and safety codes. In some instances, these instructions exceed certain local codes and ordinances, especially those who have not kept up with changing residential and non-HUD modular home construction practices. These instruc-tions are required as a minimum for a safe installation.
- These models are not CSA listed or approved for installation into a HUD-approved modular home or a manufactured (mobile) home.
Inspection
Upon receiving the air handler, check to ensure it is still under pressure. See Figure 2. Inspect the air handler, including the coil, for possible damage during transit. If damage is evident, note the extent of the dam-age on the carrier’s freight bill. A separate request for inspection by the carrier’s agent must be made in writing. Consult the local distributor for more information. Check the drain pan for cracks or breakage. Before installation, check the unit for screws or bolts loosened in transit. There are no internal shipping or spacer brackets that need removing.
You must verify that all accessories, such as heater kits and coils, are available. Complete installation of these accessories or field conversion of the unit before setting the unit in place or connecting any wiring, ductwork, or piping. C48G and C60H models are shipped with a hori-zontal baffle plate. Remove and retain this plate for horizontal right application. Discard for all other applications.


Dimensions
|
Models | Dimensions | Wiring knockouts2 | Refrigerant connections line size | ||||||
| A | B | C | D | E | F | G | |||
| Height (in.) | Width (in.) | Opening widths (in.) | Power (in.) | Control (in.) | Liquid (in.) | Vapor (in.) | |||
| JHETB18B | 47 | 17 1/2 | 7 1/2 | 16 1/2 | 16 1/2 |
7/8 (1/2) 1 3/8 (1) 1 23/32 (1 1/4) |
7/8 (1/2) |
3/8 |
3/4 |
| JHETB24C | 49 5/8 | 17 1/2 | 10 | 16 1/2 | 16 1/2 | ||||
| JHETB30D | 49 5/8 | 17 1/2 | 10 | 16 1/2 | 16 1/2 | ||||
| JHETB36D | 49 5/8 | 17 1/2 | 10 | 16 1/2 | 16 1/2 | ||||
| JHETC36D | 51 | 21 | 11 1/2 | 20 | 20 | ||||
| JHETC42F | 57 | 21 | 17 1/2 | 20 | 20 |
7/8 | |||
| JHETC48G | 61 1/4 | 21 | 21 3/4 | 20 | 20 | ||||
| JHETD48G | 61 1/4 | 24 1/2 | 21 3/4 | 23 1/2 | 23 1/2 | ||||
| JHETC60H | 63 | 21 | 23 1/2 | 20 | 20 | ||||
| JHETD60H | 63 | 24 1/2 | 23 1/2 | 23 1/2 | 23 1/2 | ||||
| JHETD60J | 61 1/4 | 24 1/2 | 21 3/4 | 23 1/2 | 23 1/2 | ||||
Unit installation
NOTICE
Avoid handling aluminum coil components after handling the copper refrigeration piping or other tubing without first cleaning hands.
Unit sizing
- The size of the unit must be based on an acceptable heat loss or gain calculation for the structure. Use Air Conditioning Contractors of America (ACCA) Manual J or another approved method.
- Only connect the air handler to a duct system that has an external static pressure within the allowable range.
- Airflow must be within the minimum and maximum limits approved for electric heat, indoor coils, and outdoor units.
Entering air temperature limits Wet bulb temperature (°F) Dry bulb temperature (°F) Minimum Maximum Minimum Maximum 57 72 65 95 - When an air handler is installed so that supply ducts carry air circu-lated by the air handler to areas outside the space containing the air handler, the return air is also handled by one or more ducts sealed to the air handler casing and terminating in the space to be cooled or heated.
- Refer to the unit rating plate for the air handler model number and then see the dimensions page of this manual for supply air plenum dimensions. The plenum must be installed according to the instruc-tions.
- The installer must check available supply power and verify that it is within the normal operating voltage range for the unit. The accept-able voltage range for these units is as follows:
| Air handler voltage | Normal operating1 voltage range |
| 208/230-1-60 | 187 V to 253 V |
- Rated in accordance with ARI Standard 110, utilization range A.
Clearances
It is essential to provide the following clearances:
- Refrigerant piping and connections – minimum 12 in.
- Maintenance and servicing access – minimum 36 in. from the front of the unit for blower motor or coil replacement
- Condensate drain lines routed to clear filter and panel access
- Filter removal – minimum 36 in.
- The supply air ductwork connected to this unit is designed for 1 in. clearance for the first 18 in. of combustible materials if an electric heat kit accessory is installed.
- A combustible floor base accessory is available for downflow appli-cations of this unit, if required by local code.
Location
Location is usually predetermined. Check with the owner’s or dealer’s installation plans. If location has not been decided, consider the follow-ing in choosing a suitable location:
- Select a location with adequate structural support, space for service access, and clearance for air return and supply duct connections.
- Do not use hanging brackets to wall mount this single piece air handler unit.
- Normal operating sound levels may be objectionable if the air handler is placed directly over some rooms such as bedrooms or a study.
- Select a location that permits installation of the condensate line to an open drain or outdoors, allowing condensate to drain away from the structure.
NOTICE
The primary and secondary drain line must be trapped to allow proper drainage of condensate water. The secondary drain line must be piped to a location that gives the occupant a visual warning that the primary drain is clogged. If the secondary drain line is not used, it must be capped. - When installing an indoor coil in an attic or above a finished ceiling, an auxiliary drain pan must be provided under the air handler as is specified by most local building codes.
- A sufficient electrical supply must be available.
- If locating the unit in an area of high humidity, such as an unconditioned garage or attic, nuisance sweating of the casing may occur. On these installations, completely seal the unit duct connections and other openings, and use a wrap of 2 in. fiberglass insulation with vinyl vapor barrier.
Air handler configuration
These air handler units are supplied ready to install in an upflow or hor-izontal left position. See Figure 4. If the unit requires either downflow or horizontal right airflow configurations, the unit must have the coil assembly repositioned. See Downflow or horizontal right conversion.

Downflow or horizontal right conversion
NOTICE
Convert the air handler to the desired orientation prior to installation. Conversion must be made before brazing the refrigerant connections to the coil.
- Remove the coil access panel.
- Slide the coil and drain pan assembly out of the air handler.
- Turn the air handler cabinet upside down (downflow position).
- If installing the unit in a horizontal right position, the following mod-els require installation of a horizontal baffle plate shipped with the unit: C48G and C60H. The horizontal baffle plate must be secured to the coil delta plates. See Installing a horizontal baffle plate.
- Slide the coil back into the cabinet.
- Install the coil access panel. Conversion is now complete.
Installing a horizontal baffle plate
- With the coil removed from the air handling unit and laying on its horizontal drain pan, locate the pre-drilled holes in the front and rear coil delta plates.
- Insert the horizontal baffle plate into the end of the coil. Insert one end of the horizontal baffle plate into the top side of the primary drain pan as shown in Figure 5.
- Secure the horizontal baffle plate in place with two screws, one in the front delta plate and one in the rear delta plate. See Figure 5.
Horizontal left applications (all models)
Air handling units are supplied ready to install in a horizontal left position. A horizontal drain pan is factory installed. If you require horizontal right application, see Downflow or horizontal right conversion before proceeding. See Refrigerant line connection and Condensate drain connections for further installation instructions.
Positioning the unit in horizontal applications
Set the unit so that it is sloped 1/4 in. towards the drain line connection.

Ductwork and connections
Air supply and return may be handled in one of several ways best suited to the installation. Upflow, horizontal or downflow applications may be used. The vast majority of problems encountered with heating and cooling systems can be linked to incorrectly designed or installed duct systems. It is therefore highly important to the success of an installation that the duct system be correctly designed and installed.
When installing a central air return grille in or near the living space, design the ductwork so that the grille is not in direct line with the open-ing in the unit. One or two elbows and acoustical duct liner assure a qui-eter system. For operation where the return air duct is short or where sound may be a problem, use acoustical duct liner inside the duct. Use flexible duct connectors to minimize the transmission of vibration and noise into the conditioned space.
WARNING
Do not bring in return air from a location which could introduce haz-ardous substances into the airflow. Use 1/2 in. screws to connect ductwork to the cabinet. If pilot holes are drilled, drill only through the field duct and the unit flange.
Insulation of ductwork is a must where it runs through an unheated space during the heating season or through an uncooled space during the cooling season. Use a vapor barrier to prevent absorption of mois-ture from the surrounding air into the insulation. Use a transition to match unit opening to correctly size the supply air duct. Suspend all ducts using flexible hangers and never fasten directly to the structure.
CAUTION
This unit is not designed for non-ducted (freeblow) applications. Do not operate without ductwork attached to the unit. Never operate the equipment without filters.
Ductwork must be fabricated and installed in accordance with local and/or national codes. This includes the standards of the National Fire Pro-tection Association for Installation of Air-Conditioning and Ventilating Systems, NFPA No. 90B. If using electric heat, non-flammable material must be used. Duct systems must be designed in accordance with ACCA Manual D.
Horizontal suspension
These air handlers may be suspended in horizontal applications. Use angle steel support brackets with minimum 3/8 in. threaded rods, sup-porting the unit from the bottom. Attach the threaded rods at the loca-tions shown in Figure 6, leaving enough clearance between the door and the rod so that doors can be easily removed for service.
CAUTION
Do not lift the air handler by the cabinet brace. The cabinet brace is held in place by the coil channel. The cabinet brace could become disengaged from the cabinet causing the air handler to fall, potentially causing injury or damaging property. See Figure 1 for the location of the cabinet braces.
NOTICE
When assembling the support structure, size to provide clearance for access door removal.

Table 2: Horizontal suspension dimensions
| Air handler cabinet size | X (in.) | H (in.) |
| B18B | 21 3/4 | 47 |
| B24C/B30D/B36D | 21 3/4 | 49 5/8 |
| C36D | 21 3/4 | 51 |
| C42F | 21 3/4 | 57 |
| C48G/D48G/D60J | 21 3/4 | 61 1/4 |
| C60H/D60H | 21 3/4 | 63 |
Duct flanges
Duct flanges are integrated into the casing. Fold the flanges into posi-tion and use screws to anchor the flanges.


Unit connections
There are several ways to handle the supply and return air duct connec-tions. The location and sizing of the connections depends on the situa-tion and the method best suited to the installation. Upflow, horizontal or downflow applications may be used. Use a transition to match unit opening to correctly size the supply air duct. See Table 1 for air handler unit inlet and outlet dimensions.
CAUTION
Use 1/2 in. screws to connect ductwork to the unit. Longer screws may pierce the drain pan and cause leakage. If drilling pilot holes, drill only though the field duct and the unit bottom duct flange.
Ductwork that is not designed to match the supply air opening can cause turbulence inside the plenum. This turbulence can change the airflow patterns across the electric heater limit switch/switches. If the factory suggested transition cannot be fabricated, attach a block off plate (approximately 8 in. high and running the full width of the plenum) to the supply opening. See Figure 8. The use of this block off plate enables better air circulation across the limit switches.
Air filters
CAUTION
Never operate the equipment without filters.
Return air filters are required and must be field supplied. Filtration can be accomplished external to the unit or the integral filter rack may be used. A 1 in. filter access rack is built into the unit. Remove the filter access cover and install the correct size filter. Use a standard 1 in. per-manent or throw away filter. See Table 3 for filter sizes.
Coil metering devices
Install a piston or a TXV in the field. There is an installation manual that comes with the TXV kit. Install the piston or TXV kit prior to brazing of the refrigeration piping. Until brazing is completed and cooled, do not install the TXV sensing bulb.
Consult the outdoor unit Technical Guide for the required piston or TXV on the indoor coil. A piston and Schrader valve core are supplied with the outdoor unit if applicable. When using a piston instead of a TXV, install the Schrader valve core in the suction line equalizer connection port and cap it with the supplied plastic cap. Do not install the Schrader valve core if installing the TXV, because the TXV equalizer line attaches to the equalizer connection port.
CAUTION
COIL UNDER PRESSURE.
Verify that pressure has been released by depressing the Schrader valve core shown in Figure 2. The coil requires a metering device to be added. Refer to outdoor unit documentation for the correct TXV or piston to use.
NOTICE
To prevent moisture and contaminates from entering the system, the coil must not be open to atmosphere for extended periods of time. If the coil cannot be brazed into the refrigeration system during a rou-tine installation period, the ends must be temporarily closed or plugged. For a short term delay, use masking tape over the ends of the copper tubing to close the tube from the air. For a longer term delay, use plugs or caps. There is no need to purge the coil if this pro-cedure is followed.
Piston installation
WARNING
Failure to install a Schrader valve core in the vapor line equalizer con-nection port for piston applications could result in total refrigerant loss of the system.
Install the Schrader valve core and piston as follows:
- After discharging the holding charge completely, remove the black plastic cap from the equalizer connection port on the vertical part of the vapor line.
- Adjust the distributor position to allow the preformed liquid line assembly to properly line up with the hole in the tubing access panel. Raise the distributor body approximately 2 in. toward the top of the coil or what would be the top of the coil if the coil was in the upflow position. See Figure 9 and adjust as necessary.
- Install the Schrader valve core supplied with the outdoor unit into the equalizer fitting connection port using a valve core tool.
- Loosen and remove the liquid line connection nut and the sealing disc from the distributor assembly. Note that the fitting has right hand threads.
- Slide the nut over the liquid line and discard the seal disc.
- Install the required size piston into the distributor. Refer to the Tabu-lar Data Sheet for the specific piston size and indoor coil match up. See Figure 10.
- Verify that the PTFE washer is still in place in the distributor open-ing. See Figure 10.


CAUTION
Do not overtorque. Do not use slip joint pliers. This will distort the alu-minum distributor and the brass fitting (potentially causing leaks). - After the piston is installed, install the liquid line to the top of the pis-ton/distributor assembly. Hand tighten and turn an additional 1/4 turn to seal. Do not over tighten fittings.
- Replace the black plastic cap on the unused equalizer fitting con-nection port.
- After installing the refrigeration piping, leak test the system.
Thermal expansion valve (TXV) installation
CAUTION
Outdoor unit model numbers ending with an H have a factory installed hard start kit which is required when a TXV is installed. Outdoor unit model numbers with no H ending do not require a hard start kit unless the outdoor unit Data Sheet indicates it. The following are basic steps for installation. For detailed instructions, refer to the Installation Manual accompanying the TXV kit. Complete the following steps to install the TXV kit:
Important:
Refer to the Technical Guide or Data Sheet for the unit to determine the correct TXV kit to use on this product.
- Relieve the holding charge by depressing the Schrader valve core on the suction manifold stub out.
- After discharging the holding charge completely, loosen and remove the Schrader valve core.
- Place a backup wrench on the distributor, then loosen and remove the brass distributor nut. Retain the brass nut for use on the liquid line. Keep the PTFE washer in place and discard the seal disk.
- Install the thermal expansion valve into the distributor assembly with the supplied fittings. Ensure the PTFE washer is seated in the distributor. Hand tighten and turn an additional 1/4 turn to seal. Do not over-tighten fittings. See Figure 11.
CAUTION
Do not overtorque. Do not use slip joint pliers. This will distort the alu-minum distributor and the brass fitting (potentially causing leaks). - Slide the nut removed in Step 3 over the supplied liquid line. Place the supplied PTFE washer from the TXV kit in place on the TXV and install the liquid line into the top of the thermal expansion valve. Adjust the assembly so the liquid line aligns with the hole in the access panel. See Figure 12. Hand tighten the liquid line and apply an additional 1/4 turn to seal.

WARNING
The Schrader valve core must not be installed with TXV installation. Poor system performance or system failure could result. - Install the TXV equalizer line onto the vapor line by hand tightening the 1/4 in. SAE coupling nut to the equalizer fitting and apply an additional 1/3 turn to seal. See Figure 12.
CAUTION
In all cases, mount the TXV temperature sensing bulb after the vapor line is brazed and sufficiently cooled. Failure to use a suction line split grommet may result in TXV failure. - Route the temperature sensing bulb tube for the TXV toward the vapor line header and the TXV equalizer tube connection port on the vapor line header.

- Install the TXV bulb to the vapor line near the TXV equalizer tube connection port, using the bulb clamps supplied with the TXV assembly. Ensure the bulb makes maximum contact. See Figure 12 and Figure 13, and complete the following steps:
- Install the TXV bulb on the vapor line suction header near the TXV equalizer tube connection port. Ensure to install the bulb at a 10 o’clock or 2 o’clock position.
- Insulate the TXV bulb using the thermal insulation provided to protect it from the effect of the surrounding ambient temperature. Cover the bulb completely to insulate.
- After installing the refrigeration piping, leak test the system.

Refrigerant line connection
CAUTION
- The coil is under inert gas pressure. Relieve pressure from the coil by depressing the Schrader valve core at the end of the suction manifold stub out.
- Dry nitrogen must always be supplied through the tubing while it is being brazed, because the temperature required is high enough to cause oxidation of the copper unless an inert atmosphere is provided. The flow of dry nitrogen must continue until the joint has cooled. Always use a pressure regulator and safety valve to insure that only low pressure dry nitrogen is introduced into the tubing. Only a small flow is necessary to displace air and prevent oxidation.
NOTICE
Avoid handling aluminum coil components after handling the copper refrigeration piping or other tubing without first cleaning hands.
Connect lines as follows:
NOTICE
Route the refrigerant lines to the coil in a manner that will not obstruct service access to the coil, air handling system, furnace flue, or filter.
- Make suction and liquid line connections outside of the cabinet. Leave the tubing connection panel attached to the cabinet. Remove the coil access panel for brazing. The lines are expanded to receive the field refrigeration piping tubes for most outdoor unit matches.
- Remove the grommets where the tubes exit the cabinet to prevent burning them during brazing. In some units, the grommets may be shipped as loose parts with the unit. See Figure 14.
- Cut the end of the suction tube using a tube cutter. Place the tube cutter as close as possible to the end of the tube to allow as much depth as possible for the connection and brazing of the suction line. To ensure the suction line fits into the connection, deburr the stub out (including inner pressure protrusion from cutting).
- If the coil does have a factory installed TXV or EEV, go to Step 5. If the coil does not have a factory installed TXV or EEV, install the required size piston or TXV kit. See Coil metering devices and Piston installation or Thermal expansion valve (TXV) installation for detailed instructions.
- If the coil does have a factory installed TXV or EEV, remove the liquid line copper cap that is soft soldered onto the outside of the 3/8 in. stub protruding from the front of the coil cabinet tubing panel:
- Screw a sheet metal screw into the center of the cap.
- Apply a small amount of heat to the cap while pulling on the screw using slip joint pliers.
Important: For EEV-equipped coils only The EEV in this unit is shipped in the closed position to protect the valve during transportation.
Before brazing, connect and apply line power to the field wiring terminals of the air handling unit and ensure the board is powered for 60 s. This ensures the EEV control board cycles the valve to an open position. This allows nitrogen to flow through the system during brazing.
NOTICE
If power cannot be applied to the EEV control board prior to brazing refrigeration piping, a tool is available to manually operate the EEV. An EEV manual operating tool can be purchased from Source 1 as part number S1-02649686000. Six revolutions of the tool opens the valve fully.
- Insert the liquid and suction lines into the coil connections at the coil cabinet tubing panel.
- Wrap a water-soaked rag around the coil connection tubes inside the cabinet to avoid transferring excess heat to the coil, TXV, EEV, and temperature sensor if the coil is equipped with an EEV.
- Purge the refrigerant lines with dry nitrogen during brazing.
NOTICE
All indoor coil connections are copper-to-copper and must be brazed with a phosphorous-copper alloy material such as Silfos-5 or equiva-lent. Do not use soft solder. - Braze the suction and liquid lines, and allow the joints to cool.
- Secure the sensing bulb and equalizer line capillary tubes with nylon cable ties to prevent leaks from tubes rubbing.
- If using a piston, install a Schrader valve core into the suction header and reinstall the cap.
- Re-attach the grommets to the lines carefully to prevent air leakage. In some units, the grommets may be shipped as loose parts with the unit. See Figure 14.
- Refer to the outdoor unit Installation Manual and complete evacua-tion, a leak check, and charging instructions. Check all field brazed joints and metering device connections.
- Attach the coil access panel to the cabinet.
- Ensure the lines are sound isolated by using appropriate hangers or strapping.

Condensate drain connections
Adhere to the following:
- Pitch all drain lines 1/4 in./ft away from the unit drain pan and make sure that the drain lines are no smaller than the coil drain connection.
- Route the drain line so that it does not impede access to the coil, air handling system, or filter and is not exposed to freezing tem-peratures.
- Instruct the homeowner that the indoor coil drain pan must be inspected and cleaned regularly to prevent odors and ensure proper drainage.
- Install the air handling unit pitched slightly toward the drain end.
- Note that you can remove drain plugs using a standard 3/8 in. drive socket ratchet.
- If the coil has a secondary drain, pipe it to a location that gives the occupant a visual warning that the primary drain is clogged. If a secondary drain is not used, you must plug the secondary drain.
CAUTION
- Avoid double trapping.
- Threaded drain connections must be hand tightened, plus no more than one turn.
- Do not use PTFE tape, pipe thread compound, or other sealants. Use of a sealant can cause damage and premature failure of the drain pan.
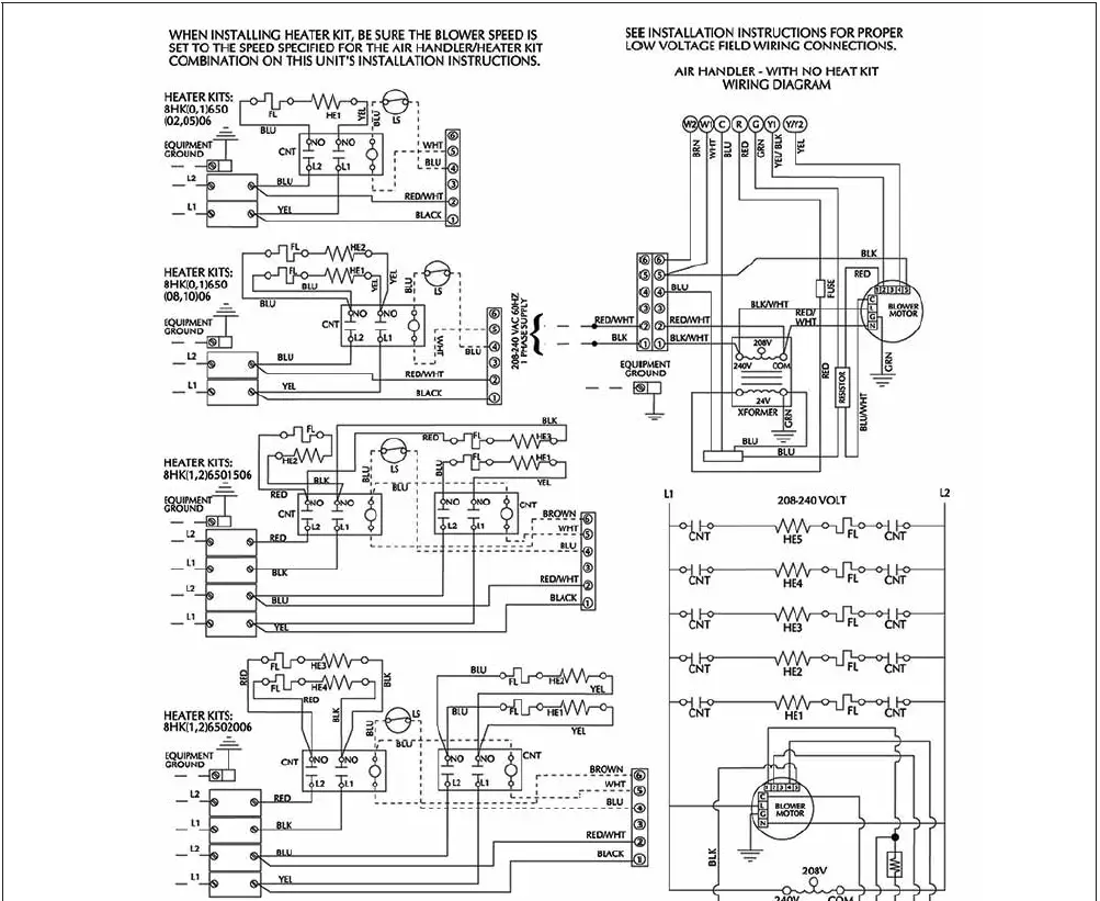
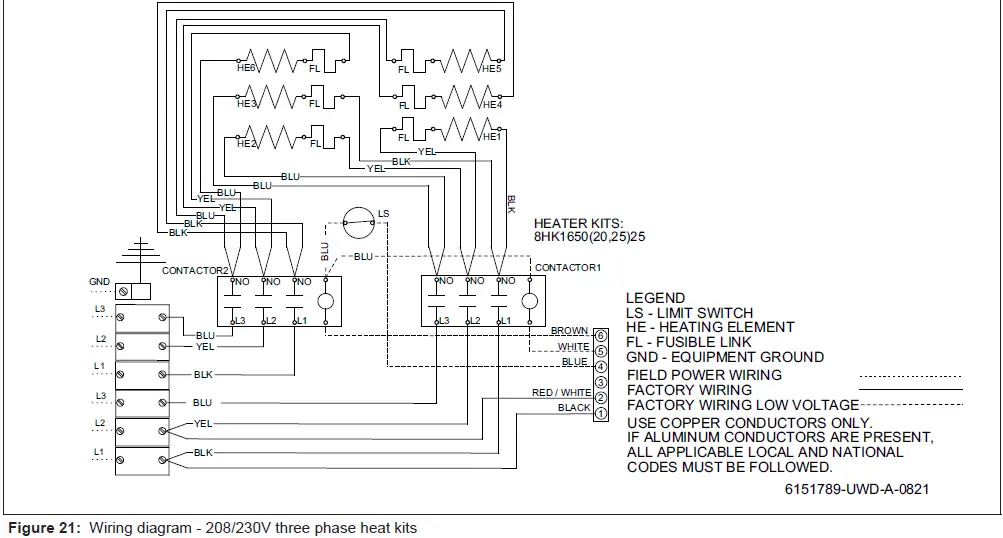
Electric heater installation
If the air handler requires electric heat, install the electric heat kit according to the installation instructions included with the kit. After installing the kit, mark the air handler nameplate to designate the heater kit that was installed. If no heater is installed, mark the name plate appropriately to indicate that no heat kit is installed. Use only 8HK heater kits, as listed on the air handler name plate and in these instructions. Use data from Table 5 to Table 12 for information on the required minimum motor speed tap to use for heating operation and the maximum over-current protection device required as listed for com-bination of air handler and heater kit.
NOTICE
In some horizontal applications, the service disconnects on the elec-tric heat kits must be rotated 180° so the up position of the discon-nect is the ON position. This service disconnect orientation change is required by UL 60335-2-40 (in reference to all circuit breakers).
WARNING
Before obtaining access to terminals, all supply circuits must be dis-connected.
WARNING
A fused disconnect switch must be field provided for the unit to be in compliance with UL 60335-2-40 Clause 7.12.2.
Power can be brought into the unit through the supply air end of the unit (top left when unit is vertical) or the left side panel. Use the hole appro-priate to the unit’s orientation in each installation to bring the conduit from the disconnect. The power lead conduit must be terminated at the electrical control box. See Table 8 to Table 12 and the latest edition of the National Electric Code, or in Canada the Canadian electrical Code, and local codes to determine correct wire sizing. To minimize air leak-age, seal the wiring entry point on the outside of the unit.
All electrical connections to air handlers must be made with copper con-ductors. Direct connection of aluminum wiring to air handlers is not approved. If aluminum conductors are present, all applicable local and national codes must be followed when converting from aluminum to copper con-ductors prior to connection to the air handler. The chosen conductor and connections must all meet or exceed the amperage rating of the overcurrent protector (service disconnect or fuse) in the circuit. Existing aluminum wire within the structure must be sized correctly for the application according to the National Electric Code and local codes. Use caution when sizing aluminum rather than copper conductors, as aluminum conductors are rated for less current than copper conductors of the same size.

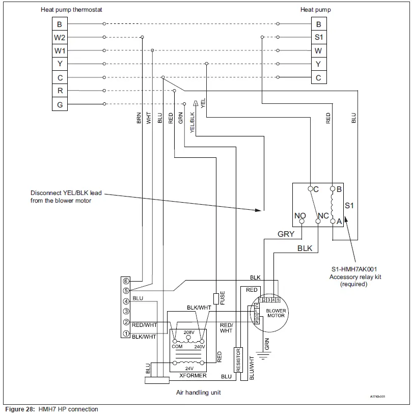
Low voltage control connections
The 24 V power supply is provided by an internally wired low voltage transformer that is standard on all models. If connecting the unit to a 208 V power supply, the low voltage transformer must be rewired to the 208 V tap. See the Wiring diagram.
Field-supplied low voltage wiring can exit the unit through the top right (when unit is vertical upflow) or the right side panel. See Figure 3. Remove the knockout and pierce the foil faced insulation to allow wiring to pass through. Use as small of a hole as possible to minimize air leak-age. Install a 7/8 in. plastic bushing in the selected hole and keep low voltage wiring as short as possible inside the control box.
To further minimize air leakage, seal the wiring entry point at the outside of the unit. Connect the field wiring at the pigtails supplied with the air handler. See Figure 20 to Figure 28 for system wiring.
NOTICE
All wiring must comply with local and national electrical code require-ments. Read and heed all unit caution labels.
Blower speed connections
Adjust the blower motor speed to provide airflow within the minimum and maximum limits approved for indoor coils, electric heat, and outdoor units. Make speed tap adjustments at the motor terminal block. See Table 13 for airflow data. Connect the motor wires to the motor speed tap receptacle for the speed required. The standard ECM motor operates when a 24 VAC signal is sent to any of its five speed taps. If simultaneous 24 VAC inputs are present, the motor operates at the highest speed tap that is energized. The lowest speed is one and the highest speed is five.
The air handler comes factory-wired with the electric heat kit connected to tap five for the heating speed. There are two speed tap wires for cool-ing or heat pump blower speeds. The YEL/BLK wire is for first stage com-pressor speed and the YEL wire is for full compressor speed. The RED continuous fan speed wire is connected to speed tap one. If the lowest speed tap (tap one) is needed for first stage compressor speed, leave the continuous fan speed wire connected to speed tap one and let the room thermostat provide the signal (through its G output) for first stage compressor, as the room thermostat provides a fan output during a heat pump heating or cooling call. In this particular application, cap off the YEL/BLK wire and do not use it.
Move the electric heat kit wire for the heating speed from tap five to the appropriate speed tap according to Table 5. If electric heat requires speed tap five, the highest speed tap available for cooling or heat pump heating is tap four. Do not splice or combine multiple signals to a single blower motor tap. Each of the standard ECM blower motor speed taps have a built-in 60 s off delay. The circulating blower (green) thermostat input is factory connected to speed tap one, which is the lowest speed. The circulating blower (yellow) thermostat input is used for the second-stage or full blower speed. See Figure 20 to Figure 28 for wiring details.

Unit data
Table 3: Physical and electrical data – cooling only
| Models | B18B | B24C | B30D | B36D | C36D | C42F | |
| Blower – diameter x width (in.) | 11 x 8 | 11 x 8 | 11 x 8 | 11 x 8 | 11 x 10 | 11 x 10 | |
| Motor | HP | 1/3 HP | 1/3 HP | 1/2 HP | 1/2 HP | 1/2 HP | 1/2 HP |
| Nominal RPM | 1050 | 1050 | 1050 | 1050 | 1050 | 1050 | |
| Voltage (V) | 208/230 | 208/230 | 208/230 | 208/230 | 208/230 | 208/230 | |
| Full load amps at 230 V (A) | 2.6 | 2.6 | 3.8 | 3.8 | 3.8 | 3.8 | |
| Filter1 | Type | Disposable or cleanable | |||||
| Size (in.) | 16 x 20 x 1 | 16 x 20 x 1 | 16 x 20 x 1 | 16 x 20 x 1 | 20 x 20 x 1 | 20 x 20 x 1 | |
| Shipping / operating weight (lb) | 101/93 | 107 / 99 | 108 / 100 | 108 / 100 | 124 / 114 | 135 / 125 | |
| Models | C48G | D48G | C60H | D60H | D60J | ||
| Blower – diameter x width (in.) | 11 x 10 | 11 x 11 | 11 x 10 | 11 x 11 | 11 x 11 | ||
| Motor | HP | 3/4 HP | 3/4 HP | 3/4 HP | 3/4 HP | 3/4 HP | |
| Nominal RPM | 1050 | 1050 | 1050 | 1050 | 1050 | ||
| Voltage (V) | 208/230 | 208/230 | 208/230 | 208/230 | 208/230 | ||
| Full load amps at 230 V (A) | 5.4 | 5.4 | 5.4 | 5.4 | 5.4 | ||
| Filter1 | Type | Disposable or cleanable | |||||
| Size (in.) | 20 x 20 x 1 | 23 x 20 x 1 | 20 x 20 x 1 | 23 x 20 x 1 | 23 x 20 x 1 | ||
| Shipping / operating weight (lb) | 140 / 129 | 152 / 140 | 153 / 141 | 158 / 146 | 162 / 150 | ||
- Field supplied.
Table 4: Electrical data – cooling only
| Models | Motor FLA1 | Minimum circuit ampacity (A) | MOP2 |
| B18B/B24C | 2.6 | 3.3 | 15 |
| B30D/B36D/C36D/C42F | 3.8 | 4.8 | 15 |
| C48G/D48G/C60H/D60H/D60J | 5.4 | 6.8 | 15 |
- FLA = Full Load Amps
- MOP = Maximum Overcurrent Protection device; must be HACR type circuit breaker or time delay fuse. Refer to the latest edition of the National Electric Code or in Canada the Canadian electrical Code and local codes to determine correct wire sizing.
Table 5: Electrical heat: minimum fan speed
| Heater kit models1,2 | Nominal kW at 240 V | Air handler models | ||||||||||
| B18B | B24C | B30D | B36D | C36D | C42F | C48G | D48G | C60H | D60H | D60J | ||
| 8HK(0,1)6500206 | 2.4 | Medium Low (2) | Medium (3) | Medium High (4) | Medium (3) | Medium (3) | Medium (3) | Medium Low (2) | Medium Low (2) | Medium Low (2) | Medium Low (2) | Medium Low (2) |
| 8HK(0,1)6500506 | 4.8 | Medium (3) | Medium (3) | Medium High (4) | Medium (3) | Medium (3) | Medium (3) | Medium Low (2) | Medium Low (2) | Medium Low (2) | Medium Low (2) | Medium Low (2) |
| 8HK(0,1)6500806 | 7.7 | Medium High (4) | Medium High (4) | Medium High (4) | Medium High (4) | Medium High (4) | Medium High (4) | Medium (3) | Medium (3) | Medium (3) | Medium (3) | Medium Low (2) |
| 8HK(0,1)6501006 8HK06501025 | 9.6 | Medium High (4) | Medium High (4) | Medium High (4) | Medium High (4) | Medium High (4) | Medium High (4) | Medium (3) | Medium (3) | Medium High (4) | Medium (3) | Medium Low (2) |
| 8HK(1,2)6501506 8HK06501525 | 14.4 | — | Medium High (4) | High (5) | Medium High (4) | Medium High (4) | Medium High (4) | Medium (3) | Medium (3) | Medium High (4) | Medium High (4) | Medium (3) |
| 8HK(1,2)6502006 8HK16502025 | 19.2 | — | — | High (5) | Medium High (4) | High (5) | High (5) | Medium High (4) | Medium (3) | Medium High (4) | Medium High (4) | Medium (3) |
| 8HK(1,2)6502506 8HK16502525 | 24 | — | — | — | — | — | — | — | — | — | Medium High (4) | Medium (3) |
- (0,1) – 0 = no service disconnect or 1 = with service disconnect.
- (1,2) – 1 = with service disconnect, no breaker jumper bar or 2 = with service disconnect and breaker jumper bar.
Table 6: Application factors – rated CFM versus actual CFM
| % of rated airflow (CFM) | 80 | 90 | 100 | 110 | 120 |
| Capacity factor | 0.96 | 0.98 | 1 | 1.02 | 1.03 |
Table 7: kW and MBH conversions – for total power input requirement
For a power distribution voltage that is different from the provided nominal voltage, multiply the kW and MBH data from Table 8 by the conversion factor in the following table.
| Distribution power (V) | Nominal voltage (V) | Conversion factor |
| 208 | 240 | 0.75 |
| 220 | 240 | 0.84 |
| 230 | 240 | 0.92 |
Table 8: Electric heat performance data: 208/230-1-60 and 208/230-3-60
| Heater models1,2 | Nominal kW at 240 V | Total heat 3 | kW staging | |||||||
| kW | MBH | W1 only | W1 and W2 | |||||||
| 208 V | 230 V | 208 V | 230 V | 208 V | 230 V | 208 V | 230 V | |||
|
Single phase | 8HK(0,1)6500206 | 2.4 | 1.8 | 2.2 | 6.2 | 7.5 | 1.8 | 2.2 | 1.8 | 2.2 |
| 8HK(0,1)6500506 | 4.8 | 3.6 | 4.4 | 12.3 | 15 | 3.6 | 4.4 | 3.6 | 4.4 | |
| 8HK(0,1)6500806 | 7.7 | 5.8 | 7.1 | 19.7 | 24.1 | 5.8 | 7.1 | 5.8 | 7.1 | |
| 8HK(0,1)6501006 | 9.6 | 7.2 | 8.8 | 24.6 | 30.1 | 7.2 | 8.8 | 7.2 | 8.8 | |
| 8HK(1,2)6501506 | 14.4 | 10.8 | 13.2 | 36.9 | 45.1 | 3.6 | 4.4 | 10.8 | 13.2 | |
| 8HK(1,2)6502006 | 19.2 | 14.4 | 17.6 | 49.2 | 60.2 | 7.2 | 8.8 | 14.4 | 17.6 | |
| 8HK(1,2)6502506 | 24 | 18 | 22 | 61.5 | 75.2 | 7.2 | 8.8 | 18 | 22 | |
| Three phase | 8HK06501025 | 9.6 | 7.2 | 8.8 | 24.6 | 30.1 | 7.2 | 8.8 | 7.2 | 8.8 |
| 8HK06501525 | 14.4 | 10.8 | 13.2 | 36.9 | 45.1 | 10.8 | 13.2 | 10.8 | 13.2 | |
| 8HK16502025 | 19.2 | 14.4 | 17.6 | 49.2 | 60.2 | 7.2 | 8.8 | 14.4 | 17.6 | |
| 8HK16502525 | 24 | 18 | 22 | 61.5 | 75.2 | 9 | 11 | 18 | 22 | |
- (0,1) – 0 = no service disconnect or 1 = with service disconnect.
- (1,2) – 1 = with service disconnect, no breaker jumper bar or 2 = with service disconnect and breaker jumper bar.
- For different power distributions, see Table 7.
Table 9: Electrical data for single source power supply: 208/230-1-60
| Air handler models | Heater models1,2 | Heater amps (A) at 240 V | Field wiring | |||
| Minimum circuit ampacity (A) | MOP3 (A) | |||||
| 208 V | 230 V | 208 V | 230 V | |||
|
B18B | 8HK(0,1)6500206 | 10 | 14.1 | 15.2 | 15 | 20 |
| 8HK(0,1)6500506 | 20 | 24.9 | 27.2 | 25 | 30 | |
| 8HK(0,1)6500806 | 32 | 38.1 | 41.8 | 40 | 45 | |
| 8HK(0,1)6501006 | 40 | 46.5 | 51.1 | 50 | 60 | |
|
B24C | 8HK(0,1)6500206 | 10 | 14.1 | 15.2 | 15 | 20 |
| 8HK(0,1)6500506 | 20 | 24.9 | 27.2 | 25 | 30 | |
| 8HK(0,1)6500806 | 32 | 38.1 | 41.8 | 40 | 45 | |
| 8HK(0,1)6501006 | 40 | 46.5 | 51.1 | 50 | 60 | |
| 8HK(1,2)6501506 | 60 | 68.2 | 75.0 | 70 | 80 | |
|
B30D | 8HK(0,1)6500206 | 10 | 15.6 | 16.7 | 20 | 20 |
| 8HK(0,1)6500506 | 20 | 26.4 | 28.7 | 30 | 30 | |
| 8HK(0,1)6500806 | 32 | 39.6 | 43.3 | 40 | 45 | |
| 8HK(0,1)6501006 | 40 | 48.0 | 52.6 | 50 | 60 | |
| 8HK(1,2)6501506 | 60 | 69.7 | 76.5 | 70 | 80 | |
| 8HK(1,2)6502006 | 80 | 91.3 | 100.4 | 100 | 110 | |
|
B36D | 8HK(0,1)6500206 | 10 | 15.6 | 16.7 | 20 | 20 |
| 8HK(0,1)6500506 | 20 | 26.4 | 28.7 | 30 | 30 | |
| 8HK(0,1)6500806 | 32 | 39.6 | 43.3 | 40 | 45 | |
| 8HK(0,1)6501006 | 40 | 48.0 | 52.6 | 50 | 60 | |
| 8HK(1,2)6501506 | 60 | 69.7 | 76.5 | 70 | 80 | |
| 8HK(1,2)6502006 | 80 | 91.3 | 100.4 | 100 | 110 | |
| Air handler models | Heater models1,2 | Heater amps (A) at 240 V | Field wiring | |||
| Minimum circuit ampacity (A) | MOP3 (A) | |||||
| 208 V | 230 V | 208 V | 230 V | |||
|
C36D | 8HK(0,1)6500206 | 10 | 15.6 | 16.7 | 20 | 20 |
| 8HK(0,1)6500506 | 20 | 26.4 | 28.7 | 30 | 30 | |
| 8HK(0,1)6500806 | 32 | 39.6 | 43.3 | 40 | 45 | |
| 8HK(0,1)6501006 | 40 | 48.0 | 52.6 | 50 | 60 | |
| 8HK(1,2)6501506 | 60 | 69.7 | 76.5 | 70 | 80 | |
| 8HK(1,2)6502006 | 80 | 91.3 | 100.4 | 100 | 110 | |
|
C42F | 8HK(0,1)6500206 | 10 | 15.6 | 16.7 | 20 | 20 |
| 8HK(0,1)6500506 | 20 | 26.4 | 28.7 | 30 | 30 | |
| 8HK(0,1)6500806 | 32 | 39.6 | 43.3 | 40 | 45 | |
| 8HK(0,1)6501006 | 40 | 48.0 | 52.6 | 50 | 60 | |
| 8HK(1,2)6501506 | 60 | 69.7 | 76.5 | 70 | 80 | |
| 8HK(1,2)6502006 | 80 | 91.3 | 100.4 | 100 | 110 | |
|
C48G | 8HK(0,1)6500206 | 10 | 17.6 | 18.7 | 20 | 20 |
| 8HK(0,1)6500506 | 20 | 28.4 | 30.7 | 30 | 35 | |
| 8HK(0,1)6500806 | 32 | 41.6 | 45.3 | 45 | 50 | |
| 8HK(0,1)6501006 | 40 | 50.0 | 54.6 | 60 | 60 | |
| 8HK(1,2)6501506 | 60 | 71.7 | 78.5 | 80 | 80 | |
| 8HK(1,2)6502006 | 80 | 93.3 | 102.4 | 100 | 110 | |
|
D48G | 8HK(0,1)6500206 | 10 | 17.6 | 18.7 | 20 | 20 |
| 8HK(0,1)6500506 | 20 | 28.4 | 30.7 | 30 | 35 | |
| 8HK(0,1)6500806 | 32 | 41.6 | 45.3 | 45 | 50 | |
| 8HK(0,1)6501006 | 40 | 50.0 | 54.6 | 60 | 60 | |
| 8HK(1,2)6501506 | 60 | 71.7 | 78.5 | 80 | 80 | |
| 8HK(1,2)6502006 | 80 | 93.3 | 102.4 | 100 | 110 | |
|
C60H | 8HK(0,1)6500206 | 10 | 17.6 | 18.7 | 20 | 20 |
| 8HK(0,1)6500506 | 20 | 28.4 | 30.7 | 30 | 35 | |
| 8HK(0,1)6500806 | 32 | 41.6 | 45.3 | 45 | 50 | |
| 8HK(0,1)6501006 | 40 | 50.0 | 54.6 | 60 | 60 | |
| 8HK(1,2)6501506 | 60 | 71.7 | 78.5 | 80 | 80 | |
| 8HK(1,2)6502006 | 80 | 93.3 | 102.4 | 100 | 110 | |
|
D60H | 8HK(0,1)6500206 | 10 | 17.6 | 18.7 | 20 | 20 |
| 8HK(0,1)6500506 | 20 | 28.4 | 30.7 | 30 | 35 | |
| 8HK(0,1)6500806 | 32 | 41.6 | 45.3 | 45 | 50 | |
| 8HK(0,1)6501006 | 40 | 50.0 | 54.6 | 60 | 60 | |
| 8HK(1,2)6501506 | 60 | 71.7 | 78.5 | 80 | 80 | |
| 8HK(1,2)6502006 | 80 | 93.3 | 102.4 | 100 | 110 | |
| 8HK(1,2)6502506 | 100 | 114.9 | 126.3 | 125 | 150 | |
|
D60J | 8HK(0,1)6500206 | 10 | 17.6 | 18.7 | 20 | 20 |
| 8HK(0,1)6500506 | 20 | 28.4 | 30.7 | 30 | 35 | |
| 8HK(0,1)6500806 | 32 | 41.6 | 45.3 | 45 | 50 | |
| 8HK(0,1)6501006 | 40 | 50.0 | 54.6 | 60 | 60 | |
| 8HK(1,2)6501506 | 60 | 71.7 | 78.5 | 80 | 80 | |
| 8HK(1,2)6502006 | 80 | 93.3 | 102.4 | 100 | 110 | |
| 8HK(1,2)6502506 | 100 | 114.9 | 126.3 | 125 | 150 | |
- (0,1) – 0 = no service disconnect or 1 = with service disconnect.
- (1,2) – 1 = with service disconnect, no breaker jumper bar or 2 = with service disconnect and breaker jumper bar.
- MOP = Maximum Overcurrent Protection device; must be HACR type circuit breaker or time delay fuse. Refer to the latest edition of the National Electric Code or in Canada the Canadian electrical Code and local codes to determine correct wire sizing.
Table 10: Electrical data for multi-source power supply: 208/230-1-60
| Air handlers models | Heater models1 | Heater amps (A) at 240 V | Minimum circuit ampacity (A) | MOP2 (A) | ||||||||||
| 208 V | 230 V | 208 V | 230 V | |||||||||||
| Circuit | Circuit | |||||||||||||
| First3 | Second | Third | First3 | Second | Third | First3 | Second | Third | First3 | Second | Third | |||
| B24C | 8HK16501506 | 60 | 24.7 | 43.5 | — | 26.9 | 48.1 | — | 25 | 45 | — | 30 | 50 | — |
| B30D | 8HK16501506 | 60 | 26.2 | 43.5 | — | 28.4 | 48.1 | — | 30 | 45 | — | 30 | 50 | — |
| 8HK16502006 | 80 | 48.0 | 43.3 | — | 52.6 | 47.8 | — | 50 | 45 | — | 60 | 50 | — | |
| B36D | 8HK16501506 | 60 | 26.2 | 43.5 | — | 28.4 | 48.1 | — | 30 | 45 | — | 30 | 50 | — |
| 8HK16502006 | 80 | 48.0 | 43.3 | — | 52.6 | 47.8 | — | 50 | 45 | — | 60 | 50 | — | |
| C36D | 8HK16501506 | 60 | 26.2 | 43.5 | — | 28.4 | 48.1 | — | 30 | 45 | — | 30 | 50 | — |
| 8HK16502006 | 80 | 48.0 | 43.3 | — | 52.6 | 47.8 | — | 50 | 45 | — | 60 | 50 | — | |
| C42F | 8HK16501506 | 60 | 26.2 | 43.5 | — | 28.4 | 48.1 | — | 30 | 45 | — | 30 | 50 | — |
| 8HK16502006 | 80 | 48.0 | 43.3 | — | 52.6 | 47.8 | — | 50 | 45 | — | 60 | 50 | — | |
| C48G | 8HK16501506 | 60 | 28.2 | 43.5 | — | 30.4 | 48.1 | — | 30 | 45 | — | 35 | 50 | — |
| 8HK16502006 | 80 | 50.0 | 43.3 | — | 54.6 | 47.8 | — | 50 | 45 | — | 60 | 50 | — | |
| D48G | 8HK16501506 | 60 | 28.2 | 43.5 | — | 30.4 | 48.1 | — | 30 | 45 | — | 35 | 50 | — |
| 8HK16502006 | 80 | 50.0 | 43.3 | — | 54.6 | 47.8 | — | 50 | 45 | — | 60 | 50 | — | |
| C60H | 8HK16501506 | 60 | 28.2 | 43.5 | — | 30.4 | 48.1 | — | 30 | 45 | — | 35 | 50 | — |
| 8HK16502006 | 80 | 50.0 | 43.3 | — | 54.6 | 47.8 | — | 50 | 45 | — | 60 | 50 | — | |
| D60H | 8HK16501506 | 60 | 28.2 | 43.5 | — | 30.4 | 48.1 | — | 30 | 45 | — | 35 | 50 | — |
| 8HK16502006 | 80 | 50.0 | 43.3 | — | 54.6 | 47.8 | — | 50 | 45 | — | 60 | 50 | — | |
| 8HK16502506 | 100 | 50.0 | 43.3 | 21.6 | 54.6 | 47.8 | 23.9 | 50 | 45 | 25 | 60 | 50 | 25 | |
| D60J | 8HK16501506 | 60 | 28.2 | 43.5 | — | 30.4 | 48.1 | — | 30 | 45 | — | 35 | 50 | — |
| 8HK16502006 | 80 | 50.0 | 43.3 | — | 54.6 | 47.8 | — | 50 | 45 | — | 60 | 50 | — | |
| 8HK16502506 | 100 | 50.0 | 43.3 | 21.6 | 54.6 | 47.8 | 23.9 | 50 | 45 | 25 | 60 | 50 | 25 | |
- 8HK1 = with service disconnect, no breaker jumper bar
- MOP = Maximum Overcurrent Protection device; must be HACR type circuit breaker or time delay fuse. The first circuit includes blower motor amps. Refer to the lat-est edition of the National Electric Code or in Canada the Canadian electrical Code and local codes to determine correct wire sizing.
Table 11: Electrical data for single source power supply: 208/230-3-60
| Air handler models | Heater models1 | Heater amps (A) at 240 V | Field wiring | |||
| Minimum circuit ampacity (A) | MOP2 (A) | |||||
| 208 V | 230 V | 208 V | 230 V | |||
| B18B | 8HK06501025 | 23.1 | 28.2 | 30.9 | 30 | 35 |
| B24C | 8HK06501025 | 23.1 | 28.2 | 30.9 | 30 | 35 |
| 8HK06501525 | 34.6 | 40.7 | 44.7 | 45 | 45 | |
| B30D | 8HK06501025 | 23.1 | 29.7 | 32.4 | 30 | 35 |
| 8HK06501525 | 34.6 | 42.2 | 46.2 | 45 | 50 | |
| 8HK165020251 | 46.2 | 54.7 | 60.0 | 60 | 60 | |
| B36D | 8HK06501025 | 23.1 | 29.7 | 32.4 | 30 | 35 |
| 8HK06501525 | 34.6 | 42.2 | 46.2 | 45 | 50 | |
| 8HK165020251 | 46.2 | 54.7 | 60.0 | 60 | 60 | |
| C36D | 8HK06501025 | 23.1 | 29.7 | 32.4 | 30 | 35 |
| 8HK06501525 | 34.6 | 42.2 | 46.2 | 45 | 50 | |
| 8HK165020251 | 46.2 | 54.7 | 60.0 | 60 | 60 | |
| C42F | 8HK06501025 | 23.1 | 29.7 | 32.4 | 30 | 35 |
| 8HK06501525 | 34.6 | 42.2 | 46.2 | 45 | 50 | |
| 8HK165020251 | 46.2 | 54.7 | 60.0 | 60 | 60 | |
| C48G | 8HK06501025 | 23.1 | 31.7 | 34.4 | 35 | 35 |
| 8HK06501525 | 34.6 | 44.2 | 48.2 | 45 | 50 | |
| 8HK165020251 | 46.2 | 56.7 | 62.0 | 60 | 70 | |
| D48G | 8HK06501025 | 23.1 | 31.7 | 34.4 | 35 | 35 |
| 8HK06501525 | 34.6 | 44.2 | 48.2 | 45 | 50 | |
| 8HK165020251 | 46.2 | 56.7 | 62.0 | 60 | 70 | |
| Air handler models | Heater models1 | Heater amps (A) at 240 V | Field wiring | |||
| Minimum circuit ampacity (A) | MOP2 (A) | |||||
| 208 V | 230 V | 208 V | 230 V | |||
| C60H | 8HK06501025 | 23.1 | 31.7 | 34.4 | 35 | 35 |
| 8HK06501525 | 34.6 | 44.2 | 48.2 | 45 | 50 | |
| 8HK165020251 | 46.2 | 56.7 | 62.0 | 60 | 70 | |
|
D60H | 8HK06501025 | 23.1 | 31.7 | 34.4 | 35 | 35 |
| 8HK06501525 | 34.6 | 44.2 | 48.2 | 45 | 50 | |
| 8HK165020251 | 46.2 | 56.7 | 62.0 | 60 | 70 | |
| 8HK165025251 | 57.7 | 69.2 | 75.8 | 70 | 80 | |
|
D60J | 8HK06501025 | 23.1 | 31.7 | 34.4 | 35 | 35 |
| 8HK06501525 | 34.6 | 44.2 | 48.2 | 45 | 50 | |
| 8HK165020251 | 46.2 | 56.7 | 62.0 | 60 | 70 | |
| 8HK165025251 | 57.7 | 69.2 | 75.8 | 70 | 80 | |
- 0 = no service disconnect OR 1 = with service disconnect. The 20 kW and 25 kW heater models (8HK16502025 and 8HK16502525) come with service disconnects standard. Single source power MCA and MOP requirements are given here only for reference if used with field installed single point power modification.
- MOP = Maximum overcurrent protection device; must be HACR type circuit breaker or time delay fuse. The first circuit includes blower motor amps. Refer to the lat-est edition of the National Electric Code or in Canada the Canadian electrical Code and local codes to determine correct wire sizing.
Table 12: Electrical data for multi-source power supply: 208/230-3-60
| Air handlers models | Heater models1 | Heater amps (A) at 240V | Minimum circuit ampacity (A) | MOP2 (A) | ||||||
| 208V | 230V | 208V | 230V | |||||||
| Circuit | Circuit | |||||||||
| First2 | Second | First2 | Second | First2 | Second | First2 | Second | |||
| B30D | 8HK16502025 | 46.2 | 29.7 | 25.0 | 32.4 | 27.6 | 30 | 25 | 35 | 30 |
| B36D | 8HK16502025 | 46.2 | 29.7 | 25.0 | 32.4 | 27.6 | 30 | 25 | 35 | 30 |
| C36D | 8HK16502025 | 46.2 | 29.7 | 25.0 | 32.4 | 27.6 | 30 | 25 | 35 | 30 |
| C42F | 8HK16502025 | 46.2 | 29.7 | 25.0 | 32.4 | 27.6 | 30 | 25 | 35 | 30 |
| C48G | 8HK16502025 | 46.2 | 31.7 | 25.0 | 34.4 | 27.6 | 35 | 25 | 35 | 30 |
| D48G | 8HK16502025 | 46.2 | 31.7 | 25.0 | 34.4 | 27.6 | 35 | 25 | 35 | 30 |
| C60H | 8HK16502025 | 46.2 | 31.7 | 25.0 | 34.4 | 27.6 | 35 | 25 | 35 | 30 |
| D60H | 8HK16502025 | 46.2 | 31.7 | 25.0 | 34.4 | 27.6 | 35 | 25 | 35 | 30 |
| 8HK16502525 | 57.7 | 38.0 | 31.2 | 41.3 | 34.5 | 40 | 35 | 45 | 35 | |
| D60J | 8HK16502025 | 46.2 | 31.7 | 25.0 | 34.4 | 27.6 | 35 | 25 | 35 | 30 |
| 8HK16502525 | 57.7 | 38.0 | 31.2 | 41.3 | 34.5 | 40 | 35 | 45 | 35 | |
- The 20kW and 25kW heater models (8HK06502025 and 8HK06502525) come with service disconnects standard.
- MOP = Maximum overcurrent protection device; must be HACR type circuit breaker or time delay fuse. The first circuit includes blower motor amps. Refer to the lat-est edition of the National Electric Code or in Canada the Canadian electrical Code and local codes to determine correct wire sizing.
Table 13: Airflow data (CFM per Watts)
| Models | Blower motor speed | External static pressure (in. W.C.) | ||||||||||
| Unit | 0.1 | 0.2 | 0.3 | 0.4 | 0.5 | 0.6 | 0.7 | 0.8 | 0.9 | 1.0 | ||
|
B18B | High (5) | CFM | 975 | 925 | 875 | 825 | 800 | 750 | 700 | 650 | 600 | 550 |
| W | 129 | 137 | 145 | 153 | 161 | 169 | 177 | 186 | 194 | 202 | ||
| Medium high (4) | CFM | 900 | 850 | 800 | 775 | 725 | 675 | 625 | 575 | 525 | 500 | |
| W | 110 | 117 | 124 | 132 | 139 | 146 | 153 | 160 | 167 | 175 | ||
| Medium (3) | CFM | 825 | 775 | 725 | 700 | 650 | 600 | 550 | 500 | 450 | 400 | |
| W | 94 | 101 | 107 | 114 | 120 | 127 | 134 | 140 | 147 | 154 | ||
| Medium low (2) | CFM | 650 | 600 | 550 | 500 | 425 | — | — | — | — | — | |
| W | 58 | 63 | 68 | 73 | 78 | — | — | — | — | — | ||
| Low (1) | CFM | 450 | — | — | — | — | — | — | — | — | — | |
| W | 31 | — | — | — | — | — | — | — | — | — | ||
| Models | Blower motor speed | External static pressure (in. W.C.) | ||||||||||
| Unit | 0.1 | 0.2 | 0.3 | 0.4 | 0.5 | 0.6 | 0.7 | 0.8 | 0.9 | 1.0 | ||
|
B24C | High (5) | CFM | 1150 | 1125 | 1100 | 1050 | 1025 | 975 | 950 | 900 | 875 | 850 |
| W | 190 | 199 | 209 | 219 | 229 | 238 | 248 | 258 | 267 | 277 | ||
| Medium high (4) | CFM | 1000 | 950 | 925 | 875 | 825 | 775 | 750 | 700 | 650 | 600 | |
| W | 130 | 138 | 147 | 155 | 163 | 171 | 180 | 188 | 196 | 204 | ||
| Medium (3) | CFM | 775 | 725 | 675 | 625 | 575 | 525 | 450 | 400 | — | — | |
| W | 75 | 81 | 88 | 95 | 101 | 108 | 114 | 121 | — | — | ||
| Medium low (2) | CFM | 675 | 600 | 550 | 500 | 425 | — | — | — | — | — | |
| W | 55 | 61 | 67 | 73 | 79 | — | — | — | — | — | ||
| Low (1) | CFM | 525 | 450 | — | — | — | — | — | — | — | — | |
| W | 34 | 40 | — | — | — | — | — | — | — | — | ||
|
B30D | High (5) | CFM | 1150 | 1125 | 1075 | 1050 | 1025 | 975 | 950 | 925 | 875 | 850 |
| W | 221 | 228 | 235 | 243 | 252 | 262 | 273 | 285 | 297 | 311 | ||
| Medium high (4) | CFM | 1000 | 950 | 900 | 875 | 825 | 800 | 750 | 700 | 675 | 625 | |
| W | 147 | 156 | 164 | 172 | 181 | 189 | 198 | 206 | 214 | 223 | ||
| Medium (3) | CFM | 775 | 725 | 700 | 650 | 600 | 550 | 500 | 450 | 400 | — | |
| W | 87 | 93 | 100 | 106 | 113 | 120 | 126 | 133 | 139 | — | ||
| Medium low (2) | CFM | 650 | 600 | 550 | 500 | 450 | 400 | — | — | — | — | |
| W | 62 | 67 | 72 | 78 | 83 | 89 | — | — | — | — | ||
| Low (1) | CFM | 575 | 525 | 475 | 400 | — | — | — | — | — | — | |
| W | 49 | 54 | 59 | 65 | — | — | — | — | — | — | ||
|
B36D | High (5) | CFM | 1500 | 1475 | 1450 | 1425 | 1425 | 1400 | 1375 | 1350 | 1325 | — |
| W | 482 | 493 | 504 | 516 | 527 | 539 | 550 | 562 | 573 | — | ||
| Medium high (4) | CFM | 1325 | 1300 | 1275 | 1250 | 1225 | 1200 | 1175 | 1150 | 1125 | 1100 | |
| W | 332 | 339 | 347 | 357 | 367 | 379 | 391 | 405 | 420 | 435 | ||
| Medium (3) | CFM | 975 | 950 | 900 | 875 | 825 | 800 | 750 | 700 | 675 | 625 | |
| W | 145 | 154 | 162 | 170 | 178 | 186 | 194 | 202 | 210 | 219 | ||
| Medium low (2) | CFM | 925 | 875 | 825 | 800 | 750 | 700 | 675 | 625 | 575 | 550 | |
| W | 121 | 128 | 136 | 143 | 151 | 158 | 166 | 173 | 180 | 188 | ||
| Low (1) | CFM | 650 | 600 | 550 | 500 | 450 | 400 | — | — | — | — | |
| W | 60 | 65 | 71 | 76 | 81 | 87 | — | — | — | — | ||
|
C36D | High (5) | CFM | 1600 | 1575 | 1525 | 1500 | 1450 | 1425 | 1400 | 1350 | 1325 | 1275 |
| W | 377 | 391 | 405 | 419 | 434 | 448 | 462 | 476 | 490 | 504 | ||
| Medium high (4) | CFM | 1400 | 1375 | 1325 | 1275 | 1225 | 1200 | 1150 | 1100 | 1075 | 1025 | |
| W | 260 | 272 | 283 | 294 | 305 | 316 | 328 | 339 | 350 | 361 | ||
| Medium (3) | CFM | 1100 | 1050 | 1000 | 950 | 900 | 850 | 800 | 725 | 675 | 625 | |
| W | 143 | 152 | 161 | 169 | 178 | 187 | 195 | 204 | 212 | 221 | ||
| Medium low (2) | CFM | 950 | 900 | 825 | 775 | 725 | 650 | 600 | 550 | 475 | 425 | |
| W | 103 | 110 | 117 | 124 | 131 | 138 | 146 | 153 | 160 | 167 | ||
| Low (1) | CFM | 725 | 650 | 575 | 525 | 450 | 375 | — | — | — | — | |
| W | 60 | 66 | 72 | 77 | 83 | 89 | — | — | — | — | ||
|
C42F | High (5) | CFM | 1525 | 1500 | 1450 | 1425 | 1375 | 1350 | 1300 | 1275 | 1225 | 1200 |
| W | 334 | 348 | 363 | 377 | 391 | 405 | 419 | 433 | 448 | 462 | ||
| Medium high (4) | CFM | 1375 | 1325 | 1300 | 1250 | 1200 | 1150 | 1125 | 1075 | 1025 | 975 | |
| W | 247 | 259 | 270 | 282 | 293 | 305 | 317 | 328 | 340 | 352 | ||
| Medium (3) | CFM | 1050 | 1000 | 950 | 900 | 850 | 775 | 725 | 675 | 625 | 575 | |
| W | 130 | 138 | 146 | 155 | 163 | 171 | 180 | 188 | 197 | 205 | ||
| Medium low (2) | CFM | 925 | 875 | 800 | 750 | 700 | 625 | 575 | 525 | 450 | 400 | |
| W | 97 | 104 | 112 | 119 | 126 | 133 | 141 | 148 | 155 | 162 | ||
| Low (1) | CFM | 700 | 625 | 575 | 500 | 425 | — | — | — | — | — | |
| W | 56 | 61 | 67 | 73 | 78 | — | — | — | — | — | ||
| Models | Blower motor speed | External static pressure (in. W.C.) | ||||||||||
| Unit | 0.1 | 0.2 | 0.3 | 0.4 | 0.5 | 0.6 | 0.7 | 0.8 | 0.9 | 1.0 | ||
|
C48G | High (5) | CFM | 1925 | 1900 | 1875 | 1850 | 1800 | 1775 | 1750 | 1725 | 1700 | 1675 |
| W | 588 | 604 | 619 | 635 | 650 | 666 | 681 | 697 | 712 | 728 | ||
| Medium high (4) | CFM | 1750 | 1700 | 1675 | 1650 | 1600 | 1575 | 1550 | 1500 | 1475 | 1450 | |
| W | 435 | 449 | 463 | 476 | 490 | 504 | 517 | 531 | 545 | 558 | ||
| Medium (3) | CFM | 1400 | 1350 | 1300 | 1275 | 1225 | 1175 | 1125 | 1075 | 1050 | 1000 | |
| W | 235 | 245 | 256 | 266 | 277 | 287 | 298 | 308 | 319 | 329 | ||
| Medium low (2) (2) | CFM | 1200 | 1150 | 1100 | 1050 | 1000 | 925 | 875 | 825 | 775 | 725 | |
| W | 157 | 166 | 176 | 185 | 194 | 203 | 212 | 221 | 230 | 239 | ||
| Low (1) | CFM | 925 | 875 | 800 | 750 | 700 | 625 | 575 | 500 | 450 | 375 | |
| W | 93 | 100 | 107 | 114 | 121 | 128 | 135 | 142 | 149 | 156 | ||
|
D48G | High (5) | CFM | 2050 | 2000 | 1975 | 1950 | 1900 | 1875 | 1850 | 1800 | 1775 | 1750 |
| W | 579 | 597 | 615 | 632 | 650 | 668 | 686 | 704 | 722 | 739 | ||
| Medium high (4) | CFM | 1850 | 1800 | 1775 | 1725 | 1700 | 1650 | 1625 | 1575 | 1550 | 1500 | |
| W | 431 | 446 | 461 | 476 | 492 | 507 | 522 | 537 | 552 | 568 | ||
| Medium (3) | CFM | 1625 | 1600 | 1550 | 1500 | 1450 | 1425 | 1375 | 1325 | 1275 | 1250 | |
| W | 305 | 318 | 332 | 345 | 358 | 371 | 384 | 397 | 410 | 423 | ||
| Medium low (2) | CFM | 1275 | 1200 | 1150 | 1100 | 1050 | 975 | 925 | 875 | 825 | 750 | |
| W | 159 | 169 | 179 | 189 | 199 | 208 | 218 | 228 | 238 | 248 | ||
| Low (1) | CFM | 1000 | 925 | 875 | 800 | 750 | 675 | 600 | 550 | 475 | 400 | |
| W | 96 | 103 | 111 | 118 | 126 | 133 | 141 | 148 | 156 | 163 | ||
|
C60H | High (5) | CFM | 1925 | 1900 | 1875 | 1850 | 1825 | 1775 | 1750 | 1725 | 1700 | 1675 |
| W | 564 | 578 | 593 | 608 | 623 | 638 | 653 | 668 | 683 | 698 | ||
| Medium high (4) | CFM | 1750 | 1725 | 1675 | 1650 | 1625 | 1575 | 1550 | 1525 | 1475 | 1450 | |
| W | 420 | 433 | 447 | 461 | 474 | 488 | 502 | 515 | 529 | 543 | ||
| Medium (3) | CFM | 1375 | 1350 | 1300 | 1250 | 1225 | 1175 | 1125 | 1100 | 1050 | 1000 | |
| W | 222 | 233 | 244 | 255 | 266 | 277 | 288 | 299 | 310 | 321 | ||
| Medium low (2) | CFM | 1200 | 1150 | 1100 | 1050 | 1000 | 950 | 900 | 850 | 800 | 750 | |
| W | 154 | 163 | 173 | 182 | 192 | 201 | 211 | 220 | 229 | 239 | ||
| Low (1) | CFM | 950 | 900 | 825 | 775 | 725 | 650 | 600 | 550 | 475 | 425 | |
| W | 91 | 98 | 105 | 113 | 120 | 127 | 134 | 142 | 149 | 156 | ||
|
D60H | High (5) | CFM | 1925 | 1900 | 1875 | 1825 | 1800 | 1775 | 1750 | 1700 | 1675 | 1650 |
| W | 500 | 515 | 530 | 545 | 560 | 575 | 590 | 605 | 620 | 635 | ||
| Medium high (4) | CFM | 1775 | 1750 | 1725 | 1675 | 1650 | 1600 | 1575 | 1525 | 1500 | 1450 | |
| W | 393 | 407 | 421 | 435 | 449 | 463 | 477 | 491 | 504 | 518 | ||
| Medium (3) | CFM | 1450 | 1400 | 1325 | 1275 | 1225 | 1175 | 1125 | 1075 | 1025 | 975 | |
| W | 212 | 223 | 235 | 246 | 258 | 269 | 281 | 292 | 304 | 315 | ||
| Medium low (2) | CFM | 1225 | 1175 | 1125 | 1050 | 1000 | 950 | 875 | 825 | 775 | 700 | |
| W | 146 | 156 | 166 | 176 | 185 | 195 | 205 | 215 | 225 | 235 | ||
| Low (1) | CFM | 975 | 900 | 850 | 775 | 700 | 625 | 550 | 475 | 425 | — | |
| W | 87 | 95 | 102 | 110 | 118 | 125 | 133 | 141 | 148 | — | ||
|
D60J | High (5) | CFM | 2100 | 2075 | 2050 | 2025 | 2000 | 1975 | 1925 | 1900 | 1875 | 1850 |
| W | 691 | 707 | 724 | 740 | 757 | 773 | 790 | 806 | 823 | 839 | ||
| Medium high (4) | CFM | 1925 | 1900 | 1875 | 1825 | 1800 | 1775 | 1725 | 1700 | 1675 | 1650 | |
| W | 516 | 533 | 550 | 566 | 583 | 600 | 617 | 633 | 650 | 667 | ||
| Medium (3) | CFM | 1750 | 1725 | 1675 | 1650 | 1600 | 1575 | 1525 | 1500 | 1450 | 1425 | |
| W | 394 | 409 | 423 | 437 | 452 | 466 | 480 | 495 | 509 | 524 | ||
| Medium low (2) | CFM | 1350 | 1275 | 1225 | 1175 | 1125 | 1075 | 1025 | 975 | 925 | 875 | |
| W | 188 | 199 | 210 | 221 | 232 | 242 | 253 | 264 | 275 | 286 | ||
| Low (1) | CFM | 1200 | 1150 | 1100 | 1025 | 975 | 925 | 850 | 800 | 750 | 675 | |
| W | 145 | 155 | 165 | 174 | 184 | 193 | 203 | 212 | 222 | 232 | ||
Notes:
- 1. No electric heat installed
2. Air handler units are tested to UL60335-2-40 standards up to 0.6 in. W.C. external static pressure.
3. Dry coil conditions only; tested without filters
4. For optimal performance, external static pressures of 0.2 in. W.C. to 0.5 in. W.C. are recommended. Heating applications are tested at 0.5 in. W.C. external static pressure.
5. Airflow data shown is from testing performed at 230 V. JHET units use a standard ECM constant torque motor and there is minimal variation of airflow at other distri-bution voltage values. The above data can be used for airflow at other distribution voltages.
Maintenance
Inspect filters at least once per month, and clean or replace them when they become dirty. The frequency of cleaning depends upon the hours of operation and the local atmospheric conditions. Clean filters keep unit efficiency high.
Coil cleaning
CAUTION
Ensure adequate precautions are taken to protect electrical compo-nents from liquid.
- If cleaning the coil is necessary, clean with water only.
- As an alternative to water, Evap-Green by Nu-Calgon is the only pH neutral coil cleaner approved for use when it is properly diluted.
- Ensure to thoroughly rinse the cleaned coils after using Evap-Green.
Lubrication
The bearings of the blower motor are permanently lubricated.
Condensate drains
During the cooling season, check the condensate drain lines to be sure that condensate is flowing from the primary drain but not from the sec-ondary drain. If condensate ever flows from the secondary drain, shut off the unit immediately and clean the condensate pan and drains to insure a free flowing primary drain.
Air system adjustment
To check the cubic feet per minute (CFM), measure the external duct static using a manometer and static pressure tips. To prepare coil for static pressure measurements, run only the fan to ensure a dry coil.
NOTICE
See Table 13 for air handling unit airflow data (CFM).
Drill two holes, one 12 in. away from the air handler in the supply air duct and one 12 in. away from the air handler in the return air duct (before any elbows in the ductwork). If the internal filter rack is utilized, the return air static pressure reading must be taken after the filter but before the indoor coil. Insert the pressure tips and energize the blower motor. See Table 13 to determine the airflow and make the necessary adjustments to keep the CFM within the airflow limitations of the coil.
External duct static
Measure the supply air static pressure. Record this positive number. Measure the return air static pressure. Record this negative number. Treat the negative number as a positive, and add the two numbers to-gether to determine the total external system static pressure. If a filter rack is installed on the return air end of the air handler or indoor coil sec-tion, make sure to measure the return air duct static between the filter and the indoor coil.

Installation verification
Before and during the completion of the installation procedures, verify all tasks are accomplished as indicated in this installation manual.
Thermal expansion valve (TXV) check list
- Is the coil metering device installed correctly?
- Was the correct TXV installed per the outdoor unit Technical Guide?
- Is the TXV bulb positioned correctly?
- Is the temperature bulb insulated?
- Is the equalizer line connected?


Wiring diagram




Control wiring
NOTICE
For Figure 22, Figure 23, Figure 24, and Figure 25:
Continuous fan (G) indoor blower speed tap must be set for a lower speed than first stage compressor speed. If the lowest blower speed tap must be used for first stage compressor speed, do not use the air handler Y1 connection. Allow the room thermostat to energize (G) for first stage compressor blower speed.
NOTICE
For Figure 22, Figure 25, and Figure 27:
Do not bond any of the outdoor unit W wires together.





Start-up sheet



Subject to change without notice. Published in U.S.A Copyright © 2022 by Johnson Controls. All rights reserved.
York International Corp. 5005 York Drive Norman, OK 73069.






















