VERTICAL MOUNT AIR HANDLERS
INSTALLATION INSTRUCTIONS & OPERATING INSTRUCTIONS
Important Safety Instructions
As a professional installer, you have an obligation to know the product better than the customer. This includes all safety precautions and related items. Prior to actual installation, thoroughly familiarize yourself with this Instruction Manual. Pay special attention to all safety warnings. Remember, it is your responsibility to install the product safely and to know it well enough to be able to instruct a customer in its safe use. Safety is a matter of common sense…a matter of thinking before acting. Most dealers have a list of specific, good safety practices…follow them. The precautions listed in this Installation Manual are in- tended as supplemental to existing practices. However, if there is a
direct conflict between existing practices and the content of this manual, the precautions listed here take precedence.
WARNING
HIGH VOLTAGE
DISCONNECT ALL POWER BEFORE SERVICING OR INSTALLING THIS UNIT. MULTIPLE POWER SOURCES MAY BE PRESENT. FAILURE TO DO SO MAY CAUSE PROPERTY DAMAGE, PERSONAL INJURY OR DEATH.
WARNING
ONLY PERSONNEL THAT HAVE BEEN TRAINED TO INSTALL, ADJUST, SERVICE OR REPAIR(HEREINAFTER, “SERVICE”) THE EQUIPMENT SPECIFIED IN THIS MANUAL SHOULD SERVICE THE EQUIPMENT. THE MANUFACTURER WILL NOT BE RESPONSIBLE FOR ANY INJURY OR PROPERTY DAMAGE ARISING FROM IMPROPER SERVICE OR SERVICE PROCEDURES. IF YOU SERVICE THIS UNIT, YOU ASSUME RESPONSIBILITY FOR ANY INJURY OR PROPERTY DAMAGE WHICH MAY RESULT. IN ADDITION, IN JURISDICTIONS THAT REQUIRE ONE OR MORE LICENSES
TO SERVICE THE EQUIPMENT SPECIFIED IN THIS MANUAL, ONLY LICENSED PERSONNEL SHOULD SERVICE THE EQUIPMENT. IMPROPER INSTALLATION, ADJUSTMENT, SERVICING OR REPAIR OF THE EQUIPMENT SPECIFIED IN THIS MANUAL, OR ATTEMPTING TO INSTALL, ADJUST, SERVICE OR REPAIR THE EQUIPMENT SPECIFIED IN THIS MANUAL WITHOUT PROPER TRAINING MAY RESULT IN PRODUCT DAMAGE, PROPERTY DAMAGE, PERSONAL INJURY OR DEATH.
WARNING
TO PREVENT THE RISK OF PROPERTY DAMAGE, PERSONAL INJURY, OR DEATH, DO NOT STORE COMBUSTIBLE MATERIALS OR USE GASOLINE
OR OTHER FLAMABLE LIQUIDS OR VAPORS IN THE VICINITY OF THIS APPLIANCE.
CAUTION
HAVE YOUR CONTRACTOR IDENTIFY ALL THE VARIOUS CUT OFF SWITCHESAND DEVICES THAT SERVICE THIS UNIT. KNOW WHERE THE SWITCH IS THAT WILL CUT OFF ENERGY TO THE HEATING SYSTEM IN THE EVENT OF OVERHEATING.
CAUTION
THIS APPLIANCE IS NOT INTENDED FOR THE USE BY PERSONS (INCLUDING CHILDREN) WITH THE REDUCED PHYSICAL, SENSORY OR MENTAL CAPABILITIES, OR LACK OF EXPERIENCE AND KNOWLEDGE, UNLESS THEY HAVE BEEN GIVEN SUPERVISION OR INSTRUCTION CONCERNING USE OF THE APPLIANCE BY A PERSON RESPONSIBLE FOR THEIR SAFETY. CHILDREN SHOULD BE SUPERVISED TO ENSURE THAT THEY DO NOT PLAY WITH THE APPLIANCE.
WARNING
THIS UNIT SHOULD NOT BE CONNECTED TO, OR USED IN CONJUNCTION WITH, ANY DEVICES THAT ARE NOT DESIGN CERTIFIED FOR USE WITH THIS UNIT OR HAVE NOT BEEN TESTED AND APPROVED BY THE MANUFACTURER. SERIOUS PROPERTY DAMAGE OR PERSONAL INJURY, REDUCED UNIT PERFORMANCE AND/OR HAZARDOUS CONDITIONS MAY RESULT FROM THE USE OF DEVICES THAT HAVE NOT BEEN APPROVED OR CERTIFIED BY THE MANUFACTURER.
DANGER PELIGRO
CARBON MONOXIDE POISONING HAZARD
Special Warning for Installation of Furnace or Air Handling Units in Enclosed Areas such as Garages, Utility Rooms or Parking Areas Carbon monoxide producing devices (such as an automobile, space heater, gas water heater, etc.) should not be operated in enclosed areas such as unventilated garages, utility rooms or parking areas because of the danger of carbon monoxide (CO) poisoning resulting from the exhaust emissions. If a furnace or air handler is installed in an enclosed area such as a garage, utility room or parking area and a carbon monoxide producing device is operated therein, there must be adequate, direct outside ventilation. This ventilation is necessary to avoid the danger of CO poisoning which can occur if a carbon monoxide producing device continues to operate in the enclosed area. Carbon monoxide emissions can be (re)circulated throughout the structure if the furnace or air handler is operating in any mode.
CO can cause serious illness including permanent brain damage or death. 810259-216
Shipping Inspection
Upon receiving the product, inspect it for damage from shipment. Shipping damage, and subsequent investigation is the responsibility of the carrier. Verify the model number, specifications, electrical characteristics, and accessories are correct prior to installation. The distributor or manufacturer will not accept claims from dealers for transportation damage or installation of incorrectly shipped units.
Codes & Regulations
This product is designed and manufactured to comply with national codes. Installation in accordance with such codes and/or prevailing local codes/regulations is the respon-sibility of the installer. The manufacturer assumes no responsibility for equipment installed in violation of any codes or regulations. The United States Environmental Protection Agency (EPA) has issued various regulations regarding the introduction and disposal of refrigerants. Failure to follow these regulations may harm the environment and can lead to the imposition of substantial fines. These regulations may vary by jurisdiction. A certified technician must perform the installation and service of this product. Should you have any questions please contact the local office of the EPA.
Replacement Parts
When reporting shortages or damages, or ordering repair parts, give the complete product model and serial numbers as stamped on the product. Replacement parts for this product are available through your contractor or local distributor. For the location of your nearest distributor, consult the white business pages, the yellow page section of the local telephone book or contact:
HOMEOWNER SUPPORT
19001 KERMIER ROAD
WALLER, TEXAS 77484
(877) 254-4729
Installer’s Note:
Replacement air filters can be ordered directly from the supplier:
AWST 18-24 – Part #BT1369604,14” x 18” x 1”
AWST 30-36 – Part #BT1369608,18” x 20” x 1”
For large chassis AWST30-36, fresh air filters must be provided by contractor.
Pre-Installation Instructions
5.1 Preparation
Keep this document with the unit. Carefully read all instructions for the installation prior to installing product. Make sure each step or procedure is understood and any special considerations are taken into account before starting installation. Assemble all tools, hardware, and supplies needed to complete the installation. Some items may need to be purchased locally. Make sure everything needed to install the product is on hand before starting.
5.2 System Matches
The entire system (combination of indoor and outdoor sections) must be manufacture approved and Air-conditioning, Heating, and Refrigeration Institute (AHRI) listed.
Note: Installation of unmatched systems is not permitted.
5.3 Interconnecting Tubing:
Give special consideration to minimize the length of refrigerant tubing when installing air handlers. Refer to Remote Cooling/ Heat Pump Service Manual RS6200006, and TP107 Long Line Set Application R-410A for tubing guidelines. If possible, allow adequate length of tubing such that the coil may be removed (for inspection or cleaning services) from the cabinet without disconnecting the tubing.
Note: These air handlers are designed for indoor installation only at a max altitude of 10,500 feet above sea level or a min altitude of -184 feet below sea level.
Application Information
The unit is designed to be installed in conditioned space, either recessed into a wall or hanging in a vertical “upflow” position. If units are recessed in a wall, use the holes along the inside of the front flange to attach units to the framing studs. The vertical air handler comes equipped with an offset hanging bracket attached to the rear of the cabinet for hanging applications.
IMPORTANT: Unit must be installed level or slightly tilted back to ensure proper drainage of condensate. The air handler also has a bottom and front return. Large chassis installations should be installed as front return only. If the small chassis air handler is to be installed in a bottom return application, discard the drain access panel in the bottom of the unit. If the air handler is to be installed in a front return application, remove and discard the front access panel with insulation. The unit is shipped with a filter rack and filter. Remember to inspect, clean and/or replace the filter monthly.
Units are equipped with both a bottom primary and secondary drain. Both drains must be trapped, unless emergency condensate switch is install in the secondary drain. Failure to install a trap could result in condensation overflowing the drain pan resulting in substantial water damage to the nearby area. The connectors required are 3/4” NPT male, either PVC or metal pipe, CPVC piping is not approved, and should be hand tightened to a torque of no more than 37 in-lbs. to prevent damage to the drain pan connection. To prevent potential sweating and dripping on to finished space, it may be necessary to insulate the condensate drain line located inside the building. Use Armaflex® or similar material.
NOTE: If you intend to install this unit with a “WAD” door it must be mounted 1/4” behind front edge of stud.
Electrical Supply Wire and MOP
WARNING
HIGH VOLTAGE
TO AVOID THE RISK OF FIRE OR EQUIPMENT DAMAGE, USE ONLY COPPER CONDUCTORS. DISCONNECT ALL POWER BEFORE SERVICING OR INSTALLING THIS UNIT. MULTIPLE POWER SOURCES MAYBE PRESENT. THE ELECTRICAL POWER TO THIS UNIT MUST BE IN THE OFF POSITION AND ALL POWER SUPPLIES DISCONNECTED. FAILURE TO DO SO MAY CAUSE PROPERTY DAMAGE, PERSONAL INJURY OR DEATH.
WARNING
THE UNIT MUST HAVE AN UNINTERRUPTED, UNBROKEN ELECTRICAL GROUND TO MINIMIZE THE POSSIBILITY OF PERSONAL INJURY IF AN ELECTRICAL FAULT SHOULD OCCUR. THE ELECTRICAL GROUND CIRCUIT MAY CONSIST OF AN APPROPRIATELY SIZED ELECTRICAL WIRE CONNECT- ING THE GROUND LUG IN THE UNIT AND CONTROL BOX WIRE TO THE BUILDING’S ELECTRICAL SERVICE PANEL. OTHER METHODS OF GROUNDING ARE PERMITTED IF PERFORMED IN ACCORDANCE WITH THE “NATIONAL ELECTRIC CODE” (NEC)/”AMERICAN NATIONAL STANDARDS INSTITUTE” (ANSI)/”NATIONAL FIRE PROTECTION ASSOCIATION” (NFPA) 70 AND LOCAL/STATE CODES. IN CANADA, ELECTRICAL GROUNDING IS TO BE IN ACCORDANCE WITH THE CANADIAN ELECTRIC CODE CSA C22.1. FAILURE TO OBSERVE THIS WARNING CAN RESULT IN ELECTRICAL SHOCK THAT CAN CAUSE PERSONAL INJURY OR DEATH.
INSPECTION OF THE BUILDING ELECTRICAL SERVICE
This unit is designed for single-phase electrical supply. DO NOT OPERATE ON A THREE-PHASE POWER SUPPLY. Measure the power supply to the unit. The supply volt- age must be in agreement with the unit nameplate power requirements and within the range shown in Table 1.
| Nominal Input | Minimum Voltage | Maximum Voltage |
| 208/230 | 187 | 253 |
Table1
6.1 Wire Sizing
Wire size is important to the operation of your equipment. Use the following check list when selecting the appropriate wire size for your unit.
- Wire size must carry the Minimum Circuit Ampacity (MCA).
- Wire size allows for no more than a 2% voltage drop from the building breaker/fuse panel to the unit.
Refer to the latest edition of the National Electric Code or in Canada the Canadian Electric Code when determining the correct wire size. Table 2 shows the current carrying capabilities for copper conductors rated at 75° C with a 2% voltage drop. Use Table 2 to determine the per foot of various conductors.
| Maximum Allowable Length in Feet to Limit Voltage Drop to 2W | ||||||||
| Wire Size (AWG) | Minimum Circuit Ampacity (MCA) | |||||||
| 10 | 15 | 20 | 25 | 30 | 35 | 40 | 45 | |
| 14 | 75 | 50 | 37 | NR | NR | NR | NR | NR |
| 12 | 118 | 79 | 59 | 47 | NR | NR | NR | NR |
| 10 | 188 | 125 | 95 | 75 | 63 | 54 | NR | NR |
| 8 | 301 | 201 | 150 | 120 | 100 | 86 | 75 | 68 |
| 6 | 471 | 314 | 235 | 188 | 157 | 134 | 118 | 110 |
*Based on NEC 1996
Table 2
6.2 Maximum Overcurrent Protection (MOP)
Every installation must include an NEC (USA) or CEC (Canada) approved overcurrent protection device. Also, check with local or state codes for any special regional requirements. Protection can be in the form of fusing or HACR style circuit breakers. The Series and Rating Plate can be used as a guide for selecting the MAXIMUM overcurrent device.
NOTE: Fuses or circuit breakers are to be sized larger than the equipment MCA but not to exceed the MOP.
IMPORTANT NOTE: Torch heat required to braze tubes of various sizes is proportional to the size of the tube. Tubes of smaller size require less heat to bring the tube to brazing temperature before adding brazing alloy. Applying too much heat to any tube can melt the tube. Service personnel must use the appropriate heat level for the size of the tube being brazed.
NOTE: The use of a heat shield when brazing is recommended to avoid burning the serial plate or the finish on the unit. Heat trap or wet rags should be used to protect heat sensitive components such as service valves and TXV valves.
6.3 Electrical Connections – Supply Voltage USE COPPER CONDUCTORS ONLY.
A knockout is provided on the air handler top panel or side to allow for the entry of the supply voltage conductors. If the knockouts on the cabinet sides are used for electrical conduit, an adapter ring must be used in order to meet UL1995 safety requirements. An NEC or CEC approved strain relief is to be used at this entry point. The wire is to be sized in accordance with the “Electrical Wire and MOP” section of this manual. Some areas require the supply wire to be enclosed in conduit. Consult your local codes.
Achieving Less Air Leakage:
Ensure all the gaskets remain intact on surfaces as shipped with the unit. When these requirements are satisfied, the unit achieves the following airflow leakage when tested in accordance with ASHRAE Standard 193: – Cabinet air leakage less than 2% at 1.0 inch H2O – Cabinet air leakage less than 1.4% at 0.5 inch H2O
6.4 Fresh Air Openings
All AWST models include 4” fresh air knockouts on both sides of the cabinet. To utilize, simply remove the appropriate knockout and connect fresh air inlet venting directly to cabinet. Ensure the unit mounting system does not block the fresh air inlet holes.
NOTE: The installing contractor must take into account any lost capacity due to the the fresh air openings when sizing the equipment.
AWST-Factory Installed TXV Models
AWST air handlers come equipped with a factory installed fully adjustable TXV for air handler installation follow the below installation procedure.
7.1 Tubing Size
For the correct tubing size, follow the specification for the condenser/heat pump.
7.2 Tubing Connections
An adjustable TXV with bulb is installed on the vapor tube from the factory.
Note: The TXV must be adjustable to meet the outdoor unit’s target superheat value. During the superheat adjustment on the TXV, the torque applied on the nut cannot exceed 25 in-lbs. Refer to the EXPANSION VALVE TROUBLESHOOTING section of this manual for assistance with the adjustable TXV.
For air handler installation, follow the installation procedure below.
- Remove the front access panel.
- Remove access valve fitting cap and depress the valve system to release pressure. No pressure indicates possible leak.
- Replace the fitting cap.
- Remove the copper cap on both the liquid line and suction line. The copper caps caused by the refrigerant lines. DO NOT USE ANY FORM OF CUTTING METHOD. CUTTING THE CAPS MAY RESULT IN THE GENERATION OF COPPER SHAVINGS OR COPPER DUST.
- Insert liquid line into liquid tube expansion and slide grommet about 18” away from braze joint.
- Braze suction line set into suction tube expansion and slide insulation about 18” away from braze joint.
- Braze joints and quench all brazed joints with water or wet rag upon completion of brazing.
7.3 Thermal Expansion Valve System Adjustment
Run the system at Cooling for 15 minutes until refrigerant pressures stabilize. Use the following guidelines and methods to check unit operation and ensure the refrigerant charge is within limits. Charge the unit on low stage.
- Purge gauge lines. Connect service gauge manifold to base-valve service ports.
- Temporarily install a thermometer on the liquid line at the liquid line service valve and 4-6” from the compressor on the suction line. Ensure the thermometer makes adequate contact and is insulated for best possible readings. Use liquid line temperature to determine subcooling and vapor temperature to determine superheat.
- Check subcooling and superheat. System with TXV should have a subcooling of 7 to 9°F and superheat of 7 to 9°F.
a. If subcooling and superheat are low, adjust TXV to 7 to 9°F superheat, then check subcooling.
NOTE: To adjust superheat, turn the valve stem clockwise to increase and counterclockwise to decrease.
b. If subcooling is low and superheat is high, add charge to raise subcooling to 7 to 9°F then check superheat.
c. If subcooling and superheat are high, adjust TXV valve to 7 to 9°F superheat, then check subcooling.
WARNING
THIS PRODUCT IS FACTORY-SHIPPED WITH R410A AND DRY NITROGEN MIXTURE GAS UNDER PRESSURE. USE APPROPRIATE SERVICE TOOLS AND FOLLOW THESE INSTRUCTIONS TO PREVENT INJURY.
Maintenance
Periodic Checkup and Service
This unit is designed to provide many years of dependable, trouble-free comfort when properly maintained. Proper maintenance will consist of annual checkups and cleaning
of the internal electrical and heat transfer components by a qualified service technician. Failure to provide periodic checkup and cleaning can result in excessive operating cost and/or equipment malfunction.
Wiring Diagrams and Air Flow Data

| CABINET DIMENSIONS | ||||
| LARGE CHASSIS 2.5 & 3.0 TON | SMALL CHASSIS 1.0, 1.5, & 2.0 TON | |||
| A | 36 | 36 | ||
| B | 24 | 20 3/16 | ||
| C | 21 | 161/8 | ||
| D | 19 7/8 | 16 | ||
| E | 15 7/8 | 11 | ||
NOTE: SPECIFICATIONS & PERFORMANCE DATA LISTED HEREIN ARE SUBJECT TO CHANGE WITHOUT NOTICE
NOTE: THERMOSTAT HEAT ANTICIPATOR SETTING IS 0.2.
AWST 18,24,30,36

Note: Connect T2, T3, or T4 to the Y terminal to the outdoor unit. See Table below for correct CFM selection
Note: Tape the T5 brown wire
9.1 Low Voltage Connections
Several combinations of low voltage schemes are possible, depending on the presence of a heat kit and whether the heat kit is single-stage or multi-stage, whether the outdoor section is an air conditioner or heat pump, and whether the outdoor section is single-stage or two stage. The 24V-control voltage connects the air handle to the room thermostat and condenser. Low voltage wiring must be copper conductors. A minimum of 18AWG must be used for installations. Low voltage wiring must be connected through the top of the cabinet or either side. See the “Thermostat Wiring” section of this manual for typical low voltage wiring connections. Y R G W #18 Gauge 24 VAC C R G W Y Air Handler #18 Gauge 24 VAC
NOTE: Connect appropriate speed tap (Pink/Purple/Yellow) to Y. Refer to table below for speed tap selection. It is not recommended to use the 1 Ton application for AWST18 8kW heater models.
| TAP | COLOR |
| T1 | GREEN |
| T2 | PURPLE |
| T3 | PINK |
| T4 | YELLOW |
| T5 | WHITE |
BLOWER CHART FOR VERTICAL MOUNT AIR HANDLERS
| Model | Speed | CFM delivered against External Static Pressure | ||||
| 0.1″ | 0.2″ | 0.3″ | 0.4″ | 0.5″ | ||
| AWST18SU14** M | T1 | 630 | 602 | 576 | 550 | 521 |
| T2 | 630 | 602 | 576 | 550 | 521 | |
| T3 | 637 | 609 | 586 | 557 | 531 | |
| T4 | 630 | 602 | 576 | 550 | 521 | |
| T5 | 846 | 824 | 800 | 777 | 756 | |
| AWST24SU14″ AA | T1 | 630 | 602 | 576 | 550 | 521 |
| T2 | 630 | 602 | 576 | 550 | 521 | |
| T3 | 784 | 763 | 742 | 728 | 705 | |
| T4 | 630 | 602 | 576 | 550 | 521 | |
| T5 | 846 | 823 | 800 | 777 | 756 | |
| AWST3OLU14** AA | T1 | 683 | 604 | 525 | 460 | 369 |
| T2 | 900 | 856 | 803 | 734 | 681 | |
| T3 | 1079 | 1025 | 989 | 949 | 889 | |
| T4 | 944 | 897 | 848 | 783 | 733 | |
| T5 | 1168 | 1127 | 1083 | 1050 | 1005 | |
| AWST36LU14** AA | T1 | 1114 | 1072 | 1031 | 982 | 924 |
| T2 | 1114 | 1072 | 1031 | 982 | 924 | |
| T3 | 1225 | 1191 | 1152 | 1112 | 1071 | |
| T4 | 1287 | 1255 | 1219 | 1183 | 1146 | |
| T5 | 1360 | 1329 | 1299 | 1264 | 1230 | |
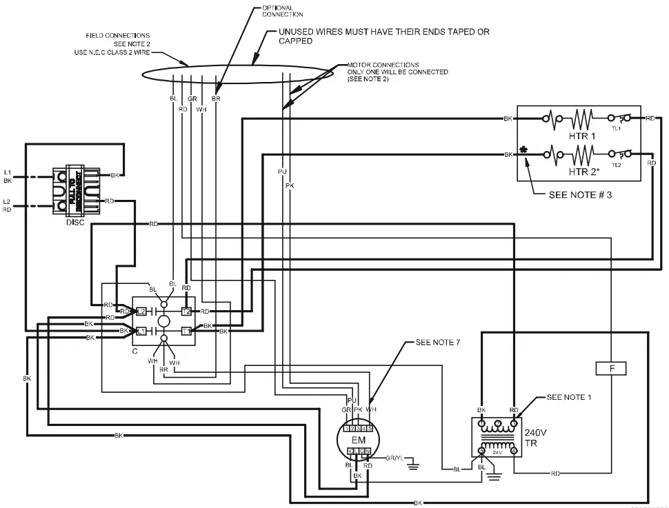
WIRING DIAGRAM
AWST18SU14**
WARNING![]()
HIGH VOLTAGE!
DISCONNECTALL POWER BEFORE SERVICING OR INSTALLING THIS UNIT. MULTIPLEPOWER SOURCES MAY BE PRESENT. FAILURE TO DO SOMAY CAUSE PROPERTY DAMAGE, PERSONAL INJURY OR DEATH.


Tabel -1
| WIRE COLOR | TONNAGE |
| PURPLE | 1.5T |
| PINK | 1.0T |
NOTES
- RED WIRE TO BE ON TRANSFORMER
TERMINAL’ FOR 230 VOLTS A ND ON
TERMINAL T FOR 208 VOLTS. - CONFIRM SPEED TAP SELECTED IS
APPROPRIATE FOR APPLICATION. IF SPEED
TAPS NEEDS TO BE CHANGED, CONNECT
APPROPRIATE WIRE FROM MOTOR TO
*V” FROM THERMOSTAT/CONDENSER (SEE TABLE-1). - ASTERISK (1 INDICATES THAT H EATING
ELEMENT, THERMAL LIMIT, RELAY AND
INTERCONNECTING WIRES AND JUMPERS
OF HEATER 82ARE DELETED WITH SINGLE
ELEMENT UNITS. - COLOR CODES
BK- BLACK
BL-BLUE
BR – BROWN
GR – GREEN
PU – PURPLE
RD-RED
WH – WHITE
YL – YELLOW
PK – PINK - WIRING CODE:
FACTORY WIRING:
HIGH VOLTAGE
LOW VOLTAGE
FIELD WIRING:
HIGH VOLTAGE - COMPONENT CODE:
C- CONTACTOR
DISC- DISCONNECT
SWITCH EM- EVAPORATER
MOTOR F- FUSE
HTR – HEATER ELEMENT
R- RELAY
SW- SEQUENCER
TL- THERMAL UNIT
TR – TRANSFORMER - FOR UNITS USING 3KW AND 5KW HEATERS,
WHITE WIRE WILL BE CONNECTED TO
TERMINAL 4.
Wiring is subject to change. Always refer to the wiring diagram on the unit for the most up-to-date wiring.
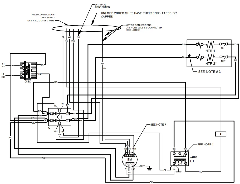
WIRING DIAGRAM
AWST24SU14**
WARNING ![]()
HIGH VOLTAGE!
DISCONNECTALL POWER BEFORE SERVICING OR INSTALLING THIS UNIT. MULTIPLEPOWER SOURCES MAY BE PRESENT. FAILURE TO DO SOMAY CAUSE PROPERTY DAMAGE, PERSONAL INJURY OR DEATH.


| WIRE COLOR | BTUh |
| PURPLE | 18000 |
| PINK | 24000 |
NOTES:
- RED WIRE TO BE ON TRANSFORMER TERMINAL “3” FOR 230 VOLTS AND ON” TERMINAL “2” FOR 208 VOLTS.
- CONFIRM SPEED TAP SELECTED IS APPROPRIATE FOR APPLICATION. I F SPEED TAPS NEEDS TO BE CHA NGED, CONNECT APPROPRIATE WIRE FROM MOTOR TO “Y” FROM THERMOSTAT/CONDENSER (SEE TABLE-1).
- ASTERISK (*) INDICATES THAT HEATING ELEMENT, THERMAL LIMIT, RELAY AND INTERCONNECTING WIRES AND JUMPERS OF HEATER #2 ARE DELETED WITH SINGLE ELEMENT UNITS.
- COLOR CODES:
BK – BLACK
BL – BLUE
BR – BROWN
GR – GREEN
PU – PURPLE RD-RED
WH – WHITE
YL – YELLOW
PK – PINK - WIRING CODE:
FACTORY WIRING:
HIGH VOLTAGE
LOW VOLTAGE
FIELD WIRING:
HIGH VOLTAGE - COMPONENT CODE:
C- CONTACTOR
DISC – DISCONNECT SWITCH
EM – EVAPORATER MOTOR
F – FUSE
HTR – HEATER ELEMENT
R – RELAY
SEQ – SEQUENCER
TL – THERMAL LIMIT
TR – TRANSFORMER - FOR UNITS USING 3KW AND 5KW HEATERS, WHITE WIRE WILL BE CONNECTED TO TERMINAL 4.
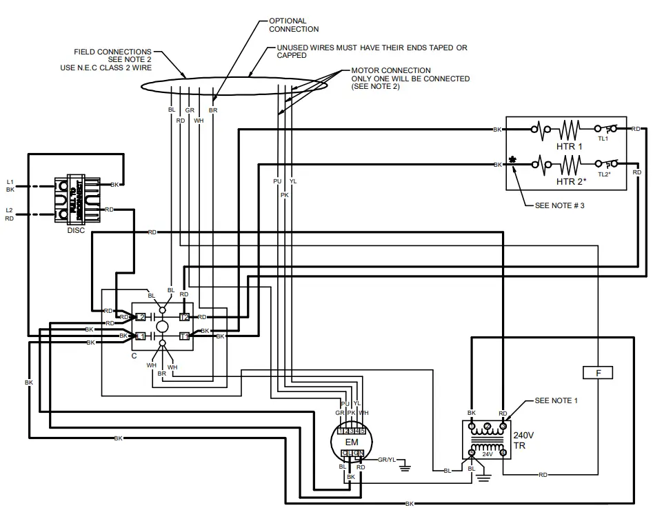
WIRING DIAGRAM
AWST30LU14**, AWST36LU14**
WARNING![]()
HIGH VOLTAGE!
DISCONNECTALL POWER BEFORE SERVICING OR INSTALLING THIS UNIT. MULTIPLEPOWER SOURCES MAY BE PRESENT. FAILURE TO DO SOMAY CAUSE PROPERTY DAMAGE, PERSONAL INJURY OR DEATH

| WIRE COLOR | BTUh | NOMINAL C FM |
| PURPLE | 18000 | 600 |
| PINK | 24000 | 800 |
| YE LLOW | 30000 | 950 |
NOTES:
- RED WIRE TO BE ON TRANSFORMER TERMINAL “3” FOR 230 VOLTS AND ON TERMINAL “2” FOR 208 VOLTS.
- CONFIRM SPEED TAP SELECT ED IS APPROPRIATE FOR APPLICATION. IF SPEED TAPS NEEDS TO BE CHA NGED, CONNECT APPROPRIATE WIRE FROM MOTOR TO “Y” FROM THERMOSTAT/CONDENSER (SEE TABLE-1).
- ASTERISK (*) INDICATES THAT HEATING ELEMENT, THERMAL LIMIT, RELAY AND INTERCONNECTING WIRES AND JUMPERS OF HEATER #2 ARE DELETED WITH SINGLE ELEMENT UNITS.
- COLOR CODES:
BK – BLACK BL – BLUE
BR – BROWN
GR – GRE EN
PU – PURPLE
RD-RED
WH – WHITE
YL – YELLOW - WIRING CODE:
FACTORY WIRING:
HIGH VOLTAGE LOW
VOLTAGE
FIELD WIRING:
HIGH VOLTAGE - COMPONENT CODE:
C – CONTACTOR
DISC – DISCONNECT SWITCH
EM – EVAPORATER MOTOR
F -FUSE
HTR – HEATER ELEMENT
R – RELAY
SEQ – SEQUENCER
TL – THERMAL LIMIT
TR – TRANSFORM ER
Expansion Valve Troubleshooting
Before replacing an expansion valve, check the following items:
- Bulb location: Must be tightly secured to the suction line upstream of the equalizer connection.
- Insulation: Bulb must be properly insulated.
- Equalizer: Must be connected to the 1/4” SAE connection on the suction line.
- Charge: Ensure the system is properly charged. There MUST be a minimum of 10°F Sub-Cooled liquid at the valve inlet.
If the system appears to be “starving” (low suction pressure but insufficient cooling):
- Check the Superheat (SH) at the evaporator outlet. If SH is between 5°F – 12°F, the TXV is controlling properly.
-Verify that there is proper airflow to the evaporator (fan is operating and filter is unrestricted). - If SH is above 12°F, the setting of the TXV may be too high.
– Adjust the SH by turning counter-clockwise to decrease SH.
– Wait 20 minutes for the system to balance and adjust again, as required.
– If adjusting the valve has no effect on the SH, the valve may be stuck because of dirt or debris or it may have lost the Power Element charge.
i. i. After properly reclaiming the refrigerant, remove the TXV and check for dirt and debris.
Clean, if possible, or replace the TXV and filter/drier.
If the system appears to be “flooding” (compressor frosting or moisture is condensing at the suction connection):
- Check the SH at the evaporator outlet. If SH is between 5°F – 12°F, the TXV is controlling properly.
- If SH is less than 5°F, the SH adjustment may be too low.
– Adjust the SH by turning the adjustment stem clock- wise to increase the SH.
– Wait 20 minutes for the system to balance and ad- just again as required.
– If adjusting the valve has no effect on the SH, the valve may be stuck open because of dirt or debris or moisture in the refrigerant.
i. After properly reclaiming the refrigerant, remove the TXV and check for dirt and debris. Clean, if possible, or replace the TXV and filter/drier. Add a moisture indicator to allow checking of moisture if this is believed to be a probable cause.
SPLIT SYSTEMS
AIR CONDITIONING AND HEAT PUMP HOMEOWNER’S ROUTINE MAINTENANCE RECOMMENDATIONS
We strongly recommend a biannual maintenance checkup be performed before the heating and cooling seasons begin by a qualified servicer.
Replace or Clean Filter
IMPORTANT NOTE: Never operate unit without a filter installed as dust and lint will build up on internal parts resulting in loss of efficiency,
equipment damage and possible fire.
An indoor air filter must be used with your comfort system. A properly maintained filter will keep the indoor coil of your comfort system clean.
A dirty coil could cause poor operation and/or severe equipment damage.
Your air filter or filters could be located in your furnace, in a blower unit, or in “filter grilles” in your ceiling or walls. The installer of your air conditioner or heat pump can tell you where your filter(s) are, and how to clean or replace them.
Check your filter(s) at least once a month. When they are dirty, replace or clean as required. Disposable type filters should be replaced.
Reusable type filters may be cleaned.
You may want to ask your dealer about high efficiency filters. High efficiency filters are available in both electronic and non-electronic types.
These filters can do a better job of catching small airborne particles.
Compressor
The compressor motor is hermetically sealed and does not require additional oiling.
Motors
Indoor and outdoor fan motors are permanently lubricated and do not require additional oiling.
WARNING
HIGH VOLTAGE
DISCONNECT ALL POWER BEFORE SERVICING OR INSTALLING THIS UNIT. MULTIPLE POWER SOURCES MAY BE PRESENT. FAILURE TO DO SO MAY CAUSE PROPERTY DAMAGE, PERSONAL INJURY OR DEATH.
Aluminum Indoor Coil Cleaning (Qualified Servicer Only)
This unit is equipped with an aluminum tube evaporator coil. The safest way to clean the evaporator coil is to simply flush the coil with water.
This cleaning practice remains as the recommended cleaning method for both copper tube and aluminum tube residential cooling coils.
An alternate cleaning method is to use one of the products listed in the technical publication TP-109 (shipped in the literature bag with the unit) to clean the coils. The cleaners listed are the only agents deemed safe and approved for use to clean round tube aluminum coils. TP-109 is available on the web site in Partner Link > Service Toolkit.
NOTE: Ensure coils are rinsed well after use of any chemical cleaners.
Clean Outside Coil (Qualified Servicer Only)
Air must be able to flow through the outdoor unit of your comfort system. Do not construct a fence near the unit or build a deck or patio over the unit without first discussing your plans with your dealer or other qualified servicer. Restricted airflow could lead to poor operation and/or severe equipment damage.
Likewise, it is important to keep the outdoor coil clean. Dirt, leaves, or debris could also restrict the airflow. If cleaning of the outdoor coil becomes necessary, hire a qualified servicer. Inexperienced people could easily puncture the tubing in the coil. Even a small hole in the tubing could eventually cause a large loss of refrigerant. Loss of refrigerant can cause poor operation and/or severe equipment damage.
Do not use a condensing unit cover to “protect” the outdoor unit during the winter, unless you first discuss it with your dealer. Any cover used must include “breathable” fabric to avoid moisture buildup.
BEFORE CALLING YOUR SERVICER
- Check the thermostat to confirm that it is properly set.
- Wait 15 minutes. Some devices in the outdoor unit or in programmable thermostats will prevent compressor operation for awhile, and then reset automatically. Also, some power companies will install devices which shut off air conditioners for several minutes on hot days. If you wait several minutes, the unit may begin operation on its own.
- Check the electrical panel for tripped circuit breakers or failed fuses. Reset the circuit breakers or replace fuses as necessary.
- Check the disconnect switch near the indoor furnace or blower to confirm that it is closed.
- Check for obstructions on the outdoor unit . Confirm that it has not been covered on the sides or the top. Remove any obstruction that can be safely removed. If the unit is covered with dirt or debris, call a qualified servicer to clean it.
- Check for blockage of the indoor air inlets and outlets. Confirm that they are open and have not been blocked by objects (rugs, curtains or furniture).
- Check the filter. If it is dirty, clean or replace it.
- Listen for any unusual noise(s), other than normal operating noise, that might be coming from the outdoor unit. If you hear unusual noise(s) coming from the unit, call a qualified servicer.
CAUTION
TO AVOID THE RISK OF EQUIPMENT DAMAGE OR FIRE, INSTALL THE SAME AMPERAGE BREAKER OR FUSE AS YOU ARE REPLACING. IF THE CIRCUIT BREAKER OR FUSE SHOULD OPEN AGAIN WITHIN THIRTY DAYS, CONTACT A QUALIFIED SERVICER TO CORRECT THE PROBLEM.
IF YOU REPEATEDLY RESET THE BREAKER OR REPLACE THE FUSE WITHOUT HAVING THE PROBLEM CORRECTED, YOU RUN THE RISK OF SEVERE EQUIPMENT DAMAGE.
START-UP CHECKLIST

CUSTOMER FEEDBACK
We are very interested in all product comments.
Please fill out the feedback form on one of the following links:
Daikin Products: (https://daikincomfort.com/contact-us)
Goodman® Brand Products: (http://www.goodmanmfg.com/about/contact-us).
Amana® Brand Products: (http://www.amana-hac.com/about-us/contact-us).
You can also scan the QR code on the right for the product brand you purchased to be directed to the feedback page.
![]() | ![]() | ![]() |
https://daikincomfort.com/contact-us | http://www.amana-hac.com/about-us/contact-us | https://www.goodmanmfg.com/about/contact-us |
PRODUCT REGISTRATION
Thank you for your recent purchase. Though not required to get the protection of the standard warranty, registering your product is a relatively short process, and entitles you to additional warranty protection, except that failure by California and Quebec residents to register their product does not diminish their warranty rights.
For Product Registration, please register as follows:
Daikin Products: (https://daikincomfort.com/owner-support/product-registration).
Goodman® Brand products: (https://www.goodmanmfg.com/product-registration).
Amana® Brand products: (http://www.amana-hac.com/product-registration).
You can also scan the QR code on the right for the product brand you purchased to be directed to the Product Registration page.
![]() | ![]() | ![]() |
| https://daikincomfort.com/contact-us | http://www.amana-hac.com/about-us/contact-us | https://www.goodmanmfg.com/about/contact-us |
NOTE: SPECIFICATIONS AND PERFORMANCE DATE LISTED HEREIN ARE SUBJECT TO CHANGE WITHOUT NOTICE.
Visit our website at www.daikincomfort.com, www.goodmanmfg.com or www.amana-hac.com for information on:
| • Products • Warranties • Customer Services | • Parts • Contractor Programs and Training • Financing Options |
Goodman Manufacturing Company, L.P.
19001 Kermier Rd., Waller, TX 77484
© 2022
is a registered trademark of Maytag Corporation or its related companies and is used under license. All rights reserved.
References
Quality, Durable Heating & Air Conditioning Systems From Amana
Contact Amana Heating & Air Conditioning
Mini-split AC systems, heat pumps, VRV multi-zone systems for residential and commercial HVAC | Daikin AC
Daikin Comfort - Perfecting The Air We Share
Air Conditioning and Heating Systems| HVAC | Goodman
Daikin Comfort - Perfecting The Air We Share
Daikin Comfort - Perfecting The Air We Share



















