TICA TRV015 Series Ventilator Heat Recovery Fresh Air Handling Unit

Applicable to:
- TRV015 Series
- TRV025 Series
- TRV035 Series
Product Overview
Features
- Fresh air function
This product is provided with two AC high static pressure forward centrifugal fans. One brings fresh oxygen-enriched air to the room, and the other one discharges stale air from the room. - Air purification function
This product adopts the high efficiency and low resistance filter of a world famous brand. - Energy recovery/energy saving
The fresh air and discharge functions are enabled at the same time when the equipment operates, and heat exchange is completed at the heat recovery device to reduce the energy consumption of air conditioning and save energy. - Ultra-silent operation
The optimized airflow passage and the adopted low noise fan implement extra-silent operation. - Low energy consumption
The selected centrifugal fan with low energy consumption is environmentally friendly and energy saving. - Ease of use and maintenance
The lower access port with a compact structure can be removed and installed easily and complies with the operation specification of market standard. The filter can be replaced conveniently and operated easily.
Use Conditions
- Outdoor air conditions
The temperature range is –10°C to 40°C and the relative humidity is 85% or lower. If the temperature is lower than –10°C, it is recommended to configure a pre-heating function section separately. - Indoor air conditions
The temperature range is 0°C to 40°C, and the relative humidity is 85% or lower. - Installation requirement
It is the same as the indoor environment (the indoor environment here is the environment in an air conditioned living room). This product cannot be used in a cold storage or other places where temperature fluctuates drastically, even if the above temperature range is satisfied.
Precautions/Safety
- Precautions
- TICA may improve and change the product without prior notice.
- TICA shall not be responsible for the damage accident that occurs because the equipment operates beyond the conditions defined in this manual.
- Do not use the product for other purposes such as cooling, drying, and heating.
- Safety
- Do not alter the product in any forms.
- Observe the maintenance instructions lest the device would be damaged or over-worn.
- Do not expose the device to the environment of atmospheric medium (e.g., rainwater and sunlight).
- Do not place anything on the product.
- Only professionals can complete the internal maintenance and cleaning work of the product.
- For any exception or failure occurring during the operation, contact the technical service center. Do not try to operate or repair device by yourself.
- During normal operation, make sure that nobody can touch the live parts of the machine and the operating unit.
- If the device drops or is hit violently, please contact our service center immediately.
- If the device fails to operate normally, or requires cleaning and maintenance, or is stopped for a short or long term, please turn off the general power switch.
Appearance Overview
Dimensions of the unit
Figure 1 Unit dimension diagram of ventilator (heat recovery fresh air handling unit)
| Name | A | B | C | D | E | F | G | H | J | K | M |
| TRV015 | 884 | 555 | 230 | 110 | 780 | 585 | 291 | 120 | 120 | 291 | 1022 |
| TRV025 | 884 | 555 | 230 | 150 | 780 | 585 | 291 | 120 | 120 | 291 | 1022 |
| TRV035 | 884 | 555 | 270 | 150 | 780 | 585 | 291 | 120 | 120 | 291 | 1022 |
Note: After technical improvements, the related data may be changed without prior notice.
Specifications
Table 1 Specifications of ventilator (heat recovery fresh air handling unit)
| Ventilator (heat recovery fresh air handling unit) | ||||||||
| Model | TRV015 | TRV025 | TRV035 | |||||
| Power supply | 220V~50Hz | 220V~50Hz | 220V~50Hz | |||||
| Protection grade against electric shock | Category I | Category I | Category I | |||||
| IP rating | IPX2 | IPX2 | IPX2 | |||||
| Item | Unit | Low | High | Low | High | Low | High | |
| ESP | Pa | 80 | 80 | 80 | 80 | 80 | 80 | |
| Air flow | m³/h | 100 | 150 | 160 | 250 | 180 | 350 | |
|
Heat recovery efficiency | Enthalpy efficiency of cooling |
% | 55 | 52 | 51 | |||
| Temperature efficiency of cooling | 67 | 63 | 62 | |||||
| Enthalpy efficiency of heating | 75 | 72 | 68 | |||||
| Temperature efficiency of heating | 85 | 82 | 80 | |||||
| Power | W | 105 | 148 | 276 | ||||
| PM2.5 primary purification efficiency | % | 95 | 95 | 95 | ||||
| Noise | dB (A) | 32 | 34 | 39 | ||||
| Net weight | kg | 24 | 24 | 27 | ||||
Controller
Basic model – double control switch
- Power-on/off
- OFF: Power off the unit
- ON: Power on the unit
- Fan speed regulation
- LOW: The unit operates at the low speed
- HIGH: The unit operates at the high speed
Upgraded version – LCD controller
- Power-on/off
- Press
to start the unit. - Press
again to shut down the unit.
- Press
- Fan speed regulation
- Press ▲ and ▼ to stop the fan or make the fan operate at the low speed or high speed.
- Work duration threshold setting for the filter
- Hold down
for 2s to set the work duration threshold for the filter. The position displaying the temperature and humidity originally will display the work duration threshold of the filter and blink. Press ▲ and ▼ to change the value (the value range is 0–9,900 hours). If there is no keystroke operation within 10s, the controller exits the setting and saves data. The filter starts timing when the fan starts. After the filter operating time exceeds the set time, the filter icon “
” blinks.
- Hold down
- Filter reset
- Press
. The position displaying the temperature and humidity originally will display the time that the filter has worked for, in hours. For example, the displayed nu “1023” indicates the filter has worked for 1,023 hours. Hold down for more than 5s to reset the work duration of the filter.
- Press
High configuration version – Intelligent controller
- Power-on/off
- Press
to start the unit. - Press
again to shut down the unit.
- Press
- Fan speed regulation
- Press ▲ and ▼ to stop the fan or make the fan operate at the low speed or high speed.
- Operating mode switching
- Press to switch the operating mode between three statuses cyclically according to the sequence of “Auto – Manual – Timer – Auto”. The operating status is switched each time the button is pressed.
- Auto mode
- In auto mode, the unit starts/stops the fan and regulates the fan speed based on the air quality (VOC, CO2, and PM2.5 concentration).
- When CO2 ≤ 500 ppm, PM2.5 ≤ 35 ug/m3, and VOC ≤ 0.3 ppm, the fan is regulated to run at the low speed.
- When CO2 > 1000 ppm, PM2.5 > 75 ug/m3, or VOC > 0.3 ppm, the fan is regulated to run at the high speed.
- The fan runs at a medium speed in other circumstances.
- Concentration setting for fan startup in auto mode: Hold down ▲ or ▼ for 2s in auto mode to set the VOC concentration. The position displaying the VOC concentration originally will display the set value and blink. Press ▲ and ▼ to change the value. Press to switch to CO2 concentration setting. The position displaying the CO2 and PM2.5 concentration originally will display the set value and blink. Press ▲ and ▼ to change the value. Press
again to switch to PM2.5 concentration setting. The position displaying the CO2 and PM2.5 concentration originally will display the set value and blink. Press ▲ and ▼ to change the value. If no keystroke operation is performed within 10s, the controller automatically saves the settings and returns to the normal operating sta
- Filter reset
- After startup, hold down
for 5s to set the work duration threshold for the filter. The position displaying the time originally will display the work duration threshold of the filter and blink. Press and to change the value (the value range is 0–2,900 hours). If no keystroke operation is performed within 10s, the controller automatically returns to the normal operating state and saves the settings. The blinking of the or
icon indicates that the filter needs to be replaced or cleaned. The default factory time is 2000 hours. - In timer mode, hold down ▲ for more than 2s. The position displaying the time originally will display the work that the filter has worked for, in hours. For example, the displayed number “1023” indicates that the filter has worked for 1,023 hours. Hold down for ▼ more than 5s in timer mode to reset the work duration of the filter.
- After startup, hold down
- Timed on/off and time adjustment
- Hold down
for 2s to set timer parameters. The local time correction screen is displayed first. Press
to switch among week, hour, and minute. The corresponding parameter will blink. Press ▲ and ▼ to change the values. - After the local time is corrected, press to set the hour for time segment 1 of Monday. Press
to switch among hour, minute, and fan speed and press and to change the values. After setting, press
to switch to the setting of time segment 2 for Monday. Repeat the operations above till 28 time segments are all set. If no operation is applied for more than 10s during setting, the controller will restore to the normal operating status and save the setting automatically.
- Hold down
Installation
General instructions
The user should entrust professional HVAC engineers with engineering design and engage an experienced company with construction qualifications to complete engineering construction. Design and construction should be implemented according to the relevant codes and regulations of the state. Otherwise, the unit may fail to work normally. For the after-sales service of this unit, TICA will charge a fee..
Installation position
- The following sites should be avoided for installation:
- Near high temperature or open fire: A fire or overheating may be caused;
- Where there is oil mist or oil gas, e.g., in a kitchen: A fire may be caused;
- Where there are poisonous gases or corrosive substances, e.g., machinery works and chemical plants;
- Places with excess moisture, e.g., a bathroom: electric leakage, electric shock or other problems may be caused;
- Near a machine with radio electromagnetic radiation;
- Where there is sulfide gas (e.g., a hot spring).
- Select an installation site according to the installation conditions and customer’s conditions:
- Install the product at a place with sufficient strength and stability (e.g., the cross beam, ceiling, and other places that can bear the machine weight); before using hanging bolts to install the machine, check whether the ceiling is strong enough to support the machine; if the strength is not enough, reinforce the ceiling before the installation;
- Do not install the machine by directly clinging to the ceiling or wall;
- Install the unit at a place where cleaning and maintenance operations are convenient;
- Do not cover or block the air inlet and outlet of the equipment so as to ensure the optimal circulation of air.
Note: Note to prevent gases from flowing back to the room
Preparations before installation
- Unpack the unit before installation, and check whether the unit appearance is in good condition and whether unit is not deformed. Check whether accessories are complete according to the packing list. For any problems found, contact the local distributor immediately.
- Prepare connection wires according to the electrical principle diagram, route the wires through sleeves, and bury them in the wall. The IEC60227 wire of No.53 or above must be selected for the power cord and the control board and switch connection line.
- After mounting holes are drilled on the ceiling, lead out the connection wires and keep the ceiling as horizontal as possible. Reinforce the ceiling to prevent vibration when necessary.
- Use M10 lifting bolts to fix the unit onto the ceiling. The distances between the four fixing points are shown in the following figure. Meanwhile, reserve enough space for checking electrical components and replacing the filter. When the unit is installed, the minimum interval with other appliances cannot be smaller than 10 cm.

Installation
- Follow instructions in this operation manual to install the product. Refer to the figure below.

- Install the fixing bolts (M10), route the metal suspension bracket through the fixing bolts, and use gaskets and nuts to fix the bracket. Ensure that the unit has no foam scraps, paper, or other objects inside before installation and check the inside through access holes before connecting the ducts. The figure below shows the installation method.

- Install the ducts.
- Use elbow as less as possible in the pipeline, and design the bending part of the elbow in an arc shape (90° right angle bending should be avoided). See Figure 5.

- Note to avoid excessive bending, multi-bending, reducing the duct diameter and bending near the outlet when connecting the duct; to avoid air leakage, wrap the joint of the duct flange and the duct with aluminum foil; keep the indoor air inlet as far as possible from the air outlet.
- Install the outside duct at a fixed angle of inclination to prevent rainwater from flowing back. To prevent condensation, cover heat insulating material for outside ventilation ducts (e.g., rubber and plastic insulation boards). If the humidity is too high in the ceiling, make sure that the inside ventilation ducts are insulated too. See Figure 6.

- If the user hopes to minimize the indoor noise, consider connecting a duct silencer in series in the duct. There are a great variety of silencers. Select one under instructions of a professional. The noise at the air outlet of the machine can be reduced by 4 to 6 dB when a proper silencer is installed.
- During installation, usually the duct is extended to the room, the air outlet is near and the return air inlet is far, or the air outlet is far and the return air inlet is near. The interval between the discharge air outlet and the fresh air outlet should be about 2 m, preventing stale indoor air from returning to the room. The minimum sizes of vents are provided below:
Model Vent Size TRV015 110 TRV025 150 TRV035 150
- Use elbow as less as possible in the pipeline, and design the bending part of the elbow in an arc shape (90° right angle bending should be avoided). See Figure 5.
Electrical Principle Diagram
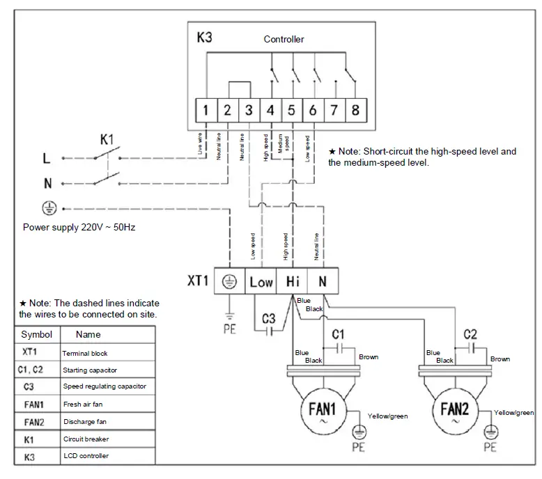
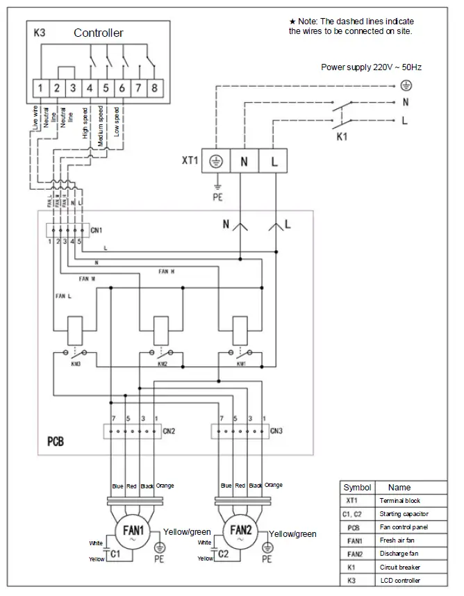
Electrical principle diagram of basic version (ON/OFF type)
TRV015ACA/TRV025ACA
TRV035ACA
Wiring diagram of the double control switch
Electrical principle diagram of upgraded version (LCD controller)
Note: Short the high speed gear and the medium speed gear during installation
TRV035ACB
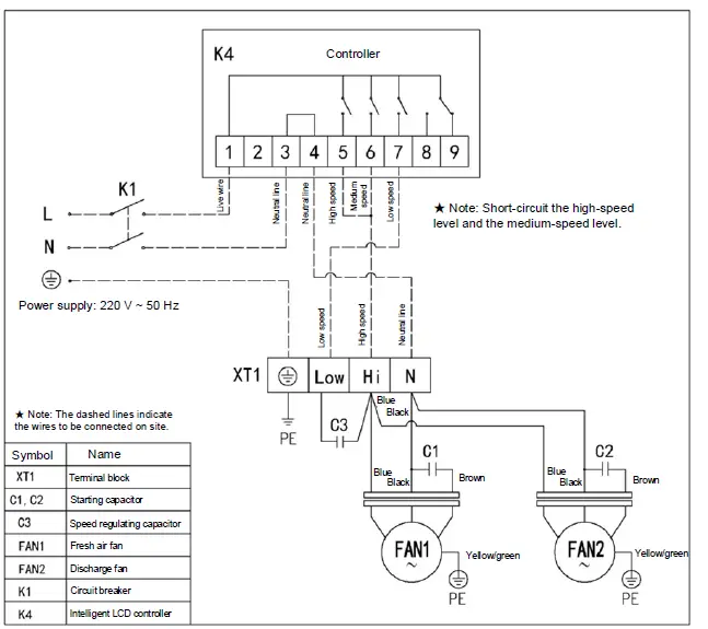
Electrical principle diagram of high configuration (intelligent controller)
TRV015ACC/TRV025ACC
Note: Short the high speed gear and the medium speed gear during installation.
TRV035ACC
Figure 13 Electrical principle diagram (intelligent controller)
Electrical Installation
Wire layout
- Install the wires according to the national standard;
- The power cord should be fixed reliably lest the connecting terminal would be stressed. Do not pull the power cord forcibly;
- The 1.5 mm2 wire harness is recommended for the power cord. If the power cord or connection wire is damaged, replace it using a special cable;
- Only professionals can complete all the electrical installation operations according to the local laws and regulations and this manual;
- Grounding should be reliable; be sure to ask a professional to connect the wires to a special grounding device for the building;
- Cut off the air switch and leakage switch of power supply for the entire system before installation;
- The air switch should have the magnetic release and thermal release functions at the same time to ensure protection in case of short circuit and overloading;
- Field wiring is subject to the electrical principle diagram attached to the unit body;
- If the power cord is damaged, to avoid dangers, make sure to ask the manufacturer, after-sales service department or a professional to replace it;
- Reserve a longer length of the ground wire when connecting the power cord, lest the connecting terminal would be stressed.
Grounding requirements
- Adopt reliable grounding measures. The yellow and green wire in the unit is the ground wire for motor. Do not use it for other purposes or cut it off. Do not use a self-tapping screw to fix the ground wire; otherwise an electric shock may be caused.
- The grounding resistance should meet the requirements of national standard GB17790.
- The user’s power supply must be grounded reliably. Do not connect the ground wire to the following positions
Running water pipe; 2. gas pipe; 3. sewage pipe; 4. other unreliable places in the point of professionals’ view.
Warning: Before installing and maintaining the system, cut off the power supply to prevent the motor from damaging people. Configure wires according to the requirements. Otherwise, the unit may fail and electric shock or fire may occur.
Special Notice
TICA will not bear any responsibility for the outcomes resulting from reconstructing the electric control system without prior permission.
Operation and Maintenance
Check the connection line after the installation work is completed, and make sure to perform trial operation.
Check before trial operation
Pipeline system check
Check whether the duct direction is correct, whether the equipment suspension is firm, and whether the hanging bracket is coated with antirust paint; check whether sundries or installation tools are left behind in and on the duct and equipment; check whether the air outlet is installed firmly.
Circuit system check
Check whether the diameters of the power cables meet requirements by referring to the electrical principle diagram in the installation and operation manual, whether the connection method is correct, whether contact points are firm, whether the power voltage is AC220V/50Hz, and whether the power voltage range is within 220V±10%.
Trial operation
Clean the installation site, and make sure that the room is free from dust after ventilation. Operate the machine according to the steps below
- When the power supply is connected, make sure that the machine starts operation after ventilation.
- When the switch button is set to the “Low” position/or the temperature controller or wired controller is set to the “Low” fan speed, the unit operates at the low speed; when the switch button is set to the “High” position/or the temperature controller or wired controller is set to the “High” fan speed, the unit operates at the high speed.
- When an exception occurs, switch to the “Off” position immediately, and confirm the connection line again.
- Power-off: Turn the power switch to the “OFF” position or press . The unit will stop working.
- Observe the air inlet/outlet status of each indoor/outdoor air port. If the air flow and direction of the indoor air port can be adjusted, adjust it to a proper status.
- Carefully check whether there is any abnormal noise in the ventilation system, and observe whether the screws at the joints of all parts get loose and whether the sealing effect of sealing strip is good.
- If no exception is found when the machine operates, it can be used normally. If other engineering work is not completed yet indoors, do not use the product for ventilation, lest indoor dust would block the air filter in the machine.
- If any exception is found, power off the unit and check all the parts again according to the table below:
Phenomena Possible Cause Solution The device cannot start
No power from the power supply or wrong connection of the power cord Check the power supply and power cord Broken communication line or wrong connection method Check the connection wire from the wired controller to the unit Air inlet of the outdoor air port is normal, but the air flow of the indoor air port is relatively small The indoor duct leaks Find the position where air leaks and seal it The filter is clogged Clean or replace the filter Abnormal sound is found at the air port The air port gets loose. Fasten the air port joint again
Maintaining the HRV core
- If the device is used for a long time, the device filter will be clogged with dirt, thus reducing the fresh air volume and generating noise.
- Regularly clean and replace the filter according to dirt and dust attached to it or the suggested replacement cycle so as to protect the HRV core; regularly clean and replace the HRV core according to dirt and dust attached to it. During maintenance, disconnect the circuit to ensure that the fresh air handling unit is disconnected from the power supply before removing the access panel.
- Removing and installing related parts falls into the scope of maintenance operations and must be completed by professionals
Cleaning and replacing the filter
The ventilator (heat recovery fresh air handling unit) contains one air filter. It is recommended to check it every one to two months, or determine the replacement cycle independently according to the power-on time or the decrease degree of air flow. Replace the filter every three to six months according to the air pollution (dust, smog, etc.) degree or grade.
After timing is accumulated to the set time, the LCD controller and intelligent controller prompt the user to replace the corresponding filter. After the filter is replaced, the timer can be cleared through the resetting button of the LCD to enter the timing cycle again.
Removing method and procedure
- Make sure that the power supply is disconnected before the air filter is replaced.
- Open the fastener of the access hole, open the access panel, and pull out the filter.

- Use your hand to support the HRV core after the filter is pulled out.
- Remove fixing screws, take down the metal hook, and pull out the core.

Notes:
- Use a vacuum cleaner to suck dust and dirt from the surface; do not wash it with water
- Install the core, filter and access panel in the original positions in sequence, make sure that the HRV core is fixed on the unit reliably, and tighten the screws
- In case of any exception, contact the local distributor.
Vulnerable parts
| No. | Item No. | Name | Used Qty for Single Unit | Remarks |
| 1 | B6060B4W | Coarse efficiency filter | 2 | TRV015/TRV025 |
| 2 | B6060B4X | Medium efficiency filter | 1 | TRV015/TRV025 |
| 3 | B6060B4Y | High efficiency filter | 1 | TRV015/TRV025 |
| 4 | J30185000000 | HRV core | 1 | TRV015/TRV025 |
| 5 | B6060B4Z | Coarse efficiency filter | 2 | TRV035 |
| 6 | B6060B51 | High efficiency filter | 1 | TRV035 |
Table 2 List of TRV015ACA/TRV025ACA/TRV035ACA vulnerable parts
| 7 | J30186000000 | HRV core | 1 | TRV035 |
| 8 | B5080088 | Double control switch | 1 |
Table 3 List of TRV015ACB/TRV025ACB/TRV035ACA vulnerable parts
| No. | Item No. | Name | Used Qty for Single Unit | Remarks |
| 8 | B5270086 | LCD controller | 1 |
Note: Continued Table 2.
Table 4 List of TRV015ACC/TRV025ACC/TRV035ACA vulnerable parts
| No. | Item No. | Name | Used Qty for Single Unit | Remarks |
| 8 | B5171676 | Intelligent controller | 1 |
Note: Continued Table 2.
Follow the WeChat Official Account of TICA
Nanjing TICA Climate Solutions Co., Ltd.
Address: No. 6, Hengye Road, Nanjing Economic and Technological Development Zone, Nanjing, Jiangsu, China
Tel: 86-25-85326977
http://www.ticachina.com
E-mail: [email protected]
Zip code: 210046
Service hotline in China: 4008-601-601
Note: Due to constant improvement and innovation of TICA’s products, the product models, specifications and parameters contained in this document are subject to change without prior notice.


























