accurasee mechanical
MADE IN CANADA
PORTABLE HEAT RECOVERY UNITS
MINI Heat Recovery Ventilator
CLIMATE Heat Recovery Fans
User Manual
We aim to provide our customers with exceptional niche products that are superior to alternative options.
Our products are handcrafted and built with respectful cognizance of sustainability and quality.
Please, kindly contact us if there are any issues or errors in the User Manual.
© AccuraSEE| 2023 – version 9
[email protected]
Introduction
The User Manual presents concise information for correct installation and operation of the products. Except otherwise stated, MINI and CLIMATE are called “product” and “products”. Failure to strictly follow the instructions in the User Manual nullifies the Terms and Agreements of the manufacturer.
ICON KEY
Warning
Note
Caveat
Product Description
MINI is a single room heat recovery ventilator which performs three functions. First, it supplies fresh air to a space (ventilation). Secondly, the fresh air is purified with filters while pollutants are expelled from the space (purification). Thirdly, the supplied fresh air is passively heated or cooled depending on the outdoor conditions (comfort).
CLIMATE is primarily an exhaust fan that is equipped with a supplementary supply fan for heat recovery and can continuously ventilate single rooms, apartments, tiny houses, and small houses. The portable heat recovery products are visually depicted in Figure 1.
NOTE ![]()
The direction of the supply and exhaust air streams are reversed for CLIMATE as compared to MINI.
NOTE ![]()
The product shall be used in only indoor spaces.

a) External side view.
- Supply vent for MINI
Exhaust vent for CLIMATE - Exhaust vent for MINI
Supply vent for CLIMATE

(b) Internal top view.
- Heat exchanger
- Supply fan for MINI
Exhaust fan for CLIMATE - Power switch
- Power connector
- Exhaust fan for MINI
Supply fan for CLIMATE - Exhaust vent for MINI
Supply vent for CLIMATE (internal) - Fan controllers
Figure 1. The (a) external side and (b) internal top views of the portable heat recovery units. The approximate external dimensions of the enclosure of the product are ~15.7 in × ~11.8 in × ~6.3 in (~39.9 cm × 29.9 cm × ~16.0 cm). The actual product that is received by the customer may slightly differ from the images in Figure 1. Some products may carry only one or no fan controller. Note. Figure 1 is not drawn to scale.
Warning
Please, observe these warnings:
NOTE ![]()
For off-grid applications, a 5.5 mm male plug connector can be used to directly power MINI from a source that supplies constant 12V DC. CLIMATE can be powered by a source that supplies constant 5V DC.
- Failure to comply with the warnings may result in fire, property damage, electric shock, injury, or death.
- To prevent suffocation, electric shock, injury, or death, the customer is responsible to ensure that children shall NOT access the product.
- The product shall not be modified, disassembled, or serviced.
- The product shall be shut down if the outdoor air temperature exceeds 50ºC (122ºF).
NOTE ![]()
The product shall be installed in spaces with Class 1 and 2 air sources as defined in ANSI/ASHRAE Standard 62.1 – 2019.
- The supply and exhaust vents shall NOT be blocked if the product is powered.
- The product comes with pre-installed supply and exhaust ducts and their orifices shall NOT be blocked if the product is powered.
NOTE ![]()
The product operates at Normal (default) and Boost modes.
- The enclosure shall not be opened if the product is powered.
NOTE ![]()
The Boost mode shall not be used to permanently operate MINI. However, CLIMATE can be permanently operated at the Boost mode.
- MINI operates by using 12V DC and shall NOT be directly connected to the wall power or mains electricity. It is strongly recommended to use an AC-to-DC power adapter that is rated for 12V DC power supply and can handle at least 3A. An adapter that is rated for 5V DC and at least 2A is recommended for CLIMATE.
- As soon as possible, the power adapter cord shall be safely disconnected from the wall power if liquid spills on or around the product.
NOTE ![]()
For effective ventilation, it is strongly recommended to run MINI at the Boost mode when a space is vacant and switch back to the Normal mode upon being occupied.
- The power adapter shall only be connected to an electrical receptacle that is permanently installed in a space.
- The electrical parts of the product (i.e., power switch, power connector, fan controller(s) – if applicable, and fans) shall not be handled.
- The cables in the product shall not be disconnected, changed, or modified.
NOTE ![]()
For CLIMATE, the Boost mode is recommended for relatively large indoor spaces.
- To maintain the calibration of the product, the potentiometer of the fan controller shall not be adjusted.
Installation
Please, adhere to the following instructions when installing the product:
NOTE ![]()
The product shall not be installed where there is probable contact with liquids and/or mists.
- The product shall not be installed near hazardous or toxic materials.
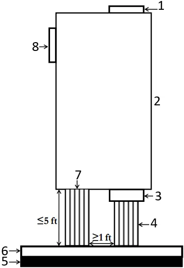
- The product shall only be installed in horizontal and vertical orientations as shown in Figure 2(a) and (b), respectively, and shall not be positioned at an oblique angle.
NOTE ![]()
The product shall be carefully positioned such that it may not trip and cause property damage or bodily injury.
- The product can be sited on a table / floor or mounted on a wall / ceiling.
- MINI shall be installed in a space where the indoor air temperature is within the range of 15ºC – 27ºC (59.0ºF – 80.6ºF). CLIMATE can be installed in spaces that are 15ºC – 23ºC (59.0ºF – 73.4ºF) in the winter and can accommodate up to 27ºC (80.6ºF) in the summer. The ideal indoor relative humidity for the product is from 35% to 50% and shall not exceed 65% at non-condensing conditions.
NOTE ![]()
The product shall not be installed at a location where there is excessive heat or exposure to direct sunlight.
- The pre-installed supply and exhaust ducts shall be insulated.
NOTE ![]()
Accessories such as screens, boards, duct insulation, AC-to-DC power adapters, self tapping screws, and wall-mounting brackets are third-party goods which may not be provided by the manufacturer.
- The vents and ducts shall NOT be connected to external appliances such as dryers, fans, furnaces, etc.
- The product shall not be powered until the ducts are installed.
- Window/Door: A pair of boards with each having one hole or a single board with two holes shall be fastened to a section of a window/door, and the ducts shall be inserted into the holes.
NOTE ![]()
The product may be mounted on a wall by using four wall mounting brackets and four M5 × 10mm self tapping screws.
- Wall/Ceiling: The ducts shall be inserted into two holes that are drilled through the wall or ceiling that can support the weight.
- To power the product, connect the plug of the power adapter to the wall power. Next, connect the free end of the power adapter to the power connector port and the product will operate in the Normal mode. The Boost mode can be activated by pressing the power switch until it latches.
NOTE ![]()
The board(s)/wall holes shall be ≥3 in (~7.6 cm).
NOTE ![]()
The Boost mode can be transitioned to Normal by simply unlatching the power switch.
- To shut down the product, disconnect the power adapter cord from the power connector port, and then disconnect the plug of the power adapter from the wall power.

a) Horizontal orientation.
1. Window/Door/Wall/Ceiling
2. Board(s) (for windows/doors)
3. Exhaust duct (MINI) Supply duct (CLIMATE)
4. Supply vent (MINI) Exhaust vent (CLIMATE)
5. Exhaust vent (MINI) Supply vent (CLIMATE)
6. PRODUCT

(b) Vertical orientation
1. Supply vent (MINI) Exhaust vent (CLIMATE)
2. PRODUCT
3. Supply duct port (MINI) Exhaust duct port (CLIMATE)
4. Supply duct (MINI) Exhaust duct (CLIMATE)
5. Window/Door/Wall/Ceiling
6. Board(s) (for windows/doors)
7. Exhaust duct (MINI) Supply duct (CLIMATE)
8. Exhaust vent (MINI) Supply vent (CLIMATE)
Figure 2. Schematic depiction of the installation of the product in (a) horizontal (side view) and (b) vertical (front view) orientations.
Although the supply duct is not visible in Figure 2(a), it may be connected to the board(s) to interface with the outdoors.
Note. Figure 2 is not drawn to scale.
RECOMMENDATIONS
NOTE ![]()
Please comply with all applicable codes and regulations when installing the product.
- Screens may be attached to the orifices of the board(s), ducts, or wall to prevent encroaching organisms from damaging the product or constituting hazard to the space where the product is installed.
- There should be a minimum distance of 1 ft between the supply and exhaust ducts.
- The ducts should be installed without any bends that may impede the flow of air.
- If possible, CLIMATE may be installed in a space where additional makeup supply air, through various means but not limited to passive inlet vents or other natural and mechanical ventilation options, is available. Its recommended minimum operating temperature is -5ºC (23ºF).
Maintenance
The product is intended to operate with minimal maintenance. However, a few activities may be performed during the course of using the product.
The product shall be shut down before ANY maintenance activity is performed.
Filter
It is recommended to change the filters at least once in three months depending on the outdoor air quality. The procedure for changing the filters is presented accordingly:
NOTE ![]()
Filters shall not be used in the exhaust vent of CLIMATE.
- START: Gently unlock the latches of the enclosure and open its lid.
MINI (supply vent)
- Hold the enclosure firmly with one hand and carefully pull out the vent with the other hand.
- Replace the old filter in the port of the vent with a new filter (MERV4 or PM2.5) that can fit into a circular shape with a diameter of 3 in (~7.6 cm).
- Carefully re-attach the vent to the product.
MINI (exhaust vent) or CLIMATE (supply vent)
- The filter(s) are accessible in the vent and the vent itself does not need to be removed. If applicable, a clamp, filter guard, or elastic band (not shown in Figure 1) may first need to be removed from the vent before accessing the filter(s).
- Replace the exact number of MERV4 filter(s) that came with the product.
- Carefully use the clamp, filter guard, or elastic band to re-attach the vent to the product.
- FINISH: Carefully close the lid of the enclosure and lock the latches.
Duct
A damaged duct can be replaced by using a similar duct with a diameter of 3 in (~7.6 cm). The following steps can be followed when changing a duct:
NOTE ![]()
The length of a newly installed duct shall not exceed 5 ft (~12.7 cm).
- Loosen the nuts of the clamp of the damaged duct.
- Remove the damaged duct and attach a new duct.
- Tighten the nuts of the clamp
NOTE ![]()
Do not apply excessive force when tightening the clamp.
Heat Exchanger
The heat exchanger may be cleaned annually by implementing these steps:
NOTE ![]()
The heat exchanger of the product shall not be washed.
- START: Detach the ducts from the installation orifices.
MINI (supply vent) or CLIMATE (exhaust vent)
- Remove the vent as explained in an aforementioned step.
- Insert the hose of a powered vacuum cleaner into the port of the vent by up to 3 in (~7.6 cm) to extract accumulated dirt, if any.
- Remove the hose of the vacuum cleaner from the port of the vent.
- Re-attach the vent to the product.
MINI (exhaust duct) or CLIMATE (supply duct)
- Carefully insert the vacuum cleaner hose by up to 2 ft (~60.9 cm) into the duct to extract accumulated dirt, if any. Ensure that the duct is not damaged in the process of inserting the hose.
- Remove the hose of the vacuum cleaner from the duct.
- FINISH: Re-attach the ducts to the installation orifices.
Electrical Parts
An electrical part shall only be replaced if it is faulty. In this situation, the product shall be shut down and a qualified service technician may be consulted.
Caveat
The electrical parts of the product are deemed to be certified to ensure customer safety. Notably, the product operates on the load side of a Class 2 power source in accordance with Canada Electric Code Rule 16–222 and US National Electric Code Class 2 Article 725–41. The product may also be subject to the exemption(s) outlined in the US Federal Communications Commission Section 15.103(d). Consequently, the manufacturer is not liable if additional approval is required by the Authority Having Jurisdiction where the product is purchased and/or installed.
Terms and Agreements
The product is protected by intellectual property and shall not be reverse-engineered, imitated, and copied except under an approved licensing agreement with the manufacturer.
Return Policy
- Please, check the return policies of the online merchant(s) and store owner(s) from whom the product was purchased.
Disclaimer
NOTE ![]()
The manufacturer provides a limited warranty for the product that is subject to a Disclaimer.
- The limited warranty does not apply to defects that are caused by normal wear and tear, normal corrosion, and normal failure that ensue from the operation of electrical or mechanical devices.
- The limited warranty does not extend to products that have been subject to misuse, neglect, abuse, alteration, testing, improper installation, improper storage, improper maintenance, improper handling during shipping, unauthorized attempts to repair, accident, fire, lightning or other hazard, and damage by current, temperature, physical stress, and deviation from the environmental specifications of a conditioned space that is stated in the User Manual.
- The limited warranty does not extend to products that have been modified, disassembled, serviced, or reassembled by a third party.
- The limited warranty is exclusive and in lieu of all other warranties, expressed or implied, including, without limitation, any warranty of merchantability or fitness for a specific purpose. Without limiting the generality of the foregoing, the manufacturer disclaims any other claim against the manufacturer (whether arising by operation of law or otherwise), including any claim or liability for special, indirect or consequential damages of any kind relating to or arising out of the product or any part thereof.
- The manufacturer’s obligation is limited to only one warranty option, at the discretion of the manufacturer, of any product determined to be defective in workmanship or material during the applicable warranty period. The applicable warranty option is based on the warranty that is specified for the product or its variant subject to the fact that:
o The original serial number of the product shall be present, intact, and undamaged;
o The warranty is non-transferrable to another person, entity, or organization;
o Shipping, handling, and other applicable processing fees are not covered;
o Labour will be charged if there is no fault in the product. - The basic limited warranty:
o Covers the heat exchanger for a maximum period of one year from the date of purchase by the customer;
o Covers the electrical parts for a maximum period of one year from the date of purchase by the customer;
o Covers only the parts. - The extended limited warranty:
o Covers the heat exchanger for a maximum period of five years from the date of purchase by the customer;
o Covers the electrical parts for a maximum period of one year from the date of purchase by the customer;
o Covers the parts and labour. - None of the warranty options cover the enclosure of the product. Additionally, all accessories and goods and services that may or may not be sourced from third-party suppliers are not covered. All items that are sold or delivered to the customer on an “as is” basis are also not covered.
- The manufacturer neither assumes nor authorizes any person to assume for it any other liability in connection with the manufacture, sale, shipping, delivery, installation, and operation of the product or any part thereof except as aforesaid.
Warning
















