BLAUBERG KOMFORT EC D5B 180 Heat Recovery Air Handling Unit
SAFETY REQUIREMENTS
All user’s manual requirements as well as the provisions of all the applicable local and national construction, electrical, and technical norms and standards must be observed when installing and operating the unit.
Disconnect the unit from the power supply prior to any connection, servicing, maintenance, and repair operations.
Only qualified electricians with a work permit for electrical units up to 1000 V are allowed for installation. The present user’s manual should be carefully read before beginning works.
Check the unit for any visible damage of the impeller, the casing, and the grille before starting installation. The casing internals must be free of any foreign objects that can damage the impeller blades.
While mounting the unit, avoid compression of the casing! Deformation of the casing may result in motor jam and excessive noise.
Misuse of the unit and any unauthorized modifications are not allowed.
Do not expose the device to adverse atmospheric agents (rain, sun, etc.).
Transported air must not contain any dust or other solid impurities, sticky substances, or fibrous materials.
Do not use the unit in a hazardous or explosive environment containing spirits, gasoline, insecticides, etc.
Do not close or block the intake or extract vents in order to ensure the efficient air flow.
Do not sit on the unit and do not put objects on it.
The information in this user’s manual was correct at the time of the document’s preparation. The Company reserves the right to modify the technical characteristics, design, or configuration of its products at any time in order to incorporate the latest technological developments. Never touch the unit with wet or damp hands.
Never touch the unit when barefoot.
This appliance is not intended for use by persons (including children) with reduced physical, sensory or mental capabilities, or lack of experience and knowledge, unless they have been given supervision or instruction concerning use of the appliance by a person responsible for their safety.
Children should be supervised to ensure that they do not play with the appliance.
The connection to the supply mains must be made through a means of disconnection, which is incorporated in the fixed wiring in accordance with the wiring rules, and has a contact separation in all poles that allows for full disconnection under overvoltage category III conditions.
Ensure that the appliance is switched off from the supply mains before removing the guard.
Precautions must be taken to avoid the back-flow of gases into the room from the open flue of gas or other fuel-burning appliances.
THE PRODUCT MUST BE DISPOSED SEPARATELY AT THE END OF ITS SERVICE LIFE. DO NOT DISPOSE THE UNIT AS UNSORTED DOMESTIC WASTE.
PURPOSE
The unit is designed to ensure continuous mechanical air exchange in houses, offices, hotels, cafes, conference halls, and other utility and public spaces as well as to recover the heat energy contained in the air extracted from the premises to warm up the filtered stream of intake air.
The unit is not intended for organizing ventilation in swimming pools, saunas, greenhouses, summer gardens, and other spaces with high humidity.
Due to the ability to save heating energy by means of energy recovery, the unit is an important element of energy-efficient premises. The unit is a component part and is not designed for stand-alone operation. It is rated for continuous operation.
Transported air must not contain any flammable or explosive mixtures, evaporation of chemicals, sticky substances, fibrous materials, coarse dust, soot and oil particles or environments favorable for the formation of hazardous substances (toxic substances, dust, pathogenic germs).
DELIVERY SET
| NAME | NUMBER |
| Air handling unit | 1 pc. |
| User’s manual | 1 pc. |
| Control panel user’s manual* | 1 pc. |
| Control panel * | 1 pc. |
| Installation kit | 1 pc. |
| Packing box | 1 pc. |
*Control panel is not included in the delivery set of the units equipped with an S21 controller.
DESIGNATION KEY

TECHNICAL DATA
The unit is designed for indoor application with the ambient temperature ranging from +1 °C up to +40 °C and relative humidity up to 60 % without condensation. In cold, damp rooms, there is a possibility of freezing or condensation inside and outside the casing.
In order to prevent condensation on the internal walls of the unit, it is necessary that the surface temperature of the casing is 2-3 °C above the dew point temperature of the transported air.
The unit should be operated continuously, and in cases where ventilation is not necessary, reduce the air flow of the fans to a minimum (20%). This will ensure a favorable indoor climate and reduce the amount of condensation inside the unit, which can damage electronic components. Never use the unit for dehumidification, for example, of new buildings.
The unit is rated as a Class I electrical appliance.
Hazardous parts access and water ingress protection rating:
IP22 for the unit connected to the air ducts
IP44 for the unit motors
The unit design is constantly being improved, thus some models may be slightly different from those described in this manual.
| MODEL | KOMFORT EC D5(B)180 | KOMFORT EC D5(B)180-E* | KOMFORT D5 180 | KOMFORT D5 180-E* |
| Voltage [V/50 (60) Hz] | 1~230 | |||
| Maximum fan power [W] | 87 | 117 | ||
| Maximum unit current without a heater [A] | 0.71 | 0.54 | ||
| Maximum air flow [m3/h] | 220 | |||
| Sound pressure level at 3 m distance [dBA] | 33 | 35 | ||
| Transported air temperature [°C] | from -25 up to +40 | |||
| Casing material | EPP | |||
| Insulation | EPP (30-15 mm) | |||
| Filtering class of the extract filter | G4 | |||
| Filtering class of the supply filter | G4, F7 | G4 (F7 – optional) | ||
| Weight [kg] | 14 | |||
| Heat recovery efficiency [%] | 86-98 | 79-94 | 86-98 | 79-94 |
| Heat exchanger type | counter-flow | |||
| Heat exchanger material | polystyrene | enthalpy | polystyrene | enthalpy |

| MODEL | DIMENSIONS [MM] | ||||||||
| Ø D | A | A1 | B | B1 | B2 | H | H1 | H2 | |
| KOMFORT (EC) D5(B)180(-E) | 150 | 1009 | 900 | 600 | 326 | 163 | 264 | 250 |
|
DESIGN AND OPERATING LOGIC
The unit has the following operating logic: warm stale extract air from the room flows into the unit, where it is filtered by the extract filter, then air flows through the heat exchanger and is exhausted outside by the extract fan. Cold fresh air from the outside flows into the unit, where it is cleaned by the supply filter.
Then the air flows through the heat exchanger and is directed to the room with the supply fan. Heat energy of warm extract air is transferred to clean intake fresh air from the outside and warms it up. The air flows are fully separated while flowing through the heat exchanger. Heat recovery minimizes heat losses, which reduces the cost of space heating in the cold season.
1 — supply fan, 2 — extract filter G4, 3 — heat exchanger, 4 — control unit, 5 —extract fan, 6 — bypass damper (for KOMFORT EC D5B180-E models), 7 — supply filter F7, 8 — supply filter G4, 9 — Setup Mode button (for KOMFORT (EC) D5(B)180-E S21 models), 10 — duct preheater connector (for KOMFORT (EC) D5(B)180-E S21 models), 11 — duct reheater connector (for KOMFORT (EC) D5(B)180-E S21 models), 12 — cable glands.
The service side of the unit is equipped with detachable plates fixed by screws for filter cleaning and replacement operations. The control unit is positioned inside the unit casing. The power cable and grounding cable are connected to the control unit via the electric lead-ins placed at the side of the unit. The difference between the supply and extract air flow temperature leads to condensate generation. Condensate is collected in the drain pan and is removed outside through the drain pipes.
Additional equipment for the unit is purchased separately as an accessory (is not included in the delivery set, available separately):
- Humidity sensor (FS2 is connected to the terminal block, HR-S is connected to the controller).
The unit with an installed humidity sensor maintains a set indoor humidity point. As the extract air humidity rises above the set point, the system automatically switches to the maximum speed. As the humidity drops down below the set point the unit returns to the previous mode. - CO2 sensor (is connected to the controller).
The sensor is designed for indoor carbon dioxide concentration measurement and respective air capacity regulation through the control output signal to the fan. Air capacity control based on CO2 concentration is an efficient energy saving solution. - VOC sensor (is connected to the controller).
Qualitative assessment of air saturation with contaminants (cigarette smoke, exhaled air, solvent and detergent vapours). The sensor sensitivity can be adjusted with regards to the expected maximum level of air pollution. Enables on-demand ventilation which results in considerable energy savings as air is exchanged only upon reaching the preset level of pollution. - Duct preheater.
The heater maintains air temperature in the supply duct at level that prevents the heat exchanger from freezing. Heater installation and connection to the unit are described in the heater user’s manual. - Duct reheater.
The heater maintains the user-defined room air temperature. Heater installation and connection to the unit are described in the heater user’s manual.
UNIT OPERATION MODES
Heat recovery
Warm extract air from the room flows into the unit and is cleaned in the extract filter. Then the air is moved through the heat exchanger and is exhausted outside with the extract fan. Cold fresh air from outside flows into the unit, where it is cleaned in the supply filter. Then the air flows through the heat exchanger and is directed to the room with the supply fan. Supply air is heated in the heat exchanger by transferring the heat energy of warm and humid extract air to the cold fresh air. The air flows are fully separated while flowing through the heat exchanger. Heat recovery minimizes heat losses, which reduces the cost of space heating in the cold season.
Summer Cooling mode (for the units with bypass only)
The bypass damper is opened, the extract air that is removed from the premises is routed along the bypass duct and does not come in contact with the heat exchanger. The temperature of the air is not changed after passing through the heat exchanger.

Freeze protection (danger of freezing appears when the exhaust air temperature downstream of the heat exchanger is lower than +5 °C and intake air temperature upstream of the heat exchanger is lower than -3 °C for the units with preheating, and when exhaust temperature downstream of the heat exchanger is lower than +3 °C for the units without preheating): to protect the heat exchanger from freezing in the cold season, the unit has a Frost Protection mode based on the temperature sensor readings. The temperature sensor is installed in the exhaust air duct downstream of the heat exchanger. The Frost Protection mode is activated at an exhaust air temperature of +3 ˚C. After temperature increase the unit returns to the previous operation mode.
In the KOMFORT (EC) D5(B)180-E S11 units the frost protection mode must be activated, see the User’s manual of the control panel.
In case of freezing danger, the supply fan is turned off in the KOMFORT (EC) D5(B)180-E S14 units. After temperature increase the unit returns to the previous operation mode.
The KOMFORT (EC) D5(B)180-E S21 units have three frost protection modes:
- gradual reduction of the supply fan speed
- with the bypass
- with the electric preheater (if the unit is equipped with a duct preheater). Mode selection and settings are described in the control system user’s manual.
MOUNTING AND SET-UP
READ THE USER’S MANUAL BEFORE INSTALLING THE UNIT.
FS2 HUMIDITY SENSOR INSTALLATION AND CONNECTION
The FS2 humidity sensor is not included in the delivery and can be ordered separately.
Install the humidity sensor into the mount on the inner side of the unit and connect the humidity sensor to the appropriate connector.
UNIT MOUNTING
To attain the best performance of the unit and to minimise turbulence-induced air pressure losses connect the straight air duct section to the spigots on both sides of the unit while mounting.
Minimum straight air duct length:
- equal to 1 air duct diameter on intake side
- equal to 3 air duct diameters on outlet side
The air ducts must be slipped over the unit flanges until tight. Flexible air ducts must be rigidly fixed with a metal worm clamp.
If the air ducts are too short or not connected, protect the unit parts from ingress of foreign objects.
To prevent uncontrollable access to the fans, the spigots may be covered with a protecting grille or other protecting device with mesh width not more than 12.5 mm.
While installing the unit ensure convenient access for subsequent maintenance and repair.
The unit must be mounted on a plane wall (ceiling).
Mounting of the unit to an uneven surface can lead to the unit casing distortion and operation disturbance.
Fix the mounting brackets on the wall or the ceiling depending on the type of installation.
Fasteners for mounting are not included in the delivery set and should be ordered separately.
While choosing fasteners consider the material of the mounting surface as well as the weigh of the unit, refer to the Technical Data section. Fasteners for unit mounting should be selected by the Customer Service technician.
Unscrew the thumbscrews on the unit before attaching it to the mounting brackets.
Set the unit thumbscrews into the mating cutouts in the mounting brackets and tighten the thumbscrews.
Unit mounting example

Diagram 1. Wall vertical installation

Diagram 2. Suspended mounting
Installation options according to diagrams 3-4 are possible for the KOMFORT (EC) D5(B)180-E modification.

Diagram 3. Wall vertical installation

Diagram 4. Wall horizontal installation
CONDENSATE DRAINAGE
The KOMFORT (EC) D5(B)180 heat recovery units require condensate drainage.
The hole for the drain pipes is in the cover of the unit.
CAUTION! The drain pipe on the side of the intake air from the street is designed to drain condensate, which forms when the intake air is cooled in the heat exchanger if the unit is operating in a warm, humid climate. The decision on the need to install this drain pipe must be made by the design engineer based on the operating conditions of the unit and the local climate. In case of doubt or if there is a risk of condensate formation, the drain pipe on the intake air side must be installed for safety reasons.
Remove the service panel and remove the plugs from the holes. When mounting according to the Diagram 1 install the drain pipe from the delivery set into the hole. When mounting according to the Diagram 2 set the L-shaped drain pipe from the delivery set into the hole. Seal the connections using sealant or other materials.
The drain pipes should be installed only in the holes indicated on the diagrams. For suspended and wall mounted horizontal installation use two holes on the side of the unit, for a wall-mounted vertical installation use a hole at the bottom of the unit. Do not mount the drain pipes in the holes not indicated on the installation diagram.

Drain hole location in case of mounting according to the Diagram 1

Drain hole location in case of mounting according to the Diagram 2
Then connect the drain pipe to the sewage system using the Siphon-Kit SFK 20×32 (available upon separate order). The pipes are required to have a minimum slope of 3°. Each drain pipe is connected to a different U-trap.
The condensate drainage system is designed for normal operation in premises with air temperatures above 0 °C! If the expected ambient air temperatures are below 0 °C, the condensate drainage system must be equipped with heat insulation and pre-heating facilities.
Condensate drainage is not required for the KOMFORT (EC) D5(B)180-E units as they are equipped with an enthalpy heat exchanger.
CONNECTION TO POWER MAINS
POWER OFF THE POWER SUPPLY PRIOR TO ANY OPERATIONS WITH THE UNIT.
THE UNIT MUST BE CONNECTED TO POWER SUPPLY BY A QUALIFIED ELECTRICIAN.
THE RATED ELECTRICAL PARAMETERS OF THE UNIT ARE GIVEN ON THE MANUFACTURER’S LABEL.
ANY TAMPERING WITH THE INTERNAL CONNECTIONS IS PROHIBITED
AND WILL VOID THE WARRANTY.
The air-handling unit is rated for connection to single-phase AC 220-240 V/50 (60) Hz power mains. The unit must be connected to power mains using durable, insulated and heat-resistant conductors (cables and wires) with minimum cross section not less than 1 mm2.
The external power input must be equipped with an automatic circuit breaker built into the stationary wiring to open the circuit in the event of overload or short-circuit. The position of the external automatic circuit breaker must ensure free access for quick power-off of the unit. The circuit breaker trip current must correspond to the unit current consumption, refer to the Technical data section. Connect the cables to the control unit using the electric lead-ins on the side of the unit.
Make the electric connections through the terminal block, located in the control unit, in compliance with the External wiring diagram.
DO NOT LAY THE POWER CABLE OF THE UNIT IN CLOSE PROXIMITY AND PARALLEL TO THE CONTROL PANEL CABLE! DO NOT COIL THE CONTROL PANEL CABLE WHILE LAYING ITS OUT.
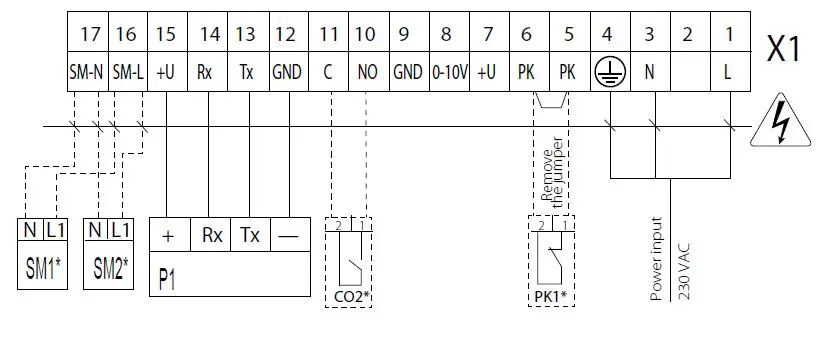
External wiring diagram for units KOMFORT (EC) D5(B)180(-E) S14

— ELECTRIC SHOCK HAZARD!
| Designation | Name | Model | Wire** |
| NO | Remote control panel | 4 x 0.75 mm2 | |
| CO2* | CO2 sensor | NO | 2 x 0.25 mm2 |
| PK1* | Contact from fire alarm panel | NC | 2 x 0.75 mm2 |
| SM1*/SM2* | External damper supply/exhaust | 2 x 0.75 mm2 |
* Not included in the delivery set. Available upon a separate order.
**Wire cross-section with a cable length of no more than 100 m.
Maximum cable length from the controller to the control panel
| Cable type | Distance to power source |
| Shielded cable AWG24 | up to 20 m |
External wiring diagram for units KOMFORT (EC) D5 180(-E) S2 
| Name | Wire** |
| Speed controller | 3 x 0.25 mm2 |
External wiring diagram for units

External wiring diagram for units

External wiring diagram for units KOMFORT (EC) D5(B)180(-E) S21

— ELECTRIC SHOCK HAZARD!
| Designation | Name | Contact type | Wire** | Note |
| SM1* | Supply air damper actuator | NO | 2 x 0.75 mm2 | 3 A, 30 V DC/~250 AC |
| SM2 * | Exhaust air damper actuator | NO | 2 x 0.75 mm2 | 3 A, 30 V DC/~250 AC |
| PK1* | Contact from fire alarm control panel | NC | 2 x 0.75 mm2 | |
| CCU* | Cooler control | NO | 2 x 0.75 mm2 | 3 A, 30 V DC/~250 AC |
| P1* | External control panel | 4 x 0.25 mm2 | ||
| Boost* | Contacts ON/OFF Boost | NO | 2 x 0.75 mm2 | |
| CO2* | External CO2 sensor | 3 x 0.75 mm2 |
* Not included in the delivery set.
** The U supply voltage of the SM1, SM2 external dampers is selected depending on the type of dampers. *** Maximum connecting cable length is 20 m!
Output parameters: terminals 17-22 — 3 A, 30 V DC / ~ 250 VAC («dry contact»).
TECHNICAL MAINTENANCE
DISCONNECT THE UNIT FROM POWER SUPPLY BEFORE ANY MAINTENANCE OPERATIONS.
FOLLOW THE SAFETY REGULATIONS WHEN CARRYING OUT MAINTENANCE.
Maintenance operations of the unit are required 3-4 times per year. They include general cleaning of the unit and the following operations:
Filter maintenance.
Clogged filters increase air resistance in the system and reduce supply air volume. The filters require cleaning not less than 3-4 times per year. Vacuum cleaning is allowed. After two cleanings filters must be replaced. For new filters contact the Seller.
To clean or replace the filters, remove the detachable plates located on the service side of the unit. After cleaning install the filters and the detachable plates in the reverse order.

Heat exchanger maintenance (once a year).
Some dust may accumulate on the heat exchanger even in case of regular maintenance of the filters. To maintain the high heat recovery efficiency, regular cleaning is required. To clean the heat exchanger, remove it from the unit and clean the heat exchanger by using compressed air or a vacuum cleaner. After cleaning, re-install the heat exchanger into the unit. Before removing the heat exchanger, unscrew the 7 screws and remove the cover. Remove it from the unit and clean the heat exchanger by using compressed air or a vacuum cleaner. After cleaning, re-install the heat exchanger into the unit.

Fan maintenance (once per year).
Even in case of regular maintenance of the filters, some dust may accumulate inside the fans and reduce the fan performance and supply air flow.
Clean the fans with a soft cloth, brush, or using compressed air.
Do not use water, aggressive solvents or sharp objects as they may damage the impeller.
Supply air flow control (twice per year).
The supply duct grille may get clogged with leaves and other objects reducing the unit performance and supply air delivery.
Check the supply grille twice per year and clean it as required.
Ductwork system maintenance (once in 5 years).
Even regular fulfilling of all the maintenance operations prescribed above may not completely prevent dirt accumulation in the air ducts, which leads to air pollution and reduces the unit capacity.
Duct maintenance means regular cleaning or replacement.
Control unit maintenance (if necessary).
The control unit is positioned inside the unit casing.
To access the control unit, remove the fixing screws on the panel and remove the control unit lid.
POSSIBLE REASONS AND TROUBLESHOOTING
| Problem | Possible reasons | Troubleshooting |
|
The fan(s) does not start when the unit is on. | No power supply. | Make sure the power supply line is connected correctly, otherwise troubleshoot the connection error. |
| The motor is jammed, the impeller blades are clogged. | Turn the unit off. Troubleshoot the motor jam and the impeller clogging. Clean the blades. Restart the unit. | |
| Alarm in the system. | Turn the unit off. Contact the Seller. | |
| Automatic circuit breaker tripping following the unit turning on. | Overcurrent as a result of short circuit in the electric circuit. | Turn the unit off. Contact the Seller. |
|
Low air flow. | Low set fan speed. | Set higher speed. |
| The filters and the fans are clogged, the heat exchanger is clogged. | Clean or replace the filters, clean the fans and the heat exchanger. | |
| Ventilation system elements (air ducts, diffusers, louver shutters, grilles) are clogged, damaged, or closed. | Clean or replace the ventilation system elements, such as air ducts, diffusers, louvre shutters, grilles. | |
| Cold supply air. | The extract filter is soiled. | Clean or replace the extract filter. |
|
Noise, vibration. | The impeller(s) is soiled. | Clean the impeller(s). |
| The fan or casing screw connection is loose. | Tighten the screw connection of the fans or the casing all the way. | |
| No anti-vibration connectors on air duct pipe flanges. | Install anti-vibration connectors. | |
| Fan out of order. | Turn the unit off. Contact the Seller. | |
| Water leakage (only in KOMFORT (EC) D5(B)180 units). | The drainage system is soiled, damaged, or installed incorrectly. | Clean the drain line if necessary. Check the drain line slope angle. Make sure that the U-trap is filled with water and the drain pipes are frost protected. |
STORAGE AND TRANSPORTATION REGULATIONS
- Store the unit in the manufacturer’s original packaging box in a dry closed ventilated premise with temperature range
from +5 ˚C up to +40 ˚C and relative humidity up to 70 %. - Storage environment must not contain aggressive vapors and chemical mixtures provoking corrosion, insulation, and sealing deformation.
- Use suitable hoist machinery for handling and storage operations to prevent possible damage to the unit.
- Follow the handling requirements applicable for the particular type of cargo.
- The unit can be carried in the original packaging by any mode of transport provided proper protection against precipitation and mechanical damage. The unit must be transported only in the working position.
- Avoid sharp blows, scratches, or rough handling during loading and unloading.
- Prior to the initial power-up after transportation at low temperatures, allow the unit to warm up at operating temperature for at least 3-4 hours.
MANUFACTURER’S WARRANTY
The product is in compliance with EU norms and standards on low voltage guidelines and electromagnetic compatibility. We hereby declare that the product complies with the provisions of Electromagnetic Compatibility (EMC) Directive 2014/30/EU of the European Parliament and of the Council, Low Voltage Directive (LVD) 2014/35/EU of the European Parliament and of the Council and CE-marking Council Directive 93/68/EEC. This certificate is issued following test carried out on samples of the product referred to above.
The manufacturer hereby warrants normal operation of the unit for 24 months after the retail sale date provided the user’s observance of the transportation, storage, installation, and operation regulations. Should any malfunctions occur in the course of the unit operation through the Manufacturer’s fault during the guaranteed period of operation, the user is entitled to get all the faults eliminated by the manufacturer by means of warranty repair at the factory free of charge. The warranty repair includes work specific to elimination of faults in the unit operation to ensure its intended use by the user within the guaranteed period of operation. The faults are eliminated by means of replacement or repair of the unit components or a specific part of such unit component.
The warranty repair does not include:
- routine technical maintenance
- unit installation/dismantling
- unit setup
To benefit from warranty repair, the user must provide the unit, the user’s manual with the purchase date stamp, and the payment paperwork certifying the purchase. The unit model must comply with the one stated in the user’s manual. Contact the Seller for warranty service.
The manufacturer’s warranty does not apply to the following cases:
- User’s failure to submit the unit with the entire delivery package as stated in the user’s manual including submission with missing component parts previously dismounted by the user.
- Mismatch of the unit model and the brand name with the information stated on the unit packaging and in the user’s manual.
- User’s failure to ensure timely technical maintenance of the unit.
- External damage to the unit casing (excluding external modifications as required for installation) and internal components caused by the user.
- Redesign or engineering changes to the unit.
- Replacement and use of any assemblies, parts and components not approved by the manufacturer.
- Unit misuse.
- Violation of the unit installation regulations by the user.
- Violation of the unit control regulations by the user.
- Unit connection to power mains with a voltage different from the one stated in the user’s manual.
- Unit breakdown due to voltage surges in power mains.
- Discretionary repair of the unit by the user.
- Unit repair by any persons without the manufacturer’s authorization.
- Expiration of the unit warranty period.
- Violation of the unit transportation regulations by the user.
- Violation of the unit storage regulations by the user.
- Wrongful actions against the unit committed by third parties.
- Unit breakdown due to circumstances of insuperable force (fire, flood, earthquake, war, hostilities of any kind, blockades).
- Missing seals if provided by the user’s manual.
- Failure to submit the user’s manual with the unit purchase date stamp.
- Missing payment paperwork certifying the unit purchase.
FOLLOWING THE REGULATIONS STIPULATED HEREIN WILL ENSURE A LONG AND TROUBLE-FREE OPERATION OF THE UNIT.
USER’S WARRANTY CLAIMS SHALL BE SUBJECT TO REVIEW ONLY UPON PRESENTATION OF THE UNIT, THE PAYMENT DOCUMENT AND THE USER’S MANUAL WITH THE PURCHASE DATE STAMP.
CERTIFICATE OF ACCEPTANCE
| Unit Type | Air handling unit |
| Model | KOMFORT D5 180 |
| Serial Number | |
| Manufacture Date | |
| Quality Inspector’s Stamp |
SELLER INFORMATION
| Seller | |
| Address | |
| Phone Number | |
| Purchase Date | |
| This is to certify acceptance of the complete unit delivery with the user’s manual. The warranty terms are acknowledged and accepted. | |
| Customer’s Signature | |
INSTALLATION CERTIFICATE
| The KOMFORT D5 180 unit is installed pursuant to the requirements stated in the present user’s manual. | ||
| Company name | ||
| Address | ||
| Phone Number | ||
| Installation Technician’s Full Name | ||
| Installation Date: | Signature: | |
| The unit has been installed in accordance with the provisions of all the applicable local and national construction, electrical and technical codes and standards. The unit operates normally as intended by the manufacturer. | ||
| Signature: | ||
WARRANTY CARD
| Unit Type | Air handling unit |
| Model | KOMFORT D5 180 |
| Serial Number | |
| Manufacture Date | |
| Purchase Date | |
| Warranty Period | |
| Seller |
www.blaubergventilatoren.de B170EN-07





















