BLAUBERG Ventilation KOMFORT Ultra D 105 Air Handling Unit

This user’s manual is a main operating document intended for technical, maintenance, and operating staff. The manual contains information about purpose, technical details, operating principle, design, and installation of the KOMFORT Ultra D 105(-A) unit and all its modifications. Technical and maintenance staff must have theoretical and practical training in the field of ventilation systems and should be able to work in accordance with workplace safety rules as well as construction norms and standards applicable in the territory of the country.
SAFETY REQUIREMENTS
This unit is not intended for use by persons (including children) with reduced physical, sensory or mental capabilities, or lack of experience and knowledge, unless they have been given supervision or instruction concerning use of the unit by a person responsible for their safety. Children should be supervised to ensure that they do not play with the unit. This appliance can be used by children aged from 8 years and above and persons with reduced physical, sensory or mental capabilities or lack of experience and knowledge if they have been given supervision or instruction concerning use of the appliance in a safe way and understand the hazards involved Cleaning and user maintenance shall not be made by children without supervision Children shall not play with the appliance. Connection to the mains must be made through a disconnecting device, which is integrated into the fixed wiring system in accordance with the wiring rules for design of electrical units, and has a contact separation in all poles that allows for full disconnection under overvoltage category III conditions. Ensure that the unit is switched off from the supply mains before removing the guard. Precautions must be taken to avoid the back-flow of gases into the room from the open flue of gas or other fuel-burning appliances.
All operations described in this manual must be performed by qualified personnel only, properly trained and qualified to install, make electrical connections and maintain ventilation units. Do not attempt to install the product, connect it to the mains, or perform maintenance yourself. This is unsafe and impossible without special knowledge. Disconnect the power supply prior to any operations with the unit. All user’s manual requirements as well as the provisions of all the applicable local and national construction, electrical, and technical norms and standards must be observed when installing and operating the unit. Disconnect the unit from the power supply prior to any connection, servicing, maintenance, and repair operations. Only qualified electricians with a work permit for electrical units up to 1000 V are allowed for installation. The present user’s manual should be carefully read before beginning works. Check the unit for any visible damage of the impeller, the casing, and the grille before starting installation. The casing internals must be free of any foreign objects that can damage the impeller blades. While mounting the unit, avoid compression of the casing! Deformation of the casing may result in motor jam and excessive noise.
Misuse of the unit and any unauthorised modifications are not allowed. Do not expose the unit to adverse atmospheric agents (rain, sun, etc.). Transported air must not contain any dust or other solid impurities, sticky substances, or fibrous materials. Do not use the unit in a hazardous or explosive environment containing spirits, gasoline, insecticides, etc. Do not close or block the intake or extract vents in order to ensure the efficient air flow. Do not sit on the unit and do not put objects on it. The information in this user’s manual was correct at the time of the document’s preparation. The Company reserves the right to modify the technical characteristics, design, or configuration of its products at any time in order to incorporate the latest technological developments. Never touch the unit with wet or damp hands. Never touch the unit when barefoot.
THE PRODUCT MUST BE DISPOSED SEPARATELY AT THE END OF ITS SERVICE LIFE. DO NOT DISPOSE THE UNIT AS UNSORTED DOMESTIC WASTE.
PURPOSE
The unit is designed to ensure continuous mechanical air exchange in houses, offices, hotels, cafes, conference halls, and other utility and public spaces as well as to recover the heat energy contained in the air extracted from the premises to warm up the filtered stream of intake air. The unit is not intended for organizing ventilation in swimming pools, saunas, greenhouses, summer gardens, and other spaces with high humidity. Due to the ability to save heating energy by means of energy recovery, the unit is an important element of energy-efficient premises. The unit is a component part and is not designed for stand-alone operation. It is rated for continuous operation. Transported air must not contain any flammable or explosive mixtures, evaporation of chemicals, sticky substances, fibrous materials, coarse dust, soot and oil particles or environments favourable for the formation of hazardous substances (toxic substances, dust, pathogenic germs).
DELIVERY SET
Name Number
- Air handling unit 1
- User’s manual 1
- Speed switch 1
- Packing box 1
DESIGNATION KEY

TECHNICAL DATA
The unit is designed for indoor application with the ambient temperature ranging from +1 °C up to +40 °C and relative humidity up to 60 % without condensation. In cold, damp rooms, there is a possibility of freezing or condensation inside and outside the casing. In order to prevent condensation on the internal walls of the unit, it is necessary that the surface temperature of the casing is 2-3 °C above the dew point temperature of the transported air. The unit should be operated continuously, and in cases where ventilation is not necessary, reduce the air flow of the fans to a minimum (20%). This will ensure a favorable indoor climate and reduce the amount of condensation inside the unit, which can damage electronic components. Never use the unit for dehumidification, for example, of new buildings. The unit is rated as a Class I electrical appliance. Hazardous parts access and water ingress protection rating: IP22 for the unit connected to the air ducts, IP44 for the unit motors. The unit design is constantly being improved, thus some models may be slightly different from those described in this manual.
| KOMFORT Ultra D 105-A | KOMFORT Ultra D 105 | |||||
| Speed | Min | Med | Max | Min | Med | Max |
| Voltage [V/Hz] | 1~230/50 | 1~230/50 | ||||
| Power [W] | 30 | 38 | 56 | 30 | 38 | 56 |
| Unit current [A] | 0.18 | 0.23 | 0.34 | 0.18 | 0.23 | 0.34 |
| Air flow [m3/h] | 57 | 78 | 106 | 57 | 78 | 106 |
| RPM [min-1] | 1300 | 1950 | 2500 | 1300 | 1950 | 2500 |
| Sound pressure level at 3 m distance [dBA] | 24 | 32 | 41 | 24 | 32 | 41 |
| Transported air temperature [°С] | -25…+40 | |||||
| Casing material | Aluzinc | |||||
| Insulation | 15 mm, PE foam | |||||
| Filter (extract/supply) | G4/G4 | |||||
| Connected air duct diameter [mm] | Ø 125 | |||||
| Weight [kg] | 13 | 10 | ||||
| Heat recovery efficiency [%] | 65…76 | 64…72 | ||||
| Heat exchanger type | Cross-flow | |||||
| Heat exchanger material | Polystyrene | Enthalpy | ||||
| SEC class | D | |||||
Overall dimensions [mm]
| Model | D | B | B1 | H | L | L1 | L2 |
| KOMFORT Ultra D 105-A | 125 | 374 | 404 | 224 | 497 | 397 | 595 |
| KOMFORT Ultra D 105 | 125 | 374 | 404 | 224 | 497 | 397 | 595 |
DESIGN AND OPERATING PRINCIPLE
The unit has the following operating logic: extract air from the room flows into the unit, where it is filtered by the extract filters, then air flows through the heat exchanger and is exhausted outside by the exhaust fan. Air from outside flows into the unit, where it is cleaned by the supply filters. Then the air flows through the heat exchanger and is directed to the room with the supply fan. Thermal energy of extract air is transferred to intake air from outside and warms it up. The air flows are fully separated. Heat recovery minimizes heat losses, which reduces the cost of space heating in the cold season.
Freeze protection
In the exhaust duct a thermostat for heat exchanger freeze protection is mounted downstream of the heat exchanger. If there is a threat of freezing, the thermostat switches off the supply fan and the heat exchanger is heated by the warm extract air. To set the thermostat sensor threshold value, turn the control knob to the desired position. The thermostat activation value is selected individually depending on the area of unit operation. The recommended thermostat operating temperature is +3 °C (factory setting).
MOUNTING AND SET-UP
- BEFORE MOUNTING MAKE SURE THE CASING DOES NOT CONTAIN ANY FOREIGN OBJECTS (E.G. FOIL, PAPER).
- WHILE INSTALLING THE UNIT ENSURE CONVENIENT ACCESS FOR SUBSEQUENT MAINTENANCE AND REPAIR.
The unit may be suspended on threaded rods or may be rigidly fixed to a horizontal surface by anchor bolts. Fasteners for fan mounting should be ordered separately. While choosing fasteners consider the material of the mounting surface as well as the weigh of the unit, refer to the “Technical data” section. Fasteners for unit mounting should be selected by the service technician.
Make sure that the installation site is capable of sustaining the unit weight. Otherwise reinforce the mounting location with beams or similar elements. If the bolts used for the unit mounting are too short the unit can generate abnormal noise and resonate with the ceiling. Use bolts of sufficient length to prevent resonance. If the noise is generated at the spiral air duct joint, replace the spiral air duct with a flexible one to prevent resonance. Flexible anti-vibration connectors are another alternative for dealing with resonance. Push the air ducts onto the flanges of the unit until stop. Flexible ducts must be fixed rigidly with a metal worming clamp.
CONDENSATE DRAINAGE
The KOMFORT Ultra D 105 units are equipped with an enthalpy heat exchanger and do not require condensate drainage. The KOMFORT Ultra D 105-A units are equipped with a drain pan for condensate collection and removal. Temperature differences between supply and extract air flows in heat recovery units lead to condensate formation. Condensate is collected in the drain pan and is removed outside by the drain pipes. Connect the part of the pipe going from the unit outlet to the sewage system.
WARNING!
To ensure water drainage, pipes should be mounted with a slope of at least 3°. Provide free drainage for the condensed water, otherwise it is accumulated inside the unit that may cause the equipment damage and condensate outflow to the room. The condensate drainage system is designed for normal operation in premises with air temperatures above 0 °C! If the expected ambient air temperatures are below 0 °C the condensate drainage system must be equipped with heat insulation and pre-heating facilities.
CONNECTION TO POWER MAINS
- POWER OFF THE POWER SUPPLY PRIOR TO ANY OPERATIONS WITH THE UNIT. THE UNIT MUST BE CONNECTED TO POWER SUPPLY BY A QUALIFIED ELECTRICIAN. THE RATED ELECTRICAL PARAMETERS OF THE UNIT ARE GIVEN ON THE MANUFACTURER’S LABEL.
- The unit is designed for connection to power mains with the parameters specified in the “Technical data” section.
- The connection must be made using durable, insulated and heat-resistant conductors (cables, wires). The actual wire cross section selection must be based on the maximum load current, maximum conductor temperature depending on the wire type, insulation, length and installation method.
- Connecting the unit to power mains should be carried out in accordance with the wiring diagram and terminal designations.
- The external power input must be equipped with an automatic circuit breaker (QF) built into the stationary wiring to open the circuit in the event of overload or short-circuit. The position of the external circuit breaker must ensure free access for quick unit power-off. The automatic circuit breaker rated current must exceed the ventilator current consumption, see the Technical data section or the unit label. It is recommended to select the rated current of the circuit breaker from the standard series, following the maximum current of the connected unit. The circuit breaker is not included in the delivery set and can be ordered separately.
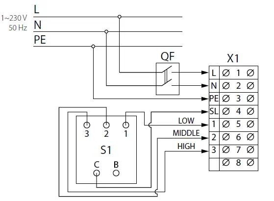
Designation Unit name Cable type Maximum cable length Note S1 Speed switch 4×0.75 mm2 10 m QF* Automatic circuit breaker X1 Terminal block
External connections diagram 
CONTROL
Air flow control is carried out using a remote speed switch (included in the delivery set).
WARNING! Refer to the appropriate User’s manual for installation and function of the speed switch.
TECHNICAL MAINTENANCE
DISCONNECT THE UNIT FROM POWER SUPPLY BEFORE ANY MAINTENANCE OPERATIONS! MAKE SURE THE UNIT IS DISCONNECTED FROM POWER MAINS BEFORE REMOVING THE PROTECTION!
Maintenance operations of the unit are required 3-4 times per year. They include general cleaning of the unit and the following operations: 1. Filter maintenance (3-4 times per year). Dirty filters increase air resistance in the system and reduce supply air volume. The filters require cleaning not less than 3-4 times per year. Vacuum cleaning is allowed. After two consecutive cleanings filters must be replaced. For new filters contact the Seller.
Replacement of filters in KOMFORT Ultra D 105-A units:
- Unscrew the manual screws on the removable filter service plates.
- Remove the service plates.
- Remove the filters by pulling them down. Install new or cleaned filters in their original place.

Replacement of filters in KOMFORT Ultra D 105 units:
- Press out on the latches.
- Remove the service panel.
- Remove the filters by pulling them down. Install new or cleaned filters in their 3 original place.

Heat exchanger maintenance (once a year).
Some dust may accumulate on the heat exchanger block even in case of regular maintenance of the filters. To maintain the high heat recovery efficiency, regular cleaning is required.
Maintenance of the heat exchanger in KOMFORT Ultra D 105-A units:
- Press out on the latches.
- Remove the service panel.
- Remove the contaminated heat exchanger from the unit by turning the retainer holding it in place. Clean the heat exchanger. Wet cleaning is used for polystyrene heat exchangers. Wash the heat exchanger with a warm water solution of liquid neutral detergent and leave to dry. Install a clean, dry heat exchanger in its original place.

Maintenance of the heat exchanger in KOMFORT Ultra D 105 units:
- Press out on the latches.
- Remove the service panel.
- Remove the contaminated heat exchanger from the unit by turning the retainer holding it in place. Clean the heat exchanger. The enthalpy heat exchanger is dry-cleaned with a vacuum cleaner with narrow nozzles. Install a clean, dry heat exchanger in its original place.

Fan maintenance (once a year).
Even in case of regular maintenance of the filters, some dust may accumulate inside the fans and reduce the fan performance and supply air flow. Clean the fans with a soft brush or cloth. Do not use water, aggressive solvents, or sharp objects as they may damage the impeller.
Technical maintenance of condensate drainage system (four times a year).
Check the drain line operation by filling the drain pan under the unit with water, clean the U-trap and the drain line, if necessary.
Supply air flow control (twice per year).
The supply duct grille may get clogged with leaves and other objects reducing the unit performance and supply air delivery. Check the supply grille twice per year and clean it as required.
Technical maintenance of air duct system (every 5 years).
Even regular fulfilling of all the prescribed above maintenance operations may not completely prevent dirt accumulation in the air ducts which reduces the unit capacity.
Duct maintenance means regular cleaning or replacement.
TROUBLESHOOTING
| PROBLEM | POSSIBLE REASONS | TROUBLESHOOTING |
| The fan(s) do(es) not get started. | No power supply. | Make sure the power supply line is connected correctly, otherwise troubleshoot a connection error. |
| Cold supply air. | Extract filter clogging. | Clean or replace the extract filter. |
| The heat exchanger is frosted. | Check the heat exchanger for icing. Switch the unit off if required and turn it on after the freezing danger is no longer imminent. | |
| Low air flow. | Filters, fans or the heat exchanger are soiled. | Clean or replace the filters, clean the fans and the heat exchanger. |
| The ventilation system is soiled or damaged. | Clean the ventilation system components. Replace the damaged components. | |
| Noise, vibration. | The fan impeller is soiled. | Clean the impellers. |
| The fan or casing screw connection is loose. | Tighten the screw connection of the fans or the casing against stop. | |
| Water leakage (only for the KOMFORT Ultra D 105-A models). | The drainage system is soiled, damaged or arranged not correctly. | Clean the drain line. Check the drain line slope angle. Make sure that the U-trap is filled with water and the drain pipes are frost protected. |
STORAGE AND TRANSPORTATION REGULATIONS
- Store the unit in the manufacturer’s original packaging box in a dry closed ventilated premise with temperature range from +5 ˚C to +40 ˚C and relative humidity up to 70 %.
- Storage environment must not contain aggressive vapors and chemical mixtures provoking corrosion, insulation, and sealing deformation.
- Use suitable hoist machinery for handling and storage operations to prevent possible damage to the unit.
- Follow the handling requirements applicable for the particular type of cargo.
- The unit can be carried in the original packaging by any mode of transport provided proper protection against precipitation and mechanical damage. The unit must be transported only in the working position.
- Avoid sharp blows, scratches, or rough handling during loading and unloading.
- Prior to the initial power-up after transportation at low temperatures, allow the unit to warm up at operating temperature for at least 3- 4 hours.
MANUFACTURER’S WARRANTY
The product is in compliance with EU norms and standards on low voltage guidelines and electromagnetic compatibility. We hereby declare that the product complies with the provisions of Electromagnetic Compatibility (EMC) Directive 2014/30/EU of the European Parliament and of the Council, Low Voltage Directive (LVD) 2014/35/EU of the European Parliament and of the Council and CE-marking Council Directive 93/68/EEC. This certificate is issued following test carried out on samples of the product referred to above. The manufacturer hereby warrants normal operation of the unit for 24 months after the retail sale date provided the user’s observance of the transportation, storage, installation, and operation regulations. Should any malfunctions occur in the course of the unit operation through the Manufacturer’s fault during the guaranteed period of operation, the user is entitled to get all the faults eliminated by the manufacturer by means of warranty repair at the factory free of charge. The warranty repair includes work specific to elimination of faults in the unit operation to ensure its intended use by the user within the guaranteed period of operation. The faults are eliminated by means of replacement or repair of the unit components or a specific part of such unit component.
The warranty repair does not include:
- routine technical maintenance
- unit installation/dismantling
- unit setup
To benefit from warranty repair, the user must provide the unit, the user’s manual with the purchase date stamp, and the payment paperwork certifying the purchase. The unit model must comply with the one stated in the user’s manual. Contact the Seller for warranty service.
The manufacturer’s warranty does not apply to the following cases:
- User’s failure to submit the unit with the entire delivery package as stated in the user’s manual including submission with missing component parts previously dismounted by the user.
- Mismatch of the unit model and the brand name with the information stated on the unit packaging and in the user’s manual.
- User’s failure to ensure timely technical maintenance of the unit.
- External damage to the unit casing (excluding external modifications as required for installation) and internal components caused by the user.
- Redesign or engineering changes to the unit.
- Replacement and use of any assemblies, parts and components not approved by the manufacturer.
- Unit misuse.
- Violation of the unit installation regulations by the user.
- Violation of the unit control regulations by the user.
- Unit connection to power mains with a voltage different from the one stated in the user’s manual.
- Unit breakdown due to voltage surges in power mains.
- Discretionary repair of the unit by the user.
- nit repair by any persons without the manufacturer’s authorization.
- Expiration of the unit warranty period.
- Violation of the unit transportation regulations by the user.
- Violation of the unit storage regulations by the user.
- Wrongful actions against the unit committed by third parties.
- Unit breakdown due to circumstances of insuperable force (fire, flood, earthquake, war, hostilities of any kind, blockades).
- Missing seals if provided by the user’s manual.
- Failure to submit the user’s manual with the unit purchase date stamp.
- Missing payment paperwork certifying the unit purchase.
FOLLOWING THE REGULATIONS STIPULATED HEREIN WILL ENSURE A LONG AND TROUBLE-FREE OPERATION OF THE UNIT. USER’S WARRANTY CLAIMS SHALL BE SUBJECT TO REVIEW ONLY UPON PRESENTATION OF THE UNIT, THE PAYMENT DOCUMENT AND THE USER’S MANUAL WITH THE PURCHASE DATE STAMP.
CERTIFICATE OF ACCEPTANCE
| Unit Type | Air handling unit |
| Model | |
| Serial Number | |
| Manufacture Date | |
| Quality Inspector’s Stamp |

SELLER INFORMATION
| Seller | |
| Address | |
| Phone Number | |
| Purchase Date | |
| This is to certify acceptance of the complete unit delivery with the user’s manual. The warranty terms are acknowledged and accepted. | |
| Customer’s Signature | |

INSTALLATION CERTIFICATE
| The unit is installed pursuant to the requirements stated in the present user’s manual. | ||
| Company name | ||
| Address | ||
| Phone Number | ||
| Installation Technician’s Full Name | ||
| Installation Date: | Signature: | |
| The unit has been installed in accordance with the provisions of all the applicable local and national construction, electrical and technical codes and standards. The unit operates normally as intended by the manufacturer. | ||
| Signature: | ||

WARRANTY CARD
| Unit Type | Air handling unit |
| Model | |
| Serial Number | |
| Manufacture Date | |
| Purchase Date | |
| Warranty Period | |
| Seller |

- www.blaubergventilatoren.de B59EN-05






















