b217 KOMFORT EC DBW 550 Suspended
Heat Recovery Air Handling
User Manual
b217 KOMFORT EC DBW 550 Suspended Heat Recovery Air Handling
This user manual is a main operating document intended for technical, maintenance, and operating staff.
The manual contains information about the purpose, technical details, operating principle, design, and installation of the KOMFORT EC S(1)(B) 160/350/550(-E) unit (-s) and all of its (their) modifications.
Technical and maintenance staff must have theoretical and practical training in the field of ventilation systems and should be able to work in accordance with workplace safety rules as well as construction norms and standards applicable in the territory of the country.
The information in this user’s manual is correct at the time of the document’s preparation.
The Company reserves the right to modify the technical characteristics, design, or configuration of its products at any time in order to incorporate the latest technological developments.
No part of this publication may be reproduced, stored in a retrieval system, or transmitted, in any form or by any means in any information search system or translated into any language in any form without the prior written permission of the Company.
SAFETY REQUIREMENTS
All user manual requirements as well as the provisions of all the applicable local and national construction, electrical, and technical norms and standards must be observed when installing and operating the unit.
Disconnect the unit from the power supply prior to any connection, servicing, maintenance, and repair operations.
Only qualified electricians with a work permit for electrical units up to 1000 V are allowed for installation. The present user’s manual should be carefully read before beginning work.
Check the unit for any visible damage to the impeller, the casing, and the grille before starting installation. The casing internals must be free of any foreign objects that can damage the impeller blades.
While mounting the unit, avoid compression of the casing! Deformation of the casing may result in motor jams and excessive noise.
Misuse of the unit and any unauthorized modifications are not allowed.
Do not expose the unit to adverse atmospheric agents (rain, sun, etc.).
Transported air must not contain any dust or other solid impurities, sticky substances, or fibrous materials.
Do not use the unit in a hazardous or explosive environment containing spirits, gasoline, insecticides, etc.
Do not close or block the intake or extract vents in order to ensure efficient airflow.
Do not sit on the unit and do not put objects on it.
The information in this user’s manual was correct at the time of the document’s preparation.
The Company reserves the right to modify the technical characteristics, design, or configuration of its products at any time in order to incorporate the latest technological developments.
Never touch the unit with wet or damp hands.
Never touch the unit when barefoot.
This appliance can be used by children aged from 8 years and above and persons with reduced physical, sensory or mental capabilities or lack of experience and knowledge if they have been given supervision or instruction concerning the use of the appliance in a safe way and understand the hazards involved.
Cleaning and user maintenance shall not be made by children without supervision.
Children shall not play with the appliance.
If the supply cord is damaged, it must be replaced by the manufacturer, its service agent, or similarly qualified persons in order to avoid a safety hazard.
Ensure that the unit is switched off from the supply mains before removing the guard.
Precautions must be taken to avoid the back-flow of gases into the room from the open flue of gas or other fuel-burning appliances.
THE PRODUCT MUST BE DISPOSED OF SEPARATELY AT THE END OF ITS SERVICE LIFE.
DO NOT DISPOSE OF THE UNIT AS UNSORTED DOMESTIC WASTE.
The unit is designed to ensure continuous mechanical air exchange in houses, offices, hotels, cafes, conference halls, and other utility and public spaces as well as to recover the heat energy contained in the air extracted from the premises to warm up the filtered stream of the intake air.
The unit is not intended for organizing ventilation in swimming pools, saunas, greenhouses, summer gardens, and other spaces with high humidity.
Due to the ability to save heating energy by means of energy recovery, the unit is an important element of energy-efficient premises.
The unit is a component part and is not designed for stand-alone operation. It is rated for continuous operation.
Transported air must not contain any flammable or explosive mixtures, evaporation of chemicals, sticky substances, fibrous materials, coarse dust, soot, and oil particles, or environments favorable for the formation of hazardous substances (toxic substances, dust, pathogenic germs).
DELIVERY SET
| Name | Number |
| Air handling unit | 1 pc. |
| User’s manual | 1 pc. |
| Control panel | 1 pc. |
| Packing box | 1 pc. |
*Control panel is not included in delivery set of units equipped with S21 controller.
DESIGNATION KEY

TECHNICAL DATA
The unit is designed for indoor application with ambient temperature ranging from +1 °C up to +40 °C and relative humidity up to 60 % without condensation. In cold, damp rooms, there is a possibility of freezing or condensation inside and outside the casing.
In order to prevent condensation on the internal walls of the unit, it is necessary that the surface temperature of the casing is 2-3 °C above the dew point temperature of the transported air.
The unit should be operated continuously, and in cases where ventilation is not necessary, reduce the airflow of the fans to a minimum (20%). This will ensure a favorable indoor climate and reduce the amount of condensation inside the unit, which can damage electronic components. Never use the unit for dehumidification, for example, of new buildings.
The unit is rated as a Class I electrical appliance.
Hazardous parts access and water ingress protection rating:
IP20 for the unit connected to the air ducts.
IP44 for the unit motors.
The unit design is constantly being improved, thus some models may be slightly different from those described in this manual.
TECHNICAL DATA

The KOMFORT EC S(1)(B) 160/350/550-E units are equipped with an enthalpy heat exchanger and do not require condensate drainage.

| Model | Dimensions [mm] | ||||||||
| Ø D | Ø D1 | B | B1 | H | H1 | L | L1 | L2 | |
| KOMFORT EC S 160(-E) | 125 | 18 | 340 | 330 | 665 | 550 | 600 | 388 | 143 |
| KOMFORT EC S1 160(-E) | 125 | 18 | 380 | 370 | 690 | 590 | 640 | 388 | 143 |
| KOMFORT EC SB 160(-E) | 125 | 18 | 340 | 330 | 665 | 580 | 600 | 388 | 143 |
| KOMFORT EC S1B 160(-E) | 125 | 18 | 380 | 370 | 710 | 620 | 640 | 388 | 143 |
| KOMFORT EC SB 350(-E) | 160 | 18 | 600 | 583 | 760 | 675 | 730 | 426 | 230 |
| KOMFORT EC S1 B 350(-E) | 160 | 18 | 480 | 470 | 760 | 675 | 730 | 426 | 200 |
| KOMFORT EC SB 550(-E) | 200 | 18 | 730 | 720 | 760 | 675 | 823 | 498 | 288 |
DESIGN AND OPERATING PRINCIPLE
The unit has the following operating principle: warm stale extract air from the room flows into the unit where it is filtered by the extract filter, then air flows through the heat exchanger and is exhausted outside by the extract fan. Cold fresh air from the outside flows into the unit, where it is cleaned by the supply filter. Then the air flows through the heat exchanger and is directed to the room with the supply fan. The heat energy of warm extract air is transferred to a clean intake of fresh air from the outside and warms it up. The air flows are fully separated while flowing through the heat exchanger. Heat recovery minimizes heat losses, which reduces the cost of space heating in the cold season.
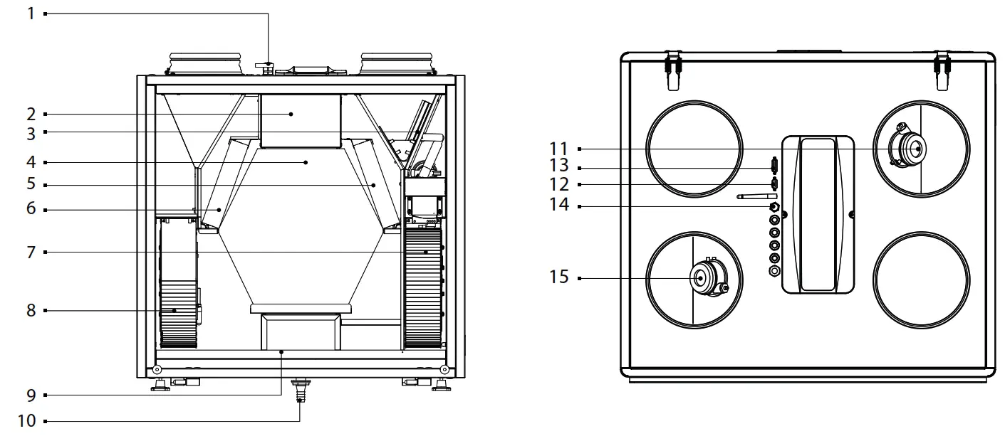
UNIT DESIGN

| 1 – cable glands; 2 – control unit; 3 – bypass damper (except KOMFORT EC S(1) 160(-E) models); 4 – counter-flow heat exchanger; 5 – extract filter; 6 – supply filter; 7 – supply fan; | 8 – exhaust fan; 9 – drain pan; 10 – drain pipe; 11 – extract filter differential pressure switch (only for the KOMFORT EC SB 550(-E) S21 units); 12 – EVH duct electric preheater connector; 13 – ENH duct electric reheater connector; 14 – SETUP MODE button (for the units with S21 automation); 15 – supply filter differential pressure switch (only for the KOMFORT EC SB 550(-E) S21 units). |
The air handling unit is equipped with a hinged front service panel for repair and maintenance operations. The removable service panel design enables to change of the service side location. The control unit is accessible for installation and wiring operations through the inspection door on top of the unit. The power cable and ground cable are connected to the control unit via the cable glands.
The bypass damper is open or closed depending on the operation mode of the unit.
The KOMFORT EC SB550(-E) units are equipped with differential pressure switches for filter contamination control. Access to the pressure switches is provided through the inlet and outlet spigots.
The difference between the supply and extract air flow temperature leads to condensate generation in the KOMFORT EC S(1)(B) 160/350/550 units. Condensate is collected in the drain pan and is removed outside through the drain pipe.
The KOMFORT EC S(1)(B) 160/350/550-E units are equipped with a heat exchanger with an enthalpy membrane and do not require condensate drainage.
Accessories for the unit are available on a separate order.
- Humidity sensor. The FS2 sensor in the EC KOMFORT EC S(1)(B) 160/350/550(-E) S21 models is connected to the controller. In the KOMFORT EC S(1)(B) 160/350/550(-E) S14 models, the FS2 sensor is connected to the terminal block. The HR-S sensor is connected to the controller. The unit with an installed humidity sensor maintains a set indoor humidity point. As the extract air humidity rises above the set point, the system automatically switches to the maximum speed. As the humidity drops down below the set point the unit returns to the previous mode.
- CO2 sensor (connected to the controller). Designed for indoor carbon dioxide concentration measurement and respective air capacity regulation through the control output signal to the fan.
- VOC sensor (connected to the controller). Qualitative assessment of air saturation with contaminants (cigarette smoke, exhaled air, solvent and detergent vapors). The sensor sensitivity can be adjusted with regard to the expected maximum level of air pollution.
Enables on-demand ventilation which results in considerable energy savings as air is exchanged only upon reaching the preset level of pollution. - EVH duct preheater (for the KOMFORT EC S(1)(B) 160/350/550(-E) S21 units). The heater maintains the duct air temperature at a point that prevents the heat exchanger from freezing. Heater installation and connection to the unit are described in the heater user’s manual.
- ENH duct reheater (for the KOMFORT EC S(1)(B) 160/350/550(-E) S21 units). The heater maintains a room temperature set by the temperature sensor. Heater installation and connection to the unit are described in the heater user’s manual.
UNIT OPERATION MODES
Heat Recovery mode
Warm extract air from the room flows into the unit and is cleaned in the extract filter. Then the air is moved through the heat exchangers and is exhausted outside with the extract fan. Cold fresh air from outside flows into the unit, where it is cleaned in the supply filter.
Then the air flows through the heat exchanger and is directed to the room with the supply fan.
Heat is exchanged between the intake and extract air in the heat exchanger. The air flows are fully separated while flowing through the heat exchanger. Heat recovery minimizes heat losses, which reduces the cost of space heating in the cold season.
Summer Cooling mode
The bypass damper is opened, and the extract air that is removed from the premises is routed along the bypass duct and does not come in contact with the heat exchanger. The temperature of the air is not changed after passing through the heat exchanger.
Heat exchanger freeze protection (frost danger appears when the extract air temperature downstream of the heat exchanger is lower than +5 °C and intake air temperature upstream of the heat exchanger is lower than -3 °C for units with preheating and +3 °C for units without preheating).
In case of freezing danger, the supply fan is turned off in the KOMFORT EC S(1)(B) 160/350/550(-E) А14 units.
When the temperature increases, the unit returns to the previous operation mode.
The KOMFORT EC S(1)(B) 160/350/550(-E) S21 units have two freeze protection modes:
- gradual reduction of the supply fan speed
- with the electric preheater (if the unit is equipped with a duct preheater)
Mode selection and settings are described in the S21 control system user’s manual.
Warning! The heat exchanger freeze protection mode using bypass is not available.
INSTALLATION AND SET-UP
READ THE USER’S MANUAL BEFORE INSTALLING THE UNIT.
AFTER INSTALLING THE UNIT, LOCK THE LATCH TO PREVENT ACCIDENTAL OPENING OF THE COVER.
SERVICE SIDE CHANGE
The unit design allows changing the service side.

Remove the hinge stopper.
Release the latches, disconnect the ground cable and remove the service panel.

Remove the latches and move them to the opposite side. Remove the back panel by undoing the three screws hidden under plastic plugs.
Install the service panel on the opposite side, and connect it with a ground wire. Install the back cover.
Attach the hinge stopper.
UNIT INSTALLATION
To get the best performance of the unit and to minimize turbulence-induced air pressure losses, connect the straight air duct section to the spigots on both sides of the unit while installing.
Minimum straight air duct length:
- equal to 1 air duct diameter on the intake side
- equal to 3 air duct diameter on the outlet side
The air ducts must be slipped over the unit flanges until tight. Flexible air ducts must be rigidly fixed with a metal worm clamp.

If the air ducts are too short or not connected, protect the unit parts from the ingress of foreign objects. To prevent uncontrollable access to the fans, the spigots may be covered with a protecting grille or another protecting device with a mesh width of not more than 12.5 mm.
When selecting the unit mounting position, enable free excess to the service panel for maintenance and service operations.
The unit should be mounted strictly horizontally in the longitudinal and transverse planes. In case of non-compliance, the unit’s casing distortion and operation disturbance will occur.
Unit wall mounting
Dowels for wall mounting are not included in the delivery set and should be ordered separately.
While choosing dowels consider the material of the mounting surface as well as the weight of the unit, refer to the “Technical data” section. Dowels for unit mounting should be selected by the installation specialist.
Install the dowels in the wall. Install the screws. Suspend the unit.
Achieve a strictly vertical position of the unit by rotating the adjustable stop (1).
Unit floor mounting
Install the unit on the pre-mounted floor supports, minimum 150 mm height, to ensure sufficient access for the drain pipe connection to the U-trap and for condensate drain system installation.

CONDENSATE DRAINAGE
Condensate drainage is required for the KOMFORT EC S(1)(B) 160/350/550 unit series.
The hole for the drain pipe is at the bottom of the unit. Remove the plug from the hole. Open the service panel and remove the plug in the drain pan. Install the drain pipe from the delivery set into the hole, then connect the drain pipe to the sewage system using the SFK 20×32 U-trap kit (available upon separate order). Make sure the U-trap is always filled with water. The pipe slope downwards must be at least 3°.

- drain pipe;
- U-trap;
- drain hose;
- sewage system
CONNECTION TO POWER MAINS
POWER OFF THE POWER SUPPLY PRIOR TO ANY OPERATIONS WITH THE UNIT.
THE UNIT MUST BE CONNECTED TO THE POWER SUPPLY BY A QUALIFIED ELECTRICIAN.
THE RATED ELECTRICAL PARAMETERS OF THE UNIT ARE GIVEN ON THE MANUFACTURER’S LABEL.
ANY TAMPERING WITH THE INTERNAL CONNECTIONS IS PROHIBITED AND WILL VOID THE WARRANTY.
For accessing the terminal block and the controller undo the screws of the terminal box cover and remove it.
Route the cables to the control unit through the cable glands in the unit. Carry out the electrical connections as shown in the wiring diagram.
EXTERNAL WIRING DIAGRAM FOR THE KOMFORT EC S(1)(B) 160/350/550(-E) S14 UNITS

| Designation | Name | Model | Wire” |
| SM1* | Supply air damper actuator | 2 x 0.75 mm2 | |
| SM2* | Extract the air damper actuator | 2 x 0.75 mm2 | |
| PK1* | Contact form fire alarm panel | NC | 2 x 0.75 mm2 |
| CO2* | CO, sensor | NO | 2 x 0.75 mm2 |
| HV1* | Humidity sensor | 3 x 0.75 mm2 | |
| P1 | External control panel | 4 x 0.25 mm2 |
*Is not included in the delivery set.
** Maximum connecting cable length is 20 m!
ELECTRIC SHOCK HAZARD!
EXTERNAL CONNECTIONS DIAGRAM FOR THE KOMFORT EC S(1)B 160(-E) S21 UNITS

| Designation | Name | Model | Wire*** | Note |
| SM 1 * | Supply air damper actuator | NO | 2 x 0.75 mm2 | 3A, 30DC/-250 AC |
| SM2* | Extract the air damper actuator | NO | 2 x 0.75 mm2 | 3A, 30DC/-250 AC |
| PK1* | Contact from the fire alarm panel | NC | 2 x 0.75 mm2 | |
| CCU* | CCU control | NO | 2 x 0.75 mm2 | 3A, 30DC/-250 AC |
| P1 * | External control panel | 4 x 0.25 mm2 | ||
| Boost* | On/Off contacts for the Boost mode | NO | 2 x 0.75 mm2 | |
| CO2 | External CO2 sensor | NO | 3 x 0./S mm2 |
*Is not included in the delivery set.
** The U supply voltage of the SM1 and SM2 external dampers is selected depending on the type of dampers.
*** Maximum connecting cable length is 20 m!
Output parameters: terminals 19-24 – 3A, 30VDC / ~ 250 VAC (“dry contact”).
ELECTRIC SHOCK HAZARD!
EXTERNAL CONNECTIONS DIAGRAM FOR THE KOMFORT EC S(1)B 350/550(-E) S21 UNITS

| Designation | Name | Model | Wire*** | Note |
| SM1* | Supply air damper actuator | NO | 2 x 0.75 mm2 | 3A, 30VDC/-250 AC |
| SM2* | Extract the air damper actuator | NO | 2 x 0.75 mm2 | 3A, 30VDC/-250 AC |
| Pl<1* | Contact from the fire alarm panel | NC | 2 x 0.75 mm2 | |
| CCU* | CCU control | NO | 2 x 0.75 mm2 | 3A, 30VDC/-250 AC |
| P1* | External control panel | 4 x 0.25 mm2 | ||
| Boost | On/Off contacts for the Boost mode | NO | 2 x 0.75 mm2 | |
| CO2 | External CO, sensor | NO | 3 x 0.75 mm2 |
*Is not included in the delivery set.
** The U supply voltage of the SM1 and SM2 external dampers is selected depending on the type of dampers.
*** Maximum connecting cable length is 20 m!
Output parameters: terminals 17-22 – 3A, 30VDC / ~ 250 VAC («dry contact»).
ELECTRIC SHOCK HAZARD!
TECHNICAL MAINTENANCE
DISCONNECT THE UNIT FROM THE POWER SUPPLY BEFORE ANY MAINTENANCE OPERATIONS!
MAKE SURE THE UNIT IS DISCONNECTED FROM THE POWER MAINS BEFORE REMOVING THE PROTECTION
Maintenance operations of the unit are required 3-4 times per year. They include general cleaning of the unit and the following operations:
- Filter maintenance (3-4 times per year).
Dirty filters increase air resistance in the system and reduce supply air volume. The filters require cleaning not less than 3-4 times per year.
Clean the filter with a vacuum cleaner or replace it with a new one. For new filters contact the Seller.
- Heat exchanger maintenance (once per year).
Some dust may accumulate on the heat exchanger even in the case of regular maintenance of the filters. To maintain high heat recovery efficiency, regular cleaning is required. To clean the heat exchanger, remove it from the unit and clean the heat exchanger by using compressed air or a vacuum cleaner. In case of severe contamination, the heat exchanger can be washed with water. After cleaning, reinstall the heat exchanger into the unit.
- Fan maintenance (once per year).
Even in the case of regular maintenance of the filters, some dust may accumulate inside the fans and reduce the fan performance and supply airflow. Fans should be cleaned by the service technician. - Condensate drainage system maintenance (4 times per year).
The condensate drainage (drain line) may get clogged by dirt and dust particles contained in the exhaust air. Check the drain line operation by filling the drain pan under the unit with water, and clean the U-trap and the drain line, if necessary. - Supply airflow control (twice per year).
The supply duct grille may get clogged with leaves and other objects reducing the unit performance and supply air delivery. Check the supply grille twice per year and clean it as required. - Ductwork system maintenance (once in 5 years).
Even regular fulfillment of all the maintenance operations prescribed above may not completely prevent dirt accumulation in the air ducts, which leads to air pollution and reduces the unit capacity. Duct maintenance means regular cleaning or replacement.
UNIDENTIFIED NOISES OR ODOURS SHOULD ARISE AND IN CASE OF DEFORMATION OF ELEMENTS, VIBRATION, TERMINATION OF AIR SUPPLY/EXTRACTION, OR REDUCED SYSTEM PERFORMANCE, IMMEDIATELY DISCONNECT THE UNIT FROM THE POWER SUPPLY AND CONTACT THE SELLER FOR THE VENTILATION SYSTEM DIAGNOSTICS.
DIAGNOSTICS MUST BE CARRIED OUT BY QUALIFIED SPECIALISTS.
POSSIBLE REASONS AND TROUBLESHOOTING
| Problem | Possible reasons | Troubleshooting |
| The fan(s) does not start when the unit is on. | No power supply. | Make sure the power supply line is connected correctly, otherwise troubleshoot the connection error. |
| The mode in which the fans are turned off is set. | Change the mode with the help of the control panel. | |
| Low airflow. | Low set fan speed. | Set higher speed. |
| The filters and the fans are clogged, and the heat exchanger is clogged. | Clean or replace the filters, and clean the fans and the heat exchanger. | |
| Ventilation system elements (air ducts, diffusers, louver shutters, grilles) are clogged, damaged, or closed. | Clean or replace the ventilation system elements, such as air ducts, diffusers, louver shutters, and grilles. | |
| Cold supply air. | The extract filter is soiled. | Clean or replace the extract filter. |
| Noise, vibration. | The fan or casing screw connection is loose. | Tighten the screw connection of the fans or the casing. |
| No anti-vibration connectors on air duct pipe flanges. | Install anti-vibration connectors. | |
| Water leakage (only for the KOMFORT EC S(1)(B) 160/350/550 units). | The drainage system is soiled, damaged, or installed incorrectly. | Clean the drain line. Check the drain line slope angle. Make sure that the U-trap is filled with water and the drain pipes are frost protected. |
If troubleshooting steps have failed, contact the Seller of the product.
In case of faults not described in the table, contact the Seller for further information.
STORAGE AND TRANSPORTATION REGULATIONS
- Store the unit in the manufacturer’s original packaging box in a dry closed ventilated premise with a temperature range from +5 ˚С up to +40 ˚С and relative humidity up to 70 %.
- Storage environment must not contain aggressive vapors and chemical mixtures provoking corrosion, insulation, and sealing deformation.
- Use suitable hoist machinery for handling and storage operations to prevent possible damage to the unit.
- Follow the handling requirements applicable for the particular type of cargo.
- The unit can be carried in the original packaging by any mode of transport providing proper protection against precipitation and mechanical damage. The unit must be transported only in the working position.
- Avoid sharp blows, scratches, or rough handling during loading and unloading.
- Prior to the initial power-up after transportation at low temperatures, allow the unit to warm up at operating temperature for at least 3-4 hours.
MANUFACTURER’S WARRANTY
The product is in compliance with EU norms and standards on low voltage guidelines and electromagnetic compatibility. We hereby declare that the product complies with the provisions of Electromagnetic Compatibility (EMC) Directive 2014/30/EU of the European Parliament and of the Council, Low Voltage Directive (LVD) 2014/35/EU of the European Parliament and of the Council and CE-marking Council Directive 93/68/EEC. This certificate is issued following a test carried out on samples of the product referred to above.
The manufacturer hereby warrants normal operation of the unit for 24 months after the retail sale date provided the user’s observance of the transportation, storage, installation, and operation regulations. Should any malfunctions occur in the course of the unit operation through the Manufacturer’s fault during the guaranteed period of operation, the user is entitled to get all the faults eliminated by the manufacturer by means of warranty repair at the factory free of charge. The warranty repair includes work specific to the elimination of faults in the unit operation to ensure its intended use by the user within the guaranteed period of operation. The faults are eliminated by means of replacement or repair of the unit components or a specific part of a such unit component.
The warranty repair does not include:
- routine technical maintenance
- unit installation/dismantling
- unit setup
To benefit from a warranty repair, the user must provide the unit, the user’s manual with the purchase date stamp, and the payment paperwork certifying the purchase. The unit model must comply with the one stated in the user’s manual. Contact the Seller for warranty service.
The manufacturer’s warranty does not apply to the following cases:
- User’s failure to submit the unit with the entire delivery package as stated in the user’s manual including submission with missing component parts previously dismounted by the user.
- A mismatch between the unit model and the brand name with the information stated on the unit packaging and in the user’s manual.
- User’s failure to ensure timely technical maintenance of the unit.
- External damage to the unit casing (excluding external modifications as required for installation) and internal components caused by the user.
- Redesign or engineering changes to the unit.
- Replacement and use of any assemblies, parts, and components not approved by the manufacturer.
- Unit misuse.
- Violation of the unit installation regulations by the user.
- Violation of the unit control regulations by the user.
- Unit connection to power mains with a voltage different from the one stated in the user’s manual.
- Unit breakdown due to voltage surges in power mains.
- Discretionary repair of the unit by the user.
- Unit repair by any persons without the manufacturer’s authorization.
- Expiration of the unit warranty period.
- Violation of the unit transportation regulations by the user.
- Violation of the unit storage regulations by the user.
- Wrongful actions against the unit are committed by third parties.
- Unit breakdown due to circumstances of insuperable force (fire, flood, earthquake, war, hostilities of any kind, blockades).
- Missing seals if provided by the user’s manual.
- Failure to submit the user’s manual with the unit purchase date stamp.
- Missing payment paperwork certifying the unit purchase.
FOLLOWING THE REGULATIONS STIPULATED HEREIN WILL ENSURE A LONG AND TROUBLE-FREE OPERATION OF THE UNIT.
THE USER’S WARRANTY CLAIMS SHALL BE SUBJECT TO REVIEW ONLY UPON PRESENTATION OF THE UNIT, THE PAYMENT DOCUMENT, AND THE USER’S MANUAL WITH THE PURCHASE DATE STAMP.
CERTIFICATE OF ACCEPTANCE
| Unit Type | Air handling unit |
| Model | |
| Serial Number | |
| Manufacture Date | |
| Quality Inspector’s Stamp |
SELLER INFORMATION
| Seller | |
| Address | |
| Phone Number | |
| Purchase Date | |
| This is to certify acceptance of the complete unit delivery with the user’s manual. The warranty terms are acknowledged and accepted. | |
| Customer’s Signature | |

INSTALLATION CERTIFICATE
| The unit is installed pursuant to the requirements stated | |||
| in the present user manual. | |||
| Company name | |||
| Address | |||
| Phone Number | |||
| Installation Technician’s Full Name | |||
| Installation Date: | Signature: | ||
| The unit has been installed in accordance with the provisions of all the applicable local and national construction, electrical and technical codes and standards. The unit operates normally as intended by the manufacturer. | |||
| Signature: | |||

WARRANTY CARD
| Unit Type | Air handling unit |
| Model | |
| Serial Number | |
| Manufacture Date | |
| Purchase Date | |
| Warranty Period | |
| Seller |


www.blaubergventilatoren.de
B203EN-05




















