Miele PDR 922 Commercial Dryer

Installation requirements
The tumble dryer must only be installed and commissioned by Miele Customer Service Department or an authorised dealer.
- The tumble dryer must be installed in accordance with all relevant regulations and standards.
- The dryer must only be operated in a room that has sufficient ventilation and which is frost-free.
Electrical connection
The electrical connection must be established by a qualified electrician.
- The electrical connection may only be made to an electrical system provided in accord- ance with all appropriate local and national legislation, regulations and guidelines. Please also observe the regulations set out by your insurance provider and energy supplier, acci-dent prevention regulations, as well as recognised codes of practice.
- Reliable and safe operation of this tumble dryer is only ensured if it has been connected to the mains electricity supply. The required supply voltage, power rating and fuse rating can be found on the data plate on the tumble dryer. Ensure that the supply voltage matches the voltage quoted on the data plate before establishing the electrical connection to the tumble dryer. Connection to a supply voltage other than the one quoted on the data plate can damage the tumble dryer if the voltage is too high.
- If more than one voltage is specified on the data plate, the tumble dryer can be conver- ted for connection to the relevant input voltage. This conversion must be performed by the Miele Customer Service Department or by an authorised dealer. During the conversion, the wiring instructions given on the wiring diagram must be followed. The tumble dryer can either be hard-wired or connected using a plug-and-socket connec-tion in accordance with IEC 60309-1. For a hard-wired connection, an all-pole isolation device must be available at the installation site. An isolation device is a switch which ensures a contact opening of more than 3 mm. These include circuit breakers, fuses and contactors (IEC/EN 60947). If the mains supply cannot be permanently disconnected, the isolation device (including plug and socket) must be safeguarded against being switched on either unintentionally or without authorisation.
Tip: We recommend connecting the tumble dryer to the power supply via a plug and socket so that it is easier to conduct electrical safety checks (e.g. during maintenance or repair work). - The tumble dryer must not be connected to devices such as timers which would switch it off automatically. If it is necessary to install a residual current device (RCD) in accordance with local regu-lations, a residual current device type B (sensitive to universal current) must be used.
Installation notes
Gas connection
The gas connection must only be carried out by a registered installation technician in ac-cordance with the applicable national regulations (see installation instructions). The use of a gas socket is not permitted at the specified heater rating as the flow rate is too low. The gas heating is configured at the factory in line with the gas specifications on the sticker on the rear of the appliance. If the gas family is changed, a conversion kit must be requested from the Miele Cus-tomer Service Department (please specify the appliance type, serial number, gas family, gas group, gas connection pressure and country of installation). Follow the installation in-structions. This conversion may only be carried out by a registered specialist.
Supply air/exhaust air
The tumble dryer may only be operated when the ducting has been connected and the room is sufficiently ventilated (see installation instructions).
- Accessory parts may only be fitted when expressly approved by Miele. If other parts are used, warranty, performance and product liability claims will be invalidated.
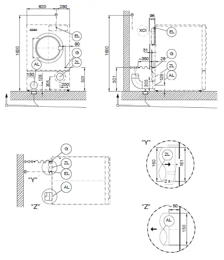
Dimensions
Measurements in millimeters
Installation
Measurements in millimeters
- EL Electrical connection
- G Gas connection
- AL Vented
- ZL Air intake
- XCI XCI-/Connector-Box (option)
Set up (Standard/Concrete platform)
Measurements in millimeters
- B Fittings/drill hole
- BS Concrete platform
Technical data
Voltage variants/electrical data
- Voltage 1N AC 230 V
- Frequency 1N AC 230 V
- Frequency 50 Hz
- Total connected load 50 Hz
- Fuse rating (on-site) 1.0 kW
- Connection cable, min. cross-section 3×1.5 mm²
- Cable gland M20
Gas connection
- Nominal heat rating 21,5 kW
- Machine-side connection according to ISO 7-1 ½”
To connect the gas appliance, a corrugated metal hose line made of stainless steel according to DIN 3384 must be used. The shut-off device must be provided on-site. Due to an insufficient flow rate, the use of a gas socket is not permissible with the specified heating output. - Connection thread for natural gas, on-site (internal thread) ½”
- Connection thread for liquid gas, on-site (internal thread) ½”
- Alternative on-site connection with high-precision steel pipe according to DIN 2391/DIN2393, with smooth pipe end DN 12
- Min. connection length 40 mm
This tumble dryer is a gas-burning machine without a flow-operated safety device with fan downstream of heat exchanger (technical design: B22). Waste gas pipework must be pressure-tight. Waste gas connections should be performed in accordance with national and local regulations and may require approval. As relative humidity inside the vent ducting can be as high as 100%, suitable measures must be taken to prevent a backflow of con-densate into the machine.
Air intake
Standard connection: Air intake from installation site
Unobstructed air intake into room recommended: (corresponding to 3 times the vent cross-section of machine). 531 cm² A sufficient supply of fresh air should be ensured to replace the air extracted.
Alternative connection: Ducted air intake (from outside building)
- Connector on machine (int. diameter) 161 mm
- Connection pipe provided on site (ext. diameter) 160 mm
Lid removal exposes live components. For safety reasons, the pipe connected for central air intake should be at least 900 mm long and secured using two screws.
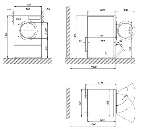
Machine data
- Overall machine width 906 mm
- Overall machine height 1400 mm
- Overall machine depth 1162 mm
- Niche width 1250 mm
- Recommended distance between front of machine and the wall 1600 mm
- Minimum distance between rear edge of lid and the wall 500 mm
- Packaging width 1090 mm
- Packaging height 1526 mm
- Packaging depth 1254 mm
- Maximum gross volume 2085.8 l
- Maximum gross weight 218.4 kg
- Maximum net weight 203.9 kg
- Max. floor load in operation 2324 N
- Exhaust air spigot diameter 150 mm
- Drum diameter 850 mm
- Drum opening diameter 520 mm
- Drum depth 742 mm
- Drum volume 400 l
- Door opening diameter 520 mm
- Max. door opening angle 180°
- Emission sound pressure level 62 dB(A) re 20 μPa
- Sound power level 70
- Heat dissipation rate to installation site 2.6 MJ/h
- Permitted ambient temperature 2–40 °C
Mounting variants
Mounting without base
- Clamps 2
- Wood screws DIN 571 (Ø×lenght) 2 6×40 mm
- Dowel (Ø×lenght) 2 10×50 mm
- Machine must be bolted to the floor.
- Fixing materials for a floating screed floor are to be provided on site.
Mounting on concrete platform
- Clamps 2
- Wood screws DIN 571 (Ø×lenght) 2 6×40 mm
- Dowel (Ø×lenght) 2 10×50 mm
- Machine must be bolted to the floor.
- Fixing materials for a floating screed floor are to be provided on site.
Technical data
Optional extras
- Minimum width 900 mm
- Recommended height 100 mm
- Minimum height 50 mm
- Minimum depth 1200 mm
- Quality and density of concrete must comply with load. Concrete platform must be firmly secured to floor.
United Kingdom
Miele Co. Ltd., Fairacres, Marcham Road
Abingdon, Oxon, OX14 1TW
Professional Sales, Tel: 0845 365 6608
E-mail: [email protected]
Internet: www.miele.co.uk/professional





















