Miele PDR 928/528 EL Commercial Dryer

Installation requirements
The tumble dryer must only be installed and commissioned by Miele Customer Service Department or an authorised dealer.
- The tumble dryer must be installed in accordance with all relevant regulations and standards.
- The dryer must only be operated in a room that has sufficient ventilation and which is frost-free.
Electrical connection
The electrical connection must be established by a qualified electrician.
- The electrical connection may only be made to an electrical system provided in accordance with all appropriate local and national legislation, regulations and guidelines. Please also observe the regulations set out by your insurance provider and energy supplier, accident prevention regulations, as well as recognized codes of practice.
- The reliable and safe operation of this tumble dryer is only ensured if it has been connected to the mains electricity supply.
The required supply voltage, power rating and fuse rating can be found on the data plate on the tumble dryer. Ensure that the supply voltage matches the voltage quoted on the data plate before establishing the electrical connection to the tumble dryer. Connection to a supply voltage other than the one quoted on the data plate can damage the tumble dryer if the voltage is too high. - If more than one voltage is specified on the data plate, the tumble dryer can be converted for connection to the relevant input voltage. This conversion must be performed by the Miele Customer Service Department or by an authorised dealer. During the conversion, the wiring instructions given on the wiring diagram must be followed.
The tumble dryer can either be hard-wired or connected using a plug-and-socket connection in accordance with IEC 60309-1. For a hard-wired connection, an all-pole isolation device must be available at the installation site. An isolation device is a switch that ensures a contact opening of more than 3 mm. These include circuit breakers, fuses and contactors (IEC/EN 60947).
If the mains supply cannot be permanently disconnected, the isolation device (including plug and socket) must be safeguarded against being switched on either unintentionally or without authorisation.
Tip:
We recommend connecting the tumble dryer to the power supply via a plug and socket so that it is easier to conduct electrical safety checks (e.g. during maintenance or repair work).
- The tumble dryer must not be connected to devices such as timers which would switch it off automatically.
If local regulations require that a residual current device (RCD) is installed, a type B residual current device (sensitive to universal current) must be used. - If local and national installation specifications require equipotential bonding, good galvanic contact must be guaranteed. Equipotential bonding must have an earth current rating> 10 mA.
Air intake/exhaust air
The tumble dryer may only be operated when the ducting has been connected properly and the room is sufficiently ventilated.
- Accessory parts may only be fitted when expressly approved by Miele. If other parts are used, warranty, performance and product liability claims will be invalidated.
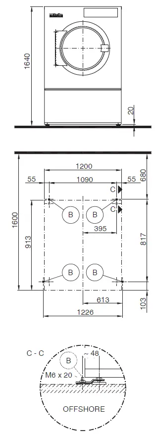
Dimensions

Dimensions quoted in millimeters
Installation

Measurements in millimeters
- EL Electrical connection
- AL Exhaust duct
- ZL Air intake
- PA Connection for equipotential bonding (optional)
- SLA Peak-load connection (optional)
- XCI XCI Box/Connector Box (optional)
Installation (standard/on concrete plinth)

Dimensions quoted in millimeters
- B Drill hole/anchor point
- BS Concrete plinth
Set up (Offshore)

Measurements in millimeters
- B Drill hole/anchor point
Technical data
Voltage variants/electrical data
Voltage variant 1
Standard connection
- Supply voltage 3N AC 400 V
- Frequency 50/60 Hz
- Power rating 28.2 kW
- Fuse rating (on site) 3×50 A
- Minimum cross-section for connection cable 5×10 mm²
- Cable gland M40
Voltage variant 2
Standard connection
- Supply voltage 3 AC 230 V
- Frequency 50/60 Hz
- Power rating 28.2 kW
- Fuse rating (on site) 3×80 A
- The minimum cross-section for the connection cable is 4×25 mm²
- Cable gland M50
Exhaust air
- The maximum nominal volume flow rate in extraction mode (PDR 9xx only) is 1130 m³/h
- Maximum nominal volume flow rate (PDR 5xx only) 870 m³/h
- Maximum permitted pressure loss 360 Pa
- Connector on machine side (external diameter) 150 mm
- Connection pipe provided on-site (internal diameter) 150 mm
- Maximum exhaust air temperature 80 °C
As relative humidity inside the exhaust ducting can be as high as 100 %, suitable measures must be taken to prevent a backflow of condensate into the machine.
Air intake
Standard connection: air intake from the installation site
- Recommended free air intake cross-section into the room:
(equivalent to 3 times the exhaust air cross-section of a machine). 531 cm² - There must be sufficient air intake to the installation site to match the air outlet volume.
Alternative connection: air intake connection directly from outdoors
- Connection sleeve on machine side (internal diameter) 161 mm
- Connection pipe provided on-site (external diameter) 160 mm
Removing the protective cover exposes live parts. For safety reasons, a pipe must be installed from the tumble dryer’s central fresh air intake (over a minimum length of 900 mm) and secured with 2 screws.
Equipotential bonding (optional)
- Connection with male thread 10×35 mm
- Washers and nuts M10
- Accessories for equipotential bonding are not supplied and need to be ordered separately
Peak-load negotiation (optional)
- Supply voltage for control contacts AC 230 V
- Minimum cross-section for connection cable 5×1.5 mm²
Miele recommends using a flexible connection cable with an additional isolation option to establish the connection. The isolator should remain visible once the tumble dryer has been installed and must be freely accessible.
Machine data
- Machine width, total 1206 mm
- Machine height, total 1640 mm
- Machine depth, total 1019 mm
- Niche width 1550 mm
- Recommended wall spacing (up to the front edge of the machine) 1600 mm
- Minimum wall spacing (up to the back edge of the lid) 500 mm
- Packaging width 1390 mm
- Packaging height 1766 mm
- Packaging depth 1108 mm
- Maximum gross volume 2719.9 l
- Maximum gross weight 257.9 kg
- Maximum net weight 243.3 kg
- Max. floor load in operation 2799 N
- Diameter of the exhaust duct is 150 mm
- Drum diameter 1100 mm
- Diameter of the drum opening is 520 mm
- Drum depth 561 mm
- Drum volume 500 l
- Diameter of door opening is 520 mm
- Maximum door opening angle 180°
- Emission sound pressure level 58 dB(A) re 20 μPa
- Sound power level 68
- Average heat dissipation rate into the room 3.3 MJ/h
- Permissible ambient temperature range 2–40 °C
Fixing options
Fixing without plinth
Quantity/Screw size
- Tensioning strips 2
- Wood screws DIN 571 (Ø × length) 2 6×40 mm
- Plugs (Ø × length) 2 10×50 mm
If the tumble dryer is being installed without a plinth, fixing it in place is recommended. Fastenings for floating screed must be supplied by the customer on-site.
Fixing to a concrete plinth
| Fixing to a concrete plinth | |
| Quantity | Screw size |
| Tensioning strips 2 | |
| Wood screws DIN 571 (Ø × length) 2 | 6×40 mm |
| Plugs (Ø × length) 2 | 10×50 mm |
| If the tumble dryer is being fixed to a concrete plinth on site, fixing in place is absolutely essential. Fastenings for floating screed must be supplied by the customer on site. | |
| Options/Accessories | |
| Concrete base (on site) | |
| Minimum width | 1200 mm |
| Recommended height | 100 mm |
| Minimum height | 50 mm |
| Minimum depth | 1100 mm |
| The quality of the concrete and its strength must be assessed according to the machine load. The on-site concrete plinth must be fixed adequately to the floor. | |
Miele & Cie. KG
Carl-Miele-Straße 29
33332 Gütersloh
Germany
Telefon: 05241 89-0
Telefax: 05241 89-2090
Internet: www.miele.com/professional.


















