

PDR 914/514 G
Gasbeheizt
Installation notes
Installation requirements
The tumble dryer must only be installed and commissioned by Miele Customer Service Department or an authorized dealer.
The tumble dryer must be installed in accordance with all relevant regulations and standards.
The dryer must only be operated in a room that has sufficient ventilation and which is frost-free.
Electrical connection
The electrical connection must be established by a qualified electrician.
The electrical connection may only be made to an electrical system provided in accordance with all appropriate local and national legislation, regulations, and guidelines. Please also observe the regulations set out by your insurance provider and energy supplier, accident prevention regulations, as well as recognized codes of practice.
Reliable and safe operation of this tumble dryer is only ensured if it has been connected to the mains electricity supply.
The required supply voltage, power rating, and fuse rating can be found on the data plate on the tumble dryer. Ensure that the supply voltage matches the voltage quoted on the data plate before establishing the electrical connection to the tumble dryer. Connection to a supply voltage other than the one quoted on the data plate can damage the tumble dryer if the voltage is too high.
If more than one voltage is specified on the data plate, the tumble dryer can be converted for connection to the relevant input voltage. This conversion must be performed by the Miele Customer Service Department or by an authorized dealer. During the conversion, the wiring instructions given on the wiring diagram must be followed.
The tumble dryer can either be hard-wired or connected using a plug-and-socket connection in accordance with IEC 60309-1. For a hard-wired connection, an all-pole isolation device must be available at the installation site.
An isolation device is a switch that ensures a contact opening of more than 3 mm.
These include circuit breakers, fuses, and contactors (IEC/EN 60947).
If the mains supply cannot be permanently disconnected, the isolation device (including plug and socket) must be safeguarded against being switched on either unintentionally or without authorization.
Tip: We recommend connecting the tumble dryer to the power supply via a plug and socket so that it is easier to conduct electrical safety checks (e.g. during maintenance or repair work).
The tumble dryer must not be connected to devices such as timers that would switch it off automatically.
If local regulations require that a residual current device (RCD) is installed, a type B residual current device (sensitive to universal current) must be used.
Gas connection
The gas connection must only be carried out by a registered installation technician in accordance with the applicable national regulations (see installation instructions).
The use of a gas socket is not permitted at the specified heater rating as the flow rate is too low.
The gas heating is configured at the factory in line with the gas specifications on the sticker on the rear of the appliance.
If the gas family is changed, a conversion kit must be requested from the Miele Customer Service Department (please specify the appliance type, serial number, gas family, gas group, gas connection pressure, and country of installation). Follow the installation instructions. This conversion may only be carried out by a registered specialist.
Air intake/exhaust air
The tumble dryer may only be operated when the ducting has been connected properly and the room is sufficiently ventilated.
Accessory parts may only e fitted when expressly approved by Miele. If other parts are used, warranty, performance, and product liability claims will be invalidated.
PDR 914/514, gas heated
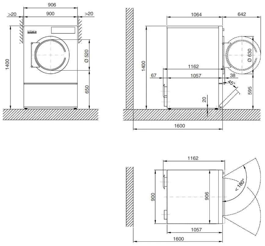
Dimensions

Dimensions quoted in millimeters
Installation

Measurements in millimeters
EL Electrical connection
G Gas connection
AL Exhaust duct
ZL Air intake
XCI XCI Box/Connector Box (optional)
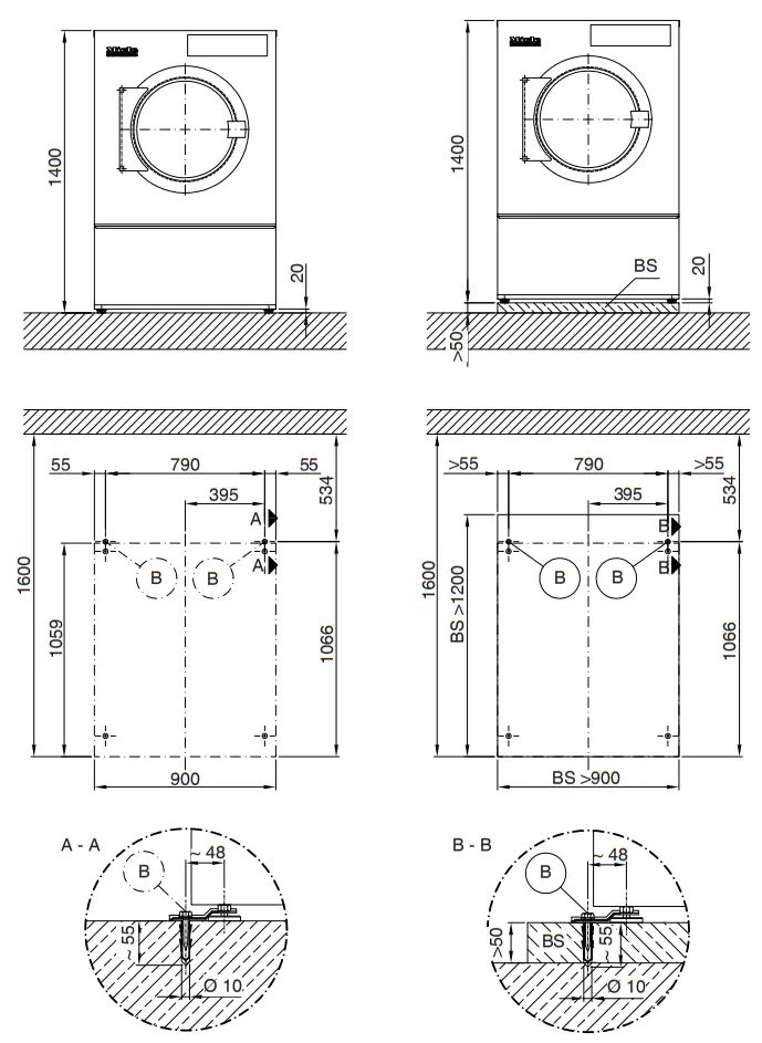
Installation (standard/UG)

Dimensions quoted in millimeters
B Drill hole/anchor point
UG Box plinth
Set up (Concrete platform)

Measurements in inches
B Drill hole/anchor point
BS Concrete plinth
Technical data
Voltage variants/electrical data
| Standard connection | |
| Supply voltage | 1N AC 230 V |
| Frequency | 50 Hz |
| Power rating | 0.6 kW |
| Fuse rating (on-site) | 10 A |
| The minimum cross-section for the connection cable | 3×1.5 mm² |
| Cable gland | M20 |
Gas connection
| Nominal heat rating | 15 kW |
| Machine-side connection according to ISO 7-1 To connect the gas appliance, a corrugated metal hose line made of stainless steel according to DIN 3384 must be used. The shut-off device must be provided on-site. Due to an insufficient flow rate, the use of a gas socket is not permissible with the specified heating output. | ½” |
| Connection thread for natural gas, on-site (internal thread) | ½” |
| Connection thread for liquid gas, on-site (internal thread) | ½” |
| Alternative on-site connection with high-precision steel pipe according to DIN 2391/DIN2393, with smooth pipe end Min. connection length | DN 12 40 mm |
| Connection pressure according to DIN EN 437. Connection to gas supply must comply with national regulations. |
Waste air/gas
| Max. nominal airflow in vented mode (PDR 9xx only) | 620 m³/h |
| Max. nominal airflow (PDR 5xx only) | 620 m³/h |
| Max. permissible pressure loss | 280 Pa |
| Connection on machine side (ext. diameter) | 150 mm |
| Connection pipe provided on-site (int. diameter) | 150 mm |
| Max. temperature | 80 °C |
| This tumble dryer is a gas-burning machine without a flow-operated safety device with a fan downstream of the heat exchanger (technical design: B22). Waste gas pipework must be pressure-tight. Waste gas connections should be performed in accordance with national and local regulations and may require approval. | |
| As relative humidity inside the vent ducting can be as high as 100%, suitable measures must be taken to prevent a backflow of condensate into the machine. | |
Air intake
| Standard connection: air intake from the installation site Recommended free air intake cross-section into the room: (equivalent to 3 times the exhaust air cross-section of a machine). There must be sufficient air intake to the installation site to match the air outlet volume. | 531 cm² |
| Alternative connection: air intake connection directly from outdoors Connection sleeve on machine side (internal diameter) Connection pipe provided on-site (external diameter) | 161 mm 160 mm |
| Removing the protective cover exposes live parts. For safety reasons, a pipe must be installed from the tumble dryer’s central fresh air intake (over a minimum length of 900 mm) and secured with 2 screws. | |
Machine data
| Machine width, total | 906 mm |
| Machine height, total | 1400 mm |
| Machine depth, total | 852 mm |
| Niche width | 1250 mm |
| Recommended wall spacing (up to the front edge of the machine) | 1300 mm |
| Minimum wall spacing (up to the back edge of the lid) | 500 mm |
| Packaging width | 1090 mm |
| Packaging height | 1526 mm |
| Packaging depth | 938 mm |
| Maximum gross volume | 1560.2 l |
| Maximum gross weight | 173.7 kg |
| Maximum net weight | 162.4 kg |
| Max. floor load in operation | 1799 N |
| Diameter of the exhaust duct | 150 mm |
| Drum diameter | 850 mm |
| Diameter of drum opening | 520 mm |
| Drum depth | 480 mm |
| Drum volume | 250 l |
| Diameter of the door opening | 520 mm |
| Maximum door opening angle | 180° |
| Emission sound pressure level | 51 dB(A) re 20 µPa |
| Sound power level | 62 |
| Average heat dissipation rate into the room | 3.9 MJ/h |
| Permissible ambient temperature range | 2–40 °C |
Fixing options
Fixing without plinth
| Quantity | Screw size | |
| Tensioning strips | 2 | |
| Wood screws DIN 571 (Ø × length) | 2 | 6×40 mm |
| Plugs (Ø × length) | 2 | 10×50 mm |
| Fixing the appliance in place is absolutely essential. Fastenings for floating screed must be supplied by the customer on-site. | ||
Fixing to a concrete plinth
| Quantity | Screw size | |
| tensioning strips | 2 | |
| Wood screws DIN 571 (Ø × length) | 2 | 6×40 mm |
| Plugs (Ø × length) | 2 | 10×50 mm |
| If the tumble dryer is being fixed to a concrete plinth on-site, fixing in place is absolutely essential. Fastenings for floating screed must be supplied by the customer on-site. | ||
Technical data
Options/Accessories
Concrete base (on-site)
| Minimum width | 900 mm |
| Recommended height | 100 mm |
| Minimum height | 50 mm |
| Minimum depth | 900 mm |
| The quality of the concrete and its strength must be assessed according to the machine load. The on-site concrete plinth must be fixed adequately to the floor. | |

Deutschland:
Miele & Cie. KG
Vertriebsgesellschaft Deutschland
Geschäftsbereich Professional
Carl-Miele-Straße 29
33332 Gütersloh
Telefon: 0 800 22 44 644
Telefax: 0 800 33 55 533
Miele im Internet: www.miele.de/professional
Österreich:
Miele Gesellschaft m.b.H.
Mielestraße 1
5071 Wals bei Salzburg
Verkauf: Telefon 050 800 420 – Telefax 050 800 81 429
E-Mail: vertrieb-[email protected]
Miele im Internet: www.miele.at/professional
Kundendienst 050 800 390
(Festnetz zum Ortstarif; Mobilfunkgebühren abweichend)
Luxemburg:
Miele S.à.r.l.
20, rue Christophe Plantin
Postfach 1011
L-1010 Luxemburg/Gasperich
Telefon: 00352 4 97 11-30 (Kundendienst)
Telefon: 00352 4 97 11-45 (Produktinformation)
Mo-Do 8.30-12.30, 13-17 Uhr
Fr 8.30-12.30, 13-16 Uhr
Telefax: 00352 4 97 11-39
Miele im Internet: www.miele.lu
E-Mail: [email protected]
Miele & Cie. KG
Carl-Miele-Straße 29, 33332 Gütersloh, Deutschland




















