
Miele PDR 507 EL Vented Dryer 
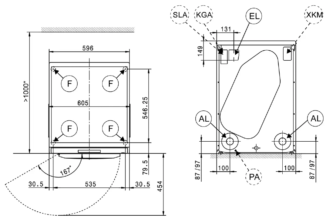
Appliance dimensions
* The distances between the machine and the wall are recommendations to help make it easier to carry out service work. If installation space is limited, the machine can also be pushed up against the wall. 

Installation
* The distances between the machine and the wall are recommendations to help make it easier to carry out service work. If installation space is limited, the machine can also be pushed up against the wall. 

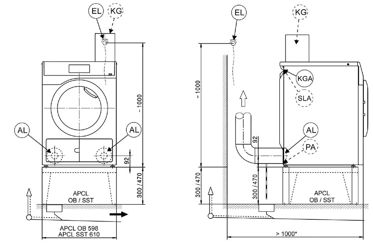
Washer-dryer stack
* The distances between the machine and the wall are recommendations to help make it easier to carry out service work. If installation space is limited, the machine can also be pushed up against the wall. 

* The distances between the machine and the wall are recommendations to help make it easier to carry out service work. If installation space is limited, the machine can also be pushed up against the wall. 

Technical data
| Drying system | Vented | |
| Drum volume | l | 130 |
| Load capacity | kg | 7.0 |
| Door opening diameter | mm | 370 |
| Electrical connection ( EL) | ||
| Standard voltage | 3N AC 400 V | |
| Frequency | Hz | 50/60 |
| Total rated load | kW | 6.4 |
| Fuse rating (B trip rating according to EN 60898) | A | 3 x 10 |
| Supply lead min. cross-section | mm² | 5 x 1.5 |
| Supply lead without plug | ˜ | |
| Length of supply lead | mm | 2000 |
| Alternative voltage (convertible by Miele Customer Service Department) | 1N AC 230 V | |
| Frequency | Hz | 50/60 |
| Total rated load | kW | 3.24 |
| Fuse rating (B trip rating according to EN 60898) | A | 1 x 16 |
| Supply lead min. cross-section | mm² | 3 x 1.5 |
| Alternative voltage (convertible by Miele Customer Service Department) | 3 AC 230 V | |
| Frequency | Hz | 50/60 |
| Total rated load | kW | 6.4 |
| Fuse rating (B trip rating according to EN 60898) | A | 3 x 16 |
| Supply lead min. cross-section | mm² | 4 x 1.5 |
| Non-standard voltages MAR 400/440/480 (Marine) | 3 AC 400/440/480 V | |
| Frequency | Hz | 50/60 |
| Total rated load | kW | 4.5/5.4/6.4 |
| Fuse rating (B trip rating according to EN 60898) | A | 3 x 10 |
| Supply lead min. cross-section | mm² | 4 x 1.5 |
| Supply lead without plug | ˜ | |
| Length of supply lead | mm | 2000 |
| Variations in the following countries: | ||
| Standard voltage 13 A (GB only) | 3N AC 400 V | |
| Frequency | Hz | 50/60 |
| Total rated load | kW | 5.47 |
| Fuse rating (B trip rating according to EN 60898) | A | 3 x 13 |
| Supply lead min. cross-section | mm² | 5 x 1.5 |
| Supply lead without plug | ˜ | |
| Length of supply lead | mm | 2000 |
| Standard voltage 13 A (GB only) | 1N AC 220–230 V | |
| Frequency | Hz | 50/60 |
| Total rated load | kW | 2.76–2.99 |
| Fuse rating (B trip rating according to EN 60898) | A | 1 x 13 |
| Supply lead min. cross-section | mm² | 3 x 1.5 |
| Supply lead with plug | ˜ | |
| Length of supply lead | mm | 2000 |
| Standard voltage 25 A (GB only) | 1N AC 220–230 V | |
| Frequency | Hz | 50/60 |
| Total rated load | kW | 5.03–5.47 |
| Fuse rating (B trip rating according to EN 60898) | A | 1 x 25 |
| Supply lead min. cross-section | mm² | 3 x 2.5 |
| Supply lead without plug | ˜ | |
| Length of supply lead | mm | 2000 |
| Technical data | PDR 507 EL | |
| Standard voltage (N only) | 3 AC 230 V | |
| Frequency | Hz | 50/60 |
| Total rated load | kW | 6.4 |
| Fuse rating (B trip rating according to EN 60898) | A | 3 x 16 |
| Supply lead min. cross-section | mm² | 4 x 1.5 |
| Supply lead without plug | ˜ | |
| Length of supply lead | mm | 2000 |
| Alternative voltage (convertible) | 1N AC 230 V | |
| Total rated load | kW | 3.24 |
| Fuse rating (B trip rating according to EN 60898) | A | 1 x 16 |
| Supply lead min. cross-section | mm² | 3 x 1.5 |
| Alternative voltage (convertible) | 3N AC 400 V | |
| Frequency | Hz | 50/60 |
| Total rated load | kW | 6.4 |
| Fuse rating (B trip rating according to EN 60898) | A | 3 x 10 |
| Supply lead min. cross-section | mm² | 5 x 1.5 |
| Vented ( EL) | ||
| Connection (ext. diameter) | mm | 100 |
| Max. exhaust air temperature | °C | 80 |
| Electrical connection with 50 Hz/60 Hz | ||
| Max. permissible pressure loss | Pa | 340 |
| Max. flow rate w/o counterpressure (0 Pa) in vented mode | m³/h | 285 |
| Equipotential bonding ( PA) | ||
| Appliance connection (with installation kit) | š | |
| XCI – Box / XCI- AD interface | ˜ | |
| Peak load/ energy management ( SLA) | ||
| Appliance connection (with XCI-Box) | š | |
| Payment system connection ( KGA) | ||
| Connection of payment systems (with XCI-Box / XCI-AD) | š | |
| Communication module ( XKM) | ||
| Communication module XKM 3200 WL PLT | š | |
| Installation on appliance feet ( F) | ||
| No. of appliance feet | No. | 4 |
| Appliance foot, height-adjustable with thread | mm | ± 5 |
| Appliance foot diameter | mm | 31.7 |
| Anchoring ( B) | ||
| Anchoring of Miele plinths | ||
| Miele plinth installation (fasteners included) | š | |
| Required anchor points | No. | 4 |
| Wood screws according to DIN 571 | mm | 8 x 65 |
| Rawl plugs (diameter x length) | mm | 12 x 60 |
| Plinth floor anchoring (to be provided on site) | ||
| Appliance installation on on-site plinth (concrete or masonry) | š | |
| Min. plinth installation footprint (W/D) | mm | 600/650 |
| Wood screws according to DIN 571 | mm | 6 x 50 |
| Rawl plugs (diameter x length) | mm | 8 x 40 |
| Technical data | PDR 507 EL | |
| Appliance data | ||
| Overall appliance dimensions (H/W/D) | mm | 850/605/717 |
| Casing dimensions (H/W/D) | mm | 850/596/677 |
| Site-access dimensions (H/W) | ||
| Min. site-access opening (excl. packaging) | mm | 900/605 |
| Installation dimensions | ||
| Side gap | mm | 20 |
| Recommended side gap – washer-dryer stack | mm | 300 |
| Recommended distance to opposite wall from appliance front | mm | 1000 |
| Weights and floor loads | ||
| Appliance weight (net weight) | kg | 50 |
| Max. floor load in operation | N | 670 |
| Emissions | ||
| Sound pressure level (in accordance with EN ISO 11204/11203) | dB(A) | <70 |
| Heat dissipation rate to installation site | W | 200 |
Installation and planning notes
Installation requirements
The tumble dryer should only be connected to a power supply provided in accordance with all appropriate local and national legislation and regulations.
In addition, all regulations issued by the appropriate utilities as well as standards relating to occupational safety and all applicable valid regulations and technical standards must be observed.
General operating conditions
Ambient temperature in installation room: +2 °C to +35 °C.
Electrical connection
- Depending on the model, the tumble dryer is delivered with a supply lead with/without a plug.
- The appliance may only be connected to an electrical system that conforms to the national and local codes and regulations (BS 7671 in the UK). The installation must be performed by a qualified electrician.
- The data plate indicates the nominal power consumption and the appropriate fuse rating. Compare the specifications on the data plate with those of the electrical power supply.
- It is always recommended to connect the appliance via a plug and socket so that electrical safety checks, e.g. during repair or service work, can be carried out easily.
- The appliance can either be hard-wired or connected using a plug-and-socket connection in accordance with IEC 60309-1. If the appliance is hard-wired, a dual circuit breaker must be provided on site. When switched off there must be an all-pole contact gap of at least 3 mm in the isolator switch (including circuit breakers, fuses and contactors according to IEC/EN 60947).
- The plug connector or isolator switch should be easily accessible at all times. If the appliance is disconnected from the electricity supply, the isolator must be lockable or the point of disconnection must be monitored at all times.
The tumble dryer should never be connected by an extension cable, e.g. power strips, to avoid the risk of fire.
New connections, modifications to the system or servicing of the earthing conductor, including determining the correct fuse amperage, must be carried out by a qualified electrician, as they are familiar with the pertinent regulations and the specific requirements of the electric utility company.
If converting the tumble dryer to an alternative voltage, observe the instructions in the wiring diagram. Conversion must be performed by the Miele Customer Service Department or by an authorised Miele dealer. The heater rating must also be adapted.
The appliance must not be connected to devices such as timers which would switch it off automatically.
References to cable cross-sections in the technical data refer only to the required mains cable. Please consult relevant local and national regulations when calculating any other wire gauges.
Vent connection
Hot moist exhaust air should be vented to atmosphere along the shortest possible route or connected to a suitable vent system.
Depending on the duct path, the moist exhaust air can condense on the duct walls to a greater or lesser extent. For this reason it is recommended to lay ducting with a downwards slope to the air exit. If ducting slopes upwards, a condensate trap either with a drip tray or a connection to a suitable on-site floor drain must be fitted in the system at the lowest point.
Condensate must not flow back into the appliance.
It is permissible to vent exhaust air via an external wall. In this case, measures must be taken to minimise the risk and annoyance to neighbouring buildings.
The end of exhaust air ducting leading into the open should be protected against the elements, e.g. using a suitable hood or with a 90° bend.
The cross-sectional area of the ducting must not be reduced or obstructed by built-in parts. Filters and louvres must not be fitted in the ducting.
Congestion in the line may lead to a drop in appliance performance or to appliances being switched off to guarantee safety.
Proper functioning of the tumble dryer cannot be guaranteed if the max. permissible pressure loss is exceeded in the on-site vent ducting system.
When connecting several tumble dryers to a common duct, the cross-sectional area of the duct must be increased accordingly.
Additionally, in such a case every tumble dryer must have its own non-return valve to prevent dryers affecting others in the system. This requires the provision of on-site additional parts.
In the event that exhaust air ducts from several tumble dryers are merged into a common duct, a non-return device should be installed in each separate line to prevent backflow.
With complex ducting with many bends and additional components, or with the connection of several different tumble dryers to a common duct, it is recommended that a detailed calculation is carried out by a suitable specialist.
Air intake
The air supply for the tumble dryer is taken directly from the installation site.
During operation, adequate ventilation of the installation site should be guaranteed. Depending on the appliance version, it is necessary to ensure an intake of fresh air to compensate for the volume of exhaust air extracted in order to avoid the creation of a vacuum.
It should not be possible to close or otherwise obstruct air intake grilles or alternative measures should be implemented to ensure that an adequate supply of fresh air is available at all times during appliance operation.
Equipotential bonding
If necessary, equipotential bonding with good galvanic contact must be guaranteed in compliance with all applicable local and national installation specifications.
Connection material for equipotential bonding must be provided on site or using a kit available from the Miele Customer Service Department.
Peak load/energy management
The appliance can be connected to a peak-load or energy management system using an optional kit.
When the peak-load function is activated, the heating is deactivated. A message appears in the display to inform you of this.
Payment system
The tumble dryer can be fitted with a single-machine payment system as an optional accessory using an optional kit (XCI-Box / XCI-AD).
The programming required for connecting a payment system can be carried out during the initial commissioning process. After initial commissioning, changes may only be carried out by your Miele dealer or the Miele Customer Service Department.
Interface
- The appliance can be fitted with an XKM 3200 WL PLT communication module.
- This module can be used as a WiFi or LAN interface.
- The LAN interface provided via the module complies with SELV
(Safety Extra Low Voltage) in accordance with EN 60950. Connected appliances must also comply with SELV. The LAN connection uses a RJ45 connector in accordance with EIA/TIA 568-B.
Installation and anchoring
- The appliance must be installed on a perfectly smooth, level and firm surface which is able to withstand the quoted loads.
- The floor load created by the appliance is concentrated and transferred to the installation footprint via the appliance feet.
- The appliance should be leveled in both directions with the aid of the adjustable feet.
Plinth installation
The tumble dryer can be installed on a plinth (open or box plinth, available as an optional Miele accessory) or on a concrete plinth to be provided on site.
The quality of the concrete and its strength must be assessed according to the appliance load. Ensure that any raised concrete plinth is adequately bonded to the floor below.
Washer-dryer stack
The tumble dryer can be installed as a washer-dryer stack together with a Miele washing machine. A stacking kit (optional accessory) is required for this.
Installation of the stacking kit must be performed by the Miele Customer Service Department or an authorised Miele service technician.
References
professional.com.au
Miele Official UAE | Premium Domestic Appliances Online.
美诺Miele官网
Miele Professional - Welcome to our website
Miele | Home Appliances South Africa
Miele Professional Australia
Home
Welcome to Miele – Immer Besser.
Miele India | Luxury Home Appliances, Buy Kitchen Appliances Products
Miele Singapore - Premium and Luxury home appliances




















