Miele PDR 914/514 EL Electrically Heated Commercial Dryer Installation Guide

To avoid the risk of accidents or damage to the machine, it is essential to read these instructions before it is installed and used for the first time.
Installation notes
Installation requirements
The tumble dryer must only be installed and commissioned by Miele Customer Service Department or an authorised dealer.
The tumble dryer must be installed in accordance with all relevant regulations and standards. The dryer must only be operated in a room that has sufficient ventilation and which is frost-free.
Electrical connection
The electrical connection must be established by a qualified electrician.
The electrical connection may only be made to an electrical system provided in accordance with all appropriate local and national legislation, regulations and guidelines. Please also observe the regulations set out by your insurance provider and energy supplier, accident prevention regulations, as well as recognised codes of practice. Reliable and safe operation of this tumble dryer is only ensured if it has been connected to the mains electricity supply.
The required supply voltage, power rating and fuse rating can be found on the data plate on the tumble dryer. Ensure that the supply voltage matches the voltage quoted on the data plate before establishing the electrical connection to the tumble dryer. Connection to a supply voltage other than the one quoted on the data plate can damage the tumble dryer if the voltage is too high.
If more than one voltage is specified on the data plate, the tumble dryer can be converted for connection to the relevant input voltage. This conversion must be performed by the Miele Customer Service Department or by an authorised dealer. During the conversion, the wiring instructions given on the wiring diagram must be followed. The tumble dryer can either be hard-wired or connected using a plug-and-socket connection in accordance with IEC 60309-1. For a hard-wired connection, an all-pole isolation device must be available at the installation site. An isolation device is a switch which ensures a contact opening of more than 3 mm. These include circuit breakers, fuses and contactors (IEC/EN 60947). If the mains supply cannot be permanently disconnected, the isolation device (including plug and socket) must be safeguarded against being switched on either unintentionally or without authorisation.
Tip: We recommend connecting the tumble dryer to the power supply via a plug and socket so that it is easier to conduct electrical safety checks (e.g. during maintenance or repair work). The tumble dryer must not be connected to devices such as timers which would switch it off automatically.
If it is necessary to install a residual current device (RCD) in accordance with local regulations, a residual current device type B (sensitive to universal current) must be used.
Equipotential bonding with a good contact connection should be carried out in accordance with local and national installation regulations. Equipotential bonding with a leakage current of >10 mA should be carried out. Accessories required for equipotential bonding (washers and nuts) are not supplied with the machine.
Supply air/exhaust air
The tumble dryer may only be operated when the ducting has been connected and the room is sufficiently ventilated (see installation instructions). Accessory parts may only be fitted when expressly approved by Miele. If other parts are used, warranty, performance and product liability claims will be invalidated.
PDR 914/514 EL / Electrically heated
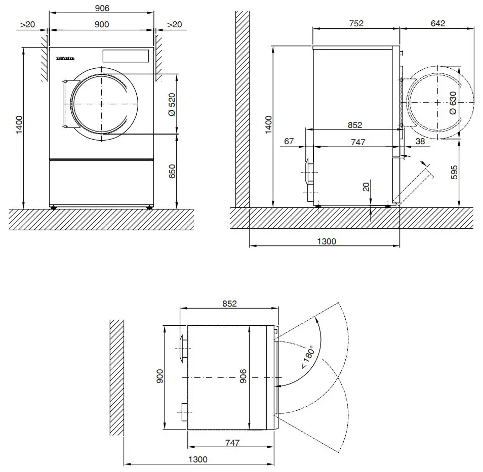
Dimensions

Installation

Measurements in millimetres
EL Electrical connection
AL Vented
ZL Air intake
PA Equipotential bonding (option)
SLA Peak load energy management (option)
XCI XCI-/Connector-Box (option)
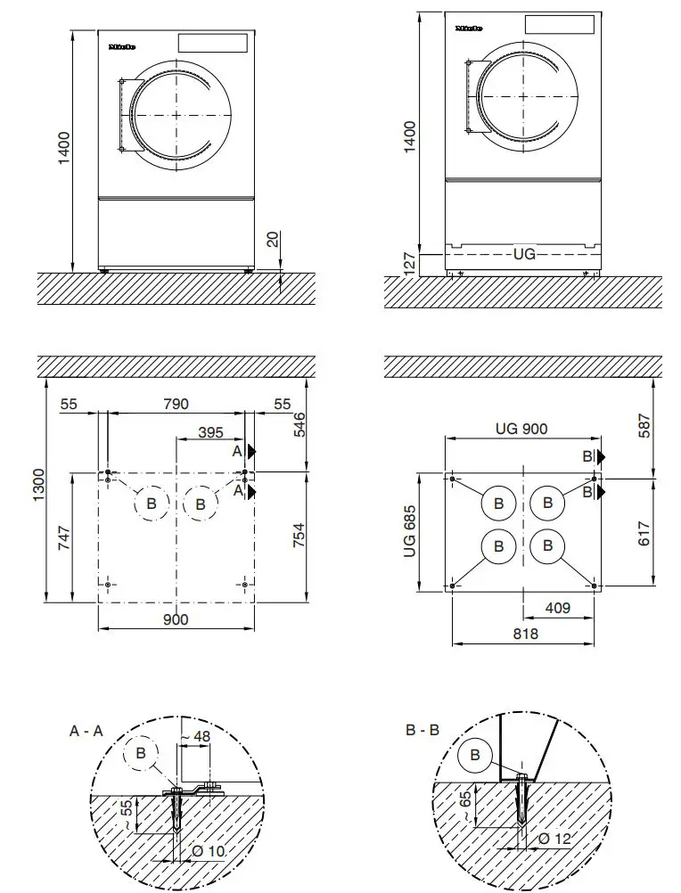
Set up (Standard/Miele base)

UG Miele base
B Fittings/drill hole
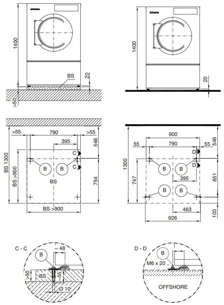
Set up (Concrete platform/Offshore)

Measurements in millimetres
BS Concrete platform
B Fittings/drill hole
Technical data
Voltage variants/electrical data
Voltage variant 1

Voltage variant 2

Waste air

Air intake
Standard connection: Air intake from installation site
Unobstructed air intake into room recommended: (corresponding to 3 times the vent cross-section of machine). 531 cm²
A sufficient supply of fresh air should be ensured to replace the air extracted.
Alternative connection: Ducted air intake (from outside building)
Connector on machine (int. diameter) 161 mm
Connection pipe provided on site (ext. diameter) 160 mm
Lid removal exposes live components. For safety reasons, the pipe connected for central air intake should be at least 900 mm long and secured using two screws.
Equipotential bonding (option)

Peak load energy management (option)

Machine data

Mounting variants
Mounting without base

Mounting on concrete platform

Mounting on Miele base

Optional extras
Miele base (option)

Concrete platform (on site)


United Kingdom
Miele Co. Ltd., Fairacres, Marcham Road Abingdon, Oxon, OX14 1TW Professional Sales, Tel: 0845 365 6608
E-mail: [email protected]
Internet: www.miele.co.uk/professional
Australia
Miele Australia Pty. Ltd. ACN 005 635 398, ABN 96 005 635 398 1 Gilbert Park Drive, Knoxfield, VIC 3180 Tel: 1300 731 411 Internet: www.miele.com.au/professional
E-mail: [email protected]
China Mainland
Miele Electrical Appliances Co., Ltd. 1-3 Floor, No. 82 Shi Men Yi Road Jing’ an District, 200040 Shanghai, PRC Tel: +86 21 6157 3500, Fax: +86 21 6157 3511
E-mail: [email protected],
Internet: www.miele.cn
Hong Kong, China
Miele (Hong Kong) Ltd. 41/F – 4101, Manhattan Place 23 Wang Tai Road, Kowloon Bay, Hong Kong Tel: (852) 2610 1025, Fax: (852) 3579 1404
Email: [email protected]
Website: www.miele.hk
India
Miele India Pvt. Ltd. 1st Floor, Copia Corporate Suites, Commercial Plot 9, Mathura Road, Jasola, New Delhi – 110025 E-mail: [email protected],
Website: www.miele.in
Ireland
Miele Ireland Ltd. 2024 Bianconi Ave., Citywest Business Campus, Dublin 24 Tel: (01) 461 07 10, Fax: (01) 461 07 97 E-Mail: [email protected],
Internet: www.miele.ie
Malaysia
Miele Sdn Bhd Suite 12-2, Level 12 Menara Sapura Kencana Petroleum Solaris Dutamas No. 1, Jalan Dutamas 1 50480 Kuala Lumpur, Malaysia Phone: +603-6209-0288 Fax: +603-6205-3768
New Zealand
Miele New Zealand Limited IRD 98 463 631 8 College Hill Freemans Bay, Auckland 1011, NZ Tel: 0800 464 353
Internet: www.miele.com.au/professional
E-mail: [email protected]
Singapore
Miele Pte. Ltd. 29 Media Circle, #11-04 ALICE@Mediapolis Singapore 138565 Tel: +65 6735 1191, Fax: +65 6735 1161 E-Mail: [email protected]
Internet: www.miele.sg
South Africa
Miele (Pty) Ltd 63 Peter Place, Bryanston 2194 P.O. Box 69434, Bryanston 2021 Tel: (011) 875 9000, Fax: (011) 875 9035
E-mail: [email protected]
Internet: www.miele.co.za
United Arab Emirates
Miele Appliances Ltd. Showroom 1, Eiffel 1 Building Sheikh Zayed Road, Umm Al Sheif P.O. Box 114782 – Dubai Tel. +971 4 3044 999, Fax. +971 4 3418 852 800-MIELE (64353)
E-Mail: [email protected],
Website: www.miele.ae
Manufacturer: Miele & Cie. KG Carl-Miele-Straße 29, 33332 Gütersloh, Germany
Alteration rights reserved / Publication date: 20.21 PDR 914/514 EL Electrically heated
M.-Nr. 11 863 720 / 00




















