Miele PDR 914 G Professional Vented Gas-Fired Tumble Dryer

Installation requirements
The tumble dryer must only be installed and commissioned by Miele Customer Service Department or an authorized dealer.
- The tumble dryer must be installed in accordance with all relevant regulations and standards.
- The dryer must only be operated in a room that has sufficient ventilation and which is frost-free.
Electrical connection
The electrical connection must be established by a qualified electrician.
- The electrical connection may only be made to an electrical system provided in accord-
ance with all appropriate local and national legislation, regulations and guidelines. Please also observe the regulations set out by your insurance provider and energy supplier, accident prevention regulations, as well as recognized codes of practice. - Reliable and safe operation of this tumble dryer is only ensured if it has been connected
to the mains electricity supply.
The required supply voltage, power rating and fuse rating can be found on the data plate on the tumble dryer. Ensure that the supply voltage matches the voltage quoted on the data plate before establishing the electrical connection to the tumble dryer. Connection to a supply voltage other than the one quoted on the data plate can damage the tumble dryer if the voltage is too high.
- If more than one voltage is specified on the data plate, the tumble dryer can be converted-
ted for connection to the relevant input voltage. This conversion must be performed by the Miele Customer Service Department or by an authorized dealer. During the conversion, the wiring instructions given on the wiring diagram must be followed.
The tumble dryer can either be hard-wired or connected using a plug-and-socket connection in accordance with IEC 60309-1. For a hard-wired connection, an all-pole isolation device must be available at the installation site. An isolation device is a switch that ensures a contact opening of more than 3 mm. These include circuit breakers, fuses and contactors (IEC/EN 60947). If the mains supply cannot be permanently disconnected, the isolation device (including plug and socket) must be safeguarded against being switched on either unintentionally or without authorization.
Tip: We recommend connecting the tumble dryer to the power supply via a plug and socket so that it is easier to conduct electrical safety checks (e.g. during maintenance or repair work). The tumble dryer must not be connected to devices such as timers which would switch
it off automatically. If it is necessary to install a residual current device (RCD) in accordance with local regulations, a residual current device type B (sensitive to universal current) must be used.
Installation notes
Gas connection The gas connection must only be carried out by a registered installation technician in accordance with the applicable national regulations (see installation instructions). The use of a gas socket is not permitted at the specified heater rating as the flow rate is too low. The gas heating is configured at the factory in line with the gas specifications on the sticker on the rear of the appliance. If the gas family is changed, a conversion kit must be requested from the Miele Customer Service Department (please specify the appliance type, serial number, gas family, gas group, gas connection pressure and country of installation). Follow the installation instructions. This conversion may only be carried out by a registered specialist.
Supply air/exhaust air The tumble dryer may only be operated when the ducting has been connected and the room is sufficiently ventilated (see installation instructions). Accessory parts may only be fitted when expressly approved by Miele. If other parts are used, warranty, performance and product liability claims will be invalidated.
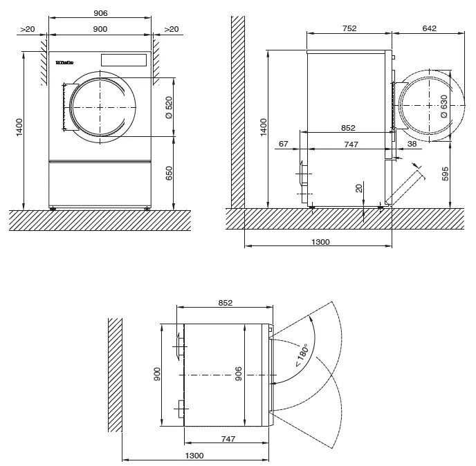
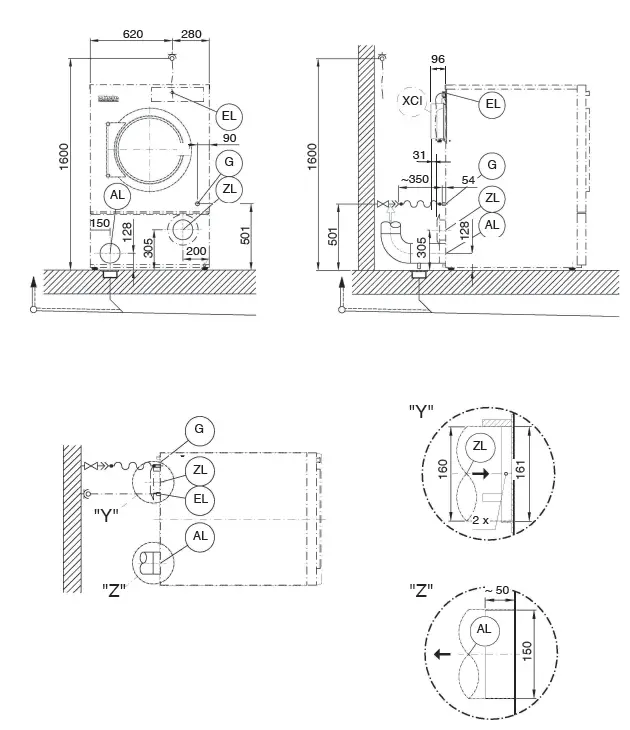
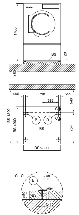
Dimensions

Installation

Measurements in millimeters
- EL Electrical connection
- G Gas connection
- AL Vented
- ZL Air intake
- XCI XCI-/ Connector-Box (option)
Set up (Standard/Miele base)


- B Fittings/drill hole
- UG Miele base
Set up (Concrete platform)

Voltage variants/electrical data

Gas connection

Waste air/gas

As relative humidity inside the vent ducting can be as high as 100%, suitable measures must be taken to prevent a backflow of con-densate into the machine.
Air intake

Machine data
- Overall machine width 906 mm
- Overall machine height 1400 mm
Technical data

Mounting variants
Mounting without base

Mounting on concrete platform

Optional extras
Concrete platform (on site)





















