Miele PDR 914-514 EL SOM Commercial Tumble Dryers

Installation requirements
| The tumble dryer must only be installed and commissioned by Miele Customer Service Department or an authorised dealer |
- The tumble dryer must be installed in accordance with all relevant regulations and
standards. - The dryer must only be operated in a room that has sufficient ventilation and which isfrost-free.
- The machine may only be operated when the following conditions are met:
– the ship’s hull is longer than 24 metres.
– the list of the vessel is not more than 2°.
– any external vibration is no more than 150 Hz at an amplitude of 0.35 mm. - The safe operation and correct functioning of the appliance can only be guaranteed if the above conditions are met.
- The machine may not be operated on an open deck.
- Machines that do not carry the “CSA C/US” safety mark, comply with European safety regulations.
These machines must not be operated in USA. - This machine must only be installed by a qualified person who has made sure that the conditions for its safe use are present.
- When installing this machine it must be securely fixed to the floor. Failure to do this could result in personal injury, damage to the machine and damage to other objects and installations.
Electrical connection
| The electrical connection must be established by a qualified electrician. |
- The electrical connection may only be made to an electrical system provided in accordance with all appropriate local and national legislation, regulations and guidelines. Please also observe the regulations set out by your insurance provider and energy supplier, accident prevention regulations, as well as recognised codes of practice.
- We recommend connecting the tumble dryer to the power supply via a plug and socket so that it is easier to conduct electrical safety checks (e.g. during maintenance or repair work).
- Reliable and safe operation of this tumble dryer is only ensured if it has been connected to the mains electricity supply.
| The required supply voltage, power rating and fuse rating can be found on the data plate on the tumble dryer. Ensure that the supply voltage matches the voltage quoted on the data plate before establishing the electrical connection to the tumble dryer. Connection to a supply voltage other than the one quoted on the data plate can damage the tumble dryer if the voltage is too high. |
- If more than one voltage is specified on the data plate, the tumble dryer can be converted for connection to the relevant input voltage. This conversion must be performed by the Miele Customer Service Department or by an authorised dealer. During the conversion, the wiring instructions given on the wiring diagram must be followed.
The tumble dryer can either be hard-wired or connected using a plug-and-socket connection in accordance with IEC 60309-1. For a hard-wired connection, an all-pole isolation device must be available at the installation site.
| An isolation device is a switch which ensures a contact opening of more than 3 mm. These include circuit breakers, fuses and contactors (IEC/EN 60947). |
If the mains supply cannot be permanently disconnected, the isolation device (including plug and socket) must be safeguarded against being switched on either unintentionally or without authorisation.
- The tumble dryer must not be connected to devices such as timers which would switch it off automatically.
If local regulations require that a residual current device (RCD) is installed, a type B residual current device (sensitive to universal current) must be used. - If local and national installation specifications require equipotential bonding, good galvanic contact must be guaranteed. Equipotential bonding must have an earth current rating > 10 mA.
Air intake/exhaust air
The tumble dryer may only be operated when the ducting has been connected properly and the room is sufficiently ventilated.
- Accessory parts may only be fitted when expressly approved by Miele. If other parts are used, warranty, performance and product liability claims will be invalidated.
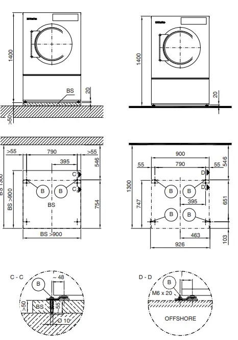
Dimensions

Installation


Dimensions quoted in millimetres
EL Electrical connection
AL Exhaust duct
ZL Air intake
PA Connection for equipotential bonding (optional)
SLA Peak-load connection (optional)
XCI XCI Box/Connector Box (optional)
Installation (standard/UG)

Installation (on concrete plinth/offshore)

Dimensions quoted in millimeters
BS Concrete plinth
B Drill hole/anchor point
Voltage variants/electrical data
Voltage variant 2
| Standard connection | |
| Supply voltage | 3 AC 400 V |
| Frequency | 50/60 Hz |
| Power rating | 14.1 kW |
| Fuse rating (on site) | 3×25 A |
| Minimum cross-section for connection cable | 4×2.5 mm² |
| Cable gland | M25 |
Exhaust air
| Maximum nominal volume flow rate in extraction mode (PDR 9xx only) | 580 m³/h |
| Maximum nominal volume flow rate (PDR 5xx only) | 520 m³/h |
| Maximum permitted pressure loss | 220 Pa |
| Connector on machine side (external diameter) | 150 mm |
| Connection pipe provided on site (internal diameter) | 150 mm |
| Maximum exhaust air temperature | 80 °C |
| As relative humidity inside the exhaust ducting can be as high as 100 %, suitable measures must be taken to prevent a backflow of condensate into the machine. | |
Air intake
| Standard connection: air intake from installation site | |
| Recommended free air intake cross-section into the room: (equivalent to 3 times the exhaust air cross-section of a machine). | |
| There must be sufficient air intake to the installation site to match the air outlet volume. | |
| Alternative connection: air intake connection directly from outdoors | |
| Connection pipe provided on site (external diameter) | 161 mm |
| Connection pipe provided on site (external diameter) | 16o mm |
| Removing the protective cover exposes live parts. For safety reasons, a pipe must be installed from the tumble dryer’s central fresh air intake (over a minimum length of 900 mm) and secured with 2 screws. | |
Equipotential bonding (optional)
| Connection with male thread | 10×35 mm |
| Washers and nuts | M10 |
| Accessories for equipotential bonding are not supplied and need to be ordered separately. | |
Peak-load negotiation (optional)
| Supply voltage for control contacts | AC 230 V |
| Minimum cross-section for connection cable | 5×1.5 mm² |
| Miele recommends using a flexible connection cable with an additional isolation option to establish the connection. The isolator should remain visible once the tumble dryer has been installed and must be freely accessible. | |
Machine data
| Machine width, total | 906 mm |
| Machine height, total | 1400 mm |
| Machine depth, total | 852 mm |
| Niche width | 1250 mm |
| Recommended wall spacing (up to the front edge of the machine) | 1300 mm |
| Minimum wall spacing (up to the back edge of the lid) | 500 mm |
| Packaging width | 1090 mm |
| Packaging height | 1526 mm |
| Packaging depth | 938 mm |
| Maximum gross volume | 1560.2 l |
| Maximum gross weight | 171.7 kg |
| Maximum net weight | 160.4 kg |
| Max. floor load in operation | 1779 N |
| Diameter of exhaust duct | 150 mm |
| Drum diameter | 850 mm |
| Diameter of drum opening | 520 mm |
| Drum depth | 480 mm |
| Drum volume | 250 l |
| Diameter of door opening | 520 mm |
| Maximum door opening angle | 180° |
| Emission sound pressure level | 51 dB(A) re 20 µPa |
| Sound power level | 62 |
| Average heat dissipation rate into the room | 3.9 MJ/h |
| Permissible ambient temperature range | 2–40 °C |
Fixing options
Fixing without plinth
| Quantity | Screw size | |
| Tensioning strips | 2 | |
| Wood screws DIN 571 (Ø × length) | 2 | 6×40 mm |
| Plugs (Ø × length) | 2 | 10×50 mm |
| If the tumble dryer is being installed without a plinth, fixing it in place is recommended. Fastenings for floating screed must be supplied by the customer on site. | ||




















