DIODES AL5816QEV2 4.5V 60VDC Linear LED Driver

General Description
The AL5816Q is a 5-terminal adjustable constant current linear LED controller offering excellent temperature stability and current capability. The AL5816Q can work with a wide input voltage range from 4.5V to 60V. With its low 200mV current sense FB voltage, it controls the regulation of LED current with minimum power dissipation compared with traditional linear LED drivers. This makes it ideal for medium to high current LEDs. The device has an internal output drive up to 15mA, which enables it to drive external bipolar transistors or MOSFETs. It also provides the capability to drive longer LED chains with low drop-out voltage and multiple LED channels.
The AL5816Q has an LED currently adjusted and controlled by a sense resistor connected across FB pin and GND. The voltage across this resistor is controlled to a precise 0.2V thus controlling the current. The AL5816Q can be dimmed by a PWM signal through a PWM pin, it can run at frequencies higher than 200Hz. The AL5816Q is available in SOT25 package, and is Automotive-Compliant, qualified to AEC-Q100 Grade 1, supporting PPAP documentation.
Applications
- Linear LED Driver
- LED Signs
- Instrumentation Illumination
- Refrigerator Lights
Key Features
- Qualified to AEC-Q100 Grade 1
- Wide Input Voltage Range from 4.5~ 60V
- Low Reference Voltage (VFB = 0.2V)
- 5% Reference Voltage Tolerance
- Up to 15mA Driver Capability for Bipolar Transistor
- PWM Dimming Capable
- Input Under Voltage Lock-out
- Over Temperature Shutdown
AL5816QEV2 Specifications
| Parameter | Value |
| Input Voltage | 4.5VDC to 16VDC |
| LED Current | 150mA x 8Channels |
| Total ILED | 1.2A |
| Number of LEDs | 1~17pcs |
| XY Dimension | 109mm x 76mm |
Overview

Connection Instructions
- Power Supply Input: 4.5~16VDC (VIN+, GND)
- Connect 8 channels LED string anode to Vo+ of P1 connector;
- Connect LED string cathode to LED1- ~ LED8- of P1 connector;
- For PWM dimming operation: supply a 0-3.3V 200Hz~500Hz signal between PWM & GND.
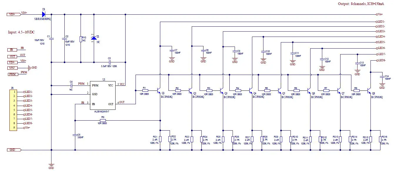
Evaluation Board Schematic 
Evaluation Board Schematic
Evaluation Board Layout
Evaluation Board Schematic

PCB Board Layout Top View
Quick Start Guide
- By default, the LED current of the evaluation board is preset at 150mA per channel.
- Ensure that the DC source is switched OFF or disconnected before soldering or connecting.
- Connect the anode wire of the external LED string to Vo+ of P1 connector.
- Connect the cathode wire of external LED string to LEDx- of P1 connector.
- Connect two DC line wires to the VIN and GND terminals on the evaluation board.
- Ensure that the area around the board is clear and safe, and preferably that the board and LEDs are enclosed in a transparent safety cover.
- Turn on the main switch. LED string should light up.
Bill of Material
| Location | Description | Package |
| D1 | SBR8M100P5Q,100V,8A, AEC-Q101 Qualified, DIODES | PowerDI5 |
| Q1,Q2,Q3,Q4,Q5,Q6,Q7,Q8 | BCP5616QTA, 80V,1A, AEC-Q101 Qualified, DIODES | SOT223 |
| R1,R2,R3,R4,R5,R6,R7,R8 | 10ohm, 1%, 0805 | 0805 |
| RS2,RS4,RS6,RS8,RS10,RS12,RS14,RS16 | 2R7, 1%, 1206 | 1206 |
| RS1,RS3,RS5,RS7,RS9,RS11,RS13,RS15 | 2R4, 1%, 1206 | 1206 |
| R9 | 10ohm, 5%, 0805 | 0805 |
| C1,C2 | MLCC, 10uF,50V, 1210 | 1210 |
| C3 | MLCC, 3.3uF,50V, 1206 | 1206 |
| C7,C8,C9,C10,C11,C12,C13,C14 | MLCC, 100nF,50V, 0805 | 0805 |
| C5 | MLCC, 330nF,50V, 0805 | 0805 |
| P1 | Connector,9Pin,Pitch=2.54mm | – |
| VIN | PC test point, 0.06inch(1.6mm), red | – |
| PWM | PC test point, 0.06inch(1.6mm), white | – |
| GND | PC test point, 0.06inch(1.6mm), black | – |
| VCC | PC test point, 0.06inch(1.6mm), yellow | – |
| OUT | PC test point, 0.06inch(1.6mm), yellow | – |
| FB | PC test point, 0.06inch(1.6mm), yellow | – |
| PCB | FR4, 2oz, 90mm x 65mm | – |
| U1 | IC, AL5816Q, AEC-Q100 Grade 1, DIODES | SOT25 |
System Performance
Test @ VLEDx = 9.1V
| Vin(V) | Io1(mA) | Io2(mA) | Io3(mA) | Io4(mA) | Io5(mA) | Io6(mA) | Io7(mA) | Io8(mA) |
| 11 | 149.54 | 150.46 | 148.96 | 149.13 | 148.47 | 151.54 | 152.05 | 154.14 |
| 12 | 149.67 | 151.05 | 149.34 | 149.78 | 149.02 | 152.24 | 152.93 | 154.37 |
| 13 | 149.53 | 150.54 | 149.41 | 149.71 | 149.11 | 152.61 | 153.46 | 154.43 |
| 14 | 149.41 | 150.37 | 149.25 | 149.26 | 148.82 | 152.72 | 153.67 | 154.43 |
| 15 | 149.3 | 150.39 | 149.05 | 148.71 | 148.46 | 152.84 | 153.13 | 154.39 |
Waveforms
Turn ON:
Turn OFF: 
PWM Dimming (fPWM=200Hz): 
PWM Dimming Curve in 200Hz 
BCI Test:
EVB can pass ISO11452-4 200mA BCI test without LED flicker and output current decrease.
EMI Test:
CE Test: (CISPR 25 Class 5, minimum margin = 9.27dB)
Critical_Freqs 
RE Test: (CISPR 25 Class 5, minimum margin = 10.25dB)
150kHz~28MHz
Critical_Freqs
| Frequency | MaxPeak | Average | Limit | Margin | Corr. |
| MHz | dBμV/m | dBμV/m | dBμV/m | dB | dB/m |
| 53.00 | 10.09 | — | 28.00 | 17.91 | -14.3 |
| 54.25 | 17.75 | — | 28.00 | 10.25 | -14.5 |
| 86.75 | — | -4.22 | 15.00 | 19.23 | -14.6 |
| 164.10 | — | 0.19 | 15.00 | 14.81 | -10.4 |
| 173.45 | 13.34 | — | 26.00 | 12.66 | -10.0 |
| 174.05 | — | 0.84 | 15.00 | 14.16 | -9.9 |
30MHz~200MHz 
Critical_Freqs 
200MHz~960MHz 
Critical_Freqs
| Frequency | MaxPeak | Average | Limit | Margin | Corr. | Frequency | MaxPeak | Average | Limit | Margin | Corr. | |
| MHz | dBμV/m | dBμV/m | dBμV/m | dB | dB/m | MHz | dBμV/m | dBμV/m | dBμV/m | dB | dB/m | |
| 219.70 | 11.67 | — | 26 | 14.33 | -13.3 | 228.25 | 10.83 | — | 26 | 15.17 | -12.9 | |
| 244.90 | 12.25 | — | 26 | 13.75 | -12.1 | 240.75 | 11.14 | — | 26 | 14.86 | -12.2 | |
| 433.60 | — | 3.44 | 18 | 14.56 | -7.7 | 437.75 | — | 3.39 | 18 | 14.61 | -7.5 | |
| 433.80 | 17.28 | — | 32 | 14.72 | -7.7 | 443.70 | — | 3.84 | 18 | 14.16 | -7.3 | |
| 444.85 | — | 3.99 | 18 | 14.01 | -7.2 | 444.45 | 16.79 | — | 32 | 15.21 | -7.2 | |
| 915.65 | — | 9.73 | 24 | 14.27 | -0.8 | 913.30 | — | 9.42 | 24 | 14.58 | -0.8 |
IMPORTANT NOTICE
- DIODES INCORPORATED AND ITS SUBSIDIARIES (“DIODES”) MAKE NO WARRANTY OF ANY KIND, EXPRESS OR IMPLIED, WITH REGARDS TO ANY INFORMATION CONTAINED IN THIS DOCUMENT, INCLUDING, BUT NOT LIMITED TO, THE IMPLIED WARRANTIES OF MERCHANTABILITY, FITNESS FOR A PARTICULAR PURPOSE OR NON-INFRINGEMENT OF THIRD PARTY INTELLECTUAL PROPERTY RIGHTS (AND THEIR EQUIVALENTS UNDER THE LAWS OF ANY JURISDICTION).
- The information contained herein is for informational purposes only and is provided only to illustrate the operation of Diodes products described herein and application examples. Diodes does not assume any liability arising out of the application or use of this document or any product described herein. This document is intended for skilled and technically trained engineering customers and users who design with Diodes products. Diodes products may be used to facilitate safety-related applications; however, in all instances, customers and users are responsible for (a) selecting the appropriate Diodes products for their applications, (b) evaluating the suitability of the Diodes products for their intended applications, (c) ensuring their applications, which incorporate Diodes products, comp ly the applicable legal and regulatory requirements as well as safety and functional-safety related standards, and (d) ensuring they design with appropriate safeguards (including testing, validation, quality control techniques, redundancy, malfunction prevention, and appropriate treatment for aging degradation) to minimize the risks associated with their applications.
- Diodes assume no liability for any application-related information, support, assistance or feedback that may be provided by Diodes from time to time. Any customer or user of this document or products described herein will assume all risks and liabilities associated with such use, and will hold Diodes and all companies whose products are represented herein or on Diodes’ websites, harmless against all damages and liabilities.
- Products described herein may be covered by one or more United States, international or foreign patents and pending patent applications. Product names and markings noted herein may also be covered by one or more United States, international or foreign trademarks and trademark applications. Diodes do not convey any license under any of its intellectual property rights or the rights of any third parties (including third parties whose products and services may be described in this document or on Diodes’ website) under this document.
- Diodes products are provided subject to Diodes’ Standard Terms and Conditions of Sale (https://www.diodes.com/about/company/terms-and-conditions/terms-and-conditions-of-sales/) or other applicable terms. This document does not alter or expand the applicable warranties provided by Diodes. Diodes does not warrant or accept any liability whatsoever in respect of any products purchased through unauthorized sales channels.
- Diodes products and technology may not be used for or incorporated into any products or systems whose manufacture, use or sale is prohibited under any applicable laws and regulations. Should customers or users use Diodes products in contravention of any applicable laws or regulations, or for any unintended or unauthorized application, customers and users will (a) be solely responsible for any damages, losses or penalties arising in connection therewith or as a result thereof, and (b) indemnify and hold Diodes and its representatives and agents harmless against any and all claims, damages, expenses, and attorney fees arising out of, directly or indirectly, any claim relating to any noncompliance with the applicable laws and regulations, as well as any unintended or unauthorized application.
- While efforts have been made to ensure the information contained in this document is accurate, complete and current, it may contain technical inaccuracies, omissions and typographical errors. Diodes does not warrant that information contained in this document is error-free and Diodes is under no obligation to update or otherwise correct this information. Notwithstanding the foregoing, Diodes reserves the right to make modifications, enhancements, improvements, corrections or other changes without further notice to this document and any product described herein. This document is written in English but may be translated into multiple languages for reference. Only the English version of this document is the final and determinative format released by Diodes.
- Any unauthorized copying, modification, distribution, transmission, display or other use of this document (or any portion hereof) is prohibited. Diodes assumes no responsibility for any losses incurred by the customers or users or any third parties arising from any such unauthorized use.
Copyright © 2021 Diodes Incorporated www.diodes.com.

















