
DEMO MANUAL DC2788A
LT3950
60V 1.5A LED Driver with Internal Log-Scale Dimming
DESCRIPTION
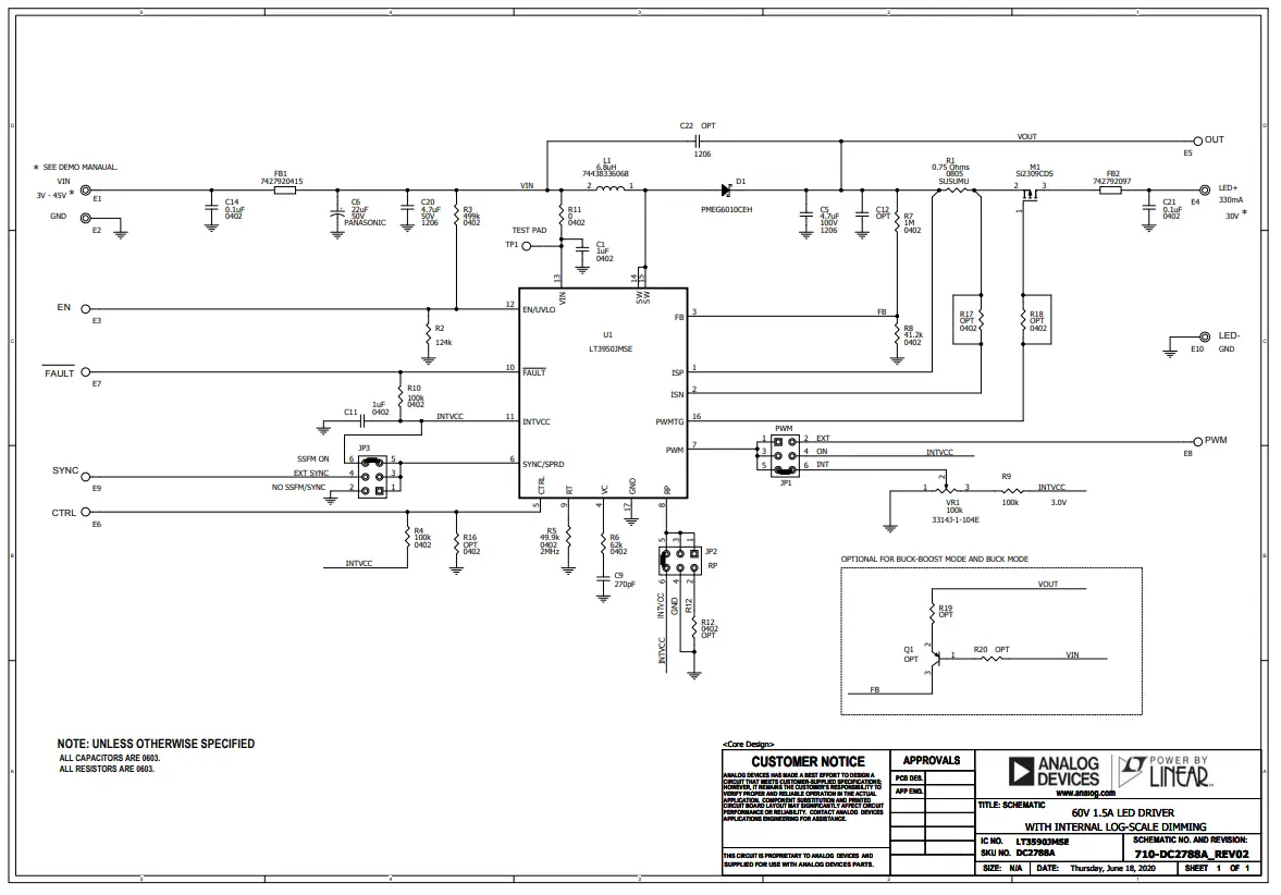
Demonstration circuit 2788A is a boost LED driver featuring the LT® 3950. This demonstration circuit powers a string of LEDs at 330mA. The step-up topology can be used to drive a string of up to 28V of LEDs as assembled. The maximum output voltage capability of the LT3950 is 60V. DC2788A runs from an input voltage range of 6V to 24V as built. It also runs at 2MHz and has the capability to turn on spread spectrum frequency modulation (SSFM) for a frequency range of 2.0MHz to 2.5MHz. Dimming control can be achieved with analog dimming or PWM dimming—either from an external or internally-generated clock source. DC2788A features an Undervoltage lockout (UVLO) set at 6.6V with a 1.0V hysteresis for turn-on.
The UVLO voltage, LED current, output voltage range, switching frequency, brightness control, SSFM, and the topology can all be adjusted with simple modifications to the demonstration circuit.
LT3950 is a monolithic 1.5A peak switch current, 60V LED driver. The guaranteed peak switch current rating of the IC is 1.5A and this is important to know when calculating the maximum output current at a given LED voltage and input voltage for a boost converter. The LT3950 features SSFM and a well-controlled SW node for low emissions.
A frequency range of 200kHz to 2MHz and a high-side PWMTG PWM-dimming MOSFET make this a very versatile IC for many applications. It can be used for boost, buck-boost mode and buck mode LED driver applications. The PWMTG MOSFET not only provides a high PWM dimming ratio capability but also serves as a short-circuit protection device. The FAULT flag indicates when there is either a short-circuit or open-LED fault at the output.
The demo circuit is designed to be easily reconfigured to suit other applications, including the example schematics in the datasheet. Consult technical support for assistance. High voltage operation, 3V input voltage operation, multiple topologies, small-and-compact size, fault protection, low EMI, and multiple brightness control options make the LT3950 flexible and powerful for compact, noise-sensitive LED driver solutions. The LT3950JMSE featured on this demo circuit is available in a thermally enhanced 16-lead plastic MSOP package. The LT3950 data sheet must be read in conjunction with this demo manual to properly use or modify demo circuit DC2788A.
Design files for this circuit board are available.
All registered trademarks and trademarks are the property of their respective owners.
PERFORMANCE SUMMARY
Specifications are at TA = 25°C
| PARAMETER | CONDITIONS | MIN | TYP | MAX |
| Input Voltage Range (VIN) | LED Running | 6.6 | 24 | |
| LT3950 IC Input Voltage Range (VIN) | 3V | 60V | ||
| Full-Scale LED Current | R1 = 0.75Ω, CTRL Turret = FLOAT | 330mA | ||
| LED Voltage Range | R7 = 1MΩ, R8 = 41.2kΩ | 7.5 28V | ||
| Open LED Voltage (VOUT) | R7 = 1MΩ, R8 = 41.2kΩ, LEDs Open | 30V | ||
| LT3950 IC Output Voltage Maximum | 60V | |||
| Switching Frequency | R5 = 49.9kΩ, SSFM Off | 2.0MHz | ||
| SSFM Switching Frequency | R5 = 49.9kΩ, SSFM On | 2.0MHz | 2.5MHz | |
| Typical Efficiency with EMI Filters | FB1, FB2, C14, C21 Installed | 89% | ||
| Typical Efficiency with EMI Filters Removed | FB1 and FB2 Shorted, C14 and C21 Removed | 90% | ||
| VIN Turn-On Threshold (Rising) | R2 = 124kΩ, R3 = 499kΩ | 7.5V | ||
| VIN UVLO Threshold (Falling) Under-Voltage Lockout | R2 = 124kΩ, R3 = 499kΩ | 6.6V | ||
| PWM Frequency Internal PWM Dimming | R5 = 49.9kΩ, JP2 = INTVCC | 460Hz | ||
QUICK START PROCEDURE
The DC2788A is easy to set up to evaluate the performance of the LT3950JMSE. Refer to Figure 1 for proper measurement equipment setup and follow the procedure below.
Note: Make sure that the voltage applied to VIN does not exceed 45V, which is close to the maximum voltage rating for the input capacitors.
- Set JP1 to On and JP2 to GND to disable Internal PWM Dimming and to run the LED driver at 100% duty cycle. Set JP3 to No SSFM to disable SSFM and run at .0MHz constant frequency. JP3 can be switched to SSFM On to evaluate the performance of the PCB with spread spectrum frequency modulation.
- Connect the EN terminal to GND with a clip-on lead. Connect the power supply (with power off), LED load, and meters as shown.
- After all, connections are made, turn on the input power and verify that the input voltage is between 8V and 18V.
- Remove the clip-on lead from EN. Verify that the LED current is 330mA, the VOUT voltage is between 7.5V and 28V, and the FAULT terminal is not asserted low.
Note: If the output voltage is low or if the FAULT terminal is asserted low, temporarily disconnect the load to make sure that the LED string is connected properly and not faulted. - Once the proper output current and voltage are established, adjust the input voltage and load within the operating ranges and observe the output voltage regulation, dimming, and PWM.

PWM DIMMING
To evaluate internally generated PWM dimming performance, (with power off) set JP2 = INTVCC and JP1 to INT. PWM dimming duty cycle is set by adjusting the position of the VR1 potentiometer with a small screwdriver (with power on). It is safest to switch jumper positions with the power off, and then turn the power back on when positions are set.
To evaluate externally generated PWM dimming performance, (with power off) set JP2 = GND and JP1 to EXT. Place a 3.3V or 5V variable duty-cycle input on the PWM terminal to control PWM dimming. PWM dimming frequency should be greater than or equal to 100Hz. 120Hz is recommended for the highest dimming ratio performance without a low risk of visible flicker.
ANALOG DIMMING
Constant LED current is controlled by setting the voltage of the CTRL pin on the LT3950. Either a voltage source can be placed on the CTRL turret and set between 200mV and 1.5V for LED current control, or the resistors R16 and R4 can be used to set the CTRL pin voltage with a divider from INTVCC as shown in the schematic. Analog dimming and PWM dimming can be combined for a very high dimming ratio.
EMI FILTERS
EMI input filters are placed on the PCB for low EMI testing results. This PCB passes CISPR25 class 5 conducted and radiated emissions testing for automotive vehicles. The input filters FB1 and C14 help with high-frequency noise at the input. FB2 and C21 help with high-frequency noise at the output. Since this converter runs at 2MHz, large AM band (530kHz to 1.8MHz) emissions filters are not needed and the overall solution size is small. EMI filters may not be necessary for all applications, however. For the highest dimming ratio and for the highest efficiency, the input and output EMI filters can be removed.
In order to remove the EMI filters, the ferrite beads (FB1 and FB2) can be sorted out, and the capacitors (C14 and C21) should be removed. Figure 2 through Figure 6 demonstrate the difference in efficiency and PWM dimming with the EMI filters in place or removed. Extremely high PWM dimming performance is possible without EMI filters, but even with the filters, very high PWM dimming is capable with the LT3950.
ADJUSTMENTS
Other adjustments can easily be made to the demonstration circuit. The overvoltage protection voltage (OVP) can be set by changing the values of R7 and R8. Please read the datasheet for details. R7 and R8 are used to set the VOUT fault voltage when LEDs are removed from the output, but the running LED string voltage should remain below this point to not cause a fault.
The switching frequency can be changed over a wide range by setting the RT resistor, R5. SSFM spreads up from the RT resistor setting to FSW (RT) + 25%. SSFM is turned on and off by changing the jumper position on the PCB. It is that simple. SSFM can be turned on and off for evaluation and emissions testing.
The LED current is set with R1 and the CTRL voltage as shown in the datasheet. For the highest accuracy, use CTRL = 1.5V or higher for a full-scale LED sense voltage of 250mV. Since the peak switch current rating of the LT3950 is 1.5A, theoretically, about 1A is the maximum current that can be extracted at the output for any topology (buck mode). With a very, very small ripple current, 1.2A might be able to be delivered at the output of a buck mode converter, but this might not be very practical. In a boost converter topology, please note that the peak switch current is the input current of the converter plus some ripple. In a boost, the input current can be significantly higher than the LED current. Please do not expect a 1.5A LED current in a boost converter with this IC. A much higher peak switch current rating is needed for that.
The converter topology can be changed from boost to buck-boost mode (LEDs returned to VIN) or buck mode. Please consult the factory applications engineers or the datasheet for details. Components Q1, R19, and R20 are used for overvoltage protection in both buck-boost mode and buck mode. They are not used for the boost topology.
TEST RESULTS

Figure 2. DC2788A at Full Load (330mA 24VLED) with and without EMI Filters, SSFM On

Figure 3. Infinite-Persist LED Current Showing PWM Dimming and SSFM Working Together for Flicker-Free Brightness Control
Figure 4. DC2788A Achieves Dimming Ratios of 1000:1 at 100Hz with EMI Filters
VIN = 12V, VLED = 24V, ILED = 330mA
FSW = 2MHz + SSFM ON
100Hz EXTERNAL PWM DIMMING
Figure 5. Up to 5000:1 PWM Dimming is Possible, Even with EMI Filters on DC2788A

VIN = 12V, VLED = 24V, ILED = 330mA
fSW = 2MHz + SSFM ON
100Hz EXTERNAL PWM DIMMING
OUTPUT EMI FILTER REMOVED
Figure 6. Maximum PWM Dimming Ratio is Very High with Output EMI Filters Removed
EMISSION RESULTS

Figure 7. Average and Peak Conducted Emissions Performance Using Current Method Both Pass CISPR25 Limits

Figure 8. Average and Peak Conducted Emissions Performance Using Voltage Method Both Pass CISPR25 Limits

Figure 9. CISPR25 Average and Peak Radiated Emissions Performance Both Pass CISPR25 Limits
PARTS LIST
| ITEM | QTY | REFERENCE | PART DESCRIPTION | MANUFACTURER/PART NUMBER |
Required Electrical Components
| 1 | 2 | C1, C11 | CAP., X5R, 1µF, 50V, 10% 0402 | TAIYO YUDEN, UMK105CBJ105KV-F |
| 2 | 1 | C5 | CAP., 4.7µF, X7S, 100V, 20%, 1206 | MURATA, GRM31CC72A475ME11L |
| 3 | 1 | C9 | CAP., 270pF, C0G, 50V, 5%, 0402 | MURATA, GRM1555C1H271JA01 |
| 4 | 1 | C20 | CAP., 4.7µF, X7R, 50V, 10%, 1206 | MURATA, GRM31CR71H475KA12L |
| 5 | 1 | D1 | DIODE, SCHOTTKY 60V 1A SOD123F (DC) | NEXPERIA, PMEG6010CEH, 115 |
| 6 | 1 | L1 | FIXED INDUCTOR, 6.8µH, PWR, 20%, 1.6A, 168mΩ, AEC-Q200 | WURTH, 74438336068 |
| 7 | 1 | M1 | MOSFET P-CH 60V 1.6A SOT23-3 | VISHAY, SI2309CDS-T1-GE3 |
| 8 | 1 | R1 | RES., 0.75Ω, 1%, 1/3W, 0805, SHORT-SIDE TERM, SENSE | SUSUMU, RL1220S-R75-F |
| 9 | 1 | R5 | RES., 49.9k, 1%, 1/16W, 0402, AEC-Q200 | VISHAY, CRCW040249K9FKED |
| 10 | 1 | R6 | RES., 62k, 1%, 1/16W, 0402, AEC-Q200 | VISHAY, CRCW040262K0FKED |
| 11 | 1 | R7 | RES., 1MΩ, 1%, 1/16W, 0402, AEC-Q200 | VISHAY, CRCW04021M00FKED |
| 12 | 1 | R8 | RES., 41.2k, 1%, 1/16W, 0402, AEC-Q200 | VISHAY, CRCW040241K2FKED |
| 13 | 1 | U1 | DC/DC CONVERTOR, 16-LEAD, QFN, 3mm × 3mm | ADI, LT3950JMSE#PBF |
Optional Electrical Components
| 1 | 1 | C6 | CAP., ALUM, 22µF, 50V, SMD AEC-Q200 | PANASONIC, EEH-ZC1H220P |
| 2 | 0 | C12 | CAP., OPTION, 0603 | |
| 3 | 2 | C14, C21 | CAP., X7R, 0.1µF, 50V, 10% 0402 | MURATA, GRM155R71H104KE14D |
| 4 | 0 | C22 (OPT) | CAP., OPTION, 1206 | |
| 5 | 1 | FB1 | FERRITE BEAD, 600Ω, 0805, 1LN | WURTH, 7427920415 |
| 6 | 1 | FB2 | FERRITE BEAD, 1.5k 0805 1LN | WURTH, 742792097 |
| 7 | 0 | Q1 | MOSFET, OPTION | |
| 8 | 1 | R2 | RES., 124k, 1%, 1/16W, 0402 | VISHAY, CRCW0402124KFKED |
| 9 | 1 | R3 | RES., 499k, 1%, 1/16W, 0402 | VISHAY, CRCW0402499KFKED |
| 10 | 2 | R4, R10 | RES., 100k, 1%, 1/16W, 0402 | VISHAY, CRCW0402100KFKED |
| 11 | 1 | R9 | RES., 100k, 1%, 1/10W, 0603, AEC-Q200 | VISHAY, CRCW0603100KFKEA |
| 12 | 0 | R12 | RES., OPTION, 0402 | |
| 13 | 1 | R11 | RES., 0Ω, 1/16W, 0402 | VISHAY, CRCW04020000Z0ED |
| 14 | 0 | R16, R17, R18 (OPT) | RES., OPTION, 0402 | |
| 15 | 0 | R19, R20 | RES., OPTION, 0603 | |
| 16 | 1 | VR1 | TRIMMER 100k 0.25W SMD | BOURNS, 3314J-1-104E |
Hardware
| 1 | 4 | E1, E2, E4, E10 | TESTPOINT, TURRET, .094″ PBF | MILL-MAX, 2501-2-00-80-00-00-07-0 |
| 2 | 6 | E3, E5, E6, E7, E8, E9 | TESTPOINT, TURRET, .061″ PBF | MILL-MAX, 2308-2-00-80-00-00-07-0 |
| 3 | 3 | JP1, JP2, JP3 | HEADER 3×2 0.079 DOUBLE ROW | WURTH, 62000621121 |
| 4 | 3 | XJP1, XJP2, XJP3 | SHUNT, .079″ CENTER | WURTH, 60800213421 |
SCHEMATIC DIAGRAM

Information furnished by Analog Devices is believed to be accurate and reliable. However, no responsibility is assumed by Analog Devices for its use, nor for any infringements of patents or other rights of third parties that may result from its use. Specifications are subject to change without notice. No license is granted by implication or otherwise under any patent or patent rights of Analog Devices.
DEMO MANUAL DC2788A
ESD Caution
ESD (electrostatic discharge) sensitive device. Charged devices and circuit boards can discharge without detection. Although this product features patented or proprietary protection circuitry, damage may occur on devices subjected to high-energy ESD. Therefore, proper ESD precautions should be taken to avoid performance degradation or loss of functionality.
Legal Terms and Conditions
By using the evaluation board discussed herein (together with any tools, components documentation or support materials, the “Evaluation Board”), you are agreeing to be bound by the terms and conditions set forth below (“Agreement”) unless you have purchased the Evaluation Board, in which case the Analog Devices Standard Terms and Conditions of Sale shall govern. Do not use the Evaluation Board until you have read and agreed to the Agreement. Your use of the Evaluation Board shall signify your acceptance of the Agreement. This Agreement is made by and between you (“Customer”) and Analog Devices, Inc. (“ADI”), with its principal place of business at One Technology Way, Norwood, MA 02062, USA. Subject to the terms and conditions of the Agreement, ADI hereby grants to Customer a free, limited, personal, temporary, non-exclusive, non-sublicensable, non-transferable license to use the Evaluation Board FOR EVALUATION PURPOSES ONLY. The customer understands and agrees that the Evaluation Board is provided for the sole and exclusive purpose referenced above, and agrees not to use the Evaluation Board for any other purpose. Furthermore, the license granted is expressly made subject to the following additional limitations: Customer shall not (i) rent, lease, display, sell, transfer, assign, sublicense, or distribute the Evaluation Board; and (ii) permit any Third Party to access the Evaluation Board. As used herein, the term “Third Party” includes any entity other than ADI, Customers, their employees, affiliates, and in-house consultants. The Evaluation Board is NOT sold to the Customer; all rights not expressly granted herein, including ownership of the Evaluation Board, are reserved by ADI. CONFIDENTIALITY. This Agreement and the Evaluation Board shall all be considered the confidential and proprietary information of ADI. The customer may not disclose or transfer any portion of the Evaluation Board to any other party for any reason. Upon discontinuation of use of the Evaluation Board or termination of this Agreement, the Customer agrees to promptly return the Evaluation Board to ADI. ADDITIONAL RESTRICTIONS. Customers may not disassemble, decompile or reverse engineer chips on the Evaluation Board. The customer shall inform ADI of any occurred damages or any modifications or alterations it makes to the Evaluation Board, including but not limited to soldering or any other activity that affects the material content of the Evaluation Board. Modifications to the Evaluation Board must comply with applicable law, including but not limited to the RoHS Directive. TERMINATION. ADI may terminate this Agreement at any time upon giving written notice to the Customer. The customer agrees to return to ADI the Evaluation Board at that time. LIMITATION OF LIABILITY. THE EVALUATION BOARD PROVIDED HEREUNDER IS PROVIDED “AS IS” AND ADI MAKES NO WARRANTIES OR REPRESENTATIONS OF ANY KIND WITH RESPECT TO IT. ADI SPECIFICALLY DISCLAIMS ANY REPRESENTATIONS, ENDORSEMENTS, GUARANTEES, OR WARRANTIES, EXPRESS OR IMPLIED, RELATED TO THE EVALUATION BOARD INCLUDING, BUT NOT LIMITED TO, THE IMPLIED WARRANTY OF MERCHANTABILITY, TITLE, FITNESS FOR A PARTICULAR PURPOSE, OR NON-INFRINGEMENT OF INTELLECTUAL PROPERTY RIGHTS. IN NO EVENT WILL ADI AND ITS LICENSORS BE LIABLE FOR ANY INCIDENTAL, SPECIAL, INDIRECT, OR CONSEQUENTIAL DAMAGES RESULTING FROM THE CUSTOMER’S POSSESSION OR USE OF THE EVALUATION BOARD, INCLUDING BUT NOT LIMITED TO LOST PROFITS, DELAY COSTS, LABOR COSTS, OR LOSS OF GOODWILL. ADI’S TOTAL LIABILITY FROM ANY AND ALL CAUSES SHALL BE LIMITED TO THE AMOUNT OF ONE HUNDRED US DOLLARS ($100.00). EXPORT. The customer agrees that it will not directly or indirectly export the Evaluation Board to another country and that it will comply with all applicable United States federal laws and regulations relating to exports. GOVERNING LAW. This Agreement shall be governed by and construed in accordance with the substantive laws of the Commonwealth of Massachusetts (excluding conflict of law rules). Any legal action regarding this Agreement will be heard in the state or federal courts having jurisdiction in Suffolk County, Massachusetts, and the Customer hereby submits to the personal jurisdiction and venue of such courts. The United Nations Convention on Contracts for the International Sale of Goods shall not apply to this Agreement and is expressly disclaimed.
www.analog.com
(C) ANALOG DEVICES, INC. 2020
Downloaded from Arrow.com.











