ANALOG DEVICES LT8386 60V, 3A Silent Switcher Synchronous Step-Up LED Driver

LT8386
60V, 3A Silent Switcher Synchronous Step-Up LED Driver
DESCRIPTION
Demonstration circuit DC3008A is a 60V 3A Silent Switcher synchronous step-up LED driver featuring the LT®8386. It drives a single string of LEDs at 500mA up to 45V when VIN is between 4V and 40V. It runs down to 4VIN with reduced ILED and can withstand VIN as high as 50V, but has overvoltage lockout (OVLO) set for 45V for this application. DC3008A runs at 340kHz switching fre-quency. Spread spectrum frequency modulation (SSFM) can be turned on with a simple jumper, reducing EMI. DC3008A comes with low EMI features including opti-mized layout, SSFM and input EMI filter.
It is protected against both open and short LED condi-tions and reports the faults. The LT8386 boost converter has an input voltage range from 4V to 56V. Its internal synchronous 3.3A 60V switches allow up to 52V of LEDs (with adjusted FB resistors) on the output with room for over voltage protection and overshoot during an open LED event. It has adjustable switching frequency between 200kHz and 2MHz. It can be synchronized to an exter-nal source or programmed with SSFM for low EMI. The PWMTG high-side PWM MOSFET driver assists with short-circuit protection and versatility. LT8386 can be configured as a boost, boost-buck, or buck mode LED driver and maintain all of its low EMI, PWM dimming, and fault diagnostic features.
The LT8386 can be PWM dimmed with an external PWM signal or an internally-generated PWM signal. DC3008A has a jumper that can be set to switch between internally-generated PWM signal, externally-generated PWM signal, and no PWM signal (100% ON). It can be analog dimmed with a control voltage on its control pin (CTRL).
When run with both PWM dimming and SSFM, the SSFM aligns itself with the PWM signal for flicker-free operation.
Small ceramic input and output capacitors are used to save space and cost. The board is designed with small, high frequency capacitors on both sides of the VOUT pins for a reduction in emissions. The open LED overvoltage protection uses the IC’s constant voltage regulation loop to regulate the output to approximately 57V if the LED string is opened. The output current can be monitored through the ISMON test point.
Undervoltage and overvoltage lockout can be adjusted on the circuit with a few simple resistor choices. There is an EMI filter on the input of DC3008A. Please follow the recommend layout and four-layer thickness of DC3008A for low EMI applications.
The LT8386 data sheet gives a complete description of the part, operation and applications information. The data sheet must be read in conjunction with this demo man-ual for demonstration circuit DC3008A. The LT8386JV is assembled in a 28-lead plastic 4mm x 5mm LQFN pack-age with a thermally-enhanced GND pad. Proper board layout is essential for maximum thermal performance. See the data sheet section Layout Considerations.
Design files for this circuit board are available.
All registered trademarks and trademarks are the property of their respective owners.
PERFORMANCE SUMMARY
Specifications are at TA = 25°C

BOARD PHOTO

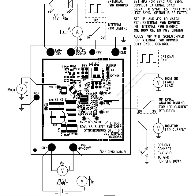
QUICK START PROCEDURE
NOTE: Make sure that the voltage applied to VIN does not exceed 50V.
The DC3008A is easy to set up to evaluate the performance of the LT8386. Refer to Figure 1 for proper measurement equipment setup and follow the procedure below.
- With power off, connect a string of one or two LEDs that runs with a forward voltage less than or equal to 45V at 500mA to the LED+ and LED– GND terminals.
- Connect the EN/UVLO terminal to GND.
- For always-on LED operation: Set JP1 to “ON” and JP2 to “EXT/ON”.
- With power off, connect the input power supply to the VIN and GND terminals.
- Turn the input power supply on and make sure the voltage is between 4V and 45V to start operation.
- Release the EN/UVLO-to-GND connection.
- Observe the LED string running at the programmed LED current.
- To change the brightness with analog dimming, sim-ply attach a voltage source to the CTRL test point and set the voltage between 0V and 2V. See data sheet for details.
- To change brightness with internally-generated PWM dimming, change the JP1 and JP2 jumpers to “INT”. Adjust the voltage of the PWM pin by changing the position of the VR1 potentiometer.
- To change brightness with external PWM dimming, set JP1 to “EXT” and JP2 to “EXT/ON”. Keep LED wire length to a minimum to achieve the highest dimming ratios. Attach a 0V-3V rectangular waveform with vary-ing duty cycle to the PWM test point.
- To enable spread spectrum frequency modulation, set JP3 to “SSFM”. Setting JP3 to “NO SSFM” turns off SSFM. Setting JP3 to “SYNC” connects the pin to the SYNC test point. The converter can be synchronized to an external clock by connecting one to the SYNC test point in this setting. Please see the datasheet for details.
QUICK START PROCEDURE

Figure 1. Test Procedure Setup Drawing for DC3008A
TEST RESULTS
Figure 2. DC3008A efficiency with and without EMI filters. DC3008A is assembled with EMI filters.
Figure 3. DC3008A 43VLED string – ILED v. VIN. Below 7VIN, ILED scales back based upon ISWPK.
Figure 4. DC3008A ILED Load Transient with CTRL Input with SSFM OFF, ILED transient is between 200mA and 500mA using a voltage input to the CTRL pin.
Figure 5. The LT8386 can achieve dimming ratios of 10000:1 at 100Hz with an EMI filter on the output. With the output EMI filter removed, the LT8386 can achieve 25,000:1 or higher PWM dimming ratio.
Figure 6. DC3008A LT8386 thermal image with 500mA, 45V LEDs, SSFM ON, and (a) 9VIN, (b) 12VIN
Figure 7. DC3008A bode plots with 43V, 500mA LED string (a) 12VIN and (b) 9VIN
Figure 8. Average and Peak Conducted Emissions Performance Using Current Method with CISPR25 Class 5 Limits. Addition of the
shield can reduce CE average from 30MHz to 108MHz further below the limits. 14VIN, 43VLED, 500mA, SSFM ON, with no ferrite clamp on output cables to LEDs
Figure 9. Average and Peak Conducted Emissions Performance Using Voltage Method with CISPR25 Class 5 Limits. For reduced AM
band CE results, use a larger L2, C10, or C24, or add on the EMI shield. 14VIN, 43VLED, 500mA, SSFM ON, with no ferrite clamp on output cables to LEDs
Figure 10. Average and Peak Radiated Emissions Performance with CISPR25 Class 5 Limits. DC3008A passes all radiated emissions without requiring the EMI shield. 14VIN, 43VLED, 500mA, SSFM ON, with no ferrite clamp on output cables to LEDs
EMISSIONS SHIELD (OPTION)
For the ultimate lowest emissions, an EMI shield can be attached to DC3008A. The PCB was fabricated with placeholders for six shield clips which can hold a 44mm x 44mm metal shield. Part numbers for an example shield are provided in the Parts List below in the Hardware list.
The top silkscreen picture (Figure 11) shows the place-holders for the six surface mount shield clips. Then the emissions of the board can be tested with and without the removable clip-shield.
Figure 11. EMI shield clips can be soldered to the six placeholders on the PCB. A square 44mm x 44mm outline shows where the EMI shield fits onto the PCB.
PARTS LIST



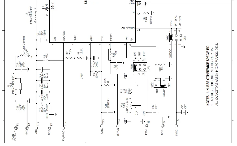
SCHEMATIC DIAGRAM

Information furnished by Analog Devices is believed to be accurate and reliable. However, no responsibility is assumed by Analog Devices for its use, nor for any infringements of patents or other rights of third parties that may result from its use. Specifications subject to change without notice. No license is granted by implication or otherwise under any patent or patent rights of Analog Devices.
ESD Caution
ESD (electrostatic discharge) sensitive device. Charged devices and circuit boards can discharge without detection. Although this product features patented or proprietary protection circuitry, damage may occur on devices subjected to high energy ESD. Therefore, proper ESD precautions should be taken to avoid performance degradation or loss of functionality.
Legal Terms and Conditions
By using the evaluation board discussed herein (together with any tools, components documentation or support materials, the “Evaluation Board”), you are agreeing to be bound by the terms and conditions set forth below (“Agreement”) unless you have purchased the Evaluation Board, in which case the Analog Devices Standard Terms and Conditions of Sale shall govern.
Do not use the Evaluation Board until you have read and agreed to the Agreement. Your use of the Evaluation Board shall signify your acceptance of the Agreement. This Agreement is made by and between you (“Customer”) and Analog Devices, Inc. (“ADI”), with its principal place of business at One Technology Way, Norwood, MA 02062, USA. Subject to the terms and conditions of the Agreement, ADI hereby grants to Customer a free, limited, personal, temporary, non-exclusive, non-sublicensable, non-transferable license to use the Evaluation Board FOR EVALUATION PURPOSES ONLY.
Customer understands and agrees that the Evaluation Board is provided for the sole and exclusive purpose referenced above, and agrees not to use the Evaluation Board for any other purpose. Furthermore, the license granted is expressly made subject to the following additional limitations:
Customer shall not (i) rent, lease, display, sell, transfer, assign, sublicense, or distribute the Evaluation Board; and (ii) permit any Third Party to access the Evaluation Board. As used herein, the term “Third Party” includes any entity other than ADI, Customer, their employees, affiliates and in-house consultants. The Evaluation Board is NOT sold to Customer; all rights not expressly granted herein, including ownership of the Evaluation Board, are reserved by ADI.
CONFIDENTIALITY. This Agreement and the Evaluation Board shall all be considered the confidential and proprietary information of ADI.
Customer may not disclose or transfer any portion of the Evaluation Board to any other party for any reason. Upon discontinuation of use of the Evaluation Board or termination of this Agreement, Customer agrees to promptly return the Evaluation Board to ADI.
ADDITIONAL RESTRICTIONS. Customer may not disassemble, decompile or reverse engineer chips on the Evaluation Board. Customer shall inform ADI of any occurred damages or any modifications or alterations it makes to the Evaluation Board, including but not limited to soldering or any other activity that affects the material content of the Evaluation Board. Modifications to the Evaluation Board must comply with applicable law, including but not limited to the RoHS Directive.
TERMINATION. ADI may terminate this Agreement at any time upon giving written notice to Customer. Customer agrees to return to ADI the Evaluation Board at that time.
LIMITATION OF LIABILITY.
THE EVALUATION BOARD PROVIDED HEREUNDER IS PROVIDED “AS IS” AND ADI MAKES NO WARRANTIES OR REPRESENTATIONS OF ANY KIND WITH RESPECT TO IT. ADI SPECIFICALLY DISCLAIMS ANY REPRESENTATIONS, ENDORSEMENTS, GUARANTEES, OR WARRANTIES, EXPRESS OR IMPLIED, RELATED TO THE EVALUATION BOARD INCLUDING, BUT NOT LIMITED TO, THE IMPLIED WARRANTY OF MERCHANTABILITY, TITLE, FITNESS FOR A PARTICULAR PURPOSE OR NONINFRINGEMENT OF INTELLECTUAL PROPERTY RIGHTS. IN NO EVENT WILL ADI AND ITS LICENSORS BE LIABLE FOR ANY INCIDENTAL, SPECIAL, INDIRECT, OR CONSEQUENTIAL DAMAGES RESULTING FROM CUSTOMER’S POSSESSION OR USE OF THE EVALUATION BOARD, INCLUDING BUT NOT LIMITED TO LOST PROFITS, DELAY COSTS, LABOR COSTS OR LOSS OF GOODWILL. ADI’S TOTAL LIABILITY FROM ANY AND ALL CAUSES SHALL BE LIMITED TO THE AMOUNT OF ONE HUNDRED US DOLLARS ($100.00).
EXPORT. Customer agrees that it will not directly or indirectly export the Evaluation Board to another country, and that it will comply with all applicable United States federal laws and regulations relating to exports.
GOVERNING LAW. This Agreement shall be governed by and construed in accordance with the substantive laws of the Commonwealth of Massachusetts (excluding conflict of law rules). Any legal action regarding this Agreement will be heard in the state or federal courts having jurisdiction in Suffolk County, Massachusetts, and Customer hereby submits to the personal jurisdiction and venue of such courts. The United Nations Convention on Contracts for the International Sale of Goods shall not apply to this Agreement and is expressly disclaimed.


















