ANALOG DEVICES Automotive LED Driver Power Conversion Topology

Introduction
In many systems including the myriad of regulators deployed in automotive power delivery systems—the design of power conversion regulators is often a difficult and complex task. This article aims to simplify the selection process by explaining the benefits, trade-offs, and applications for different switching topologies used for LED drivers.
LEDs are unlike traditional electrical light producing filament or gas components. Utilizing specific semiconductor junctions, LED manufacturers can produce specific colors of light spanning the entire visible range—as well as IR and UV. In automotive applications, LEDs can increase the safety in both daylight and nighttime driving scenarios. Increased efficiency can extend battery life in electric vehicles, and multiple LEDs in a single system can eliminate single-component failures. Due to their versatility, LEDs offer the capability of being driven in many different ways. Since the output from LEDs is well-controlled light, LED loads are unlike traditional loads to a power system. LEDs only rely upon accurately regulated current, through the semiconductor junction, to produce light, where the relative voltages at the terminals to the system ground (or chassis in an automotive system) are unrelated. As a result, LED systems can take advantage of the different topologies offered by switching technologies.
How to Select the Correct Switching Topology for Automotive LED Systems
The choice of a particular switching topology in an automotive system is related to the complete system design; considerations should be taken into account for minimum input voltage, maximum string voltage, chassis return capability, shorted output capability, maximum input current, output/LED current, and PWM dimming.
Step-Down (Buck) Converters

Step-down (or buck) LED drivers regulate the current in an LED string from a voltage that is higher than the total LED string voltage. Buck LED drivers can be safely shorted to the system ground, making them both intrinsically safe. They can have the capability of chassis return (one wire for power), and they can easily be adapted to matrix or animation applications. Figur e 1 and an example schematic in Figure 2 show basic system diagrams with the controller modulating the high-side switch for current control.

Several critical features to look for in step-down LED drivers are fixed frequency operation, high efficiency through excellent switching control and low resistance switches, high accuracy throughout the analog dimming range, and, for excellent EMI, a properly designed spread spectrum frequency modulation.
Table 1. Advantages and Trade-Offs of Using Buck Converters as LED Drivers
| Benefits to Buck LED Drivers | Trade-Offs to Step-Down LED Drivers | Applications |
| Grounded string— chassis return | Input voltage must be higher than LED voltage | High beam/low beam |
| Matrix switches can shunt entire string | Preboost regulator required in most automotive systems | Turn signals/animation |
| Higher bandwidth (>1/5 of fSW) | Matrix headlamps | |
| Best EMI performance | Short-safe systems | |
| Smallest inductor sizing |
Step-Up (Boost) Converters


Step-up (or boost) LED drivers regulate the current in an LED string from a voltage that is lower than the total LED string voltage. This is useful in many automotive systems, where many LEDs need to conduct in a single string. Typical 12 V automotive systems have operational ranges from 6 V to 18 V—requiring that the LED driver runs down to 6 V, providing large step-up ratios for the LEDs to remain illuminated. Figure 3 and an example schematic in Figure 4 show basic system diagrams with the controller modulating the low-side switch for current control.
Table 2. Advantages and Trade-Offs of Using Boost Converters as LED Drivers
| Benefits to Boost LED Drivers | Trade-Offs to Step-Up LED Drivers | Applications |
| Grounded—chassis return | Input voltage must be higher than LED voltage | High beam/low beam |
| Typically, smallest total solution size | Lower bandwidth (<1/20 of fSW) | Heads-up displays |
| Good EMI performance | Higher inductor current rating | Backlighting |
| Direct battery to LED conversion | Cannot short output to GND |
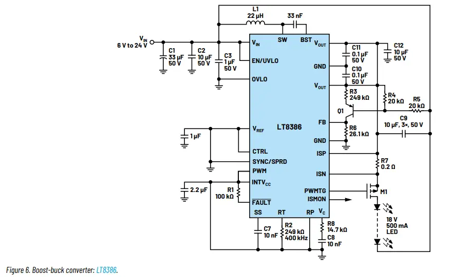
Boost-Buck Using a Boost Converter

Some step-up (or boost) LED drivers may be configured to return the LED cathode to the supply. This configuration is referred to as buck-boost. The total output voltage is VIN (VBATTERY), which is added to the total LED string voltage. The benefit of this topology is being able to drive an LED string that is higher, lower, or equal to the supply voltage. The limitations of this topology are only bounded by the converter—on the low end by the minimum supply voltage of the controller IC and on the high end by the controller IC’s maximum output voltage.
Table 3. Advantages and Trade-Offs of Using Boost- Buck Converters as LED Drivers
| Benefits to Boost-Buck LED Drivers | Trade-Offs to Boost-Buck LED Drivers | Applications |
| Direct battery to LED conversion | Lower efficiency | High beam/low beam |
| LED voltage may be higher or lower than supply | Lower bandwidth (<1/20 of fSW) | Turn signal |
| Good EMI performance | Higher inductor current rating | Daytime running lights |
| May use matrix to short entire string | Cannot short output to GND | Multiple strings on the same output |
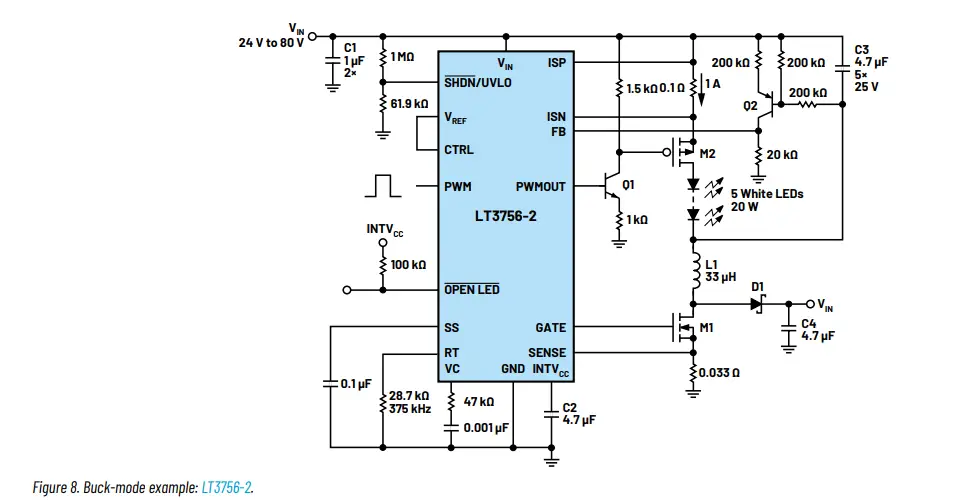
Buck Mode Using a Boost Converter

Some step-up (or boost) LED drivers may be configured to step-down from the supply (rather than ground referenced, as in a standard buck)—creating a buck-mode configuration. This configuration has the same limitations as a buck, where the total LED string voltage must be less than the input supply.

Table 4. Advantages and Trade-Offs of Using Buck- Mode Converters as LED Drivers
| Benefits to Buck-Mode LED Drivers | Trade-Offs to Buck-Mode LED Drivers | Applications |
| Good EMI performance | Input voltage must be higher than LED voltage | High beam/low beams |
| May use matrix to short entire string | Preboost regulator required in most automotive systems | Turn signal |
| May use the same driver for multiple applications | Cannot short output (LED cathode) to GND | Daytime running lights |
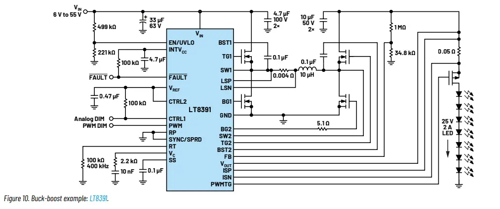
Buck-Boost Converter

Buck-boost LED drivers regulate LED current from a supply that is higher or lower than the total LED string voltage. The converter modulates the high-side switch connected to the input voltage in the step-down mode and the low-side on the output-side in step-up mode. This topology is the most complex but also the most flexible. VIN and VOUT ranges are only limited by the controller IC. This is a good choice for matrix applications.
Table 5. Advantages and Trade-Offs of Using Buck- Boost Converters as LED Drivers
| Benefits to Buck-Boost LED Drivers | Trade-Offs to Buck-Boost LED Drivers | Applications |
| Most versatile topology | A minimum of two switches and two freewheeling diodes is required | High beam/low beams |
| May use matrix to short entire string | Typically, the lowest conversion efficiency | Turn signal |
| May use the same driver for multiple applications | Typically, the lowest (worst) EMI performance | Daytime running lights |
| Short safe systems |
Conclusion

Automotive LED lighting systems can be driven with switching regulators in many different ways. Depending on the application, the selection of switching topology and configuration allows the lighting designer to create complete subsystems for the different lighting requirements throughout an automobile. Selecting the correct power conversion switching topology and configuration for the system optimizes requirements such as complexity, efficiency, EMI, and safety.


Josh Caldwell was with Linear Technology (now part of Analog Devices) for 10 years as a design engineering section leader responsible for the definition, design, and development of monolithic buck, boost, and controller LED drivers. He holds a bachelor’s degree in electrical engineering from the University of Colorado. In his spare time, he enjoys bicycling and drawing.
For regional headquarters, sales, and distributors or to contact customer service and technical support, visit analog.com/contact.
Ask our ADI technology experts tough questions, browse FAOs, or join a conversation at the EngineerZone Online Support Community. Visit ez.analog.com.
2022 Analog Devices, Inc. All rights reserved. Trademarks and registered trademarks are the property of their respective owners.
VISIT ANALOG.COM


















