GE BR Series IND125 LED Driver Replacement Installation Guide
WARNING
RISK OF ELECTRIC SHOCK
- Turn power off before inspection, installation or removal.
- Properly ground electrical enclosure.
RISK OF FIRE
- Follow all NEC and local codes.
- Use only UL approved wire for input/output connections.
- Minimum size 18 AWG (0.75mm2)
Save These Instructions
Use only in the manner intended by the manufacturer.
If you have any questions, contact the manufacturer.
Components Supplied
- Driver of luminaire
Tools and Components Required
- T15 torx screwdriver
- UL Listed conduit connections per NEC/CEC for nominal conduit trade sizes 1/2”or 3/4”
- UL Listed wire connectors
Prepare Electrical Wiring
Electrical Requirements
- The LED driver must be supplied with 120-277VAC 50/60Hz and connected to an individual properly grounded branch circuit, protected by a 20 ampere circuit breaker. Use min. 75oC supply conductor.
Grounding Instructions
- The grounding and bonding of the overall system shall be done in accordance with National Electric Code (NEC) Article 600 and local codes.
Specifications
| Description Code | Corresponding Luminaires |
| Backlit Troffer 22 and 14 driver (1-10V dimming) | Backlit Troffer 22 and 14 series |
| Backlit Troffer 24 driver (1-10V dimming) | Backlit Troffer 24 driver |
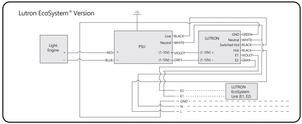
Wiring Diagrams



Driver Replacement Steps
Note: The following depic the 22 series luminaire. However, the procedure is the same for the 14 and 24 series fixtures
- Rotate latches to unlock the front bezel.

- Swing down panel and lift off front bezel.

- For Backlit Troffer 22 and 24: unfasten the screw(s) holding the driver cover and remove it.
For Backlit Troffer 14: unfasten the screws near the LED bar and remove the cover.

- First, disconnect the driver from the luminaire by cutting the wires at the distance of 2cm (0.75 in.) from the old driver. Then, unscrew the screws and star washers which attach the driver to the luminaire and remove the old driver.
NOTE: Keep the screws and star washers for later
NOTE: Steps 4 and 5 depict the standard version. For 347V version and Lutron EcoSystem version.
See wiring diagrams.
- The length of wires from the new driver should be no less than 6cm (2.36 in.). Reattach the new driver in the same location as the old driver using star washers and screws. Strip off 10mm (0.4 in.) from all wires and reconnect the new driver to the luminaire with UL listed connectors. Wires with the same color should be connected together.

- Reattach the driver cover with screw(s).


- Hang panel on its hinges and swing up into place.

- Rotate latches to unlock the front bezel.

This device complies with part 15 of the FCC rules. Operation is subject to the following two conditions:
- This device may not cause harmful interference, and
- this device must accept any interference recieved, including interference that may cause undesired operation.
CAN ICES-005 (A) / NMB-005 (A). This Class [A] RFLD complies with the Canadian standard ICES-003. Ce DEFR de la classe [ A ] est conforme à la NMB-003 du Canada.
Note: This equipment has been tested and found to comply with the limits for a Class A digital device, pursuant to part 15 of the FCC rules. These limits are designed to provide reasonable protection against harmful interference when the equipment is operated in a commercial environment. This equipment generates, uses, and can radiate radio frequency energy and, if not installed and used in accordance with the instruction manual, may cause harmful interference to radio communications. Operation of this equipment in a residential area is likely to cause harmful interference in which case the user will be required to correct the interference at his own expense.
© 2021 Current Lighting Solutions, LLC. All rights reserved. GE and the GE monogram are trademarks of the General Electric Company and are used under license. Information provided is subject to change without notice. All values are design or typical values when measured under laboratory conditions.
IND125 (Rev 04/02/2021)





























