HYTRONIK HDD2200 DALI Accessories Trailing Edge Dimmer User Guide
Application
For use in upgrade trailing of trailing edge phase dimming controls, this dimmer will convert DALI control signals to the trailing edge drivers or transformers. It can trailing savings on installation and wiring costs and will also reduce unnecessary waste of electronic equipment, making it an environmentally sound solution for a lighting control upgrade.
Features
DALI
Over-heat Protection
Over-load Protection
5 Year, 50,000hr Warrant
Technical Data
| Dimming Range | Trailing edge dimming range 10% ~ 100% |
| Mounting Type | Built-in box 60mm or stand alone installation |
| Operating Voltage | 220-240VAC 50Hz |
| Rated Load | 200W(resistive); 200VA(capacitive) |
| Power Consumption | ≤ 0.5W |
| DALI Power | 2mA |
| Operating Temperature | Ta: -20~+50℃ |
| Safety Standard | EN60669-1; EN60669-2-1 |
| EMC Standard | EN55015, EN61547, EN61000-3-2, EN61000-3-3 |
| DALI Standard | IEC62386-101; IEC62386-102; IEC62386-205 |
| Certifications | Semko, CB, CE , EMC, RCM |
Dimensions and Terminals



Wire Preparation
Solid or Stranded wire type
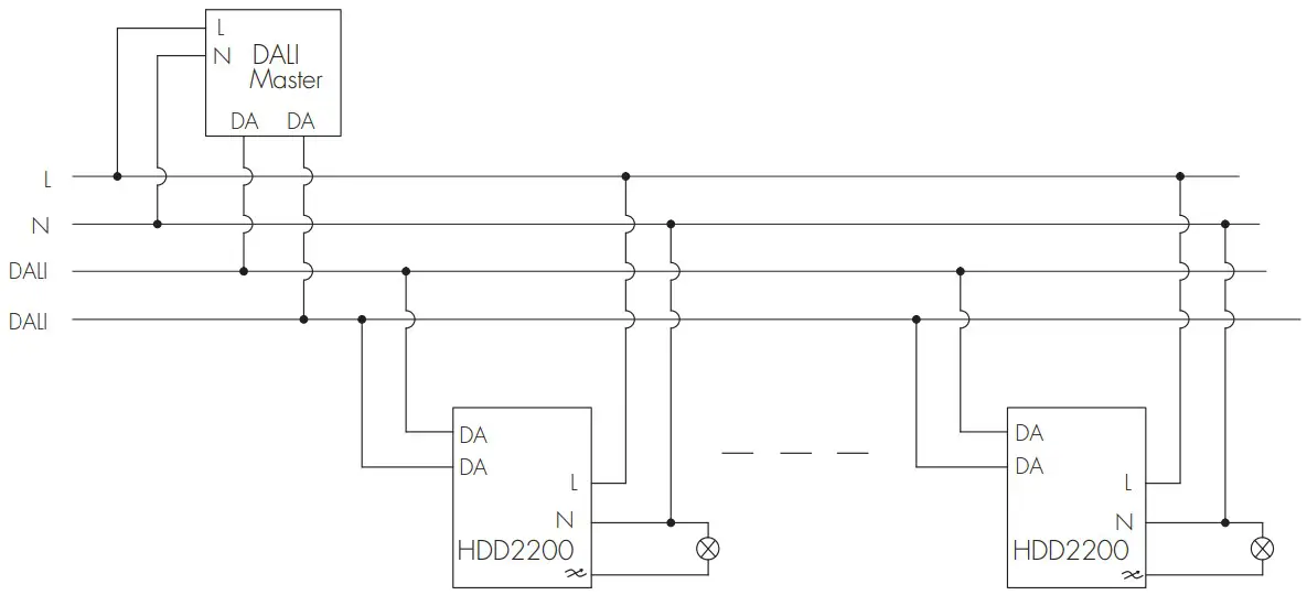
Wiring Diagram

- 200 metres (total) max. for 1mm² CSA (Ta = 50メ)
- 300 metres (total) max. for 1.5mm² CSA (Ta = 50メ)
Optional Accessory : Strain-relief clip

Note:
The current version product has done the test with the Tridonic gateway/DALI master and working properly. However, it might have a potential risk of compatibility issues with 3rd party DALI gateways or DALI masters, Hytronik cannot guarantee it will be fully compatible with all the 3rd party DALI gateways or DALI masters. Therefore, before a mass quantity order has been placed, customers need to make a full compatibility test between these products and their own 3rd party DALI gateways or DALI masters to make sure the product is working properly and no such compatibility issue. Otherwise, the potential compatibility risk and responsibility shall be taken by the customers themselves. Hytronik’s Guarantee policy will not be applied to this

















