HYTRONIK HDD2200 Dali Trailing Edge Dimmer

For use in upgrade retrofit of trailing edge phase dimming controls, this dimmer will convert DALI control signals to the trailing edge drivers or transformers.
Product description

- Trailing edge dimmer
- Input: DALI, L, N
- Installation in box 60mm or stand alone installation
- Over-heat protection
- Over-load protection
Technical Specifications
- Product type : DALI trailing edge dimmer
- Operating voltage: 230/240VAC 50Hz
- Rated load: 200W
- Power consumption: ≤ 0.5W
- DALI power: 2mA
- Operating temperature: -20oC ~+50oC
- Safety Standard: EN60669-1, EN60669-2-1
- DALI standard: EN62386-101; 102; 205
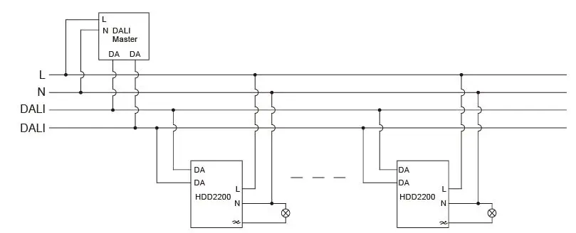
Wiring Diagram

Optional Accessory : Strain-relief clip


















