Fronius 1 Plus 2 GEN24 Surge Protective Device

Detailed, country-specific warranty terms are available at: www.fronius.com/solar/warranty.
GENERAL DATA
| GENERAL DATA | DC SPD TYPE 1+2 GEN24 |
| Continious operating current (Icpv) | < 0,1 mA |
| Nominal discharge current (In) – 15 x 8/20 µs impulses | 20 kA |
| Max. discharge current (limp) -max. withstand @ 10/350 µs | 6,25 kA |
| Protection level 8/20 µs (Up) (star mounting) | 4 kV |
| Current withstand short circuit PV (Iscpv) | 15 kA |
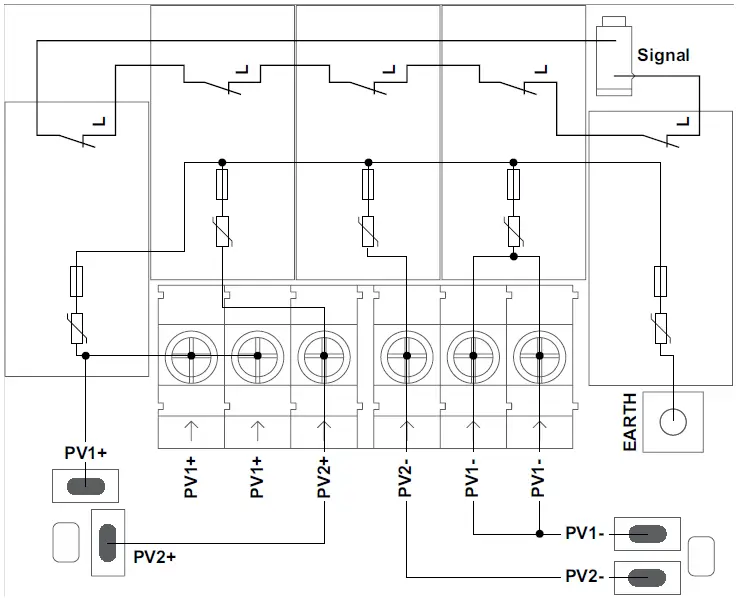
ASSOCIATED DISCONNECTORS
| ASSOCIATED DISCONNECTORS | TYP 1+2 PV |
| Thermal disconnector | internal |
| External fuses | without |
MECHANICAL CHARACTERISTICS
| MECHANICAL CHARACTERISTICS | TYP 1+2 PV |
| Disconnection indicator | mechanical indicator (red) |
| Remote signalling of disconnection | warning on signal |
| Housing material | Thermoplastic UL-94-V0 |
| Standards compliance | IEC 61643-31 / DIN EN 50539-11 / UL1449 ed.4 / VDE 0185-305-3 Bbl. 5 |
For max. PV operating voltage, operating temperature, and protection class, the technical data of the inverter apply!
WARNING!
Operating the equipment incorrectly or poor workmanship can cause serious injury or damage. The inverter may only be installed and commissioned by trained personnel acting in accordance with the technical regulations. Before working with the device, ensure that you have read and understood all the documents provided (both hard copies enclosed with the product and documents provided online). When solar modules are exposed to light, they supply voltage to the inverter. This document does not describe all of the possible system configurations. The graphics shown may vary depending on the device type.
WIRING

INSTALLATION

SWITCH OFF/DISCONNECT


PREPARE FOR INSTALLATION









CLOSE AND COMMISSIONING





















