Surge Protective Devices
STCCAT6P0EI
Instruction Manual

Safety Information
Important Information
Read these instructions carefully and look at the equipment to become familiar with the device before trying to install, operate, service, or maintain it. The following special messages may appear throughout this bulletin or on the equipment to warn of potential hazards or to call attention to information that clarifies or simplifies a procedure.
The addition of either symbol to a “Danger” or “Warning” safety label indicates that an electrical hazard exists which will result in personal injury if the instructions are not followed.
This is the safety alert symbol. It is used to alert you to potential personal injury hazards. Obey all safety messages that follow this symbol to avoid possible injury or death.
DANGER
DANGER indicates a hazardous situation that, if not avoided, will result in death or serious injury.
WARNING
WARNING indicates a hazardous situation that, if not avoided, could result in death or serious injury.
CAUTION
CAUTION indicates a hazardous situation that, if not avoided, could result in minor or moderate injury.
NOTICE
NOTICE is used to address practices not related to physical injury. The safety alert symbol shall not be used with this signal word.
Please Note
Electrical equipment should be installed, operated, serviced, and maintained only by qualified personnel. No responsibility is assumed by Appleton Grp LLC d/b/a Appleton Group for any consequences arising out of the use of this material.
A qualified person is one who has skills and knowledge related to the construction, installation, and operation of electrical equipment and has received safety training to recognize and avoid the hazards involved.
Introduction
The SolaHD STCCATCAT6P0EI is designed for use with Category 6 Power-Over-Ethernet transmission line applications. It limits surges and transients at computers and video equipment.
The STCCATCAT6P0EI is available with an isolated ground option to be used at the equipment end in order to help prevent circulating ground currents.
DANGER
HAZARD OF ELECTRIC SHOCK, EXPLOSION, OR ARC FLASH
- Apply appropriate personal protective equipment (PPE) and follow safe electrical work practices. See NFPA 70E, NOM-029-STPS or CSA Z462.
- This equipment must only be installed and serviced by qualified electrical personnel.
- Turn off all power supplying this equipment before working on or inside the equipment.
- Always use a properly rated voltage sensing device to confirm power is off.
- Replace all devices, doors, and covers before turning on power to this equipment.
- This equipment must be effectively grounded per all applicable codes. Use an equipment-grounding conductor to connect this equipment to the power system ground.
- Confirm that the Surge Protective Device voltage rating on the module or nameplate label is not less than the operating voltage.
- Do not place this product in service on any line capable of supplying more than 750 mA continuously.
Failure to follow these instructions will result in death or serious injury.
WARNING: This product can expose you to chemicals including DINP, which is known to the State of California to cause cancer, and DIDP which is known to the State of California to cause birth defects or other reproductive harm. For more information go to: www.P65Warnings.ca.gov.
Installation
- Turn off the power to the circuit prior to installation.
- Mount the SPD as close as possible to the equipment. #6 hardware is recommended.
- Connect a #10 ground wire using a 10-32 ring terminal (not provided) to the SPD ground stud. Connect the opposite end of the wire to a “building approved ground”. Keep ground wire as short and straight as possible to maximize performance.
- Connect the STCCAT6P0EI supply cable (with RJ-45 connector) to the INPUT side of the SPD.
- Complete the circuit by connecting the CAT5 cable (provided) from the output of the SPD to the equipment.
- Apply power to the circuit and verify operation.
Higher Operating Currents
* For applications requiring higher Operating Currents, input connections can be paralleled to meet the desired rating.

General Technical Specifications
| STCCAT6P0EI | |
| Operating Voltage | up to 57 VDC |
| Clamping Voltage | 68 VDC |
| Operating Current* | 0.75 Amp Per Pin |
| Peak Surge Current | 10 kA (8 x 20 µs) Per Pair |
| Insertion Loss | < 0.1 dB |
| Topology | Two Port Series |
| Modes of Protection | All Lines (1-8) Protected (L-L) and (L-G) Signal High-Low; High-Ground; Low-Ground |
| Transmission Speeds | 10BaseT; 100BaseT; 1000BaseT |
| SPD Technology | GDT, SAD, Series PTC |
| Input/Output Connection | RJ-45 Jacks (Isolated) |
| CAT 5 Output Cable | Unshielded RJ-45, 7 in. (.18M) |
| Ground Terminal | 10-32 Stud (Isolated) |
| Operating Temperature | -40°C to +85°C (operating current adjusted to 40% @ +85°C) |
| Operating Humidity | 0-95% Non-Condensing |
| Material | Aluminum |
| Mounting | Flange |
| Weight (oz / g) | 5 oz [142 g] |
| Certification | UL 497B Listed, Tested to IEC 802.11 (Complies to IEEE 802.3AT and 802.3AF) |
| Limited Warranty | 5 Year |
Model Reference
| Model | Application |
| STCCAT6P0EI | CAT6 Protection with Isolated Ground |
| Accessory | |
| STCCAT6DINKIT | DIN Kit for STCCAT6P0EI |
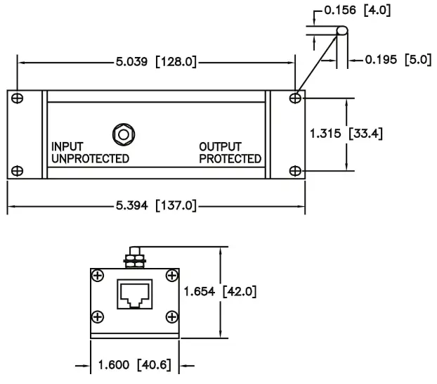
Dimensions (in. / mm.)

STCCAT6DINKIT
Technical Support
Website: www.solahd.com
Technical Support E-Mail: [email protected]
Toll-Free: (800) 377-4384
USA: (847) 268-6651
Warranty
Please refer to the “Terms & Conditions of Sale” document.
While every precaution has been taken to ensure accuracy and completeness in this manual, Appleton Grp LLC d/b/a Appleton Group assumes no responsibility and disclaims all liability for damages resulting from the use of this information or for any errors or omissions.
The Emerson logo is a trademark and service mark of Emerson Electric Co.
Appleton Grp LLC d/b/a Appleton Group. SolaHD is a registered trademark of Appleton Grp LLC.
All other marks are the property of their respective owners. © 2020 Emerson Electric Co. All rights reserved.

| United States (Headquarters) Appleton Grp LLC 9377 W. Higgins Road Rosemont, IL 60018 United States T +1 800 621 1506 Australia Sales Office Bayswater, Victoria T +61 3 9721 0348 Korea Sales Office Seoul T +82 2 3483 1555 | Europe ATX SAS Espace Industriel Nord 35, rue André Durouchez, CS 98017 80084 Amiens Cedex 2 France T +33 3 2254 1390 China Sales Office Shanghai T +86 21 3338 7000 | Canada EGS Electrical Group Canada Ltd. 99 Union Street Elmira ON, N3B 3L7 Canada T +1 888 765 2226 Middle East Sales Office Dammam, Saudi Arabia T +966 13 510 3702 | Asia Pacific EGS Private Ltd. Block 4008, Ang Mo KioAve 10, #04-16 TechPlace 1, Singapore 569625 T +65 6556 1100 Chile Sales Office Las Condes T +56 2928 4819 | Latin America EGS Comercializadora Mexico S de RL de CV Calle 10 N°145 Piso 3 Col. San Pedro de los Pinos Del. Álvaro Obregon Ciudad de México. 01180 T +52 55 5809 5049 India Sales Office Chennai T +91 44 3919 7300 |
PN# 9638_rA
A272-352 Rev. 1 06/2021
Technical Support

















