
SP1 Surge Protective Device Instruction Manual
Installation & Operation IM01005036E
Effective Nov. 2021 Rev. 6

1.0 Introduction
This manual describes how to install a Surge Protective Device (SPD) in parallel (shunt) across the AC supply of the following types of electrical systems:
- Split Phase
- Three-Phase Wye
- Three-Phase Delta
The SPD is designed to be installed on service entrance, branch panels, and/or individual equipment disconnects, and functions to protect sensitive electronic equipment from damaging voltage transients. The connecting wires do not carry supply current. Instead, they carry only short-duration currents that are associated with a transient event.
These instructions do not cover all details, variations, or combinations of the equipment, its storage, delivery, installation, checkout, safe operation, or maintenance. If you require further information regarding a particular application or installation that is not covered in this manual, please contact Eaton’s Power Quality Technical Support at 1-800-809-2772, option 4, option 2.
1.1 Safety Precautions
A licensed/qualified electrician must complete all instructions described in this manual in accordance with the U.S. National Electrical Code, state and local codes, or other applicable country codes. All electrical codes supersede these instructions.
Suitable For Use on a Circuit Capable of Delivering Not More Than 200,000 rms symmetrical Amperes. Convient Aux Circuits Non Susceptibles De Delivrer Plus De 200,000 Amperes symetriques Eff.
WARNING! Shock hazard – Do not open:
Improper installation can cause death, injury and/or equipment damage. Follow all warnings and cautions. Completely read and understand the information in this instruction manual before attempting to install or operate this equipment.
Improper wiring could cause death, injury, and/or equipment damage. Only licensed/ qualified electricians who are trained in the installation and service of electrical devices are to install and service this equipment.
Use appropriate safety precautions and equipment for arc flash protection.
During normal operation, hazardous voltages are present inside the SPD.
When servicing the SPD, follow all safe work practices to avoid electrical shock.
Warning No Serviceable Parts
CAUTION
Do not perform a high-pot test with the SPD connected to the electrical system. Failure to disconnect the SPD during a high-pot test will result in damage to the SPD.
1.2 Catalog Numbering System
Series Voltage Code
SP1- 240S = 120/240V single split-phase (3W)
208Y = 120/208 wye (4W+G)
480Y = 277/480 wye (4W+G)
600Y = 347/600Y wye (4W+G)
240D = 240 delta (3W+G)
480D = 480 delta (3W+G)
600D = 600 delta (3W+G)
For more information visit: www.Eaton.com
2.0 Installation
Refer to Section 1.2 and look at the label on the SPD to verify that the SPD’s voltage rating and wiring configuration matches that of the electrical system. Use an AC voltmeter to measure the system’s line voltage to ensure that the correct model of SPD is being installed. Damage to the SPD may result if it is connected to an electrical system of a higher voltage or different wiring configuration.
2.1 Mounting
The SPD can be mounted directly to the electrical panel, or to a wall or din-rail with the addition of an optional mounting kit, Catalog number SP1DINRAILKIT.
IMPORTANT!
- Choose a mounting location for the SPD that provides the shortest and straightest possible wiring (lead length) from the SPD to the electrical system connections. Excessive lead length and sharp bends will degrade SPD performance.
- If the electrical system uses an isolated ground, the SPD must be isolated from ground using insulated conduit fittings.
- When using conduit, avoid using 90° elbows and keep the conduit run as short and straight as possible.
2.1.1 Conduit Installation
Mount the SPD directly to the electrical panel using a 1/2″ locknut as shown in Figure 2-1.
When mounting the SPD outdoors, use weatherproof conduit and fittings to maintain the enclosure’s NEMA 4 rating. See Figure 2-2.

Figure 2-1. 1/2″ Locknut Mounting

Figure 2-2. Conduit Installation
- Avoid sharp bends in conduit and longer than necessary wire lengths.
- Keep conduit length as short and straight as possible.
2.1.2 Wall Mounting
Mount the SPD directly on a wall using the SPD’s optional SP1MNTGKIT as follows:
- Screw the wall bracket to the wall or other mounting surface using two #10 screws of the appropriate type (not provided) with the large hole in the bracket at the top.
- Thread the lead wires from the SPD through the large hole and insert the integrated hub into the large hole with the hub pointed upwards.
- Use the locknut (provided) to secure the SPD hub to the bracket.
2.1.3 For DIN rail mounting
Mount the SPD directly on DIN rail using the SPD’s optional SP1MNTGKIT as follows:
- Snap the DIN rail clip into the two smallest holes in the mounting bracket.
- Thread the lead wires from the SPD through the large hole in the bracket and insert the integrated hub into the large hole.
- Use the locknut (provided) to secure the SPD hub to the bracket.
- Snap the SPD and bracket to the DIN rail (not provided) with the hub pointed upwards.

Figure 2-3. Wall Mounting or DIN Mounting with Optional SP1MNTGKIT
2.2 Wiring
IMPORTANT!
- Be sure to follow all national, state, and local electrical codes when making wiring connections.
- When connecting the wires from the SPD to the electrical system, cut the wires as necessary to keep them as short as possible.
- To maximize the SPD’s performance, twist and bind the wires together to reduce the impedance of the wire (one twist/inch).
- If the system utilizes an isolated ground, the SPD’s ground wire must be connected to the system’s isolated ground bus.
- Locate the electrical system’s applicable wiring diagram in Section 2.3. Reference this wiring diagram as necessary in Steps 2, 3, and 4.
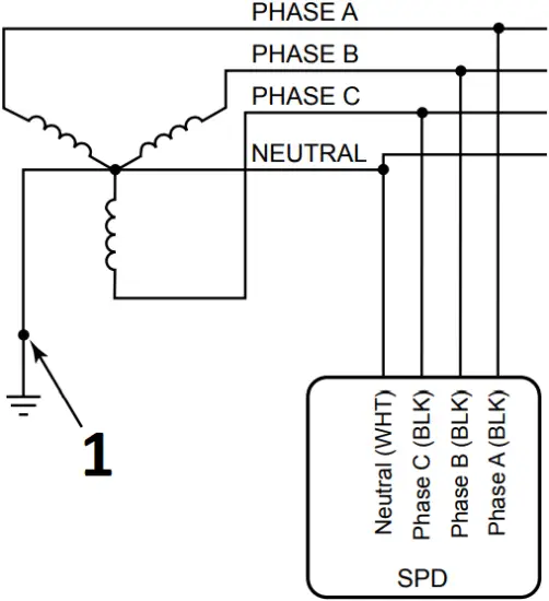
- Connect the SPD’s ground wire (green) to the system’s ground connection. Delta only.
- Connect the SPD’s neutral wire (white) to the system’s neutral connection (not required for 3-phase delta systems - 240D, 480D, and 600D).
- Connect the SPD’s phase A, B, and C wires (black) to the system’s corresponding phase A, B, and C connections according to applicable national, state, and local electrical codes.
2.3 SPD Wiring Diagrams
Split Phase
(240S)

3-Phase Delta
(240D, 480D)
600D
3-Phase Wye
(208Y, 480Y)
600Y
- Grounding and bonding per national and local electrical codes
3.0 Operation
3.1 Power Up and System Checkout
Apply system power. The LED should light.
If the connected LED does not light, remove power, check connections, and test again. If the LED still does not light, contact your supplier.
3.2 Routine Operation
After system power has been applied, the SPD automatically begins to protect down-stream electrical devices from damaging voltage transients.
With all phase voltages present, the LED indicator reports the status of the protection elements and is active when all of them are intact and providing protection. Any loss of protection is signaled when the LED extinguishes.
The device is not repairable and contains no user serviceable parts. If the unit fails, as evidenced by the LED turning OFF, the unit must be replaced. Please contact your distributor as the SPD may be under warranty.
DO NOT use the Suppression Circuit Status LEDs as an indication of the presence or absence of system phase voltages.
4.0 Specifications
| Description | Ratings |
| Surge current capacity per phase | 50kA |
| Nominal Discharge Current (In) | 20kA for SP1-240S, 208Y, 480Y, 240D, and 480D, 10kA for SP1-600Y and 600D |
| Short circuit current rating (SCCR) | 200kA |
| SPD type | Type 1 (can also be used in Type 2 applications) |
| System voltages available (VAC) Single split-phase | 120/240 |
| Protection modes Single split-phase and three-phase wye | L-N, L-L |
| Maximum continuous operating voltage (MCOV) SP1-240S and SP1-208Y | 150 L-N, 300 L-L |
| Input power frequency | 50/60 Hz |
| Enclosure rating | NEMA 4 |
| Operating temperature | -20°C through 50°C (-4°F through 122°F) |
| Operating humidity | 5% through 95%, noncondensing |
| Operating altitude | Up to 16,000 ft (5000m) |
| Agency certification and approvals | UL1449 4th Edition Type 1 and Type 2 SPD CSA-22.2 No. 269.1-17 2nd Edition |
| Warranty | 2 years |
| UL 96A Compliant | Yes |
| NFPA 780 Compliant | Yes |
| Wire Length and AWG | Factory prewired with 24 inches of 12 AWG wire |
5.0 Warranty
Eaton warrants these products for a period of 2 years from the date of delivery to the purchaser to be free from defects in both workmanship and materials. Eaton assumes no risk or liability for results of the use of the products purchased from it, including but without limiting the generality of the foregoing: (1) The use in combination with any electrical or electronic components, circuits, systems, assemblies, or any other materials or substances; (2) Unsuitability of any product for use in any circuit or assembly. Purchaser’s rights under the warranty shall consist solely of requiring Eaton to repair, or at Eaton’s sole discretion, replace, free of charge, F.O.B. factory, and defective items received at said factory within said term determined by Eaton to be defective. The giving of or failure to give any advice or recommendations by Eaton shall not constitute any warranty by or impose any liability upon Eaton. The foregoing constitutes the sole and exclusive liability of Eaton AND IS IN LIEU OF ANY AND ALL OTHER WARRANTIES EXPRESSED, IMPLIED OR STATUTORY AS TO THE MERCHANTABILITY, FITNESS FOR PURPOSE SOLD, DESCRIPTION, QUALITY, PRODUCTIVENESS OR ANY OTHER MATTER. In no event shall Eaton be liable for special or consequential damages or for delay in performance of the warranty. This warranty does not apply if the product has been misused, abused, altered, tampered with, or used in applications other than specified on the nameplate. At the end of the warranty period, Eaton shall be under no further warranty obligation expressed or implied. The product covered by this warranty certificate can only be repaired or replaced by the factory. For help on troubleshooting the SPD, or for warranty information, call 1-800-809-2772, Option 4, sub-option 2. Repair or replacement units will be returned collect. If Eaton finds the return to be a manufacturer’s defect, the product will be returned prepaid.
![]()
Eaton
1000 Cherrington Parkway
Moon Township, PA 15108-44312
USA
Eaton.com
For Technical Support please call: © Eaton
1-800-809-2772 All Rights Reserved
Eaton



















