6400V Fire Labelled Surface Vertical Rod Exit Devices
User Manual
6400V Fire Labelled Surface Vertical Rod Exit Devices
6400V – PANIC & 6400VF – FIRE LABELED SURFACE VERTICAL ROD EXIT DEVICES
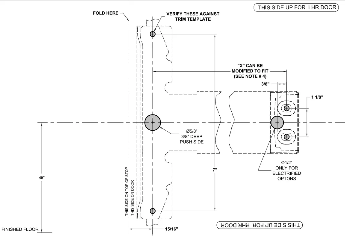
6400 SERIES EXIT DEVICES USING SNB OR SURFACE MOUNT FASTENERS
DEVICE
MACHINE SCREWS: USE R7 OR 13/64″ DRILL AND 1/4-20 TAP
WOOD SCREWS: USE 5/32″ DRILL
SEX NUTS: USE 3/8″ DRILL PULL SIDE USE 9/32″ DRILL PUSH SIDE
NOTES:
- VERIFY PRINTED TO SCALE
- SEX NUTS MAY BE REQUIRED FOR UNREINFORCED DOORS OR COMPOSITE FIRE DOORS. CONSULT DOOR MANUFACTURERS RECOMMENDATIONS
- SEE TRIM TEMPLATE (IF APPLICABLE) FOR RELATED MACHINING DETAILS
- DIMENSION “X” SIZED FOR DOOR. REFER TO DEVICE INSTRUCTIONS WHEN CUTTING DOWN FOR NARROWER OPENING
- CHECK PDC WEBSITE FOR MOST RECENT REVISION WWW.POOLOCKS.COM
| MINIMUM STILE WIDTH | APPLICATION |
| 3 1/2″ STILE | HOLLOW METAL – SOLID CORE |
| 2 118″ STILE | AL STOREFRONT |


PDQ Manufacturing
2230 Embassy Dr.
Lancaster, PA 17603
833-273-7832 833-2 PDQTECH
www.pdqlocks.com













