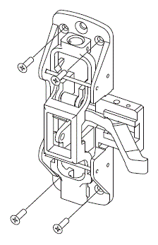
SARGENT 12-FM8700 Surface Vertical Rod Exit Device

Surface Vertical Rod Exit Device

WARNING
This product can expose you to lead which is known to the state of California to cause cancer and birth defects or other reproductive harm. For more information go to www.P65warnings.ca.gov.
Tools Required

Note: This device is one component of a specific combination of hardware required for this opening to meet FEMA 361 requirements. Follow all installation steps as directed, in the sequence given.
Note: For all 12-FM8700 single-door applications, (4) thermal pins are required. See Template 4628 in Step 14.
Note: For rail lengths and cutting instructions, see Step10.
FASTENER CHART

Installation Instructions Manual
Door Preparation
- Mark vertical reference line A. A is the centerline for the chassis, top and bottom cases.
- Mark horizontal reference line B at 41″ above the finished floor. B is the centerline for the chassis and rail.
- Tape the top case and chassis templates to the door (packed with the device).

Install Top Bolt and Strike
- Prepare cut-out in the frame for 659 Top Bolt / Strike. Use an 11/64″ drill, 12-24 tap, #3 Phillips screwdriver.
- Install 659 Top Bolt/Strike. Transfer the vertical centerline to the door frame. With the door closed, align the interlocking shim with the 659 Top Bolt / Strike and place on a vertical reference line. Mark and drill four mounting holes using an 11/64″ drill and 12-24 tap.
- Mount 659 Top Bolt/Strike, (4) #12-24 x 3/4″ Phillips Head Flat H.D. Machine Screws.
Note: All four fasteners are required. Do not tighten until Step 5.

Install Top Case
- With the door closed, center the Top Chassis Assembly and Interlocking Shim on the vertical reference line. The Interlocking Shim must be engaged in the Top Bolt/Strike.
- Mark the location of (4) mounting screws.
- Use 3/8″ Drill Bit to drill two Top Mounting Holes through the door. Install (2) sex nuts, p/n #60-0502 from the outside door surface. Install (2) 12-24 x 3/4 Socket Head Cap Screws from Inside.
- Attach using (2) 12-24 x 3/4″ Flat Head Socket Head Screws in two bottom holes (1/8″ Allen Wrench).

Securing Interlocking Shim

- With the Top Chassis Assembly and Interlocking Shim secured the 659 Top Bolt / Strike should engage the Top Chassis Assembly and Interlocking Shim when the door is closed.
- Trace the outline of the Interlocking Shim.
- Remove the Top Chassis Assembly to expose the center hole on the Interlocking Shim. Ensure the Interlocking Shim is aligned with the tracing. Mark and tap center hole (1) 12-24 x 3/4″ Flat Head Socket Head Screw.
- Reinstall Top Chassis Assembly.
- Check for Top Chassis Assembly and 659 Top Bolt / Strike Engagement. Tighten all screws.
- Install the Top Case Cover using (4) 8-32 x 5/16″ screws.
Install Center Chassis
- Secure Chassis and Chassis Shim with (4) #10-24 x 3/4″ Phillips Head Flat H.D. Machine Screws, 4 corner mounting holes.
Note: Use all four screws provided.

- POS ITION TRIM ON DOOR – Align spindle with BE LL HOUS ING

- THRU-BOLT CHAS S IS to E T TRIM with (2) 1/4″ -20 x 2 3/8″ PH.F L.HD.Mach. S crews

Rail Shim Lengths and Cutting Instructions
- Refer to rail size listed on the box the device was shipped in. Break Rail Shim to the length that corresponds to the rail size.
Note: If the shim needs to be cut, always cut shim from the end closest to the hinge edge.
Use Breaking Lines to shorten S him to the needed Rail size
Install Rail
Note: Do not install through-bolts until installation is complete and all mounting screws are tight. Do not install the chassis cover at this time.
- Level rail assembly on the door. Use rail assembly as a template. Mark and punch locations for threaded holes.
- Remove the rail assembly from the door.
- Drill and tap (2) holes as shown indoor surface (#7 drill, 1/4-20 tap, 25/64″ drill, 7/16-20 tap).
- With a rail shim under the mount install push rail assembly onto the door.
- Install shoulder and socket head screw (3/16″ wrench for 1/4″-20 bolt, 3/8″ wrench for 7/16″ screw).

- Attach touchpad base to push rail with (3) screw and washer assemblies.
- Snap touch pad insert into touchpad base.
- Install End Cap Bracket. Attach to door using (2) #10-24 x 3/4″ Phillips round head machine screws.
- Tighten all screws. Install hinge side cover using (2) #8-32 x 5/16″ Phillips oval head machine screws.
Surface Mount 653 Bottom Strike

- Transfer the vertical centerline to the threshold.
- Drill holes 1 5/8″ to 1 3/4″ deep for (3) 1/4″ sleeve anchors.
- Disassemble anchors and drop the lower portion into the hole with threads towards top of the hole.
- Align holes in the strike with holes in the floor.
- Screw top half of the anchor onto the installed piece through the holes in the strike. Tighten anchors securely.
Note: No Clearance in the floor is required.
Install Bottom Case

- Using the vertical reference line, with the bottom case as a template, Align the Bottom Case for 1/8″ maximum gap between case and strike.
- Drill and tap top mounting holes for (2) 12-24 x 3/4″ flat head socket screws, using an 11/64″ drill and 12-24 Tap.
- Use 3/8″ drill bit to drill two bottom mounting holes through the door.
- Install (2) sex nuts, p/n 68-1663 from the outside door surface.
- Install (2)12-24 x 3/4 socket head cap screws from inside.
- Tighten Screws with a 1/8″ Allen wrench, for the top and 5/32″ Allen wrench, for the bottom.
Install Rods
- Slide the top rod into a main slide, center chassis, until the center hole is aligned with the hole in the main slide.
- Thread the top rod into the top case until finger-tight.
- Adjust the position and insert rod adjustment pin.
- Slide the bottom rod into a main slide, center chassis.
- Thread the bottom rod into the bottom case until finger-tight. Rotate to adjust the height.
- Unscrew the bottom rod until the center hole is aligned with the bottom slot in the main slide.
- Insert rod adjustment pin.

Adjust Top & Bottom Rods
- Adjust top and bottom latch bolts for maximum engagement.
- Rough adjustments are made by changing the hole used for the adjustment pin.
- For Fine adjustments: Turn rod into top and bottom cases to shorten, or turn rod out of top and bottom cases to lengthen.
- Top Rod: Push on the door and the rail at the same time. As soon as the door opens, release the rail. The top bolt should be in the hold-back position. If not, extend the top bolt.
- Note: Top bolt must go into the hold-back position before the door opens.
- Bottom Rod: Extend the bottom bolt for maximum engagement with the bottom strike. When the top bolt is in hold back, it also holds the bottom bolt in the retracted position. When the bottom bolt is retracted, the bolt must clear the bottom strike by 1/8″ minimum through the swing of the door.
- When adjustment is completed, install top and bottom rod guides at the midpoint between center and top and bottom chassis, using (2) #10-24 x 1-1/4″ oval head screws per guide.
- Install center chassis cover using (4) #8-32 x 5/16″ screws.
Rail Lengths & Cutting Instructions
| R AIL | MAX DOOR WIDTH | MIN DOOR WIDTH |
| E | 32″ | 24″ |
| F | 36″ | 33″ |
TOP VIEW OF E XIT DE VICE

Determine rail length dimension “X” by subtracting 1-3/4″ from dimension “Y”.
- Dog push rail and cut off at mark.
- Cut must be straight.
- For (43-) flush end cap use the cutting guide provided.
- Remove sharp edges with the file.
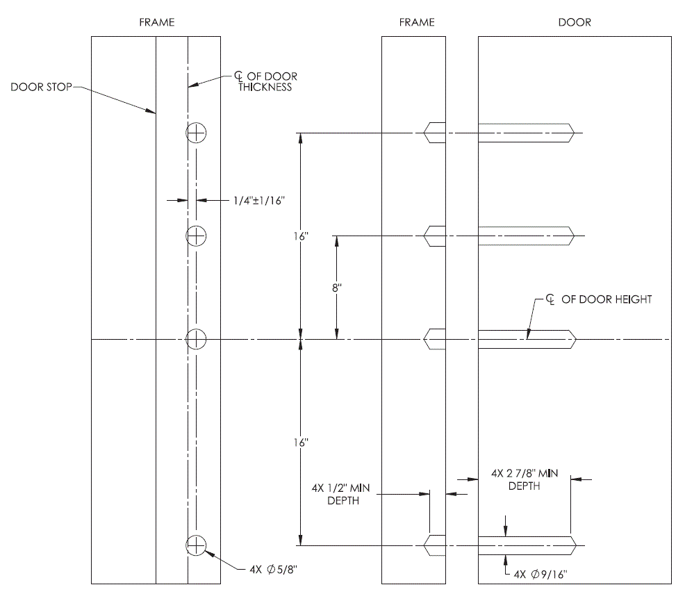
Fire-Rated Single Door, Thermal Pin Template 4628

NOTES:
- THERMAL PINS IN THE DOOR ARE TO BE CENTERED IN DOOR THICKNESS.
- PIN RECIEVING HOLES IN THE FRAME TO BE OFFSET AS INDICATED.
1-800-727-5477 • www.sargentlock.com. Copyright © 2006-2010, 2022 SARGENT Manufacturing Company. All rights reserved. Reproduction in whole or in part without the express written permission of SARGENT Manufacturing Company is prohibited. Patent pending and/or patent www.assaabloydss.com/patents.
The ASSA ABLOY Group is the global leader in access solutions. Every day we help people feel safe, secure and experience a more open world.

Use Breaking Lines to shorten S him to the needed Rail size














