
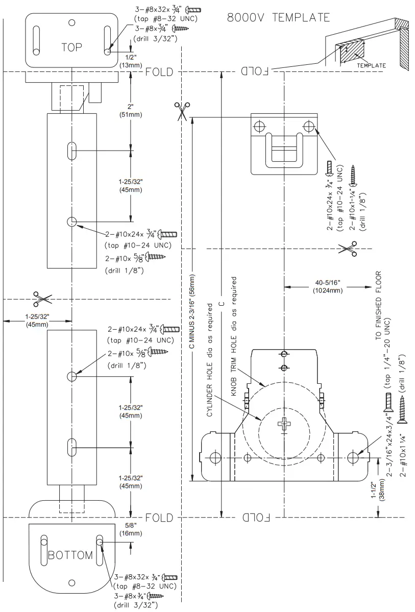
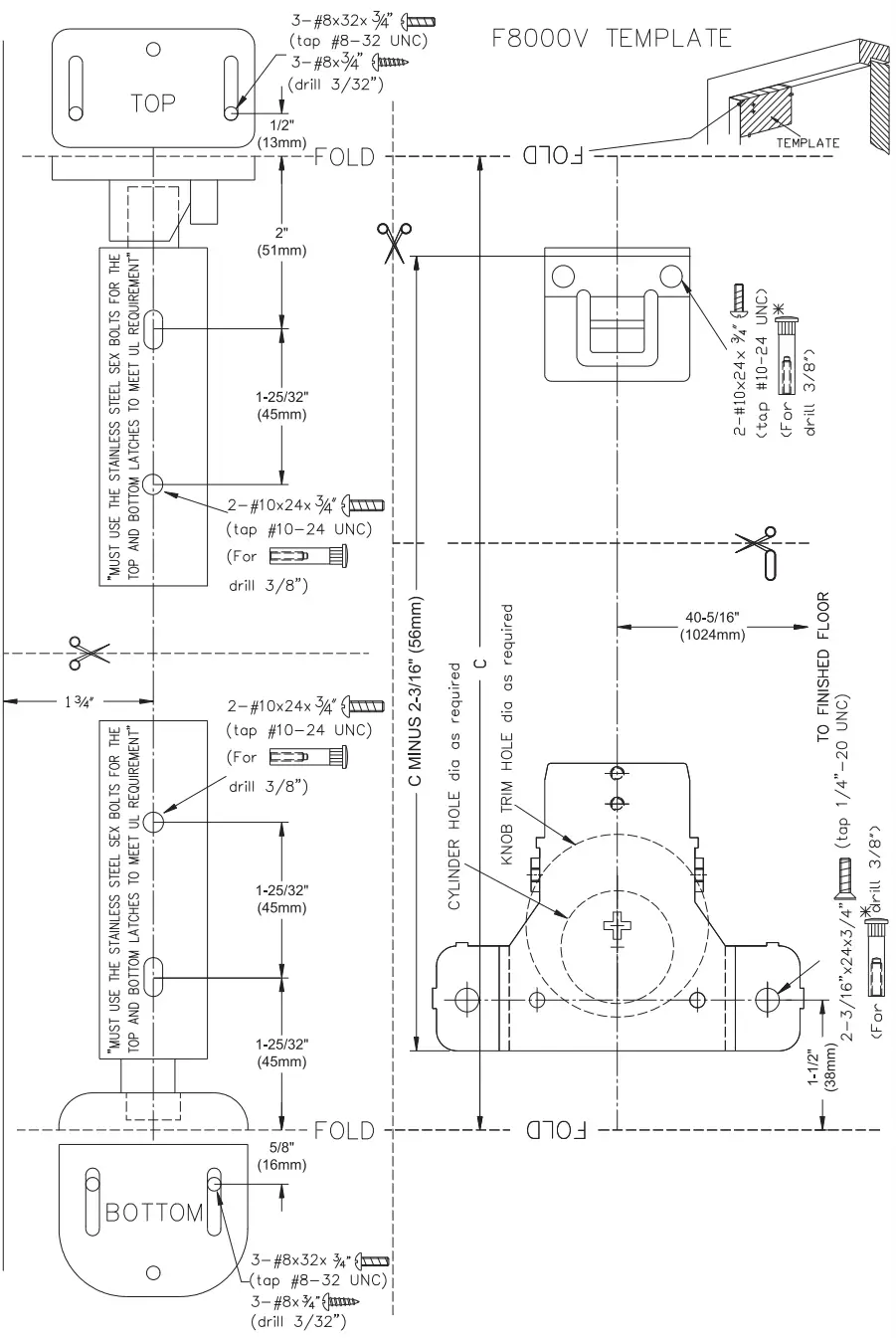
8000V VERTICAL ROD EXIT DEVICE-RERVERSIBLE
INSTALLATION INSTRUCTIONS
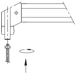
LHR door shown , RHR door opposite
8000V Vertical Rod Exit Device Reversible



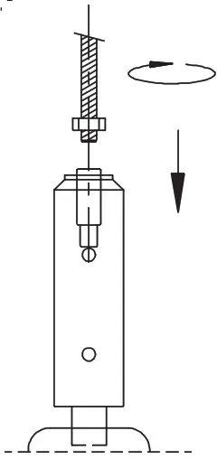
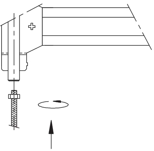
- Turn the threaded rod clockwise about 15mm to 20mm into the bottom latch

- Push the bar first and then pull the threaded rod in order to turn it 5mm to 10mm into the connection anticlockwise

- Push the top latch in order to turn the threaded rod anticlockwise 1 5 mm to 20mm into the top latch

- Push the bar again and turn the threaded rod into the connection clockwise about 5mm to 10mm
- Test the movement, and then tighten the nut , put on all the other parts.




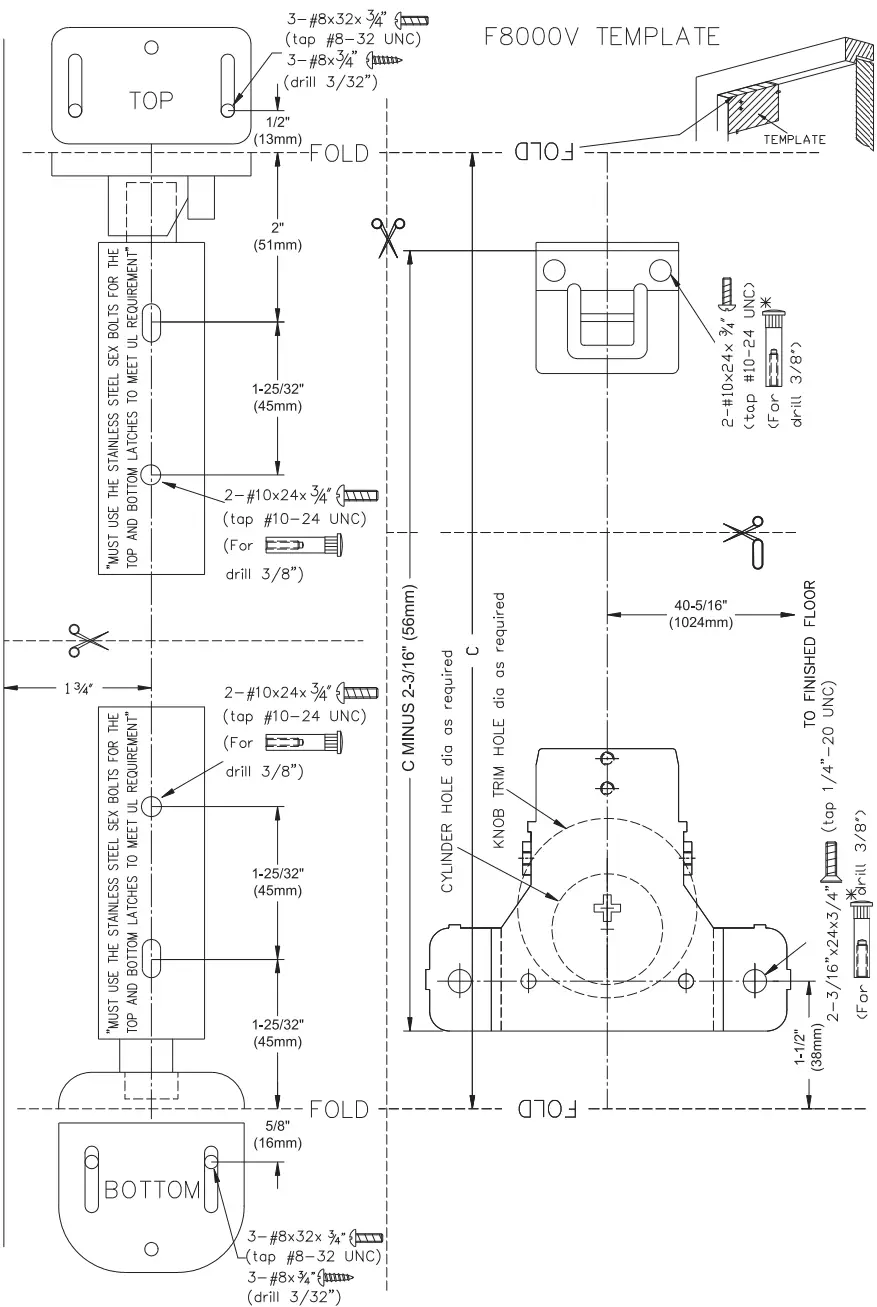
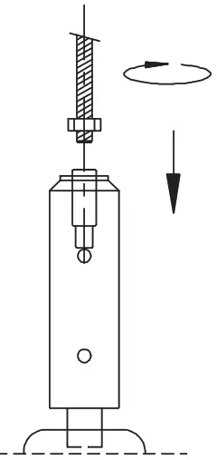
- Turn the threaded rod clockwise about 15mm to 20mm into the bottom latch

- Push the bar first and then pull the threaded rod in order to turn it omm to 10mm into the connection anticlockwise

- Push the top latch in order to turn the threaded rod anticlockwise 15mm to 20mm into the top latch

- Push the bar again and turn the threaded rod into the connection clockwise about 5mm to 10 mm

- Test the movement, and then tighten the nut put on all the other parts.




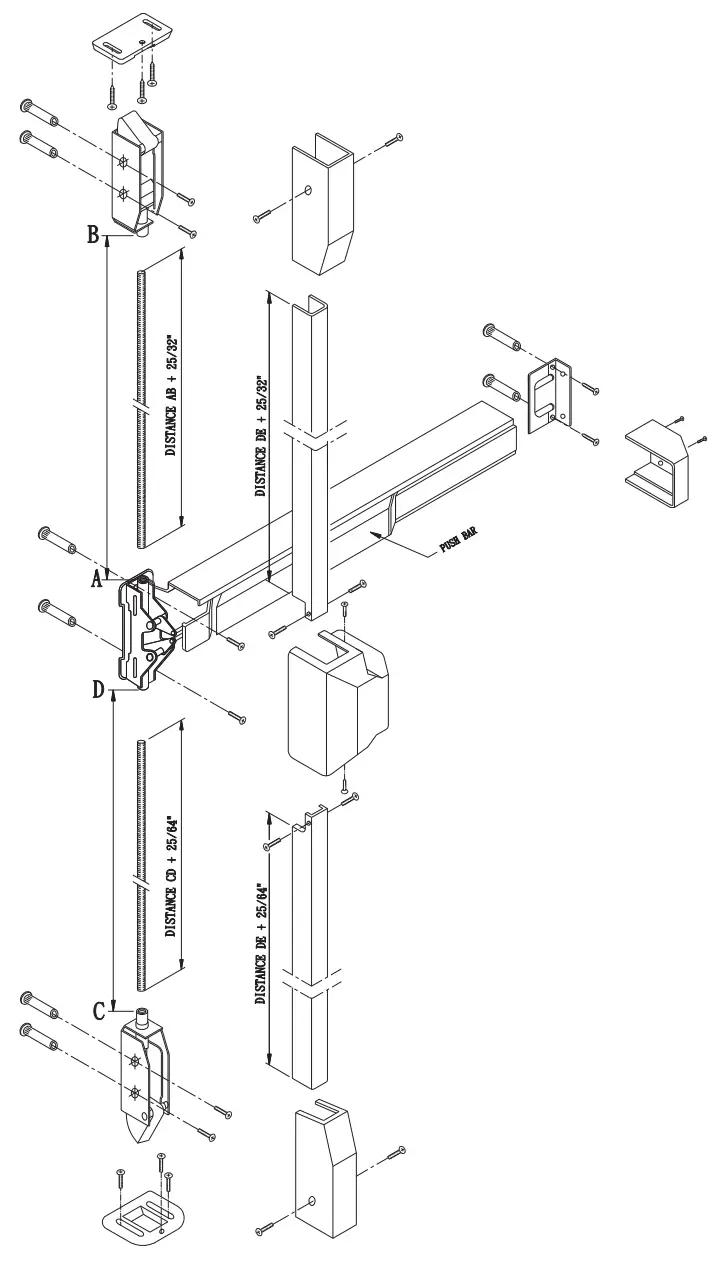
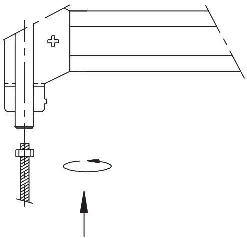
- Turn the threaded rod clockwise about 15mm to 20mm into the bottom latch

- Push the bar first and then pull the threaded rod in order to turn it omm to 10mm into the connection anticlockwise

- Push the top latch in order to turn the threaded rod anticlockwise 15mm to 20mm into the top latch

- Push the bar again and turn the threaded rod into the connection clockwise about 5mm to 10 mm

- Test the movement, and then tighten the nut put on all the other parts.



































