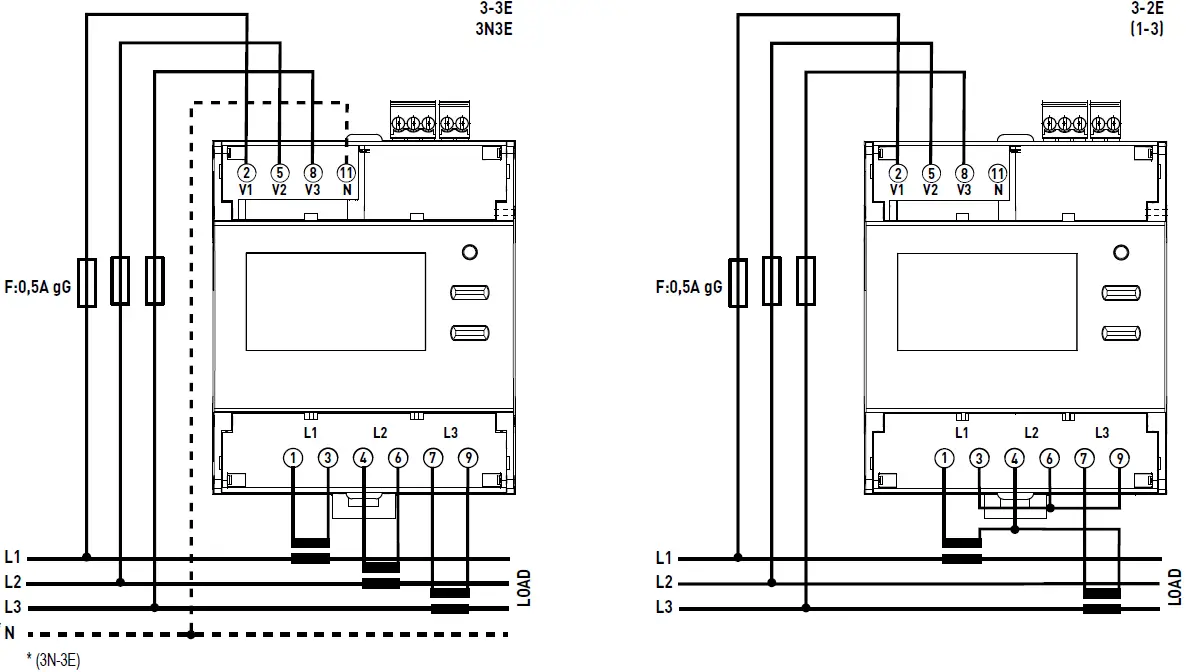
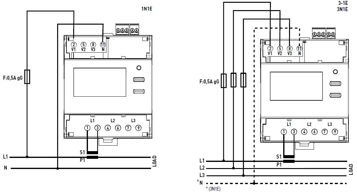
legrand Three Phase Meter EMDX with Connection with CT

Input / Output



- Positions for lead plating

Connection on VT

Wiring diagrams



RS485 • RS485 wiring diagram

- RS485:
Prescribed use of Cable Belden 9842, Belden 3106A (or equivalent) for a maximum length of 1000 m or Category 6 cable (FTP or UTP) for a maximum length of 50 m; - Resistance not furnished with the article 4 120 40 – 4 120 41























