FIMER Solar Inverter ETHERNET Expansion Board

Quick Installation Guide
The device must be used in the manner described in the manual. If this is not the case the safety devices guaranteed by the inverter might be ineffective.
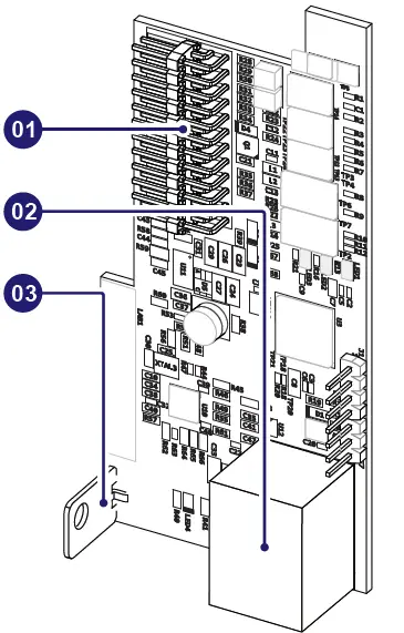
Main components
The main components of the ETHERNET expansion board are shown in the figure below and described in the following table
Main components
- Connection terminals
- Ethernet port
- Mechanical mounting bracket

Supplied component list
Supplied component list
Locking screw 1

Toroid + Cable Tie 1 + 1

Technical documentation 1

Operating diagram
The “ETHERNET expansion board” allows to connect the inverter to a local LAN network via an Ethernet connection.
The “ETHERNET expansion board” features an integrated web server that enables to establish a direct connection to a PC, allowing for board configuration and local monitoring of the inverter.

When the inverter is connected to the LAN network with access to the Internet, the Ethernet board allows to transfer data to the Plant Viewer/Aurora Vision® portal for remote monitoring purposes (over an Internet browser)

Assembly Instructions
ATTENTION – The inside of the equipment has been disconnected generator. inverter may only be accessed after the from the grid and from the photovoltaic
- Turn off the inverter by physically disconnecting the AC and DC voltages, as well as any voltage connected to the multi-function relay.
- Open the inverter front cover.
- Install the ETHERNET board by fitting the connection terminals (01) in the special receptacle on the inverter control and communication board (SLOT 1).
ATTENTION – During this step, check that all the terminals are correctly
aligned. Any terminal misalignment may result in damage to the ETHERNET board and/or to the inverter.
- Tighten the locking screw to fix the Ethernet board to the inverter. The screw secures the mounting bracket (03) to the anchor point on the inverter.

Once the installation is completed, the Ethernet cable can be connected to the
dedicated port
Input/output connections
The Ethernet cable for the connection of the “ETHERNET expansion board” must be fed through the inverter service cable gland shown in the figure below. This cable gland is equipped with a special gasket that fits the cable with the preinstalled connector

Once the cable is fed through the cable gland, proceed with the installation of the supplied toroid:
Finally connect the cable to the Ethernet port on the accessory board.

On-display configuration
Upon starting the inverter for the first time after the ETHERNET board has been installed, a new “ETHERNET Board” section is added to the SETTINGS menu, with the following tree:
- “DHCP” section.
Enables/disables dynamic address assign-ment of the Ethernet board.
If DHCP is disabled, the Ethernet board IP address must be manually set (“IP Address” section). - “Address IP” section.
Sets the Ethernet board IP address. - “Gateway” section.
Sets the IP address of the gateway receiving the data from the monitored system. - “Netmask” section.
Sets the subnet mask for the Internet network. - “Primary DNS” section.
Sets the primary DNS for the Internet network. - “Secondary DNS” section.
Sets the secondary DNS for the Internet net-work. - “Portal IP add.” section.
Sets the Aurora Vision® portal IP address. - “AV Method” section.
Enables/disables data transmission to the Aurora Vision®/Plant Viewer portal. - “Data to portal” section.
Enables/disables data transmission to the portal - Send events” section.
Enables/disables sending events (error codes) to the portal. - “Check Updates” section.
Enables/disables checking for “ETHERNET expansion board” firmware updates. - “Data send time” section.
Sets the time for the data transmission to the portal (not available on the current product version). The default value is 900 seconds.

Integrated webserver
An internal webserver integrated in the Ethernet board is available for configuration and monitoring.

The HOME screen shows general information about the network (IP address, MAC address, date and time), the generated energy, the CO2 emissions and the inverter (output power, inverter model and inverter state).
- VIEW menu
Displays specific information about the inverter (inverter info) and the system (sys-tem info). - CONFIG menu
Enter the default username and password (admin/admin) to edit system and network parameters, date and time, and password. - UPGRADE menu
Updates the Ethernet board firm ware. - REGISTRATION menu
Used to register on the Aurora Vision® portal.

Characteristics and technical data

The features that are not specifically mentioned in this data sheet are not included in the product
For more information please contact your local FIMER
representative or visit: fimer.com
We reserve the right to make technical changes or modify the contents of this document without prior notice. With regard to purchase orders, the agreed particulars shall prevail.
FIMER does not accept any responsibility whatsoever for potential errors or possible lack of information in this document.
We reserve all rights in this document and in the subject matter and illustrations contained therein. Any reproduction, disclosure to third parties or utilization of its contents – in
whole or in parts – is forbidden without prior written consent of FIMER.
Copyright© 2021 FIMER.
All rights reserved




















