SOLAX POWER X3-4.0-T-N Solar Inverter Installation Guide
Packing List



Inverter Installation
- Mark the position of four holes

- Drill holes with φ10 drill. (torque:25±2kgf.cm)
Depth: at least 60mm.
- Insert the expansion bolts

- Screw the nuts.

- Match the inverter with the bracket.

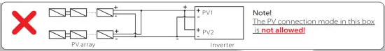
PV Connection


AC Connection

- Slide the cable nut and back shell onto the cable.

- Insert the tripped end of each three wires into holes in the male insert, then tighten each screw.

(Use the accompanying inner hexagon spanner ) - Tighten the screw of the back shell and the male insert.

- Tighten the screw of the back shell and the cable nut.

- Align the groove of male terminal with the convex of female terminal, then tighten the bush in male terminal.

WIFI Connection(optional)
- Open the WiFi lid on the bottom of the inverter.

- Plug the Pocket WiFi (from Solax) into the port named “WiFi” on inverter, and tighten the four screws as below.

- Note:
Please refer to the appropriate instruction manual for the usage of Pocket WiFi.
Earth Connection and Overview
Screw the ground screw with allen wrench shown as follow.

Overview for connection

Start inverter
- Turn on the external AC and DC connectors;
- Turn on the DC switch to the “ON” position;
- Inverter will start automatically when PV panels generate enough energy, the LED will be blue.
USB Connection (for upgrading)
- Make sure the DC switch is off and the AC is disconnected with grid. Unscrew the waterproof lid of Upgrade port by straight screwdriver as the picture shows.

- Insert U-disk with upgrade package* into the USB port on the bottom of the inverter. Then turn on DC switch or connect the PV connector, the LCD will show picture as below.

- Press “OK” to confirm to update. After the upgrade is complete, please remember to turn off the DC switch or disconnect the PV connector, then pull off the U-disk, screw the waterproof lid.
Please contact our service support to get the update package, and extract it into your Udisk. Do not modify the program file name ! Or it may cause the inverter not work anymore !

































