FIMER UNO-DM-3.TL-PLUS-Q Solar Inverter

Labels and Symbols
The labels on the inverter show the markings, main technical data and the identification of the equipment and of the manufacturer.
Regulatory Label
In case of a service password request, it is necessary to have the serial number available (SN: YYWWSSSSSS)

Wireless Identification Label
The label is divided in two separate parts by a dashed line; take the bottom part and apply it on the cover of this quick installation guide

In the manual, and/or in some cases on the equipment, the danger or attention zones are indicated by signs, labels, symbols or icons.
Models and Inverter Components
The inverter models referred to in this installation guide are available in six power capacity systems: 1.2kW, 2.0kW, 3.0kW, 3.3 kW, 4.0 kW, 4.6 kW and 5.0 kW. For each model, the following variants are available (suffix could be combined):
- Standard models (e.g. UNO-DM-3.3-TL-PLUS-B-Q). Models equipped with Wireless communication (-B suffix).
- Models with “S” suffix (e.g. UNO-DM-3.3-TL-PLUS-SB-Q). Models equipped with DC disconnecting switch.
- Models with “X” suffix (e.g. UNO-DM-3.3-TL-PLUS-SB-X-Q). Models equipped with UNO-DM-COM KIT.
- Models with “U” suffix UNO-DM-5.0-TL-PLUS-SB-QU. Unbalanced input channels (UNO-DM-5.0-TL-PLUS model only).
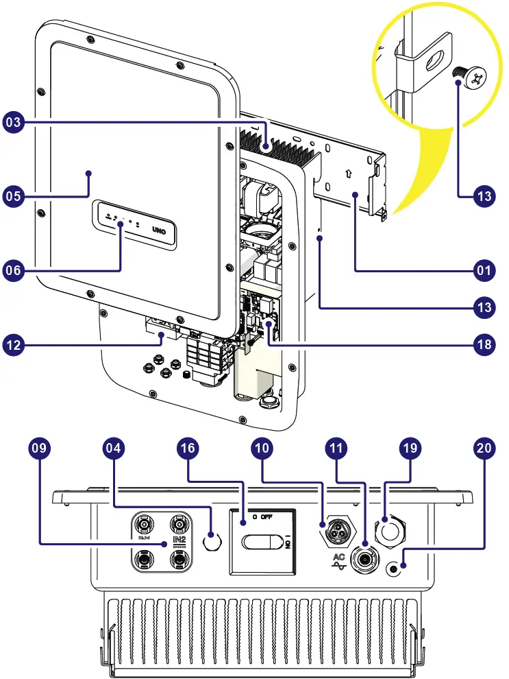
Main Components
- 01 – Bracket
- 03 – Heatsink
- 04 – Anti-condensation valve
- 05 – Front Cover
- 06 – LED panel
- 09 – DC Input Connectors
- 10 – AC Output Connector
- 11 – Wireless antenna connector
- 12 – DC Input terminal block
- 13 – Locking Screw
- 16 – DC disconnect switch (only -S models)
- 18 – UNO-DM-COM KIT or UNO-DM-PLUS Ethernet COM kit board (optional)
- 19 – External ground connection
- 20 – Service cable gland

Lifting and Transporting
Transportation and Relocation
The transportation of the device, in particular via land transportation, must be made with adequate meansand ways to protect the parts from violent impacts, humidity, vibrations, etc.
Lifting
The means used for lifting must be suitable to bear the weight of the equipment.
Weight of The Equipment Components
- All models – 15 kg Weight

Unpacking and Inspection
The packaging components must be removed and disposed of according to the applicable regulations of the country where the device is installed.
Upon opening the packaging, check the integrity of the equipment and verify that all the components are present.
If you notice defects or deterioration, stop the operations and call the carrier, as well as inform FIMER Service immediately.
Please keep the packaging in the event it has to be returned; the use of inadequate packaging will void the warranty.
Always store the Quick Installation Guide, all the supplied accessories and the AC connector cover in a safe place.
Choice of The Place of Installation
Place and position of installation
- Refer to the technical data for the verification of the environmental conditions to be met.
- Do not install the inverter where it is exposed to direct sunlight. If necessary, use protection that minimizes the exposure, especially for ambient temperatures above 40°C/104°F.
- Do not install in small unventilated spaces where the air cannot circulate freely.
- Always ensure that the airflow around the inverter is not blocked to prevent overheating.
- Do not install near flammable substances (minimum distance 3 m/10 ft).
- Do not install on wooden walls or other flammable substances.
- Do not install inside residential premises or where a prolonged presence of people or animals is planned, due to the acoustic noise that the inverter produces during operation. The noise emission value is strongly influenced by the installation location (e.g. type of surfaces around the inverter, general properties of the room, etc.) and the quality of electricity supply.
- Install on a solid wall or structure that is suitable to support the weight of the equipment.
- Install in an upright position with a maximum inclination as shown in the figure.
- Respect the minimum distances indicated. Choose a location that allows enough space around the unit to allow easy installation and removal of the equipment from the mounting surface.
- Where possible, install at eye level for easy viewing of the LEDs.
- Install at a height that takes into account the weight of the equipment.
- When installing multiple inverters, position the inverters side by side while maintaining the minimum distances (measured from the outer edge of the inverter); if the space available does not allow this provision, position the inverters in a staggered layout, as indicated in the figure, in order to make sure that the heat dissipation is not affected by the other inverters.
- All installations at altitudes above 2,000 m/6,500′ must be assessed on a case by case basis with FIMER Service to determine the proper derating of the input parameters.

Supplied Component List
- 1x Bracket for wall fixing
- 1x Watertight connector for the AC cable connection
- 1x Wireless antenna
- 1+1 Cable with faston isolated for the configuration of the input channels in parallel
- 1x (Spare part) T20 screw for front cover
- 2x M5 contact washers for the external ground connection
- 2x T20 Wall bracket locking screws (to be used when lock springs 02 on the bracket are missing)
- 1x Technical documentation
Assembly Instructions
Install the inverter by following this procedure:
- Place the bracket (01) level on the wall and use it as a drilling template.
- The selection of the appropriate number and distribution of the anchors is the responsibility of the installer. The choice must be made according to the type of wall, frame or other type of support, and should be sized considering a total load of more than 4 times the weight of the inverter (total 4×15=60 kg total). Depending on the type of anchor chosen, drill the holes required for the fixing of the bracket.
- Fix the bracket to the wall or structure.
- Carefully lift the inverter and hook it onto the bracket by inserting the two supports in the slots on the inverter.
- Proceed to anchor the inverter to the bracket by installing the two (one each side) locking screws.
- Install wireless antenna (11) by screwing it into the dedicated connector located on the bottom part of inverter.

Opening the Cover
- The main connections are made on the lower part (outside) of the inverter. To install the accessories and make the necessary connections, unscrew the 8 screws using a TORX T20 key and open the front cover (05); while removing the screws, pay special attention since additional screws are not supplied.
- After making the connections, close the cover by tightening the 8 screws on the front, while respecting the sequence and tightening torque (2.5 Nm).

Input Connection (DC) and Input Configurations
- Observe the maximum input current with respect to quick-coupling connectors. Refer to “String inverters – Product manual appendix” document available on the site www.fimer.com, to find out the make and model of the quick-coupling connector used on the inverter. Depending on the model of the connectors installed on your inverter, it will be necessary to use the same model for the corresponding counterparts (by checking the manufacturer’s website or via FIMER for the compliant counterpart).

- Connect the DC input, always checking the tightness of the connectors.
- Versions of the inverter which are equipped with two independent input channels (i.e. dual maximum power point tracker, MPPT), can be configured as parallel (i.e. single MPPT).
Configuring Input Mode to Independent (Default Configuration)
This configuration is set at the factory and involves the use of the two input channels (MPPT) in an independent mode. This means that the jumpers (supplied) between the positive and negative poles of the two DC input channels (12) must not be installed, and that the independent channel mode should be set during the commissioning phase, in the dedicated section of the internal webserver “SETTINGS > SETUP DC SIDE > INPUT MODE”.
Configuring Input Mode to Parallel
This configuration involves the use of the two input channels (MPPT) connected in parallel. This means that the jumpers (supplied) between the positive and negative poles of the two DC input channels (12) must be installed, and that the parallel channel mode should be set during the commissioning phase, in the dedicated section of the internal webserver “SETTINGS > SETUP DC SIDE > INPUT MODE”.

Line Cable and Protective Devices
Protection switch under load (AC switch) and sizing of the line cable
To protect the AC connection line of the inverter, we recommend the installation of a protection device against overcurrent and earth leakages.
FIMER declares that the FIMER high frequency inverter without a transformer are not manufactured to inject continuous currents of ground fault, and therefore, the differential installed downstream of the inverter, type B according to IEC 60755/A 2, is not required. Characteristics and sizing of the line cable
Characteristics and sizing of the line cable
The cable should be three-pole. The section of the AC line conductor must be sized in order to avoid unwanted disconnections of the inverter from the distribution network due to high impedances of the line that connects the inverter to the point of supply of electricity.

The values are calculated in nominal power condition considering:
- a power loss along the line of not more than 1%.
- copper cable used, with HEPR rubber insulation and placed in open air
Output Connection (AC)
For the grid connection of the inverter, 3 connections are needed: ground, neutral and phase. The ground connection of the inverter is mandatory. The connection of the network cable to the inverter is performed by means of the dedicated AC output connector (10), by doing the following:
- Remove the connector head by pressing on the two retaining clips and then loosen the cable gland.

- Insert the cable into the connector and cut the cable to length

- Prepare the cable according to the following measurement:
(*): Use properly crimped ferrules only on stranded wire with a conductor section values between 1.5 – 4 mm². - Install the individual wires (phase, neutral and ground) on the connector head according to the instructions printed on each of the three terminals (tightening torque 0.8…1 Nm)

- Close the connector and tighten the cable gland respecting the tightening torque (4+1 Nm) to ensure the IP65 degree of protection

- Remove the pre-installed protective cap on the inverter.
Insert the counterpart in the AC output connector (10) while taking care to align the references (present in both connectors) that prevent connection errors.
Instruments
The LEDs allow you to view inverter status conditions to be analyzed in greater depth by consulting the manual.

Commissioning
To establish the connection and operate with the inverter, it is necessary to connect its input to the DC voltage of the photovoltaic panels. Supply the inverter with DC input voltage from the photovoltaic generator and via AC GRID voltage.
Pre-Commissioning Phase 1 – Connection to the Local Wi-Fi Network
DEVICE USED: TABLET/SMARTPHONE
Once powered, launch a QR reader for mobile and SCAN the QR code marked with on the label on the right side of the inverter and connect to inverter network (tap connect).
The name of the Wi-Fi network created by the system, that the connection should be established with, will be: ABB-XX-XX-XX-XX-XX-XX
(where the X is the MAC address) After this step wait 10 seconds to allow the WLAN connection
DEVICE USED: LAPTOP
Enable the wireless on the device you are using for the commissioning and search for the network named ABB-XX-XX-XX-XX-XX-XX, where “X” is an hexadecimal number of the MAC Address (the MAC Address is indicated on the “wireless identification label” on the side of the inverter). When prompted, type the PK (product key), including the dashes. Example: 1234-1234-1234-1234 as the network password.
Pre-Commissioning Phase 2 – Internal Web UI Access
DEVICE USED: TABLET/SMARTPHONE
An internet browser page showing the step by step procedure will be open.
DEVICE USED: LAPTOP
Open an internet browser page and insert http://192.168.117.1 on the address bar.
STEP BY STEP COMMISSIONING WIZARD
STEP 1 – Administrator/User Login Credentials
- Set the Administrator account user and password (minimum 8 character for password):
Administrator account can open and view the contents of photovoltaic site. Additionally, they can make changes to inverter settings. User and password are CASE SENSITIVE. - Set the User account user and (optional) password (minimum 8 character for password):
User account can only read data. It cannot make any changes. User and password are CASE SENSITIVE. - Click on “Next” button to proceed to the next stage of the configuration wizard.
STEP 2 (Optional) – Residential Wireless Network Connection
The parameters relating to the home wireless network (set on the router) that must be known and set during this step are:
IP Settings: DHCP or Static.
If you select the DHCP function (default setup) the router will automatically assign a dynamic IP address to the inverter whenever it tries to connect to the user network.
With Static, the user can assign a fixed IP address to the system. The data which has to be entered in order for IP static address assigning to take place will appear. Complete the additional fields at the bottom of the screen (all the fields are mandatory with the exception of the secondary DNS server).
Available networks (SSID):
Identify and select your own (home) wireless network from all those shown in the SSID field (you can carry out a new search of the networks that can be detected with the Update button ). Once the network has been selected, confirm.
Password: Wireless network password.
Enter the password for the destination network (if necessary) and start the connection attempt (it will take a few seconds).
- Click on “Connect” button to connect the inverter to the home wireless network.
- A message will ask for confirmation. Click “Next” to connect the inverter to the home wireless network.
- Once the inverter is connected to the domestic wireless network, a new message will confirm that.
The message provides the IP Address assigned by the home wireless network router to the inverter that can be used each time you want to access the internal webserver, with the inverter connected to the home wireless network. Take note of it. - Click on “Next” button to proceed to the next stage of the configuration wizard.
If the inverter loses the connection with the home wireless network, it is available accessing the Wi-Fi network ABB-XX-XX-XX-XX-XX-XX, where “X” is an hexadecimal number of the MAC Address.
STEP 3 – Date, Time and Time zone
- Set the Date, Time and Time zone (The inverter will propose these fields when available).
When it’s not possible for the inverter to detect the time protocol, these fields have to be manually entered.
Click on “Next” button to proceed to the next stage of the configuration wizard.
STEP 4 – Inverter country standard, Input mode, Meter and Energy policy
Country Standard
Set the grid standard of the country in which the inverter is installed. From the moment that the grid standard is set, you have 24 hours to make any changes to the value, after which the “Country Select > Set Std.” functionality is blocked, and the remaining time will have to be reset in order to have the 24 hours of operation available again in which to select a new grid standard (follow the procedure “Resetting the remaining time for grid standard variation” described in the relevant section).
Input Mode
- Independent
- Parallel
Meter
- None (installation without meter)
- REACT-MTR-1PH (single-phase)
- ABB 3PH (three-phase)
- ABB 1PH (single-phase)
If the selected meter is three-phase additional requested fields will appear: - Meter Phase: select the phase to which the inverter is connected. When a meter type is selected is possible to set also the Energy Policy fields that allows to manage the energy produced by the PV plant.
Energy Policy
- Zero injection: The system automatically manages power flows in order to avoid the injection of energy to the grid.
- Self consumption: The system automatically manages power flows in order to maximize self-consumption.
- Custom: The system automatically manages power flows in order to avoid feeding the grid with power greater than: PDC x Plim where PDC is the power of the photovoltaic generator (“PV GENERATOR POWER” parameter) and Plim is the output power limit with respect to PDC(%) (“FEED-IN POWER” parameter)
- Confirm the settings by clicking “DONE”; the inverter will reboot at the finish of the meter test phase (if installed).
- After the wizard is completed, the system will power-on. The inverter checks the grid voltage, measures the insulation resistance of the photovoltaic field with respect to ground and performs other auto-diagnostic checks. During the preliminary checks on the parallel connection with the grid, the “Power” LED keeps flashing, the “Alarm” and “GFI” LEDs are off. If the outcome of the preliminary checks on the grid parallel is positive, the inverter connects to the grid and starts to export power to the grid. The “Power” LED remains fixed on while the “Alarm” and “GFI” LEDs are off.
- Refer to the document “String inverter – Product Manual appendix” available at www.fimer.com to know the brand and the model of the quick fit connector.
- For UK G83/2 grid standard, maximum output current limited to 16A up to a maximum output power of 3600W and maximum apparent power of 3600 VA.
- The AC voltage range may vary depending on specific country grid standard.
- The Frequency range may vary depending on specific country grid standard. CE, 50Hz only.
- As per IEEE 802.11 b/g/n standard.
- Functionality with unbalanced channels
- Plant Viewer per Mobile available remotely only, not for local commissioning.
- Pacr = 4200 W @ 45°C/113°F.
- @ Pure sine wave condition.
- For UNO-DM-5.0 model: Linear power reduction from Max to zero [480V≤VMPPT≤580V]
- Hereby, Fimer S.p.A. declares that the radio equipment’s (radio module combined with the inverter), to which this user manual refers, are in compliance with the Directive 2014/53/EU. The full text of the EU Declaration of Conformity is available at the following internet address: www.fimer.com
Note. The features that are not specifically mentioned in this data sheet are not included in the product







(*): Use properly crimped ferrules only on stranded wire with a conductor section values between 1.5 – 4 mm².





















