SOLAX X1 Boost Solar Power Inverter

X1 Series User Manual
Product Information
The X1 Series is a PV inverter that can convert the DC current of the PV generator into AC current and feed it into the public grid. It has a power range of 3.0kw to 6.0kw and is manufactured by Solax Power Network Technology(Zhe jiang) Co,. Ltd. The inverter comes with double MPPT strings and is available with or without a DC switch. It is also available with or without an LCD display. The X1 series is designed for single-phase use and is rated in kW.
Product Usage Instructions
Before operating the product, please read the manual carefully. The manual provides information on assembly, installation, commissioning, maintenance, and failure of the product.
Installation
It is essential to check for transport damage before installing the inverter. Follow the installation precautions and steps provided in the manual. Connect the inverter as per the instructions in section 5.5 of the manual. Once connected, run the inverter.
Operation Method
The inverter has a control panel and an LCD structure. Refer to section 6 of the manual for information on how to operate the control panel and the LCD.
Troubleshooting
The manual provides troubleshooting tips in section 7.1 for addressing issues that may arise during usage. Routine maintenance tasks are outlined in section 7.2 of the manual.
Decommissioning
If decommissioning is required, follow the instructions provided in section 8 of the manual. This includes dismantling, packaging, storage, transportation, and disposing of the X1-Boost.
Safety
The manual provides important safety instructions in section 2.2. Please read and follow these instructions carefully to avoid any hazardous situations that could result in injury or death.
Copyright Declaration
The copyright of this manual belongs to Solax Power Network Technology(Zhe jiang) Co,. Ltd. Any corporation or individual should not plagiarize, partitially or fully copy (including software,etc.), and no reproduction or distribution of it in any form or by any means. All rights reserved. SolaX Power Network Technology (Zhe jiang) Co.,Ltd. reserves the right of final interpretation.
Notes on this Manual
Scope of Validity
This manual is an integral part of X1 Series, It describes the assembly, installation, commissioning, maintenance and failure of the product. Please read it carefully before operating.
Note: “3.0” means 3.0kW. ”T” means “double” MPPT strings.
- “D” means with “DC Switch”, ”N” means without “DC Switch”.
- “L” means with “LCD display”, ”X1” :Single Phase, ”K” :kW
Keep this manual at where is accessible all the time.
Target Group
This manual is for qualified electricians. The tasks described in this manual only can be performed by qualified electricians.
Symbols Used
The following types of safety instructions and general information appear in this document as described below:
- DANGER!
“Danger” indicates a hazardous situation which, if not avoided, will result in death or serious injury. - WARNING!
“Warning” indicates a hazardous situation which, if not avoided, could result in death or serious injury. - CAUTION!
“Caution” indicates a hazardous situation which, if not avoided, could result in minor or moderate injury. - NOTE!
“Note” provides tips that are valuable for the optimal operation of your product.
Safety
Appropriate Usage
The X1 Series are PV inverters which can convert the DC current of the PV generator into AC current and feed it into the public grid.
Surge protection devices (SPDs) for PV installation
WARNING !
Over-voltage protection with surge arresters should be provided when the PV power system is installed.
The grid connected inverter is fitted with SPDs in MAINS side.
- Lightning will cause a damage either from a direct strike or from surges due to a nearby strike.
- Induced surges are the most likely cause of lightning damage in majority or installations, especially in rural areas where electricity is usually provided by long overhead lines.
- Surge may be included on both the PV array conduction and the AC cables leading to the building.
- Specialists in lightning protection should be consulted during the end use application.
- Using appropriate external lightning protection, the effect of a direct lightning strike into a building can be mitigated in a controlled way, and the lightning current can be discharged into the ground.
- Installation of SPDs to protect the inverter against mechanical damage and excessive stress include a surge arrester in case of a building with external lightning protection system (LPS) when separation distance is kept.
- To protect the DC system, surge suppression device (SPD type2) should be fitted at the inverter end of the DC cabling and at the array located between the inverter and the PV generator, if the voltage protection level (VP) of the surge arresters is greater than 1100V, an additional SPD type 3 required for surge protection for electrical devices.
- To protect the AC system, surge suppression devices (SPD type2) should be fitted at the main incoming point of AC supply (at the consumer’s cutout), located between the inverter and the meter/distribution system; SPD (test impulse D1) for signal line according to EN 61632-1.
- All DC cables should be installed to provide as short a run as possible, and positive and negative cables of the string or main DC supply should be bundled together. Avoid creating loops in the system. This requirement forshort runs and bundling includes any associated earth bundling conductors.
- Spark gap devices are not suitable to be used in DC circuits once conducting, they won’t stop conducting until the voltage passes through their terminals typically less than 30 volts.
Anti-Islanding Effect
Islanding effect is a special phenomenon that grid-connected PV system still supply power to the nearby grid when electrical grid power is no longer present. It is dangerous for maintenance personnel and the public. X1 series provide Active Frequency Drift(AFD) to prevent islanding effect.
Important Safety Instructions
DANGER!
Danger to life due to high voltages in the inverter!
- All work must be carried out by qualified electrician.
- The appliance is not to be used by children or persons with reduced physical sensory or mental capabilities, or lack of experience and knowledge, unless they
- have been given supervision or instruction.
- Children should be supervised to ensure that they do not play with the appliance.
CAUTION!
- Danger of burn injuries due to hot enclosure parts!
- During operation, the upper lid of the enclosure and the enclosure body may become hot.
- Only touch the lower enclosure lid during operation
- Possible damage to health as a result of the effects of radiation!
- Do not stay closer than 20 cm to inverter for any length of time.
NOTE!
Grounding the PV generator.
- Comply with the local requirements for grounding the PV modules and the PV generator. SolaX recommends connecting the generator frame and other electrically conductive surfaces in a manner which ensures continuous conduction and ground these in order to have optimal protection of system and persons.
WARNING!
- Ensure input DC voltage ≤Max. DC voltage .Over voltage may cause permanent damage to inverter or other losses, which will not be included in warranty!
- Authorized service personnel must disconnect both AC and DC power from X1 series before attempting any maintenance or cleaning or working on any circuits connected to the X1 series.
- Do not operate the inverter when the device is running.
Risk of electric shock!
- Prior to the application, please read this section carefully to ensure correct and safe application. Please keep the user manual properly.
- Use only attachments recommended or sold by SolaX. Otherwise may result in a risk of fire, electric shock, or injury to person.
- Make sure that existing wiring is in good condition and that wire is not undersized.
- Do not disassemble any parts of inverter which are not mentioned in installation guide. It contains no user-serviceable parts. See Warranty forinstructions on obtaining service. Attempting to service the X1 Series inverter yourself may result in a risk of electric shock or fire and will void your warranty.
- Keep away from flammable, explosive materials to avoid fire disaster.
- The installation place should be away from humid or corrosive substance.
- Authorized service personnel must use insulated tools when installing or working with this equipment.
- PV modules shall have an IEC 61730 class A rating.
- Never touch either the positive or negative pole of PV connecting device. Strictly prohibit touching both of them at the same time.
- The unit contains capacitors that remain charged to a potentially lethal voltage after the MAINS and PV supply has been disconnected.
WARNING
Hazardous voltage will present for up to 5 minutes after disconnection from power supply. - CAUTION-RISK of electric shock from energy stored in capacitor. Never operate on the solar inverter couplers, The MAINS cables, PV cables or the PV generator when power is applied. After switching off the PV and Mains, always wait for 5minutes to
let the intermediate circuit capacitors discharge before you unplug DC and MAINScouplers. - When accessing the internal circuit of solar inverter, it is very important to wait 5 minutes before operating the power circuit or demounting the electrolyte capacitors inside the device. Do not open the device before hand since the capacitors require time to sufficiently discharge!
- Measure the voltage between terminals UDC+ and UDC- with a multi-meter (impedance at least 1Mohm) to ensure that the device is discharged before beginning work (35VDC) inside the device.
PE Connection and Leakage Current
- The inverter incorporates a certified internal Residual Current Device (RCD) in order to protect against possible electrocution and fire hazard in case of a malfunction in the cables or the inverter. There are two trip thresholds for the RCD as required for certification (IEC 62109-2:2011). The default value for eletrocution protection is 30mA, and for slow rising current is 300mA.
- If an external RCD is required by local regulations, check which type of RCD is required for relevant eletric code. It recommends using a type-A RCD. The recommended RCD values is 100mA or 300mA unless a lower value is required by the specific local electric codes. When required by local regulations, the use of an RCD type B is permitted.
The device is intended to connect to a PV generator with a capacitance limit of approx 700nf.
WARNING !
High leakage current!
Earth connection essential before connecting supply.
- Incorrect grounding can cause physical injury, death or equipment malfunction and increase electromagnetic.
- Make sure that grounding conductor is adequately sized as required by safety regulations.
- Do not connect the ground terminals of the unit in series in case of a multiple installation. This product can cause current with a d.c component, Where a residual current operated protective ( ) or monitoring ( ) device is RCD RCM used for protection in case of direct or indirect contact, only one RCD or RCM of type B is allowed on the supply side of this product.
For United Kingdom
- The installation that connects the equipment to the supply terminals shall comply with the requirements of BS 7671.
- Electrical installation of PV system shall comply with requirements of BS 7671 and IEC 60364-7-712.
- No protection settings can be altered.
- Installer shall ensure that equipment is so installed and operated to maintain at all times compliance with the requirements of ESQCR22(1)(a).
For Australia and New Zealand
- Electrical installation and maintenance shall be conducted by licensed electrician and shall comply with Australia National Wiring Rules.
Explanation of Symbols
This section gives an explanation of all the symbols shown on the inverter and on the type label.
Symbols on the Inverter
Symbols on the Type Label
CE Directives
This chapter follows the requirements of the European low voltage directives, which contains the safety instructions and conditions of acceptability for the endues system, which you must follow when installing, operating and servicing the unit. If ignored, physical injury or death may follow, or damage may occur to the unit. Read this instructions before you work on the unit. If you are unable tounderstand the dangers, warnings, cautions or instructions, please contact an authorized service dealer before installing,operating and servicing the unit. The Grid connected inverter meets the requirement stipulated in Low Voltage Directive (LVD) 2014/35/EU and Electromagnetic Compatibility (EMC) Directive 2014/30/EU. The unit is based on:
EN 62109-1:2010 ; EN 62109-2:2011 ; IEC 62109-1(ed.1) ; IEC62109-2(ed.1)
EN 61000-6-3:2007+A:2011 ; EN 61000-6-1:2007 ; EN 61000-6-2:2005
In case of installation in PV system, startup of the unit (i.e. start of designated operation) is prohibited until it is determined that the full system meets the requirements stipulated in EC Directive (2014/35/EU,2014/30/EU, etc.) The grid connected inverter leave the factory completely connecting device and ready for connection to the mains and PV supply ,the unit shall be installed in accordance with national wiring regulations. Compliance with safety regulations depends upon nstalling and configuring system correctly, including using the specified wires. The system must be installed only by professional assemblers who are familiar with requirements for safety and EMC. The assembler is responsible for ensuring that the end system complies with all the relevant laws in the country where it is to be used. The individual subassembly of the system shall be interconnected by means of the wiring methods outlined in national/international such as the national electric code (NFPA) No.70 or VDE regulation 0107.
Introduction
Basic Features
Thanks for your purchasing with SolaX X1 Series inverter. The X1 Series inverter is one of the finest inverters on the market today, incorporating stateof- the-art technology, high reliability, and convenient control features.
- Advanced DSP control technology.
- Utilize the latest high-efficiency power component.
- Optimal MPPT technology.
- Two independent MPP Tracking.
- Wide MPPT input range.
- Advanced anti-islanding solutions.
- IP66 protection level.
- Max. efficiency up to 98%.EU efficiency up to 97%.
- THD<2%.
- Safety &Reliability: transformerless design with software and hardware protection.
- Power factor regulation.
- Friendly HMI.
- LED status indications.
- LCD display technical data, Human-machine interaction through press key.
- Dry contact communication interface.
- PC remote control.
- Romote upgrade and upgrade through USB interface.
- Pocket Wi-Fi/LAN/GPRS monitoring/Pocket WiFi Plus/Pocket 4G .
- Energy conservation.
Terminals of the Inverter
Note: Pocket WiFi/LAN/GPRS share one port E; RS485/Meter/DRM share one port G
WARNING!
Only authorized personnel is allowed to set the connection.
Dimension
Technical Data
DC Input
| Model | X1-3.0-T-D X1-3.0-T-N | X1-3.3-T-D X1-3.3-T-N | X1-3.6-T-D X1-3.6-T-N | X1-4.2-T-D X1-4.2-T-N | X1-4.6-T-D X1-4.6-T-N | X1-5.0-T-D X1-5.0-T-N | X1-5.5K-T-D X1-5.5K-T-N | X1-6K-T-D X1-6K-T-N |
| Max. recommended PV array power [W] | 4500 | 4950 | 5400 | 6300 | 6900 | 7500 | 8250 | 9000 |
| Max. DC voltage[V] | 600 | 600 | 600 | 600 | 600 | 600 | 600 | 600 |
| MPPT voltage range [V] | 70-580 | 70-580 | 70-580 | 70-580 | 70-580 | 70-580 | 70-580 | 70-580 |
| MPPT voltage range@full load [V] | 115-550 | 120-550 | 138-550 | 177-550 | 220-550 | 192-550 | 208-550 | 230-550 |
| Max. input current [A] | 14/14 | 14/14 | 14/14 | 14/14 | 14/14 | 14/14 | 14/14 | 14/14 |
| Max. short circuit current [A] | 16/16 | 16/16 | 16/16 | 16/16 | 16/16 | 16/16 | 16/16 | 16/16 |
| Start output voltage [V] | 100 | 100 | 100 | 100 | 100 | 100 | 100 | 100 |
| No. of MPP trackers | 2 | 2 | 2 | 2 | 2 | 2 | 2 | 2 |
| Strings per MPP tracker | 1 | 1 | 1 | 1 | 1 | 1 | 1 | 1 |
| Max. inverter backfeed current to the array(mA) | 0 | |||||||
| DC disconnection swtich | Optional | |||||||
AC Output
| Model | X1-3.0-T-D X1-3.0-T-N | X1-3.3-T-D X1-3.3-T-N | X1-3.6-T-D X1-3.6-T-N | X1-4.2-T-D X1-4.2-T-N | X1-4.6-T-D X1-4.6-T-N | X1-5.0-T-D X1-5.0-T-N | X1-5.5K-T-D X1-5.5K-T-N | X1-6K-T-D X1-6K-T-N |
| Rated output power [W] | 3000 | 3300 | 3680 | 4200 | 4600 | 1 5000 | 5500 | 6000 |
| Max. apparent AC power[VA] | 3300 | 3630 | 4048 (3680 for TOR) | 4620 | 5060 | 2 5500 | 6050 | 6600 |
| Rated grid voltage and range [V] | 220/230/240 (180-280) | |||||||
| Rated AC frequency and range [Hz] | 50(45-55)/60(55-65) | |||||||
| AC norminal current [A] | 13 | 14.3 | 16 | 18.3 | 20 | 21.7 | 23.9 | 26.1 |
| Max. output current [A] | 14.3 | 15.8 | 17.6 (16AforG98) | 20.1 | 22 | 23.9 3 | 26.3 | 28.7 |
| Max. output fault current [A] | 24.7 | |||||||
| Max. output overcurrent protection(A) | 33 | |||||||
| Inrush current(A) | 92 | |||||||
| Total harmonic distortion(THDi) | <2% | |||||||
| Displacement power factor | 0.8 leading-0.8lagging | |||||||
| Feed in phase | Single-phase | |||||||
| Over voltage category | III (electric supply side), II (PV side) | |||||||
4999W for AS4777/4600W for VDE4105
4999VA for AS4777/4600VA for VDE4105
21.7A for AS4777/20A for VDE4105
Efficiency, Safety and Protection
| Model | X1-3.0-T-D X1-3.0-T-N | X1-3.3-T-D X1-3.3-T-N | X1-3.6-T-D X1-3.6-T-N | X1-4.2-T-D X1-4.2-T-N | X1-4.6-T-D X1-4.6-T-N | X1-5.0-T-D X1-5.0-T-N | X1-5.5K-T-D X1-5.5K-T-N | X1-6K-T-D X1-6K-T-N |
| MPPT efficiency | 99.90% | 99.90% | 99.90% | 99.90% | 99.90% | 99.90% | 99.90% | 99.90% |
| Euro efficiency | 97.00% | 97.00% | 97.00% | 97.00% | 97.00% | 97.00% | 97.00% | 97.00% |
| Max. efficiency | 97.80% | 97.80% | 97.80% | 97.80% | 97.80% | 97.80% | 97.80% | 97.80% |
| Safety & Protection | ||||||||
| Over/under voltage protection | YES | |||||||
| DC isolation protection | YES | |||||||
| Monitoring ground fault protection | YES | |||||||
| Grid protection | YES | |||||||
| DC injection monitoring | YES | |||||||
| Back feed current monitoring | YES | |||||||
| Residual current detection | YES | |||||||
| Anti-islanding protection | YES | |||||||
| Over load protection | YES | |||||||
| Over heat protection | YES | |||||||
General Data
| Model | X1-3.0-T-D X1-3.0-T-N | X1-3.3-T-D X1-3.3-T-N | X1-3.6-T-D X1-3.6-T-N | X1-4.2-T-D X1-4.2-T-N | X1-4.6-T-D X1-4.6-T-N | X1-5.0-T-D X1-5.0-T-N | X1-5.5K-T-D X1-5.5K-T-N | X1-6K-T-D X1-6K-T-N |
| Dimension [W/H/D](mm) | 430*341.5*143 | |||||||
| Dimension of packing [W/H/D](mm) | 514*439*233 | |||||||
| Net weight [kg] | 13.5 | 13.5 | 13.5 | 15.0 | 15.0 | 15.0 | 15.0 | 15.0 |
| Gross weight [kg] | 16.0 | 16.0 | 16.0 | 17.0 | 17.0 | 17.0 | 17.0 | 17.0 |
| Installation | Wall-mounted | |||||||
| Operating temperature range[℃] | -25~+60 (derating at 45) | |||||||
| Storage temperature [℃] | -30~+70 | |||||||
| Storage/Operation relative humidity | 0%~100%, condensation | |||||||
| Altitude [m] | ≤3000 | |||||||
| Ingress Protection | IP66 | |||||||
| Isolation type | Non-isolated | |||||||
| Protective Class | Ⅰ | |||||||
| Night-time consumption | <2W | |||||||
| Over Voltage Category | Ⅲ(MAINS),Ⅱ(PV) | |||||||
| Pollution Degree | Ⅱ | |||||||
| Cooling | Natural Cooling | |||||||
| Noise level | <25dB | |||||||
| Inverter Topology | Transformerless | |||||||
| Communication interface | Pocket WiFi /LAN/GPRS(optional)/4 G/Meter/CT/RS485/ DRM/ USB | |||||||
| Standard warranty [year] | 5years (10 optional) | |||||||
Installation
Check for Transport Damage
Make sure the inverter is intact during transportation. If there are some visible damages, such as cracks, please contact your dealer immediately.
Packing Lists
Open the package and fetch out the product, check the accessories at first. The packing list shows as below.
| Object | Quantity | Description |
| A | 1 | X1 series inverter (with bracket) |
| B | 4 | DC connector |
| C | 1 | AC connector |
| D | 3 | Expansion tube |
| E | 3 | Expansion screw |
| F | 1 | Product manual |
| G | 1 | Warranty card |
| H | 1 | Quick installation guide |
| I | 4 | DC pin contact(2*positive, 2*negative) |
| J | 1 | Earth terminal |
| K | 1 | Pocket WiFi/LAN/GPRS( Optional ) |
Installation Precaution
X1 Series inverter is designed for outdoor installation (IP 65).
Make sure the installation site meets the following conditions:
- Not be exposed to glare.
- Not in areas where highly flammable materials are stored.
- Not in potential explosive areas.
- Not in the cool air directly.
- Not near the television antenna or antenna cable.
- Not higher than altitude of about 2000m above sea level.
- Not in environment of precipitation or humidity(100%) .
- Be sure the ventilation is good enough.
- The ambient temperature in the range of -25℃ to +60℃.
- The slope of the wall should be within ±5°.
- The wall hanging the inverter should meet conditions below:
- Solid brick/concrete, or strength equivalent mounting surface;
- Inverter must be supported or strengthened if the wall’s strength isn’t enough (such as wooden wall, the wall covered by thick layer of decoration)
Please avoide direct sunlight, rain exposure, snow laying up during installing and operating.
Available Space Size
Installation Steps
Preparation
Below tools are needed before installation.
Installation tools : crimping pliers for binding post , screwdriver, manual wrench and Φ10 driller.
- Step 1: Unscrew the bracket from the back of the inverter.
a) The wall bracket is fixed on the inverter, and the user should remove it firstly. (Φ10 driller.torque: 0.8±0.1Nm) - Step 2: Screw the wall bracket on the wall
b) Use the wall bracket as a template to mark the position of the 3 holes on the wall.
c) Drill holes with driller, make sure the holes are deep enough (at least 50mm) for installation, and then tighten the expansion tubes.
d) Install the expansion tubes in the holes, and tighten them. Then install the wall bracket by using the expansion screws.(Φ10 driller.torque: 0.8± 0.1Nm) - Step 3: Match the inverter with wall bracket
e) Hang the inverter over the bracket, move the inverter close to it, slightly lay down the inverter, and make sure the 3 mounting bars on the back are fixed well with the 3 grooves on the bracket.
Note: Please refer to the details from the Quick Installation Guide.
Connections of the Inverter
The Main Steps to Connect to the Inverter
- PV String Connection
The inverter has a couple of PV connectors which can be connected in series into 2- strings PV modules. Please select PV modules with excellent function and reliable quality. Open circuit voltage of module array connected should be <Max.DC (table as follow) input voltage, and operating voltage should be within the MPPT voltage range.

DANGER!
- Danger to life due to high voltages on DC conductors.
- When exposed to sunlight,the PV array generates dangerous DC voltage which is present in the DC conductors.Touching the DC conductors can lead to lethal electric shocks.
- Cover the PV modules.
- Do not touch the DC conductors
NOTE!
Please choose a suitable external DC switch if the model (X1-3.0-TN, X1-3.3-T-N,X1-3.6-T-N,X1-4.2-T-N,X1-4.6-T-N,X1-5.0-T-N,X1- 5.5K-T-N, X1-6K-T-N) is purchased.
WARNING!
- PV module voltage is very high which belongs to dangerous voltage range, please comply with the electric safety rules when connecting.
- Please do not make PV positive or negative ground!
NOTE!
- Please follow the requirements of PV modules as below:
- Same type; Same quantity; Identical alignment; Identical tilt.
- In order to save cable and reduce the DC loss, we suggest installing the inverter near PV modules.
Connection Steps
Below tools are needed before connection
- a) Turn off the DC switch, then Choose 12 AWG wire to connect the PV module.
- b) Trip 7mm of insulation from the wire end by using the strpping pliers.

- c) Insert striped wire into pin contact and ensure all conductor strand are captured in the pin contact

- d) Crimp pin contact by using the wire crimper.

- e) Separate the DC connector as two parts: the plug and the cable nut. Then insert the wire with pin contact through the cable nut.

- f ) Insert the wire into plug forcibly, when a “click” is heard or felt the pin contact assembly is seated correctly. Then tighten the cable nut.

- g) Use a multimeter to measure whether the positive and negative polarities are correct, and check whether this PV module is normal.
- h) Remove the blue protective cover of the PV+&-interface at the bottom of the inverter, and insert the completed PV terminals according to the positive and negative correspondence.
- I) Cover the remaining unused PV terminals with the original blue cover
- j) Keep the DC switch of the inverter off (if there is a DC switch)
Grid Connection
X1 series inverter are designed for single phase grid. Voltage range is 220/230/240V, frequency is 50/60Hz. Other technical requests should comply with the requirement of the local public grid
Table 4 Cable and Micro-breaker recommended
| Model | X1-3.0-T-D(L) X1-3.0-T-N(L) | X1-3.3-T-D(L) X1-3.3-T-N(L) | X1-3.6-T-D(L) X1-3.6-T-N(L) | X1-4.2-T-D(L) X1-4.2-T-N(L) | X1-4.6-T-D(L) X1-4.6-T-N(L) | X1-5.0-T-D(L) X1-5.0-T-N(L) | X1-5.5K-T-D(L) X1-5.5K-T-N(L) | X1-6K-T-D(L) X1-6K-T-N(L) |
| L,N Cable | 4-6mm | 4-6mm | 4-6mm | 5-6mm | 5-6mm | 5-6mm | 5-6mm | 5-6mm |
| PE Cable | 2.5-6mm | 2.5-6mm | 2.5-6mm | 2.5-6mm | 2.5-6mm | 2.5-6mm | 2.5-6mm | 2.5-6mm |
| Micro-breaker | 20A | 20A | 20A | 25A | 25A | 32A | 32A | 32A |
*The parameters have some differences because of different environment and material. Please according to the local conditions to choose appropriate cable and micro-breaker.
Micro-breaker should be installed between inverter and grid, any loads should not be connected with inverter directly.
Connection Steps
- a) Check the grid voltage and compare with the permissive voltage range (refer to technical data).
- b) Disconnect the circuit-breaker from all the phases and secure against reconnection.
- c) Trip the wires:
- Trip all the wires to 52.5mm and the PE wire to 55mm.
- Use the crimping pliers to trip 6mm of insulation from Al wire ends as below.

- d) Separate the AC plug into three parts as below.
- Hold the middle part of the female insert, rotate the back shell to loose it, and datach it from female inset.
- Remove the cable nut (with rubber insert) from the back shell.

- e) Slide the cable nut and then back shell onto the cable.

- f ) Insert the tripped end of each three wires into the appropriate hole in the female insert, and then tight each screw (to tight each wire in place).(PH1 cross screwdriver .torque:0.8±0.1Nm)

- g) Screw down the threaded sleeve the pressure screw

- h) Screw down the pressure screw.(torque:3±0.3Nm)

- I) Connect the AC plug to the inverter.

Selection of Fuses and Cables connection
- Main cable(AC line cable)shall be short circuit protected and thermal overload protected.
- Always fit the input cable with fuse. Normal gG(US:CC or T)fuses will protect the input cable in short circuit situation. They will also prevent damage to adjoining equipment.
- Dimension the fuses according to local safety regulations, appropriate input voltage and the related current of the solar inverter.
- AC output protected by external fuse(gG rated current 25A/250VAC for 3.0KW /3.3KW; 32A/250VAC for 3.6KW/4.2KW/4.6KW/5.0KW/5.5KW/6.0KW) provides in all live connections to the AC supply.
- The rated short circuit breaking capacity of the above protective device shall be at least equal to the prospective fault current at the point of installation. See section technical data of this manual details.
- AC output cable: Cu; L, N,PE: 3*4.0mm for 3.0KW/3.3KW/3.6KW and 3*5mm for 4.2KW/4.6KW/5.0KW/5.5KW/6.0KW @40℃ ambient temperature with a max length of 5m, with operating time of the fuses is less than 5 seconds, installation method B2 according to EN60204-1:2006, annex D: cable in conduit cable trunking system, number of loaded circuit only one. Use H07RNF(cord designation 60245 IEC66) for an ambient temperature of 40℃ or less and use 90℃ wire for ambient temperature between 40℃ and 60℃.
Note 1: For those different conditions mentioned above, dimension of the cables according to local safety regulations, appropriate input voltage and the load and the load current of the unit.(You can choose a thicker cable but the fuses must rated according to the cable.)
Note 2: Fuses must be approved by Notified Body. - Inverter is not provided galvanic isolation from the mains to the PV array, feedback current to the array is 25A/250VAC for 3.0KW and 3.3KW; 32A/250VAC for 3.6KW, 4.2KW, 4.6KW, 5.0KW, 5.5KW and 6.0KW based on the fuse provided in the mains. Also in the worst case the reverse current comprises the sum of the short-circuit currents of all intact lines.
- Therefore the current-carrying capacity of the components and sub-assemblies provided in the end-use system(connectors, cables, junction box, switch ger, etc.) and the reverse current PV modules shall be considered based on the feedback current and reverse current. The direct current(DC) circuit breaker or fuse between each solar generator and inverter shall be provided based on solar inverter input ratings. Select DC cables based in the above inverter back-feed current and ISC PV rating and Vmax ratings.
Earth Connection
Screw the ground screw with allen wrench shown as follow. (φ4 hexagon wrench.torque:1.5±0.2Nm)
WARNING!
Be sure the ground wire must be connected!
Communication interface
This product has a series of communication interfaces: such as WiFi,RS485/Meter/DRM are used for communication and USB is used for Firmware updating. Operating information like output voltage, current, frequency, faulty information, etc., can be delivered to PC or other monitoring equipment via these interfaces.
WiFi
This inverter provides a WiFi port which can collect information from inverter including status, performance and updating information to monitoring website via connecting Pocket WiFi( purchase the product from supplier if needed)
Connection steps:
- Plug the Pocket WiFi into “WiFi/LAN/GPRS” port at the bottom of inverter.
- Connect the WiFi with router.
- Set the station account on the SolaX Cloud Monitoring .(Please check the Pocket WiFi user manual for more details) (torque:0.6±0.1Nm)
RS 485/Meter/CT/DRM
- a. RS 485
RS 485 is one standard communication interface which can transmit the real data from inverter to PC or other monitoring equipments.
- b. Meter/CT(optional)
Note!
It is necessary to connect meter to inverter otherwise inverter will shutdown with a “Meter fault” alert.
The smart meter must be authorized by Solax, any third party or non-authorized meter may not match with the inverter. Solax will not take the responsibility if the meter is unavailable.
With this single phase meter working together with the X1 series, you can:
- Monitor the energy to grid and from grid through the whole day.
- Achieve the export control function with a higher accuracy.

CT Connection:
The current sensor measures the current on the phase wire that runs between the inverter and the grid
CT connection diagram
CT PIN Definition
When connectingthe RJ45 connector with the wire of the CT, please follow the below sequence :
CT Connection Steps:
NOTE!
- Do not place the CT on the N Wire or the earth wire.
- Do not place the CT on the N and L wire simultaneously.
- Do not place the CT with the arrow pointing to the inverter side.
- Do not place the CT on the non-insulated wires.
- Do not use the wire over 25m.
CT structural decomposition
- Insert the Rj45 connector of CT into the Meter port on the inverter, and screw down the screw cap tightly.
- Clip the CT clamp on L line from the home main meter box side.
- Make sure the current sensor is installed in the right direction: The arrow on the current sensor must point to the public grid.

RS 485 Connection Steps:
- Firstly unscrew all screws from the 485 port.(PH1 cross screwdriver . torque:0.8±0.1Nm)
- Prepare a communication cable and trip the insulation from it.
- Let the communication cable pass though the waterproof connector, then insert it into the connector following the PIN definition rule.

- Crimp the connector with the crimping plier.
- Insert the cable into the RS485 port of the inverter, and tighten the waterproof connector.

DRM
DRM function (for AS4777) is provided to support several demand response modes by giving control signals as below. The user should short circuit between 1 and 2 and cooperate with external equipment when using it.
- DRM shares the terminal block with RS485/Meter communications.
- The connection steps of the DRM, user can refer to the above (b) RS485 connections.
Note: Only DRM0 is available now, and other functions are being developed.
Upgrade
User can update the inverter system through the U-disk.
WARNING!
Make sure the input voltage is more than 100V (in good illumination condition), or it may result in failing during updating.
Upgrade Steps:
- Please contact SolaX service to get the latest firmware. Then add a new folder named “Update” in the root directory on your U-disk, and two more sub-folders named “ARM” and “DSP” under “Update”. Please copy the firmware files into ARM and DSP respectively. It will be like:
“update\ARM\618.00207.00_X1_BOOST3.0_MINI2.0_AIR2.0_ARM_V1.21_20200826.usb;
“update\DSP\618.00381.00_X1_BOOST3.0_MINI2.0_AIR2.0_DSP_V2.02_20200928.usb
WARNING!
Make sure the directory is in accordance with above form strictly!
Do not modify the program file name ! Or it may cause the inverter does not work anymore ! - Press and hold the “Enter” key for 5 seconds to enter Off Mode. Then unscrew the waterproof lid and insert the U-disk into the “upgrade” port.

- Then insert U-disk into the USB port on the bottom of the inverter. Then turn on DC switch or connect the PV connector, the LCD will show the main pictures as below.

- Press up and down to select the one that you want to update and long press down to confirm.
- When the upgrade is completed, please remember to turn off the DC switch or disconnect the PV connector, then pull off the U-disk, screw the waterproof lid.
WARNING!
During updating, please don’t turn off the DC switch or disconnect the PV connector. If failed, please repeat the above operation again.
Isolation Fault Alarm
The inverter,has the isolation fault alarm function as required by AS 4777.2 and AS/NZS 5033, it will give an alarm once the Insulation impedance of the PV arrays is less than 100KΩ .
Run the Inverter
Start inverter after checking all below steps:
- a) Check that device is xed well on the wall.
- b) Make sure all the DC breakers and AC breakers are disconnected.
- c) AC cable is connected to grid correctly.
- d) All PV panels are connected to inverter correctly, DC connectors which are not used should be sealed by cover.
- e) Turn on the external AC and DC connectors.
- f ) Turn on the DC switch to the “ON”position.
Start the inverter
- Inverter will start automatically when PV panels generate enough energy.
- Check the status of LED indication and LCD screen, the LED indication should be blue and the LCD screen should display the main interface.
- If the LED indication is not blue, please check the below:
- All the connections are right.
- All the external disconnect switches are closed.
- The DC switch of the inverter is in the “ON” position.
Below is the three status when operating, which means the inverter starting up successfully.
Waiting: Inverter is waiting to check when DC input voltage from panels is greater than 80V (lowest start-up voltage) but less than 100V (lowest operating voltage).
Checking: Inverter will check DC input environment automatically when DC input voltage from the PV panels exceeds 100V and PV panels have enough energy to start inverter.
Normal: Inverter begins to operate normally with a blue light on. Meanwhile feedback energy to grid, LCD displays present output power. Enter the setting interface to follow the instructions when it is first time to start up.
WARNING!
Power to the unit must be turned on only after installation work has been completed. All electrical connections must be carried out by qualied personnel in accordance with legislation in force in the country concerned.
NOTE!
Please set the inverter if it is the first time to start up. Above steps are for the regular start of the inverter. If it is the first time to start up the inverter, you need to setup the inverter.
ENERGY CONTROL
Equipment only to be used for the purpose outlined by SolaX.
Operation Method
Control panel
| Object | Name | Description |
| A | LCD Screen | Display the information of the inverter. |
| B | Indicator LED | Light in blue: The inverter is in normal status. Flash in blue: The inverter is in waiting status. |
| C | Light in red: The inverter is in fault status. | |
| D | Function Button | Up/ESC button: Move cursor to upside or increase value. Return from current interface or function |
| E | Move cursor to downside or decrease value Down/Enter button: Confirm and change the parameters. |
Note: The inverter is in “Waiting” and “Checking” status, the blue light “B” is flickering; when in “Normal” status, the blue light “B” is always on.
LCD Structure
Please refer to the inverter for the most updated structure

LCD Operation
LCD Display
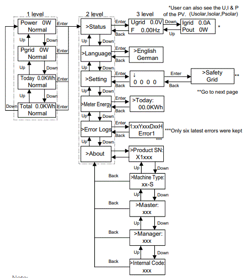
1 level
- a) The first line displays the parameters(Power, Today and Total) and the values.
- b) The second line shows the running status. Namely, “Power” means the timely output power; “Pgrid” means the power export to or import from the grid; (Positive value means the energy feeds into the grid, negative value means the energy used from the grid) “Today” means the power generated within the day. “Normal” means the status of the inverter.
2 level
- Long press any first-level parameter can enter the second-level “Status” parameter interface.
- The user can also see other parameters, such as the Language( without password ),
- Setting ( need password ), Meter energy, Error Logs of the inverter, and About ( the user can watch the information of the inverter).
3 level
Long press the second-level parameter can enter the corresponding third-level parameter interface.
- a) Status: The user can see the U/I/P parameters of the grid and the PV, such as the Ugrid, Igrid, PF value of the grid, and the Usolar, Isolar and Psolar of the PV.
- b) Language: This inverter provides several languages for customer to choose.
- c) Setting: Entering the installer password, the information of the LCD interface is as the previous page shown.
- Safety: The user can set the right safety standard here.
- Grid: Usually end user does not need to set the grid parameters. All default value have been set before leaving factory according to safety rules. If need to reset, any changes should according to the requirement of local grid.
| Parameter | Comment |
| Vac upper | Voltage high protect |
| Vac lower | Voltage low protect |
| Vac upper slow | Voltage high slow protect |
| Vac lower slow | Voltage low slow protect |
| Fac upper | Frequency high protect |
| Fac lower | Frequency low protect |
| Fac upper slow | Frequency high slow protect |
| Fac lower slow | Frequency low slow protect |
| Vac 10m avg | 10 min voltage high protect |
| FreqSetPoint | Frequency set point |
| FreqDropRate | Frequency droop rate |
| Vac upper | Voltage high protect |
| T-Start | 60s |
| H/LVRT Function | Disable |
| FreqSetPoint | Frequency set point |
| FreqDropRate | Frequency droop rate |
Power Factor: ( For specic country if required by the local grid.)
There are 6 modes for selecting: Off, Under-Excited, Over-Excited, PF(p), Q( u ).
All parameters are shown below.
| Mode | Comment |
| Off | – |
| Under-Excited | PF value |
| Over-Excited | PF value |
|
PF(p) | Upper limit |
| Lower limit | |
| Power Upper | |
| Power Lower | |
|
Q( u ) | QuVupRate ( EN50549_NL ) |
| QuVlowRate ( EN50549_NL ) | |
| QUrangeV1 ( AS4777.2 ) | |
| QUrangeV4 ( AS4777.2 ) | |
| Fixed Q Power | Q Power( for some local grids ) |
For VDE ARN 4105, curve cos φ = f(P) should refer to curve A. default values of setting are as shown in curve A.
For E 8001, curve cos φ = f(P) should refer to curve B. default values of setting are as shown in curve B.
Reactive power control, Reactive standard curve Q= f(V)
→The way to operate the value :
- a) Just watch the parameter of the mode by short pressing (Λ) and (V) .
- b) If you change other mode by short pressing (Λ) and (V) , you need return the Power Factor interface by long pressing the (V). Then short press (V) to confirm and enter the Upper Limit. This time you can modify the value by long pressing (Λ) ; If you only change the parameter of the mode(default), you just long press the (Λ) to modify the value.
- c) After setting, long press the (V) key to confirm and return the previous directly.

- P(u) Function: The device is suitable for Australia if the “Enable” is chosen.
- Power limits: User can set the power limit value of the inverter, and the default is 1. If you want to change, please refer to the method bellow. (the same operation to other setting value)

- Export Control: With this function the inverter can control energy exported to the grid. Whether having this function is based on user’s wishes.
The system is disabled by default.The user can choose meter or CT in Mode Select,When choosing meter or CT, means user must install a meter or a CT to monitor energy exported to the grid. There are user value and factory value. The factory value is default which can not be charged by user. The user value setting by installer must be less than the factory value and within the range of 0KW to 6KW.
Choose”Disable” means the function will be shut off. - Earth Detect: The default is “Disabled”. If turned on, the inverter will occur an error
- DRM Function: User can choose whether using the DRM function or not.
- New Password: Installer can set the new password here.
→The way to set password:- a) Long press the key (V) to enter the interface, and long press again to modify .
- b) Short Press (Λ) or (V) to increase or decrease the value you needed.
- c) After setting, long press the (V) key to confirm the parameters.
- d) Long press (Λ) to enter next level.
- Reset Errorlog: The user can clear the errorlogs by this function.
- Reset Energy: The user can clear the power energy by this function.
- Reset Meter : The user can clear the Meter energy by this function.
- Line Impedance: User can choose whether using the Line Impedance function or not. It can reduce the protection of the false voltage caused by the high impedance.
- Self Test(only for CEI 0-21): User can test operating staus of inverter by choosing ”All Test”. When testing OK, the inverter will restart again and user can see the result from the “Test Report”.
- About: This interface shows information of the inverter, including product serial number, machine type, master, slave, manager and internal code
Troubleshooting
This section contains information and procedures for solving possible problems with X1 series inverters, and provides you with troubleshooting tips to identify
and solve most problems that could occur with the X1 series inverters. This section will help you narrow down the source of any problems you mayencounter. Please read the following troubleshooting steps. Check warnings or fault messages on System Control Panel or Fault codes on the inverter information panel. If a message is displayed, record it before doing anything further. Attempt the solution indicated in troubleshooting lists. If your inverter’s information panel is not displaying a Fault light, check the following list to make sure that the present state of the installation allows proper operation of the unit.
- Is the inverter located in a clean, dry, adequately ventilated place?
- Have the DC input breakers been opened?
- Are the cables adequately sized and short enough?
- Are the input and output connections and wiring in good condition?
- Are the configurations settings correct for your particular installation?
- Are the display panel and the communications cable properly connected and undamaged?
Contact SolaX Customer Service for further assistance. Please be prepared to describe details of your system installation and provide model and serial number of the unit.
Global Service Center: +86 (571) 56260033 ext 749
General Enquiry: +86 (571) 56260011
Sales Enquiry: +86 (571) 56260008
E-Mail: [email protected]
Fax: +86 (571) 56075753



Routine Maintenance
Inverters do not need any maintenance or correction in most condition,To ensure that the X1-Boost can operate properly for a long term, you are advised to perform routine maintenance on it. Before cleaning the system, connecting cables, and maintaining the grounding reliability, power off the system.
- The cooling fins on the rear of house are coverd by dirts. Clean the cooling fins with a soft dry cloth or brush if necessary. Only trained and authorized professional personnel who are familiar with the requirements of safety was allowed to perform servicing and maintenance work.
Safety checks
Safety checks should be performed at least every 12 months by manufacturer’s qualified person who has adequate training,kownledge,and practical experience to perform these tests.The data should be recorded in an equipment log.If the device is not functioning properly or fails any of test,the device has to be repaired.For safety check details ,refer to this manual,section 2 Safety instruction and EC Directives.
Maintain periodically
Only qualified person may perform the following works.
During the process of using the inverter,the manage person shall examine and maintain the machine regularly.The concrete operations are follow.
- Check that if the cooling fins on the rear of house are covered by dirts, and the machine should be cleaned and absorbed dust when necessary. This work shall be check time to time.
- Check that if the indicators of the inverter are in normal state,check if the keys of the inverter are in normal state,check if the display of the inverter is normal.This check should be performed at least every 6 months.
- Check that if the input and output wires are damaged or aged.This check should be performed at least every 6 months.
- Check whether the ground terminal and ground cable are securely connected and all terminals and ports are properly sealed every 12 months
- You should get the inverter panels cleaned and their security checked at least every 6 months.
Decommissioning
Dismantling the Inverter
- Disconnect the inverter from DC Input and AC output.
- Wait for 5 minutes for de-energizing.
- Disconnect communication and optional connection wirings.
- Remove the inverter from the bracket.
- Remove the bracket if necessary.
WARNING!
Before dismantling the inverter, please be sure to disconnect the DC switch, and then unplug the PV and AC cables, otherwise it will lead to an electric shock hazard.
Packaging
- If possible, please pack the inverter with the original packaging.
- If it is no longer available, you can also use an equivalent carton that meets the following requirements.
- Suitable for loads more than 30 kg.
- With handle.
- Can be fully closed.
Storage and Transportation
Store the inverter in dry place where ambient temperatures are always between -30 °C – +70 °C. Take care of the inverter during the storage and transportation, keep less than 4 cartons in one stack. When the inverter or other related components need to be disposed. Have it carried out according to local waste handling regulations. Please be sure to deliver wasted inverters and packing materials to certain site, which can assist relevant department to dispose and recycle.
Disposing of the X1-Boost
If the X1-Boost service life expires, dispose of it according to the local disposal rules for electrical equipment waste.





















Choose”Disable” means the function will be shut off.
















