Lindab MBV Room Supply Unit

Symbols

Unpacking and protection of MBV

Accessories

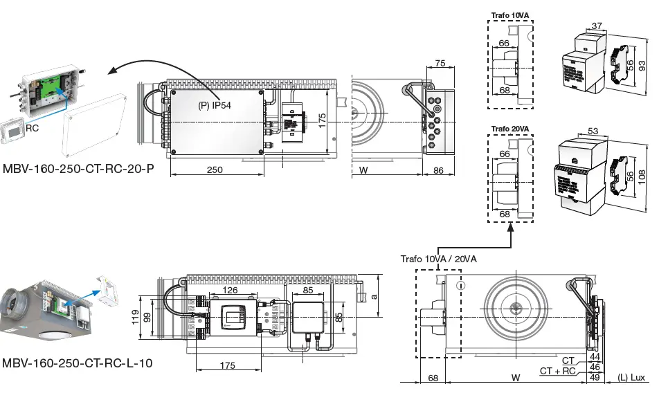
Dimensions


Configuration examples


Installation of MBV


Installation of diffuser in MBV



Do not remove the protective cap of the temperature sensor before commissioning –
Maintenance
- Take out damper unit V
( A→ I ) - Insert damper unit V
( A→ I )
Disconnect power/signal cable from CN / CT card.
Hold manual switch down (C) and move damper to closed position (D).

- Take out damper
( A →I )


Demounted damper can be kept inside MBV

- Insert damper unit
( I→A )
To re-insert damper, follow steps A-I in reverse order - Step F. Press the damper housing straight into the connection


Most of us spend the majority of our time indoors. Indoor climate is crucial to how we feel, how productive we are and if we stay healthy.
We at Lindab have therefore made it our most important objective to contribute to an indoor climate that improves people’s lives. We do this by developing energy-efficient ventilation solutions and durable building products. We also aim to contribute to a better climate for our planet by working in a way that is sustainable for both people and the environment.
Lindab | For a better climate





















