HOME SCREENS NIBE RMU S40 Room Unit Instruction Manual
Important information
SAFETY INFORMATION
This manual describes installation and service procedures for implementation by specialists.
The manual must be left with the customer. This appliance can be used by children aged from 8 years and above and persons with reduced physical, sensory or mental capabilities or lack of experience and knowledge if they have been given supervision orinstruction concerning use ofthe appliance in a safe way and understand the hazards involved. Children shall not play with the appliance. Cleaning and user maintenance shall not be made by children without supervision. This is an original manual. It may not be translated without the approval of NIBE. Rights to make any design or technical modifications are reserved. ©NIBE 2022.
SYMBOLS
Explanation of symbols that may be present in this manual.
NOTE
This symbol indicates danger to person or machine.
Caution
This symbol indicates important information about what you should consider when installing or servicing the installation.
TIP
This symbol indicates tips on how to facilitate using the product.
GENERAL
EU
NIBE hereby declares that this type of radio equipment EA001-A-XXX corresponds with directive 2014/53/EU. The full text of the EU Declaration of Conformity can be found at nibe.eu.
UKCA
NIBE hereby declares that this type of radio equipment EA001-A-XXX conforms with Directive The Radio Equipment Regulations 2017. The full text of the UKCA Declaration of Conformity can be found at nibe.co.uk.
MARKING
Explanation of symbols that may be present on the product’s label (s).
Read the Installer Manual.
Class III control symbol
RECOVERY

Leave the disposal of the packaging to the installer who installed the product or to special waste stations.
Do not dispose of used products with normal household waste. It must be disposed of at a special waste station or dealer who provides this type of service.
Improper disposal of the product by the user results in administrative penalties in accordance with currentle gislation.
OPEN SOURCE CODE
This product contains software covered by an open source code licence. For more information as well as access to the source code, visit opensource.nibe.eu.
General
With RMU S40 you can control and monitor your NIBE heat pump/indoor module/control module (main product) from another room in the house
COMPATIBLE PRODUCTS
Main products in NIBE S-series.* *RMU S40 is not compatible with SMO S30
CONTENTS
1 x RMU S40 with rear panel
MOUNTING
RMU S40 can be installed directly against a wall or with the aid of the enclosed rear panel. If you use the enclosed rear panel, you can install RMU S40 in a standard connection box.
If you want to use the room sensor in RMU S40, the position of the unit is important, see section Room sensor. Use all mounting points and mount the module upright, flat against the wall. Leave at least 100 mm of free space around the module to allow access and make cable routing easier during installation and servicing.
Caution
The screw type must be adapted to the surface on which installation is taking place.
INSTALLATION WITHOUT REAR PANEL
- Unscrew 2 screws at a distance of 32 mm.
- Connect RMU S40 to the main product, see section “Electrical connection”.

- Hang RMU S40 on the screws.
INSTALLATION WITH REAR PANEL
- Screw the rear panel onto the wall using 2 screws. UN

- Connect RMU S40 to the main product, see section “Electrical connection”. UN

- Angle the display unit and secure the unit to the two clamps at the bottom of the rear panel. UN

- Press RMU S40 firmly to the top of the rear panel

Room unit design

A4 Display unit
AA32 Space for memory card (Micro-SD)
X1 Terminal block, communication and voltage
X5 Power supply, Micro-USB
SF1 On/Off button (Switch)
Designations according to standard EN 81346-2.
Electrical connection
NOTE
All electrical connections must be carried out by an authorised electrician.
Electrical installation and wiring must be carried out in accordance with national provisions.
The main product must be disconnected from the power supply when installing RMU S40
- To prevent interference, sensor cables to external connections must not be laid close to high voltage cables.
- The minimum area of communication and sensor cables to external connections must be 0.5 mm² up to 50 m, for example EKKX, LiYY or equivalent.
- RMU S40 restarts after a power failure
You can connect max 32 wireless units and 8 wired RMU S40 to the main product. If you connect more than three wired units to the main product (of which max. two RMU S40), these require an external power supply.
POWER SUPPLY
RMU S40 is not battery powered. For the power supply, you can use a USB mains adapter (5 V) and connect it to “Supply voltage, Micro-USB” (X5).
Max. cable length for USB connection: 3 metres.
WIRED CONNECTION
You can connect your RMU S40 to your main product to provide power and communication.
CONNECTION TO MAIN PRODUCT
Heat pump/indoor module
The terminal block in RMU S40 (AA4-X1) is connected to
terminal block X30:1-4 on the PCB (AA2) in the heat pump/indoor module.
If several accessories are to be connected, or are already installed, the boards are connected in series.
Because there can be different connections for accessories, you should always read the instructions in the manual for the accessory that is to be installed.
Control module
The terminal block in RMU S40 (AA4-X1) is connected to terminal block X9:7–10 on the joint board (AA100) in the control module.
If several accessories are to be connected, or are already installed, the boards are connected in series.
Because there can be different connections for accessories, you should always read the instructions in the manual for the accessory that is to be installed.
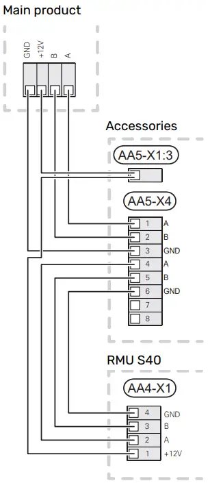
CONNECTION OF ACCESSORIES AND AN RMU S40
If several accessories are to be connected, or are already installed, the boards are connected in series.
Because there can be different connections for accessories, you should always read the instructions in the manual for the accessory that is to be installed.
Connect a +12V supply cable from the main product to your RMU S40. RMU S40 should be connected last in the communication loop
Caution
Always install a +12V supply cable from the main product to the accessory with the AXC module, for connection to RMU S40.
Commissioning
ROOM SENSOR
The room unit RMU S40 contains a room sensor with the same function as the room sensor (BT50) accompanying the main product.
This makes it possible to select which room sensor the main product will use for displaying and control of the room temperature, where applicable.
Caution
In the main product’s menu 1.3.3 – “Room units”, you can choose the room sensor that you want to use for inspection control.
The room unit has up to four functions:
- Show current room temperature in the heat pump/indoor module display.
- Provides the option of changing the room temperature.
- Provides the option of changing/stabilizing the room temperature.
- Provides the option of presenting and controlling the humidity
Install the room unit in a neutral position where the set temperature is required. A suitable location is on a free inner wall in a hall approx. 1.5 m above the floor. It is important that the room unit is not obstructed from measuring the correct room temperature, for example by being located in a recess, between shelves, behind a curtain, above or close to a heat source, in a draught from an external door or in direct sunlight.
Control of the room unit is activated in menu 1.3.3 – “Room units”.
Caution
Closed floor/radiator thermostats affect the indoor temperature.
SETTINGS IN THE MAIN PRODUCT
Adjust the basic settings for each RMU S40 in the main product. In order to determine more easily the room in which RMU S40 is located, you can give each room unit a unique name.
Caution
The main product’s software must be the latest version.
CLIMATE SYSTEMS AND ZONES
Multiple climate systems are used when different supply temperatures are required for different parts of the system, for example when both underfloor heating and radiators are fitted in a property.
A climate system can be divided up into several zones, which can be allocated one or more sensors or other accessories.
A zone could be a specific room or part of larger premises
The example shows a property with two climate systems. Climate system “A” is a radiator system with three zones. With a controlled radiator valve, the temperature can be controlled individually for zones 1, 2 and 3.
Climate system “B” is an underfloor heating system with one zone, which is the controlling zone.
REPEATER RPP 10
If the communication is weak between the main product and an accessory in a zone, a repeater (RPP 10) may need to be installed to amplify the signal between the zones.
WIRELESS CONNECTION
- Go to the main product and select menu 5.4 – “Connect wireless units” and follow the guide. Here, you give each RMU S40 a unique name.
TIP
Go to menu 2 – “Connections” to find the start guide again at a later date. - Select wireless connection in your RMU S40.
- Wait for the message “Connection succeeded”.
- Make your settings for RMU S40 in the main product’s menu 1.3.3 – “Room units”.
Caution
See the Installer Manual for the main product.
WIRED CONNECTION
In order to give RMU S40 a unique name in the main product, it must first be allocated an address, a number (1 – 8):
- Select an address for RMU S40 by allocating it a unique number (1 – 8) in menu 2 – “Connections”.
- Go to the main product and select menu 7.2.1 – “Add/remove accessories” and activate RMU S40 or press “Search for accessories”.
- Select wired connection in your RMU S40.
- Select an address (1 – 8) for your RMU S40. In the event of a communication fault between RMU S40 and your main product, you are asked to check the selected address and adjust if necessary.
- Make your settings for RMU S40 in the main product’s menu 1.3.3 – “Room units”.
Caution
See the Installer Manual for the main product
Control – Introduction
DISPLAY UNIT
THE STATUS LAMP
The status lamp indicates current operating status. It:
- is not lit during normal operation.
- lights red in the event of a deployed alarm.
If the status lamp is red, you receive information and suggestions for suitable actions on the display.
THE ON/OFF BUTTON
The on/off button (SF1) has two functions:
- start
- switch off
To start: Move the switch up.
To turn off: Move the switch down.
THE DISPLAY
Instructions, settings and operational information are shown on the display.
SPACE FOR MEMORY CARD
On the left side of the room unit, there is space for a memory card (Micro-SD)
TIP
RMU S40 is updated automatically from the main product when new software is available.
NAVIGATION
RMU S40 has a touchscreen where you simply navigate by pressing and dragging with your finger.
SELECT
Most options and functions are activated by lightly pressing on the display with your finger.
BROWSE
The dots at the bottom edge show that there are more pages. Drag to the right or left with your finger to browse between the pages.
SCROLL
If the menu has several sub-menus, you can see more information by dragging up or down with your finger.
CHANGE A SETTING
Press the setting you want to change.
If it is an on/off setting, it changes as soon as you press it
If there are several possible values, a spinning-wheel appears that you drag up or down to find the desired value.
Press
to save your change, or press
to cancel.
HELP MENU
In some menus, there is a symbol indicating that
extra help is available. Press the symbol to open the help text.
You may need to drag with your finger to see all text.
HOME SCREENS
INFORMATION PAGES
Which information is displayed depends on which product you have and which accessories are connected to the product.
You can always press “X” to return to the home screens.
FUNCTION PAGES
On the function pages, you can both view information about the current status and easily make the most common settings. The function pages that you see depend on the product you have and the accessories that are connected to the product.

Drag to the right or left with your finger to browse between the function pages.
Press the card to adjust the desired value. On certain function pages, drag your finger up or down to obtain more cards.
MENU TREE
In the menu tree, you can find all menus and can make more advanced settings.
In the main product’s menu 4.3, you have the option to create profiles and select the zones and functions to which the profiles will have access. A profile might, for example, be an apartment with its own accessories.
You must have created the zones previously. You can find more information about climate systems and zones in the main product’s Installer Manual.
- Create and name a profile (up to eight profiles).
- Select one or more zones. In order for your RMU S40 to be connected to the profile, it must be located in one of the zones you select.
- Add the functions to which the profile is to have access.
Examples of functions:
- alarm
- home/away
- cooling
- pool
- PV solar
- hot water
- ventilation
- heating
On the RMU S40 display, the profile to which it belongs is then shown.
Caution
A RMU S40 connected to a profile will be locked, and will only show information related to the selected profile.
HOME SCREENS
Caution
The menus and control options that are available can be controlled by profiles, see section “Create profiles in the main product’s menu 4.3 – Profiles”
HEATING AND COOLING
You make temperature settings for your installation here.
If the climate system in the house has several zones for heating or cooling, this is shown on the display by a function page for each zone.
Setting the temperature (without controlling room sensor activated):
Setting range: -10 – 10
The display shows the set value for heating/cooling (curve offset). To increase or reduce the indoor temperature, increase or reduce the value in the display.
The number of steps the value has to be changed in order to achieve a one degree change to the indoor temperature depends on the climate system. One step is usually enough, but in some cases several steps may be required.
If multiple zones in a climate system do not have activated room sensors, these will have the same curve offset.
Setting the desired value. The new value is shown on the right-hand side of the symbol on home screen cooling.
Setting the temperature (with controlling room sensor activated):
Heating
Setting range: 5 – 30 °C
Cooling
Setting range: 5 – 35°C
The value in the display appears as a temperature in °C, if the zone is controlled by a room sensor.
Caution
A slow climate system, such as underfloor heating, may be unsuitable for controlling with room sensors.
Caution
An increase in the room temperature can be slowed by the thermostats for the radiators or under floor heating. Therefore, open the thermostats fully, except in those rooms where a cooler temperature is required, e.g. bedrooms.
TIP
If the room temperature is constantly too low/high, you increase/decrease the value by one step in menu 1.1.1.
If the room temperature changes when the outdoor temperature changes, you increase/decrease the curve slope by one step in menu 1.30.1.
Wait 24 hours before making a new setting, so that the room temperature has time to stabilise.
HOT WATER
When there is a temporary increase in hot water demand, this menu can be used to select an increase in the hot water temperature for a selectable time.
You can also select “More hot water” in the main product’s menu 2.1.
VENTILATION
The ventilation in the accommodation can be temporarily increased or reduced here.
The return time for the fan may, if necessary, be changed in the main product’s menu 1.2.5 – “Fan return time”.
POOL
Here you can change the temperature of the water in the pool or activate/deactivate heating.
PV SOLAR
You can read off the value of the power that the solar panels are currently providing.
You can also see how much energy the solar panels have produced during the current calendar month.
HOME/AWAY
Here you can activate or deactivate the “Away mode” function.
The function is activated if you select “Away” when you leave your home. In order to deactivate, select “Home”. The settings for “Away mode” are made in the main product’s menu 4.5 “Away mode”.
MENU 1 – NIGHT MODE
NIGHT MODE
Setting: On/Off
SCHEDULE NIGHT MODE
Setting: 00.00 – 23.59
You can activate night mode here. Activate night mode during the time of day you want to switch off the backlight.
MENU 2 – CONNECTIONS
Select wireless or wired connection.
WIRELESS CONNECTION
Select wireless connection. Go to the main product and select menu 5.4 – “Connect wireless units”.
WIRED CONNECTION
Select a communication address for RMU S40 by allocating it a unique number in this menu.
Setting: 1 – 8
MENU 4 – LICENCES
You can find licences for open source code here.
MENU 5 – SENSOR CALIBRATION
Here, you can calibrate the temperature sensor’s value. The set value is added to, or deducted from, the sensor’s current measured value. Setting: -5.0 – 5.0 (Default 0)
MENU 7 – DISPLAY ZONES
Here, you can select the zones that you want to be displayed in your RMU S40, for heating and cooling. You can choose to display a maximum of ten zones.
MENU 8 – FACTORY SETTING
Reset to factory setting.
MENU 9 – INFORMATION
Here, information is displayed about the product and the software version that is installed.
Caution
You can choose to control your main product according to the relative humidity (RH) in the air, which is measured by your RMU S40. Activate this choice in menu 7.1.6.4 – “Humidity control” in the main product.
You can also choose to control your main product according to the relative humidity (RH) in the air during cooling operation. (If you have cooling installed and activated.) Activate this choice in menu 7.1.7.2 – “Humidity control” in the main product. Select “Limit RH in cold”
Disturbances in comfort
In most cases, RMU S40 notes a malfunction (a malfunction can lead to disruption in comfort) and indicates this with alarms, and instructions for action, in the display.
MANAGE ALARM
In the event of an alarm, some type of malfunction has occurred, which is indicated by the status lamp shining with a steady red light. A dialogue box appears in the display, containing information about the alarm.
ALARM
In the event of an alarm with a red status lamp, a malfunction has occurred. The display shows what type of alarm it is and lets you reset the alarm.
In many cases, it is sufficient to select “Reset alarm” for the installation to revert to normal operation.
If the alarm indication disappears after you have selected “Reset alarm”, the alarm has been remedied. If the alarm recurs, the cause of the problem remains.
“Auxiliary operation” is a type of emergency mode. This means that the installation attempts to produce heat and/or hot water, even though there is some kind of problem. This could mean that the heat pump’s compressor is not in operation. In this case, any electric additional heat produces heat and/or hot water.
Caution
To select “Auxiliary operation”, an alarm action must be selected in menu 7.1.8.1 – “Alarm actions” in the main product.
Caution
Selecting “Auxiliary operation” is not the same as correcting the problem that caused the alarm. The status lamp will therefore remain red.
TROUBLESHOOTING
COMMUNICATION ERROR
RMU S40 has lost contact with the main product.
Wireless connection
- Check that the distance between the main product and RMU S40 is not too great.
- If the communication is weak between the main product and an accessory in a zone, a repeater (RPP 10) may need to be installed to amplify the signal between the zones.
Wired connection
- Check that the cable is correctly connected between RMU S40 and the main product.
- Check that the addresses in the room unit’s “Installation” menu and the main product’s 7.2.1 menu correspond.
THE DISPLAY IS OFF
No information is visible on the display
- Check that the screensaver is active by pressing the screen.
- Check that the On/Off button is set to On.
- Check that the cable is correctly connected between RMU S40 and the main product.
- If RMU S40 is set to “Night mode”, the display is off. (See Menu 1 – Night mode.)
Technical data
DIMENSIONS

| RMU S40 | ||
| Rated voltage (from main product) | 12VDC 100mA | |
| Rated voltage (external power supply) | 24VAC 120mA | |
| Rated voltage (external USB) | 5VDC 250mA | |
| Enclosure class | IP20 | |
| Rated value for impulse voltage | kV | 0.33 |
| Pollution degree | 2 | |
| Wireless units | ||
| 2.405 – 2.480 GHz max power | dbm | 3.5 |
| Miscellaneous | ||
| Operation mode (EN60730) | Type 1 | |
| Operating range, temperature | °C | 5 – 55 |
| Operating range, relative humidity | %RH | 20 – 80 |
| Ambient temperature | °C | 5 – 50 |
| Dimensions and weight | ||
| Rear panel (Width x Height x Depth) | mm | 88 x 88 x 8 |
| Display dimensions panel (Width x Height x Depth) | mm | 64 x 85 x 16 |
| Weight | g | 80 |
| Article data | ||
| Part No. | 067 650 | |
GREAT BRITAIN
NIBE Energy Systems Ltd 3C Broom Business Park, Bridge Way, S41 9QG Chesterfield
Tel: +44 (0)330 311 2201
[email protected]
nibe.co.uk
Detta är en publikation från NIBE Energy Systems. Alla produktillustrationer, fakta och data bygger på aktuell information vid tidpunkten för publikationens godkännande. NIBE Energy Systems reserverar sig för eventuella fakta- eller tryckfel.
©2022 NIBE ENERGY SYSTEMS

References
Nowoczesne urządzenia grzewcze — bufory i pompy | BIAWAR
Wärmepumpen und effiziente Energiesysteme von KNV
Wärmepumpen für einen nachhaltigen und einfachen Alltag | NIBE
Contemporary and Energy-efficient Heat pumps From | NIBE
Švédská tepelná čerpadla pro komfortní a udržitelný život | NIBE
Wärmepumpen | Heizen, Kühlen & Lüften - NIBE | NIBE
Heat pumps for sustainable energy solutions | NIBE
NIBE - Lämpöpumppuja jo yli 30 vuoden ajan | NIBE
Fabricant Suédois de pompes à chaleur | NIBE
Varmepumper for vannbåren varme | NIBE
Värmepumpar för en enkel och hållbar vardag | NIBE
Jouw warmtecomfort is onze passie | NIBE
Open source | NIBE
Vølund Varmeteknik - varmeløsninger og varmepumper
Nowoczesne urządzenia grzewcze — bufory i pompy | BIAWAR
Wärmepumpen und effiziente Energiesysteme von KNV
Wärmepumpen für einen nachhaltigen und einfachen Alltag | NIBE
Contemporary and Energy-efficient Heat pumps From | NIBE
Švédská tepelná čerpadla pro komfortní a udržitelný život | NIBE
Wärmepumpen | Heizen, Kühlen & Lüften - NIBE | NIBE
NIBE - Lämpöpumppuja jo yli 30 vuoden ajan | NIBE
Fabricant Suédois de pompes à chaleur | NIBE
Varmepumper for vannbåren varme | NIBE
Värmepumpar för en enkel och hållbar vardag | NIBE
Jouw warmtecomfort is onze passie | NIBE
Vølund Varmeteknik - varmeløsninger og varmepumper
Heat pumps for sustainable energy solutions | NIBE
Värmepumpar för en enkel och hållbar vardag | NIBE
























