Installer manual
Control module
NIBE SMO S40 UK 
IHB EN 2208-1
631929
SMO S40 Indoor Control Module
Quick guide
NAVIGATION
| Select | |
| Scroll | |
| Browse |
Smartguide

Smartguide helps you both to view information about the current status and to make the most common settings easily. The information that you see depends on the product you have and the accessories that are connected to the product.
Setting the indoor temperature.

Here, you can set the temperature in the installation’s zones.
Increasing hot water temperature

Here, you can start or stop a temporary increase in the hot water temperature.
This function page is only visible in installations with a water heater.
Product overview

Here, you can find information about product name, the product’s serial number, the version of the software and service. When there is new software to download, you can do it here (provided that SMO S40 is connected to my Uplink).
Important information
Safety information
This manual describes installation and service procedures for implementation by specialists.
The manual must be left with the customer.
Symbols
Explanation of symbols that may be present in this manual.
NOTE
This symbol indicates danger to person or machine.
Caution
This symbol indicates important information about what you should consider when installing or servicing the installation.
TIP
This symbol indicates tips on how to facilitate using the product.
Marking
Explanation of symbols that may be present on the product’s label(s).
Danger to person or machine.
Read the Installer Manual.
Serial number
The serial number can be found on the left-hand side of the control module and on the “Product overview” home screen.

Caution
You need the product’s (14 digit) serial number for servicing and support.
Country specific information
UNITED KINGDOM
This installation is subject to building regulation approval, notify the local Authority of intention to install.
Use only manufacturer’s recommended replacement parts.
For more information see nibe.co.uk.
![]()
Benchmark places responsibilities on both manufacturers and installers. The purpose is to ensure that customers are provided with the correct equipment for their needs, that it is installed, commissioned and serviced in accordance with the manufacturers instructions by competent persons and that it meets the requirements of the appropriate Building Regulations. The Benchmark Checklist can be used to demonstrate compliance with Building Regulations and should be provided to the customer for future reference. Installers are required to carry out the installation, commissioning and servicing work in accordance with the Benchmark Code of practice which is available from the Heating and Hotwater Industry Council who manage and promote the Scheme. Visit centralheating.co.uk for information.
Warranty and insurance information
Thank you for installing a new NIBE heat pump in your home. NIBE heat pumps are manufactured in Sweden to the very highest standard so we are pleased to offer our customers a comprehensive guarantee.
The product is guaranteed for 24 months for parts and labour from the date of installation or 33 months from the date of manufacture, whichever is the shorter.
The NIBE guarantee is based on the unit being installed and commissioned by a NIBE accredited installer, serviced every year and the Benchmark documents completed. Where this condition is not met, any chargeable spare parts or components issued within the applicable guarantee period still benefit from a 12 month warranty from the date of issue by the manufacturer.
We recommend the installer completes and returns as soon as possible, your guarantee registration card or completes the guarantee form on the NIBE website www.nibe.co.uk
Inspection of the installation
Current regulations require the heating installation to be inspected before it is commissioned. The inspection must be carried out by a suitably qualified person.
In addition, fill in the page for the installation data in the User Manual.
| ✔ | Description | Notes | Signature | Date |
| Electrical connections | ||||
| Communication, heat pump | ||||
| Connected supply 230 V | ||||
| Outside sensor | ||||
| Room sensor | ||||
| Temperature sensor, hot water charging | ||||
| Temperature sensor, hot water top | ||||
| External supply temperature sensor | ||||
| External return line sensor | ||||
| Charge pump | ||||
| Shuttle valve | ||||
| AUX1 | ||||
| AUX2 | ||||
| AUX3 | ||||
| AUX4 | ||||
| AUX5 | ||||
| AUX6 | ||||
| AUX10 | ||||
| AUX11 | ||||
| Miscellaneous | ||||
| Checking additional heater | ||||
| Checking the function of the reversing valve | ||||
| Checking charge pump function | ||||
| Completed installation check of heat pump and associated equipment | ||||
System solutions
The following combinations of products are recommended for control by SMO S40.
| Control module | Air/water heat pump | HW control | Accumulator with hot water heater | Circ. Pump | Water heater | Addition | Volume vessel |
| SMO S40 | AMS 10-6 / HBS 05-6 | VST 05 | VPA 300/200 | CPD 11-25/65 CPD 11-25/75 | VPB 300 VPB 500 VPB S300 | ELK 15 ELK 26 ELK 42 ELK 213 | UKV 40 UKV 100 UKV 200 UKV 300 UKV 500 |
| AMS 10-8 / HBS 05-12 | |||||||
| AMS 20-6 / HBS 20-6 | |||||||
| F2040 – 6 | |||||||
| F2040 – 8 | |||||||
| S2125 – 8 | |||||||
| AMS 10-12 / HBS 05-12 | VST 11 | ||||||
| F2040 – 12 | |||||||
| S2125 – 12 | |||||||
| AMS 10-16 / HBS 05-16 | VST 20 | VPB 500 | |||||
| F2040 – 16 |
COMPATIBLE AIR/WATER HEAT PUMPS
In some air/water heat pumps, manufactured before or during 2019, the circuit board must be updated in order to be compatible with SMO S40.
| Air/water heat pump | Lowest compatible software version |
| NIBE SPLIT HBS 05 (AMS 10, HBS 05) | v37 (AA23 communication board) |
| NIBE SPLIT HBS 20 (AMS 20, HBS 20) | all |
| F2030 | v129 |
| F2040 | v37 (AA23 communication board) |
| S2125 | v129 |
| F2300 | all |
Delivery and handling
Supplied components

Open front hatch

Open USB cover

Removing the front panel
Loosen the screws slightly using a screwdriver. Lift the bottom edge of the front cover on the control module and unhook the cover at the upper edge.

Mounting
Use all mounting points and mount the module upright, flat against the wall. Leave at least 100 mm of free space around the module to allow access and make cable routing easier during installation and servicing.
Caution
The screw type must be adapted to the surface on which installation is taking place.
Caution
Screws for removing the front cover are reached from underneath.
SMO S40
- If the hole for cable routing on the rear needs to be used, remove the piece of plastic by pressing it out with a suitable tool.

- Remove the display by moving it to the left. Detach the cable from the lower edge

- Mark the position of the two upper screws using a pen. Screw in the two upper screws.

- Hook SMO S40 onto the screws on the wall.

- Refit the display. Screw SMO S40 into place at the lower edge with the two remaining screws.

The Control Module Design

ELECTRICAL COMPONENTS
| AA2 | Base card F1 | Fine wire fuse, 4AT |
| AA4 | Display unit | |
| AA100 | Joint card | |
| F1 | Fine wire fuse, 6.3AT | |
| F2 | Fine wire fuse, 6.3AT | |
| X1 | Terminal block, power supply | |
| X2 | Terminal block, earth | |
| X3 | Terminal block (N) | |
| X4 | Terminal block (L) | |
| X5 | Terminal block (QN10, GP10, GP12.1-EB101, GP12.2-EB102) | |
| X6 | Terminal block AUX outputs (AUX11) | |
| X7 | Terminal block AUX outputs (AUX10) | |
| X8 | Terminal block, additional heat | |
| X9 | Terminal block, external connection options | |
| X10 | Terminal block AUX inputs, external connection options (selectable AUX 1–6) | |
| X11 | Terminal block, external connections | |
| X12 | Terminal block (GND) | |
| X13 | Terminal block (GND) | |
| X14 | Terminal block, external connections | |
| SF1 | On/off button | |
| XF3 | USB socket | |
| XF8 | Network connection for myUplink | |
OTHER COMPONENTS
| PZ3 | Serial number plate |
| UB1 | Cable grommet, incoming supply electricity, power for accessories |
| UB2 | Cable grommet, communication |
Designations according to standard EN 81346-2.
Installing the installation
General
Pipe installation must be carried out in accordance with applicable regulations. See manual for compatible NIBE air/water heat pump for installation of the heat pump.
The pipe dimension should not be less than the recommended pipe diameter according to the table. However, each system must be dimensioned individually to manage the recommended system flows.
MINIMUM SYSTEM FLOWS
The installation must be dimensioned at least to manage the minimum defrosting flow at 100% pump operation, see table.
| Air/water heat pump | Minimum flow during de- frosting (100% pump speed (l/s) | Minimum re- commended pipe dimen- sion (DN) | Minimum re- commended pipe dimen- sion (mm) |
| AMS 10-6/ HBS 05-6 | 0.19 | 20 | 22 |
| AMS 10-8/ HBS 05-12 | |||
| AMS 10-12/ HBS 05-12 | 0.29 | 20 | 22 |
| AMS 10-16/ HBS 05-16 | 0.39 | 25 | 28 |
| Air/water heat pump | Minimum flow during de- frosting (100% pump speed (l/s) | Minimum re- commended pipe dimen- sion (DN) | Minimum re- commended pipe dimen- sion (mm) |
| AMS 20-6/ HBS 20-6 | 0.19 | 20 | 22 |
| Air/water heat pump | Minimum flow during de- frosting (100% pump speed(l/s) | Minimum re- commended pipe dimen- sion (DN) | Minimum re- commended pipe dimen- sion (mm) |
| F2040-6 | 0.19 | 20 | 2 |
| F2040-8 | |||
| F2040-12 | 0.29 | 20 | 22 |
| F2040-16 | 0.39 | 25 | 28 |
| Air/water heat pump | Minimum flow during de- frosting (100% pump speed (l/s) | Minimum re- commended pipe dimen- sion (DN) | Minimum re- commended pipe dimen- sion (mm) |
| S2125-8 (1x230V) | 0.32 | 25 | 28 |
| S2125-12 (1x230V) |
| Air/water heat pump | Minimum flow during de- frosting (100% pump speed (l/s) | Minimum re- commended pipe dimen- sion (DN) | Minimum re- commended pipe dimen- sion (mm) |
| F2300-20 | 0.47 | 32 | 35 |
NOTE
An undersized system can result in damage to the product and lead to malfunctions.
Symbol key
| Symbol | Meaning |
| Unit box | |
| Shut-off valve | |
| Tapping valve | |
| Non-return valve | |
| Mixing valve | |
| Circulation pump | |
| Expansion vessel | |
| Filterball | |
| Pressure gauge | |
| Particle filter | |
| Safety valve | |
| Temperature sensor | |
| Trim valve | |
| Reversing valve/shunt | |
| Heat exchanger | |
| Overflow valve | |
| Under floor heating systems | |
| Control module | |
| Cooling system | |
| Air/water heat pump | |
| Pool | |
| Radiator system | |
| Domestic hot water | |
| Addition | |
| Water heater |
Connecting air/water heat pump
You can find a list of compatible air/water heat pumps in section “System solutions”.
Caution
Also, consult the Installer Manual for your air/water heat pump.
Install as follows:
- expansion vessel
- pressure gauge
- safety valve / safety valves
Some heat pump models have a factory-fitted safety valve for the heating medium. - drain valve
For draining the heat pump during prolonged power failures.
Only for heat pumps that do not have a gas separator. - non-return valve
Installations with only one heat pump: a non-return valve is only required in those cases where the placement of the products in relation to each other can cause self-circulation.
Cascade installations: each heat pump must be fitted with a non-return valve.
If the heat pump is already fitted with a non-return valve, there is no need to install another. - charge pump
- shut-off valve
To facilitate any future servicing. - filterball or particle filter
Installed before connection “heating medium return” (XL2) (the lower connection) on the vacuum pump.
In installations with a particle filter, the filter is combined with an additional shut-off valve. - reversing valve.
If the system is to work with both a climate system and a water heater. - trim valve
When connecting to control module and hot water heater.

Climate system
A climate system is a system that regulates the indoor temperature with the help of the control system in SMO S40 and, for example, radiators, underfloor heating, underfloor
cooling, fan coils, etc.
CONNECTING THE CLIMATE SYSTEM
Install as follows:
- supply temperature sensor (BT25)
The sensor indicates when the heat pump will start to produce heating/cooling for the climate system. - When connecting to systems with thermostats on all radiators/underfloor heating coils, some of the thermostats must be removed to ensure there is sufficient flow and heat generation.

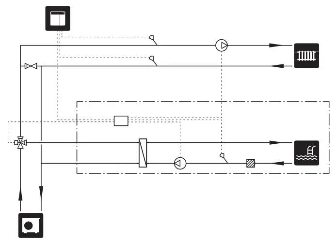
Cold and hot water
Hot water production is activated in the start guide or in menu 7.1.1 – “Hot water”.
Stop temperature for hot water must be at least 60°C.
CONNECTING THE HOT WATER HEATER
Install as follows:
- controlling hot water sensor (BT6)
The sensor is placed in the middle of the water heater. - displayed hot water sensor (BT7)
1 The sensor is optional and is placed in the top of the water heater. - shut-off valve
- non-return valve
- expansion relief valve
The expansion relief valve must have a maximum 0.6 MPa (6.0 bar) opening pressure and be installed on the incoming domestic water line as shown. - mixing valve
A mixing valve must be installed when the factory setting for hot water is changed. National regulations must be observed. - pressure relief valve
- expansion vessel
The expansion vessel (CM4) accommodates expansion that results from heating the water inside the unit. The expansion vessel must be connected between the expansion relief valve (FL1) and the water heater. The location of the expansion vessel should allow access to recharge the pressure when neccessary. - tundish 1 The sensor is factory fitted on some water heater/accumulator tank models from NIBE.

Installation alternative
SMO S40 can be installed in several different ways, some of which are shown here.
More information about the alternatives is available at nibe.co.uk and in the relevant assembly instructions for the accessories used. See section “Accessories” for a list of the accessories that can be used with SMO S40.
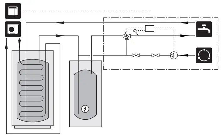
HOT WATER CIRCULATION
A circulation pump can be controlled by SMO S40 to circulate the hot water. The circulating water must have a temperature that prevents bacterial growth and scalding, and national standards must be satisfied.
The HWC return is connected to a freestanding water heater.
The circulation pump is activated via the AUX output in menu
7.4 -“Selectable in/outputs”.

EXTERNAL HEATING MEDIUM PUMP
In installations where there is a large pressure drop in the system, an external heating medium pump (GP10) can be used as a supplement.
The installation can also be supplied with an external heating medium pump, if you want a constant flow in the climate system.
The heating medium pump is supplemented with an external return line sensor (BT71) and a non-return valve (RM1).
If the installation does not have an external supply temperature sensor (BT25), install this as well.

BUFFER VESSEL UKV
UKV is an accumulator tank that is suitable for connection to a heat pump or another external heat source, and can have several different applications. It can also be used during external control of the heating system.
The image shows UKV flow equalisation.

ADDITION
On cold days of the year, when the availability of energy from the air is lower, the additional heating can compensate and help to produce heat. The additional heating is also good to have as assistance, if the heat pump ends up outside its working range or if it has been blocked for any reason.
Step-controlled/shunt-controlled additional heat
SMO S40 can, via a control signal, control step-controlled or shunt-controlled additional heat, which can also be prioritised.
The additional heat is used for heat production.
Step-controlled additional heat before QN10
The additional heat is connected before the reversing valve (QN10) and is controlled via a control signal from SMO S40.
The additional heat can be used for producing both hot water and heating.
The installation is supplemented with a supply temperature sensor after additional heat (BT63).

FIXED CONDENSING
If the heat pump is to work towards an accumulator tank with fixed condensing, you must connect an external supply
temperature sensor (BT25). The sensor is placed in the tank. The following menu settings are made:
Menu | Menu setting (local variations may be required) |
| 1.30.4 – min. flow line temp. heating | Desired temperature in the tank. |
| 1.30.6 – max flow line temperat- ure | Desired temperature in the tank. |
| 7.1.2.1 – op. mod heat med pump | intermittent |
| 4.1 – op. mode | manual |

COOLING
Cooling in 2-pipe system
Cooling and heating are distributed via the same climate system.
When there is a risk of condensation, components and climate systems must be insulated against condensation in accordance with current standards and provisions.

Cooling in 4-pipe system
With the accessory NIBE AXC 30, separate cooling and heating systems can be connected via a reversing valve.
To connect the supply temperature sensor for cooling (BT64) and the reversing valve for cooling (QN12), see section “Connections”.

EXTRA CLIMATE SYSTEM
In buildings with several climate systems that require different supply temperatures, the accessory ECS 40/ECS 41 can be connected.
A shunt valve then lowers the temperature to the underfloor heating system, for example.

POOL
With the POOL 40 accessory, you can heat the pool with your system.
During pool heating, the heating medium circulates between the heat pump and the pool exchanger using the heat pump’s charge pump.

Electrical connections
General
- Electrical installation and wiring must be carried out in accordance with national provisions.
- Disconnect SMO S40 before insulation testing the house wiring.
- If the property is equipped with an RCD, the installation should be equipped with a separate one.
- SMO S40 must be installed via an isolator switch. The cable area has to be dimensioned based on the fuse rating used.
- Use a screened cable for communication with the heat pump.
- To prevent interference, sensor cables to external connections must not be laid close to high voltage cables.
- The minimum area of communication and sensor cables to external connections must be 0.5 mm² up to 50 m, for example EKKX, LiYY or equivalent.
- When cable routing in SMO S40, the cable grommets (UB1 and UB2) must be used.
- Max load relay outputs on the joint board AA100, see section “Technical specifications”.
- For an electrical wiring diagram for SMO S40, see the “Technical specifications” section.

NOTE
Do not start the system before filling up with water Components in the system could be damaged.
NOTE
Electrical installation and any servicing must be carried out under the supervision of a qualified electrician. Disconnect the current using the circuit breaker before carrying out any servicing.
ACCESSIBILITY, ELECTRICAL CONNECTION
See section “Removing the front panel”.
CABLE LOCK
Use a suitable tool to release/lock cables in the heat pump terminal blocks.
Terminal block

Connections
TERMINAL BLOCKS
The following terminal blocks are used on the joint board (AA100).

POWER CONNECTION
Supply voltage
The incoming cable must be connected to terminal block AA100-X1. Tightening torque: 0.5 – 0.6 Nm.
![]()
Tariff control
If the voltage to the compressor in the air/water pump is lost for a certain period, this must be blocked simultaneously via the selectable inputs, see section “Selectable in/outputs – Possible selections for AUX inputs”. Compressor blocking must be performed either on the control module or on the air/water heat pump, not on both at the same time.
EXTERNAL CONNECTIONS
Charge pump for heat pump 1 and 2
Connect circulation pump (AA35-GP12.1-EB101) to the terminal block AA100-X2 (PE), AA100-X3 (N) and AA100-X5:3 (230 V).
See section “Max load relay outputs on AA100”.
Control signal for AA35-GP12.1-EB101 is connected to terminal block AA100-X12:1 (Pulse/0–10V) (PWM1) and GND on any block X13.
If two heat pumps are connected to SMO S40 the circulation pump (AA35-GP12.2-EB102) must be connected to the terminal block AA100-X2 (PE), AA100-X3 (N) and AA100-X5:4 (230 V). Control signal for (AA35-GP12.2-EB102) is connected to terminal block AA100-X12:3 (Pulse/0–10V) (PWM0) and GND on any block X13.
TIP
Two charge pumps can be connected to and controlled by SMO S40. Several charge pumps can be connected, if accessory boards (AXC) are used, two pumps per board.

Sensors
Temperature sensor installation on pipe

The temperature sensors are fitted using heat conducting paste, cable ties (the first cable tie is secured to the pipe in the middle of the sensor and the other cable tie is mounted approx. 5 cm after the sensor) and aluminium tape. Then insulate them using the enclosed insulation tape.
Outside sensor
The outdoor temperature sensor (BT1) is placed in the shade on a wall facing north or north-west, so it is unaffected, for example, by the morning sun.
Connect the outdoor temperature sensor to terminal block AA100-X10:1 and AA100-X11:GND.
If a conduit is used it must be sealed to prevent condensation in the sensor capsule.

Temperature sensor, hot water charging
The temperature sensor, hot water charging (BT6) is placed in the submerged tube on the water heater. Connect the sensor to terminal block AA100-X10:3 and AA100-X11:GND.
Settings for hot water are made in menu 2 “Hot water”.

Temperature sensor, hot water top
A temperature sensor for hot water top (BT7) can be connected to SMO S40 to show the water temperature at the top of the tank (if it is possible to install a sensor at the top of the tank).
Connect the sensor to terminal block AA100-X10:4 and AA100-X11:GND.

External return line sensor
Connect an external return line sensor (BT71) to terminal block AA100-X10:6 and AA100-X11:GND.

External supply temperature sensor
Connect an external supply temperature sensor (BT25) to terminal block AA100-X10:5 and AA100-X11:GND.

Room sensor
SMO S40 is supplied with an enclosed room sensor (BT50) that makes it possible to display and control the room temperature.
Fit the room sensor in a neutral position where a set temperature is required. A suitable location might be, for example, on a free inner wall in a hall approx. 1.5 m above the floor. It is important that the room sensor is not obstructed from measuring the correct room temperature, for example by being located in a recess, between shelves, behind a curtain, above or close to a heat source, in a draught from an external door or in direct sunlight. Closed radiator thermostats can also cause problems.
SMO S40 operates without room sensor, but if you want to read the home’s indoor temperature from the display on SMO S40, the room sensor must be fitted. Connect the room sensor to terminal block AA100-X10:2 and AA100-X11:GND.
If a room sensor is to be used to change the room temperature in °C and/or to fine-tune the room temperature, the sensor must be activated in menu 1.3 – “Room sensor settings”.
If a room sensor is used in a room with underfloor heating, it should only have an indicatory function, not control of the room temperature.

Caution
Changes of temperature in accommodation take time. For example, short time periods in combination with underfloor heating will not give a noticeable difference in room temperature.
Pulse energy meter
Up to three electricity meters (BE6, BE7, BE8) or energy meters for heating (BF2, BF3, BF1) can be connected to SMO S40 via terminal block and AA100-X14:8-9, AA100X14:10-11 and AA100-X14:6-7.
Caution
The EMK accessory is connected to the same terminal blocks as electricity meters/energy meters.

Activate the meter(s) in menu 7.2 – “Accessory settings” and then set the desired value (“Energy per pulse” or “Pulses per kWh”) in menu 7.2.19 -“Pulse energy meter”.
Load monitor
Integrated load monitor
SMO S40 is equipped with a simple form of integrated load monitor, which limits the power steps for the electric additional heat by calculating whether future power steps can be connected to the relevant phase without exceeding the current for the specified main fuse. In those cases where the current would exceed the specified main fuse, the power step is not permitted. The size of the property’s main fuse is specified in menu 7.1.9 – “Load monitor”.
Load monitor with current sensor
When many power-consuming products are connected in the property at the same time as the electric additional heat is operating, there is a risk that the property’s main fuse will trip. SMO S40 is equipped with a load monitor that, with the help of a current sensor, controls the power steps for the electric additional heat by redistributing the power between the different phases or disengages the electric additional heat if there is an overload in a phase. Reconnection occurs when the other current consumption drops.
Caution
Activate phase detection in menu 7.1.9 for full functionality, if current sensors are installed.
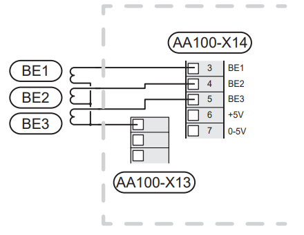
Connecting current sensors
NOTE
If the installed air/water heat pump is frequency controlled, it will be limited when all power stages are disconnected.
A current sensor should be installed on each incoming phase conductor in to the distribution box to measure the current.
The distribution box is an appropriate installation point.
Connect the current sensors to a multi-core cable in an enclosure directly adjacent to the electrical distribution unit.
The multi-core cable between the enclosure and SMO S40 must have a cable area of at least 0.5 mm².

Connect the sensor to terminal block AA100-X14:BE1-BE3 and to any terminal block on AA100-X13:GND.

Step controlled additional heat
NOTE
If external voltage is used, mark any junction boxes with warnings for external voltage.
Step-controlled additional heat before the reversing valve
External step-controlled additional heat can be controlled by up to three potential-free relays in the control module (3 step linear or 7 step binary).
The electric additional heat will charge with the maximum number of steps, together with the compressor, to finish the hot water charging and return to charging the heating as soon as possible. This only occurs when the number of degree minutes is below the start value for the additional heat.
See section “Max load relay outputs on AA100”.
Step-controlled additional heat after the reversing valve
External step-controlled additional heat can be controlled by two relays (2 step linear or 3 step binary), which means that the third relay is used to control the immersion heater in the water heater/accumulator tank.
With the AXC 30 accessory, a further three potential-free relays can be used for additional heat control, which then gives an additional 3 linear or 7 binary steps.
Step in occurs with at least 1 minute interval and step outs with at least 3 seconds interval.
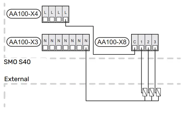
Step 1 is connected to terminal block AA100-X8:1.
Step 2 is connected to terminal block AA100-X8:2.
Step 3 is connected to terminal block AA100-X8:3.
The settings for step controlled additional heat are made in menu 7.1.5.
If the relays are to be used for control voltage, bridge the supply from terminal block AA100-X4:L to terminal block
AA100-X8:C. Connect the neutral conductor to AA100-X3:N.

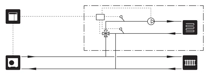
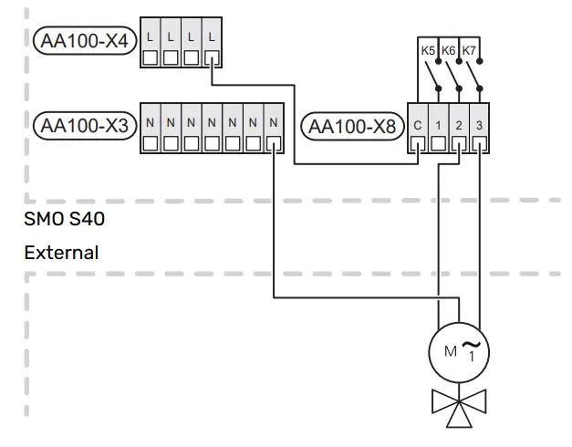
Shunt controlled additional heat
NOTE
Mark up any junction boxes with warnings for external voltage.
This connection enables an external additional heater, e.g.
an oil boiler, gas boiler or district heating exchanger to aid with heating.
SMO S40 controls a shunt valve and start signal for the additional heat using three relays. If the installation cannot manage to maintain the correct supply temperature, the additional heat starts. When the boiler sensor (BT52) shows 55 °C, SMO S40 sends a signal to the shunt (QN11) to open from the additional heat. The shunt (QN11) is controlled to ensure that the true supply temperature corresponds with the control system’s theoretically calculated set point value.
When the heating demand drops sufficiently, so additional heat is no longer required, the shunt (QN11) closes completely.
Factory-set minimum operating time for the boiler is 12 hours (can be adjusted in menu 7.1.5).
The settings for shunt controlled additional heat are made in menu 7.1.5.
The boiler sensor (BT52) is connected to selectable AUX inputs and selected in menu 7.4.
Connect the shunt motor (QN11) to terminal blocks AA100X8:2 (230 V, close) and 3 (230 V, open) and terminal block AA100-X3:N.
To control switching the additional heat on and off, connect it to terminal block AA100-X8:1.
If the relays are to be used for operating voltage, bridge the supply from terminal block AA100-X4:L to terminal block AA100-X8:C.

External circulation pump (GP10)
Connect the external circulation pump (GP10) to terminal block AA100-X2:PE, AA100-X3:N and AA100-X5:2 (230 V) as illustrated. See section “Max load relay outputs on AA100”.

Reversing valve, heating/hot water
SMO S40 can be supplemented with an external reversing valve (QN10) for hot water control. (See “Accessories” section.)
Hot water production can be selected in menu 7.2.1.
Connect the external reversing valve (QN10) to terminal block AA100-X3:N (AA100-X5:1), (control) and AA100-X4:L, as illustrated. See section “Max load relay outputs on AA100”.

COMMUNICATION
Communication with heat pump
When SMO S40 is to be connected to the heat pump, this is connected to terminal block X9:4 (A), X9:5 (B) and X9:6 (GND) on the joint board (AA100). Use a screened cable. The cable’s screen is connected to the cable clamp intended for the purpose.
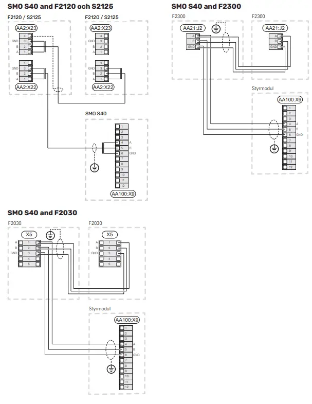
SMO S40 and F2040 / NIBE SPLIT HBS
F2040, HBS 05 / 20 SMO S40 F2040 / HBS 05 Styrmodul

SMO S40 and F2120 / S2125
F2120 / S2125 SMO S40
SMO S40 and F2030
SMO S40 and F2300

Multi-installation
Caution
Up to 8 air/water heat pumps can be controlled by SMO S40.
Caution
It is possible to combine various NIBE air/water heat pumps, of different sizes and models, with each other.
If several heat pumps are to be connected to SMO S40 these must be connected in cascade as illustrated.
SMO S40 and F2040 / NIBE SPLIT HBS

SMO S40 and F2120 och S2125

Connecting accessories
Instructions for connecting accessories are provided in the manual accompanying the accessory. See section “Accessories” for a list of the accessories that can be used with SMO S40. Connection for communication with the most common accessories is shown here.
Accessories with accessory board (AA5)
Accessories with accessory board (AA5) are connected to the control module’s terminal block AA100-X9:8–10.
If several accessories are to be connected, or are already installed, the boards are connected in series.
Because there can be different connections for accessories with accessory board (AA5), you should always read the instructions in the manual for the accessory that is to be installed.

SELECTABLE IN/OUTPUTS
SMO S40 has software-controlled AUX inputs and outputs for connecting the external switch function (contact has to be potential-free) or sensor.
In menu 7.4 – “Selectable in/outputs”, you select the AUX connection to which each function has been connected.
For certain functions, accessories may be required.
TIP
Some of the following functions can also be activated and scheduled via menu settings.
Selectable inputs
Selectable inputs on the joint board (AA100) for these functions are AA100-X10:7-12. Each function connects to any input and GND (AA100-X11).

Selectable outputs
Selectable outputs AA100-X6 and AA100-X7.
The outputs are potential-free switching relays.
If SMO S40 is switched off or in emergency mode, the relay is in C-NC position.

TIP
The AXC accessory is required, if more than two functions are to be connected to the AUX outputs.
See section “Max load relay outputs on AA100”.
Possible selection for AUX inputs Temperature sensor
Available options are:
- hot water start (BT5)
- boiler (BT52) (only shown if shunt-controlled additional heat is selected in menu 7.1.5 – “Add. heat”)
- supply temperature sensor for cooling (BT64) (used when “active cooling in 4-pipe system” has been activated in the output AUX 10 (AA100-X6) or AUX 11 (AA100-X7))
- When several room sensors have been installed, you can select which one of them will be controlling in menu 1.3.3 – “Room sensor settings”.
When (BT74) has been connected and activated in menu 7.x, no other room sensor can be selected in menu 1.3.3. - additional heat (BT63), is used when docking “step-controlled additional heat before reversing valve for hot water” in order to measure the temperature after the additional heat.
- it is possible to connect two own sensors (BT37.1, BT37.2).
Monitor
Available options are:
- alarm from external units. The alarm is connected to the control, which means that the malfunction is presented as an information message in the display. Potential-free signal of type NO or NC.
- stove monitor. (A thermostat that is connected to the chimney. When the negative pressure is too low and the thermostat is connected, the fans in ERS (NC) are switched off.
- pressure switch for climate system (NC).
External activation of functions
An external switch function can be connected to SMO S40 to activate various functions. The function is activated during the time the switch is closed.
Possible functions that can be activated:
- hot water demand mode “More hot water”
- hot water demand mode “Small”
- “External adjustment”
When the switch is closed, the temperature is changed in °C (if a room sensor is connected and activated). If a room sensor is not connected or not activated, the desired change of “Temperature” (“Offset”) is set with the number of steps selected. The value is adjustable between -10 and +10. External adjustment of climate systems 2 to 8
requires accessories.
– climate system 1 to 8 Setting the value for the change is performed in menu
1.30.3 – “External adjustment”. - activation of one of four fan speeds.
(Can be selected if ventilation accessory is activated.)
The following options are available:
– “Activate fan speed 1 (NO)” – “Activate fan speed 4 (NO)”
– “Activate fan speed 1 (NC)”
The fan speed is activated during the time the switch is closed. Normal speed is resumed when the switch is opened again. - SG ready
Caution
This function can only be used in mains networks that support the “SG Ready” standard.
“SG Ready” requires two AUX inputs.
If this function is wanted, it must be connected to terminal block X10 on the joint board (AA100).
“SG Ready” is a smart form of tariff control, through which your electricity supplier can affect the indoor, hot water and/or pool temperatures (if applicable) or simply block
the additional heating and/or the compressor in the heat pump at certain times of the day (can be selected in menu 4.2.3 after the function has been activated). Activate thefunction by connecting potential-free switch functions to two inputs selected in menu 7.4 – “Selectable in/outputs” (SG Ready A and SG Ready B).
Closed or open switch means one of the following:
– Blocking (A: Closed, B: Open)
“SG Ready” is active. The compressor in the air/water heat pump and additional heat are blocked in the same way as current tariff blocking.
– Normal mode (A: Open, B: Open)
“SG Ready” is not active. No effect on the system.
– Low price mode (A: Open, B: Closed)
“SG Ready” is active. The system focuses on costs savings nd can for example exploit a low tariff from the electricity supplier or over-capacity from any own power source (effect on the system can be adjusted in the menu 4.2.3).
– Overcapacity mode (A: Closed, B: Closed)
“SG Ready” is active. The system is permitted to run at full capacity at over capacity (very low price) with the electricity supplier (effect on the system is settable in menu 4.2.3).
(A = SG Ready A and B = SG Ready B )
External blocking of functions
An external switch function can be connected to SMO S40 for blocking various functions. The switch must be potentialfree and a closed switch results in blocking.
NOTE
Blocking entails a risk of freezing.
Functions that can be blocked:
- heating (blocking of heating demand)
- cooling (blocking cooling requirement)
- hot water (hot water production). Any hot water circulation (HWC) remains in operation.
- compressor in heat pump EB101 and/or EB102
- internally controlled additional heat
- tariff blocking (additional heat, compressor, heating, cooling and hot water are disconnected)
- Possible selections for AUX outputs Indications
- alarm
- cooling mode indication (can be selected when the heat pump is permitted to produce cooling)
- holiday
- away mode
- low electricity price (Smart Price Adaption)
- photovoltaic control (Can be selected when the accessory EME 20 is activated.) Control
- circulation pump for hot water circulation
- external heating medium pump
- active cooling in a 4-pipe system (can be selected when the air/water heat pump is permitted to run cooling)
- additional heat in charge circuit
NOTE
The relevant distribution box must be marked with a warning about external voltage. Connecting external circulation pump An external circulation pump is connected to the AUX output, as illustrated below. See section “Max load relay outputs on AA100”.

Settings
ELECTRIC ADDITIONAL HEAT – MAXIMUM
OUTPUT
Setting maximum number of steps in the electric additional heat is done in menu 7.1.5.1.
EMERGENCY MODE
Emergency mode is used in event of operational interference and in conjunction with service.
When SMO S40 is put into emergency mode, the system works as follows:
- SMO S40 prioritises heating production.
- Hot water is produced if possible.
- The load monitor is not active.
- Fixed supply temperature if the system has no value from the outdoor temperature sensor (BT1).
You can activate the emergency mode both when SMO S40 is running and when it is switched off. When the emergency mode is active, the status lamp is yellow. To activate when SMO S40 is running: press and hold the on/off button (SF1) for 2 seconds and select “emergency mode” from the shutdown menu.
To activate emergency mode when SMO S40 is switched off: press and hold the on/off button (SF1) for 5 seconds. (Deactivate the emergency mode by pressing once.)
Commissioning and adjusting
Preparations
- SMO S40 must be ready-connected.
- The climate system must be filled with water and bled.
Commissioning
WITH NIBE AIR/WATER HEAT PUMP
Follow the instructions in the heat pump’s Installer Manual under section “Commissioning and adjustment” – “Start-up and inspection”.
SMO S40
- Power-up the heat pump. The heat pump may need to be preheated, depending on the outdoor temperature.
- Power SMO S40.
- Follow the instructions in the display’s start guide. If the start guide does not start when you start the SMO S40start it manually in menu 7.7.
Commissioning with additional heating only
- Go to menu 4.1 “Operating mode”.
- Mark “Additional heat only”.
Check the reversing valve
- Activate “Reversing valve (QN10)” in menu 7.5.3 “Forcedcontrol”. Check that the reversing valve for heating/hot water (QN10) opens or is open for hot water charging.
- Deactivate “Reversing valve (QN10)” in menu 7.5.3 “Forced control”.
Start-up and inspection
START GUIDE
NOTE
There must be water in the climate system before SMO S40 is started.
- Start SMO S40 by pressing the on/off button (SF1).
- Follow the instructions in the display’s start guide. If the start guide does not start when you start the SMO S40, you can start it manually in menu 7.7.
TIP
See the section “Control – Introduction” for a more detailed introduction to the installation’s control system (operation, menus, etc.).
Commissioning
The first time the installation is started a start guide is started.
The start guide instructions state what needs to carried out at the first start together with a run through of the installation’s basic settings.
The start guide ensures that the start-up is carried out correctly and, for this reason, cannot be skipped.
During the start-up guide, the reversing valves and the shunt are run back and forth to help vent the heat pump.
Caution
As long as the start guide is active, no function in SMO S40 will start automatically.
Operation in the start guide

A. Page
Here you can see how far you have come in the start guide.
Drag to the right or left with your finger to browse between the pages.
You can also press the arrows in the top corners to browse.
B. Menu number
Here, you can see which menu in the control system this page of the start guide is based on.
If you want to read more about the affected menu, either consult its help menu or read the Installer Manual.
C. Option / setting
Make settings for the system here.
Setting the cooling/heating curve
In the menus “Curve, heating” and “Curve, cooling”, you can see the heating and cooling curves for your house. The
purpose of the curves is to provide an even indoor temperature, regardless of the outdoor temperature, and thereby energy-efficient operation. Based on these curves, SMO S40 determines the temperature of the water to the climate system (the supply temperature) and thus the indoor temperature.
CURVE COEFFICIENT
The slopes of the heating /cooling curves indicate how many degrees the supply temperature is to be increased/reduced when the outdoor temperature drops/increases. A steeper slope means a higher supply temperature for heating or a lower supply temperature for cooling at a certain outdoor temperature.

The optimum curve slope depends on the climate conditions in your location, whether the house has radiators, fan coils or underfloor heating and how well insulated the house is.
The heating/cooling curves are set when the heating/cooling system is installed, but may need adjusting later. Thereafter, the curves should not need further adjustment.
CURVE OFFSET
An offset of the heating curve means that the supply temperature changes by the same amount for all outdoor temperatures, e.g. a curve offset of +2 steps increases the supply temperature by 5 °C at all outdoor temperatures. A corresponding change to the cooling curve results in a lowering of the supply temperature.

SUPPLY TEMPERATURE – MAXIMUM AND MINIMUM VALUES
Because the supply temperature cannot be calculated higher than the set maximum value or lower than the set minimum value, the curves flatten out at these temperatures.

Caution
With underfloor heating systems, the maximum supply temperature is normally set between 35 and 45 °C.
Caution
Must be restricted with underfloor cooling min.
flow line temp. to prevent condensation.
ADJUSTMENT OF CURVE

- Select the climate system (if more than one) for which the curve is to be changed.
- Select curve and offset.
- Select max and min supply temperature.
Caution
Curve 0 means that “Own curve” is used.
Settings for “Own curve” are made in menu 1.30.7.
TO READ OFF A HEATING CURVE
- Drag in the circle on the axis with outdoor temperature.
1 A low-temperature radiator system refers to a system where the supply temperature needs to be 55 °C on the coldest day.
2 Underfloor heating may be dimensioned very differently. The above example refers to a system where the supply temperature needs to be approximately 35 – 40 °C or 45 – 50 °C on the coldest day. - Read off the value for supply temperature in the circle on the other axis.
BASIC VALUES FOR THE AUTOMATIC HEATING CONTROL
The values stated on the map apply to “Curve, heating” in menu 1.30.1.
- The first value applies to low temperature radiator systems 1
. ” Temperature” in menu 1.1 must be set to -2. - The value in brackets refers to underfloor heating systems 2 installed in concrete floor structures.
- When the system is installed in a timber floor structure, you can use the number before the brackets, although this value must be reduced by two units. “Temperature” in menu 1.1 is set to -1 in these cases.
Caution
The map’s values are usually a good starting point and are intended to produce a room temperature of approximately 20 °C. The values can be adjusted later, if necessary.
Examples of basic values selection:
- House with low temperature radiator system London = Area 15 (8).
Set 15 in menu 1.30.1, “Curve, heating” and -2 in menu 1.1 ” Temperature”. - House with underfloor heating installed in a concrete floor structure London = Area 15 (8).
Set 8 in menu 1.30.1, “Curve, heating” and -2 in menu 1.1 ” Temperature”. - House with underfloor heating installed in a timber floor structure London = Area 15 (8).
Set 13 (see third item in the list above) in menu 1.30.1, “Curve, heating” and -1 in menu 1.1 ” Temperature”.
Caution
An increase in the room temperature can be slowed by the thermostats for the radiators or under floor heating. Therefore, open the thermostat valves fully, except in those rooms where a cooler temperature is required, e.g. bedrooms.

myUplink
With myUplink you can control the installation – where and when you want. In the event of any malfunction, you receive an alarm directly to your e-mail or a push notification to the myUplink app, which allows you to take prompt action. Visit myuplink.com for more information.
Specification
You need the following in order for myUplink to be able to communicate with your SMO S40:
- wireless network or network cable
- Internet connection
- account on myuplink.com
We recommend our mobile apps for myUplink.
Connection
To connect your system to myUplink:
- Select connection type (wifi/Ethernet) in menu 5.2.1 or 5.2.2.
- Scroll down in menu 5.1 and select “Request new connection string”.
- When a connection string has been produced, it is shown in this menu and is valid for 60 minutes.
- If you do not already have an account, register in the mobile app or on myuplink.com.
- Use this connection string to connect your installation to your user account on myUplink.
Range of services
myUplink gives you access to various levels of service. The base level is included and, apart from this, you can choose two premium services for a fixed annual fee (the fee varies depending on the functions selected).
| Service level | Basic | Premium extended history | Premium change set- tings |
| Viewer | X | X | X |
| Alarm | X | X | X |
| History | X | X | X |
| Extended history | – | X | – |
| Manage | – | – | X |
Control – Introduction
Display unit

THE STATUS LAMP
The status lamp indicates current operating status. It:
- lights up white during normal operation.
- lights yellow in emergency mode.
- lights red in the event of a deployed alarm.
- flashes white during active notice.
- is blue when SMO S40 is switched off.
If the status lamp is red, you receive information and suggestions for suitable actions on the display.
TIP
You also receive this information via myUplink.
THE USB PORT
Above the display, there is a USB port that can be used e.g. for updating the software. Log into myuplink.com and click the “General” and then “Software” tab to download the latest version of the software for your installation.
TIP
If you connect the product to the network, you can update the software without using the USB port. See section “myUplink”.
THE ON/OFF BUTTON
The on/off button (SF1) has three functions:
- start
- switch off
- activate emergency mode
To start: press the on/off button once.
To switch off, restart or activate emergency mode: press and hold the on/off button for 2 seconds. This brings up a menu with various options.
For hard switch off: press and hold the on/off button for 5 seconds.
To activate emergency mode when SMO S40 is switched off: press and hold the on/off button (SF1) for 5 seconds.
(Deactivate the emergency mode by pressing once.)
THE DISPLAY
Instructions, settings and operational information are shown on the display.
Navigation
SMO S40 has a touchscreen where you simply navigate by pressing and dragging with your finger.
SELECT
Most options and functions are activated by lightly pressing on the display with your finger.![]()
BROWSE
The dots at the bottom edge show that there are more pages.![]()
Drag to the right or left with your finger to browse between the pages.
SCROLL
If the menu has several sub-menus, you can see more information by dragging up or down with your finger.![]()
CHANGE A SETTING
Press the setting you want to change.
If it is an on/off setting, it changes as soon as you press it.
If there are several possible values, a spinning-wheel appears that you drag up or down to find the desired value.

Press
to save your change, or
if you don’t want to make a change.
FACTORY SETTING
Factory set values are marked with *.
HELP MENU
In many menus there is a symbol that indicates that extra help is available.
Press the symbol to open the help text.
You may need to drag with your finger to see all text.
Menu types
HOME SCREENS
Smartguide
Smartguide helps you both to view information about the current status and to make the most common settings easily. The information that you see depends on the product
you have and the accessories that are connected to the product.
Select an option and press it to proceed. The instructions on the screen help you to choose correctly or give you information about what is happening.

Function pages
On the function pages, you can both view information about the current status and easily make the most common settings.
The function pages that you see depend on the product you have and the accessories that are connected to the product.
Drag to the right or left with your finger to browse between the function pages.

Press the card to adjust the desired value. On certain function pages, drag your finger up or down to obtain more cards.
Product overview
It can be a good idea to have the product overview open during any service cases. You can find it among the function pages.
Here, you can find information about product name, the product’s serial number, the version of the software and service. When there is new software to download, you can do it here (provided that SMO S40 is connected to myUplink).
TIP
You enter the service details in menu 4.11.1.

Drop-down menu
From the home screens, you reach a new window containing further information by dragging down a drop-down menu.

The drop-down menu shows the current status for SMO S40, what is in operation and what SMO S40 is doing at the moment. The functions that are in operation are highlighted with a frame.
Press the icons on the menu’s lower edge for more information about each function. Use the scroll bar to view all information for the selected function.

MENU TREE
In the menu tree, you can find all menus and can make more advanced settings.

You can always press “X” to return to the home screens.

Climate systems and zones
One climate system can contain one or more zones. One zone can be a specific room. It is also possible to divide a large room into several zones, with the help of radiator thermostats.
Each zone can contain one or more accessories, e.g. room sensors or thermostats, both wired and wireless.
OUTLINE DIAGRAM WITH TWO CLIMATE SYSTEMS AND FOUR ZONES

This example shows a property with two climate systems (A and B) divided into four zones (1-4). Temperature and demand-controlled ventilation can be controlled individually for each zone (accessory required).
Menu 1 – Indoor climate
OVERVIEW
| 1.1 – Temperature | 1.1.2 – Cooling |
| 1.2 – Ventilation¹ | 1.1.3 – Humidity¹ |
| 1.1.1 – Heating | |
| 1.2.1 – Fan speed | |
| 1.3 – Room sensor settings | 1.2.2 – Night cooling¹ |
| 1.2.4 – Demand controlled ventilation¹ | |
| 1.2.5 – Fan return time | |
| 1.2.6 – Filter cleaning interval¹ | |
| 1.2.7 – Ventilation recovery¹ | |
| 1.3.4 – Zones | |
| 1.4 – External influence | 1.3.4 – Zones |
| 1.5 – Climate system name | |
| 1.30 – Advanced | 1.30.2 – Curve, cooling |
| 1.30.3 – External adjustment | |
| 1.30.4 – Lowest supply heating | |
| 1.30.5 – Lowest supply cooling | |
| 1.30.6 – Highest supply heat | |
| 1.30.7 – Own curve | |
| 1.30.8 – Point offset | |
| 1.30.1 – Curve, heating |
¹Consult the accessory’s Installer Manual.
MENU 1.1 – TEMPERATURE
Here, you make temperature settings for your installation’s climate system.
If there is more than one zone and/or climate system, the settings are made for each zone/system.
MENU 1.1.1, 1.1.2 – HEATING AND COOLING
Set the temperature (with room sensor installed and activated):
Heating
Setting range: 5 – 30 °C
Cooling
Setting range: 5 – 35°C
The value in the display appears as a temperature in °C, if the zone is controlled by a room sensor.
Caution
A slow climate system, such as underfloor heating, may be unsuitable for controlling with room sensors.
Setting the temperature (without room sensors activated):
Setting range: -10 – 10
The display shows the set value for heating/cooling (curve offset). To increase or reduce the indoor temperature, increase or reduce the value in the display.
The number of steps the value has to be changed in order to achieve a one degree change to the indoor temperature depends on the climate system. One step is usually enough, but in some cases several steps may be required.
If multiple zones in a climate system do not have activated room sensors, these will have the same curve offset.
Set the desired value. The new value is shown on the righthand side of the symbol on home screen heating/home screen cooling.
Caution
An increase in the room temperature can be slowed by the thermostats for the radiators or under floor heating. Therefore, open the thermostats fully, except in those rooms where a cooler temperature is required, e.g. bedrooms.
TIP
If the room temperature is constantly too low/high, you increase/decrease the value by one step in menu 1.1.1.
If the room temperature changes when the outdoor temperature changes, you increase/decrease the curve slope by one step in menu 1.30.1.
Wait 24 hours before making a new setting, so that the room temperature has time to stabilise.
MENU 1.3 – ROOM SENSOR SETTINGS
Here, you make your settings for room sensors and zones.
The room sensors are grouped by zone.
Here, you select the zone to which a sensor will belong. It is possible to connect multiple room sensors to each zone.
Each room sensor can be given a unique name.
The control of heating and cooling is activated by ticking the relevant option. Which options are shown depends on which type of sensor is installed. If control is not activated, the sensor will be the displaying sensor.
Caution
A slow heating system such as underfloor heating may be inappropriate for controlling with room sensors.
If there is more than one zone and/or climate system, the settings are made for each zone/system.
MENU 1.3.4 – ZONES
Here, you add and name zones. You also select the climate system to which a zone is to belong.
MENU1.4 – EXTERNAL INFLUENCE
Information for the accessories/functions that can affect the indoor climate and that are active is shown here.
MENU 1.5 – CLIMATE SYSTEM NAME
You can give the installation’s climate system a name here.
MENU 1.30 – ADVANCED
Menu “Advanced” is intended for the advanced user. This menu has several sub-menus.
“Curve, heating” Setting the heating curve slope.
“Curve, cooling” Setting the cooling curve slope.
“External adjustment” Setting the heating curve offset when the external contact is connected.
“Lowest supply heating” Setting minimum permitted supply temperature during heating operation.
“Lowest supply cooling” Setting minimum permitted supply temperature during cooling operation.
“Highest supply heat” Setting maximum permitted supply temperature for the climate system.
“Own curve” You can create your own heating curve here, if there are special requirements, by setting the desired supply temperatures for different outdoor temperatures.
“Point offset” Select a change in the heating curve at a certain outdoor temperature here. One step is usually enough to change the room temperature by one degree, but in some cases several steps may be required.
MENU 1.30.1 – CURVE, HEATING
Curve, heating
Setting range: 0 – 15
In menu “Curve, heating” you can view the heating curve for your house. The task of the heating curve is to provide an even indoor temperature, regardless of the outdoor temperature. It is from this heating curve that SMO S40 determines the temperature of the water to the climate system, the supply temperature, and therefore the indoor temperature. Here, you can select heating curve and read off how the supply temperature changes at different outdoor temperatures.
TIP
It is also possible to create your own curve. This is done in menu 1.30.7.
Caution
With underfloor heating systems, the maximum supply temperature is normally set between 35 and 45 °C.
TIP
If the room temperature is constantly too low/high, you increase/decrease the curve offset by one step.
If the room temperature changes when the outdoor temperature changes, you increase/decrease the curve slope by one step.
Wait 24 hours before making a new setting, so that the room temperature has time to stabilise.
MENU 1.30.2 – CURVE, COOLING
Curve, cooling
Setting range: 0 – 9
In the “Curve, cooling” menu you can view the cooling curve for your house. The task of the cooling curve is, together with the heating curve, to provide a uniform indoor temperature, regardless of the outdoor temperature, and thereby energy-efficient operation. It is from these curves that SMO S40 determines the temperature of the water to the heating system, the supply temperature, and consequently the indoor temperature. Here, you can select the curve and read how the supply temperature changes at different outdoor temperatures. The number to the right of “system” shows the system for which you have selected the curve.
Caution
Must be restricted with underfloor cooling min.
flow line temp. to prevent condensation.
Cooling in 2-pipe system SMO S40 contains a built-in function for operating cooling in a 2-pipe system down to 7 °C. This requires that the outdoor unit can perform cooling. (See the Installer Manual for your air/water heat pump.) If the outdoor module is permitted to run cooling, the cooling menus are activated in the display on SMO S40.
For operating mode “cooling” to be permitted, the average temperature must be above the set value for “start cooling” in menu 7.1.10.2 “Auto mode setting”. The alternative is to activate cooling by selecting “manual” operating mode in menu 4.1 “Operating mode”.
The cooling settings for the climate system are adjusted in the indoor climate menu, menu 1.
MENU 1.30.3 – EXTERNAL ADJUSTMENT
Climate system
Setting range: -10 – 10
Setting range (if room sensor is installed): 5 – 30 °C Connecting an external contact, for example, a room thermostat or a timer allows you to temporarily or periodically raise or lower the room temperature. When the contact is on, the heat curve offset is changed by the number of steps selected in the menu. If a room sensor is installed and activated the desired room temperature (°C) is set.
If there is more than one climate system, the setting can be made separately for each system and zone.
MENU 1.30.4 – LOWEST SUPPLY HEATING
heating
Setting range: 5 – 80 °C
Set the minimum temperature on the supply temperature to the climate system. This means that SMO S40 never calculates a temperature lower than that set here.
If there is more than one climate system the setting can be made separately for each system.
MENU 1.30.5 – LOWEST SUPPLY COOLING
cooling (heat pump with cooling function required)
Setting range 7 – 30 °C
Alarm, room sensor during cooling operation
Setting range: on/off
Set the minimum temperature on the supply temperature to the climate system. This means that SMO S40 never calculates a temperature lower than that set here.
If there is more than one climate system the setting can be made separately for each system.
Here, you can receive alarms during cooling operation, for example if a room sensor malfunctions.
NOTE
Cooling flow line must be set with regard to which climate system is connected. For example, floor cooling with too low cooling flow line can cause condensation precipitation, which in the worst instance could lead to moisture damage.
MENU 1.30.6 – HIGHEST SUPPLY HEAT
climate system
Setting range: 5 – 80 °C
Here, you set the highest supply temperature for the climate system. This means that SMO S40 never calculates a temperature higher than the one set here.
If there is more than one climate system the setting can be made separately for each system. Climate systems 2 – 8 cannot be set to a higher max supply temperature than climate system 1.
Caution
With underfloor heating systems, “Maximum supply temperature for heating” should normally be set between 35 and 45°C.
MENU 1.30.7 – OWN CURVE
Own curve, heat
Supply temp
Setting range: 5 – 80 °C
Caution
Curve 0 must be selected for own curve to apply.
You can create your own heating curve here, if there are special requirements, by setting the desired supply temperatures for different outdoor temperatures.
Own curve, cooling
Supply temp
Setting range: -5 – 40 °C
Caution
Curve 0 must be selected for own curve to apply.
You can create your own cooling curve here, if there are special requirements, by setting the desired supply temperatures for different outdoor temperatures.
MENU 1.30.8 – POINT OFFSET
outdoor temp. point Setting range: -40 – 30 °C change in curve Setting range: -10 – 10 °C
Select a change in the heating curve at a certain outdoor temperature here. One step is usually enough to change the room temperature by one degree, but in some cases several steps may be required.
The heating curve is affected at ± 5°C from set outdoor temp. point.
It is important that the correct heating curve is selected so that the room temperature is experienced as even.
TIP
If it feels cold in the house at e.g. -2°C, “outdoor temp. point” is set to “-2” and “change in curve” is increased until the desired room temperature is maintained.
Caution
Wait 24 hours before making a new setting, so that the room temperature has time to stabilise.
Menu 2 – Hot water
OVERVIEW
Hot water settings require SMO S40 to be docked to a water heater.
2.1 – More hot water
2.2 – Hot water demand
2.3 – External influence
2.4 – Periodic increase
2.5 – Hot water circulation
MENU 2.1 – MORE HOT WATER
Setting range: 3, 6 and 12 hours, and modes “Off” and “One-time incr.”
When there is a temporary increase in hot water demand, this menu can be used to select an increase in the hot water temperature for a selectable time.
Caution
If demand mode “Large” is selected in menu 2.2, no further increase can be made.
The function is activated directly when a time period is selected.
The remaining time for the selected setting is shown to the right.
When the time has run out, SMO S40 returns to the set demand mode.
Select “Off” to switch off “More hot water”.
MENU 2.2 – HOT WATER DEMAND
Options: Smart control, Small, Medium, Large
The difference between the selectable modes is the temperature of the hot tap water. Higher temperature means that the hot water lasts longer.
Smart control: With Smart control activated, SMO S40 continuously learns the previous hot water consumption and thereby adapts the temperature in the water heater for the minimum energy consumption.
Small: This mode produces less hot water at a lower temperature than the other alternatives. This mode can be used in smaller households with a small hot water demand.
Medium: Normal mode produces a larger amount of hot water and is suitable for most households. Large: This mode produces the most hot water at a higher temperature than the other alternatives. In this mode, the immersion heater may be used to partially heat the hot water.
In this mode, hot water production is prioritised ahead of heating.
MENU2.3 – EXTERNAL INFLUENCE
Information for the accessories/functions that can affect the hot water operation is shown here.
MENU 2.4 – PERIODIC INCREASE
Period
Setting range: 1 – 90 days
Start time
Setting range: 00:00 – 23:59
Next increase
The date when the next periodic increase will occur is shown here.
Here, you can select the length of time between increases in the hot water temperature. The time can be set between 1 and 90 days. Tick/untick “Activated” to start/switch off the function.
MENU 2.5 – HOT WATER CIRCULATION
Operating time
Setting range: 1 – 60 min
Downtime
Setting range: 0 – 60 min
Period
Active days
Setting range: Monday – Sunday
Start time
Setting range: 00:00 – 23:59
Stop time
Setting range: 00:00 – 23:59
Set hot water circulation for up to five periods per day here.
During the set periods, the hot water circulation pump will run according to the settings above.
“Operating time” decide how long the hot water circulation pump must run per operating instance.
“Downtime” decide how long the hot water circulation pump must be stationary between operating instances.
“Period” Here, you set the period of time during which the hot water circulation pump will run, by selecting Active days, Start time and Stop time.
NOTE
Hot water circulation is activated in menu 7.4 “Selectable in/outputs” or via accessory.
OVERVIEW
3.1 – Operating info
3.2 – Temperature log
3.3 – Energy log
3.4 – Alarm log
3.5 – Product info, summary
3.6 – Licences
MENU 3.1 – OPERATING INFO
Information about the installation’s current operating status (e.g. current temperatures) can be obtained here. In multiinstallations, with several interconnected heat pumps, information about these is also shown in this menu. No changes can be made.
You can also read off operating information from all your connected wireless units.
MENU 3.2 – TEMPERATURE LOG
Here you can see the average temperature indoors week by week over the past year.
The average outdoor temperature is only shown if a room temperature sensor/room unit is installed.
In installations with ventilation accessories and no room sensors (BT50), the exhaust air temperature is also displayed.
MENU 3.3 – ENERGY LOG
Number of months
Setting range: 1 – 24 months
Number of years
Setting range: 1 – 5 years
Here, you can see a diagram showing how much energy SMO S40 supplies and consumes. You can select which parts of the installation will be included in the log. It is also possible to activate display of indoor and/or outdoor temperature.
Number of months: Select how many months to show in the diagram here.
Number of years: Select how many years to show in the diagram here.
MENU 3.4 – ALARM LOG
To facilitate troubleshooting, the installation’s operating status at the time of an alarm is stored here. You can see information for the 10 most recent alarms.
To view operating status in the event of an alarm, select the relevant alarm from the list.
MENU 3.5 – PRODUCT INFO, SUMMARY
Here, you can see general information about your system, such as software versions.
MENU 3.6 – LICENCES
You can view licences for open source code here.
Menu 4 – My system
OVERVIEW
| 4.1 – Operating mode | 4.2.2 – Solar electricity 1 |
| 4.2 – Plus functions | |
| 4.3 – Profiles 1 | 4.2.3 – SG Ready |
| 4.3 – Profiles | 4.2.5 – Smart Price Adaption™ |
| 4.4 – Weather control | |
| 4.5 – Away mode | |
| 4.6 – Smart Energy Source™ | |
| 4.7 – Energy price | 4.7.1 – Variable electricity price |
| 4.8 – Time and date | 4.7.2 – Fixed electricity price |
| 4.7.3 – Shunt-controlled additional heat | |
| 4.7.4 – Step-controlled additional heat | |
| 4.7.6 – External additional heat | |
| 4.9 – Language | 4.11.1 – Installer details |
| 4.10 – Country | |
| 4.11 – Tools | |
| 4.30 – Advanced | 4.11.2 – Sound when pressing button |
| 4.11.3 – Fan de-icing¹ | |
| 4.11.4 – Home screen | |
| 4.30.4 – Fact. settings user |
¹Consult the accessory’s Installer Manual.
MENU 4.1 – OPERATING MODE
Operating mode
Alternative: Auto, Manual, Add. heat only
Manual
Options: Compressor, Additional heat, Heating, Cooling
Add. heat only
Alternative: Heating
The operating mode for SMO S40 is normally set to “Auto”.
It is also possible to select operating mode “Add. heat only”.
Select “Manual” to choose which functions are to be activated.
If “Manual” or “Add. heat only” is selected, selectable options are shown further down. Tick the functions you want to activate.
Operating mode “Auto”
In this operating mode, SMO S40 automatically selects which functions are permitted.
Operating mode “Manual”
In this operating mode you can select what functions are permitted.
“Compressor” is the unit that produces heating and hot water for the home. You cannot deselect “compressor” in manual mode.
“Additional heat” is the unit that helps the compressor to heat the home and/or the hot water when it cannot manage the entire requirement alone.
“Heating” means you obtain heating in the home. You can deselect the function when you do not wish to have the heating on.
Operating mode “Add. heat only”
In this operating mode the compressor is not active, only additional heat is used.
Caution
If you choose mode “Add. heat only” the compressor is deselected and there is a higher operating cost.
Caution
You should not change from additional heat only if you do not have a heat pump connected (see menu 7.3.1 “Configure”).
MENU 4.2 – PLUS FUNCTIONS
Settings for any additional functions installed in SMO S40 can be made in the sub menus.
MENU 4.2.3 – SG READY
Here, you set the part of your climate system (e.g. room temperature) that will be affected on activation of “SG Ready”. The function can only be used in mains networks that support the “SG Ready” standard.
Affect room temperature
With low price mode on “SG Ready”, the parallel offset for the indoor temperature is increased by “+1”. If a room sensor is installed and activated, the desired room temperature is increased instead by 1 °C.
With overcapacity mode on “SG Ready”, the parallel offset for the indoor temperature is increased by “+2”. If a room sensor is installed and activated, the desired room temperature is increased by 2 °C instead.
Affect hot water
With low price mode on “SG Ready”, the stop temperature for the hot water is set as high as possible with compressor operation only (immersion heater not permitted).
In the case of overcapacity mode on “SG Ready”, the hot water is set to large demand mode (immersion heater permitted). Affect cooling
With low price mode of “SG Ready” and cooling operation the indoor temperature is not affected.
With overcapacity mode on “SG Ready” and cooling operation, the parallel offset for the indoor temperature is decreased by “-1”. If a room sensor is installed and activated, the desired room temperature is decreased by 1 °C instead. Affect pool temperature
With low price mode on “SG Ready”, the desired pool temperature (start and stop temperature) is increased by 1 °C.
With overcapacity mode on “SG Ready”, the desired pool temperature (start and stop temperature) is increased by 2 °C.
NOTE
The function must be connected to two AUX inputs and be activated in menu 7.4 “Selectable in/outputs”.
MENU 4.2.5 – SMART PRICE ADAPTION™ Range
Here you select where (which zone) SMO S40 is installed.
Contact your electricity supplier to find out which zone digit to enter.
Affect heating
Alternative: on/off
Degree of effect
Setting range: 1 – 10
Affect hot water
Alternative: on/off
Degree of effect
Setting range: 1 – 4
Affect pool temperature
Alternative: on/off
Degree of effect
Setting range: 1 – 10
Affect cooling
Alternative: on/off
Degree of effect
Setting range: 1 – 10
This function can only be used if your electricity supplier supports Smart price adaption™, if you have an hourly tariff agreement and an active myUplink account.
Smart price adaption™ adjusts some of the heat pump’s consumption over the day to those periods with the cheapest electricity tariff, which can give savings if on an hourly rate based electricity contract. The function is based on hourly rates for the next day being retrieved via myUplink, and an Internet connection and an account for myUplink are therefore required.
You can choose which parts of the installation are to be affected by the electricity price and to what extent; the higher value you select, the greater the effect the electricity price has.
NOTE
A value that is set high may result in increased savings, but may also affect the comfort.
MENU 4.4 – WEATHER CONTROL
Activate weath. contr.
Setting range: on/off
Factor
Setting range: 0 – 10
You can select whether you want SMO S40 to adjust the indoor climate based on the weather forecast here.
You can set factor for outdoor temperature. The higher the value, the greater the effect from the weather forecast.
Caution
This menu is only visible if the installation is connected to myUplink.
MENU 4.5 – AWAY MODE
In this menu, you activate/deactivate “Away mode”.
When away mode is activated, the following functions are affected:
- the setting for heating is lowered slightly
- the setting for cooling is raised slightly
- the hot water temperature is lowered if demand mode “large” or “medium” is selected
- The AUX function “Away mode” is activated.
If you want, you can select for the following functions to be affected: - ventilation (accessory is required)
- hot water circulation (accessory or use of AUX is required)
MENU 4.6 -SMART ENERGY SOURCE™
NOTE
Smart Energy Source™ requires external additional
heat.
Smart Energy Source™
Alternative: on/off
Control method
Alternatives: Price per kWh / CO2
If Smart Energy Source™ is activated, SMO S40 prioritises how/to what extent each docked energy source will be used.
Here, you can select whether the system will use the energy source that is cheapest at the time or the one that is most carbon dioxide neutral at the time.
Caution
Your choices in this menu affect menu 4.7 – Energy price.
MENU 4.7 – ENERGY PRICE
Here you can use tariff control for your additional heat.
Here you can choose whether the system is to exercise control based on the spot price, tariff control or a set price.
The setting is made for each individual energy source. Spot price can only be used if you have an hourly tariff agreement with your electricity supplier.
Set the lower tariff periods. It is possible to set two different date periods per year. Within these periods, it is possible to set up to four different periods on weekdays (Monday to Friday) or four different periods on weekends (Saturdays and Sundays).
MENU 4.7.1 – VARIABLE ELECTRICITY PRICE
Here you can use tariff control for the electric additional heat.
Set the lower tariff periods. It is possible to set two different date periods per year. Within these periods, it is possible to set up to four different periods on weekdays (Monday to Friday) or four different periods on weekends (Saturdays and Sundays).
MENU 4.8 – TIME AND DATE
Set time and date, display mode and time zone here.
TIP
Time and date are set automatically if connected to myUplink. To obtain the correct time, the time zone must be set.
MENU 4.9 – LANGUAGE
Choose the language that you want the information to be displayed in here.
MENU 4.10 – COUNTRY
Select here the country in which the product was installed.
This allows access to country-specific settings in your product.
Language settings can be made regardless of this selection.
NOTE
This option locks after 24 hours, restart of display or program updating. Afterwards, it is not possible to change the country selected in this menu without first replacing components in the product.
MENU 4.11 – TOOLS
Here, you can find tools for use.
MENU 4.11.1 – INSTALLER DETAILS
The installer’s name and telephone number are entered in this menu.
Afterwards, the details are visible in home screen, product overview.
MENU 4.11.2 – SOUND WHEN PRESSING BUTTON
Setting range: on/off Here you choose if you want to hear a sound when you press buttons on the display.
MENU 4.11.4 – HOME SCREEN
Setting range: on/off
Here, you choose which home screens you want to be displayed.
The number of options in this menu varies depending on which products and accessories are installed.
MENU 4.30 – ADVANCED
Menu “Advanced” is intended for advanced users.
MENU 4.30.4 – FACT. SETTINGS USER
All settings that are available to the user (including advanced menus) can be reset to default values here.
Caution
After the factory setting, personal settings such as the heating curve must be reset.
Menu 5 – Connection
OVERVIEW
| 5.1 – myUplink | 5.2.1 – wifi |
| 5.2 – Network settings | |
| 5.4 – Wireless units | 5.2.2 – Ethernet |
| 5.10 – Tools | 5.10.1 – Direct connection |
MENU 5.1 – MYUPLINK
Here, you obtain information about the installation’s connection status, serial number and how many users and service partners are connected to the installation. A connected user has a user account in myUplink, which has been given permission to control and/or monitor your installation.
You can also manage the installation’s connection to myUplink and request a new connection string.
It is possible to switch off all users and service partners who are connected to the installation via myUplink.
NOTE
After disconnecting all users none of them can monitor or control your installation via myUplink without requesting a new connection string.
MENU 5.2 – NETWORK SETTINGS
Here, you choose whether your system connects to the Internet via wifi (menu 5.2.1) or via a network cable (Ethernet) (menu 5.2.2).
Here, you can set TCP/IP settings for your installation. To set the TCP/IP settings with the aid of DHCP, activate “Automatic”.
Caution
During manual setting, select “IP address” and enter the correct address using the keyboard. Repeat the procedure for “Network mask”, “Gateway” and “DNS”.
The installation cannot connect to the Internet without the correct TCP/IP settings. If you are unsure about applicable settings, use the “Automatic” mode or contact your network administrator (or equivalent) for further information.
TIP
All settings made since opening the menu can be reset by selecting “Reset”.
MENU 5.4 – WIRELESS UNITS
In this menu you connect wireless units, and manage settings for connected units.
Add the wireless unit by pressing “Add unit”. For the quickest identification of a wireless unit, it is recommended that you put your master unit in search mode first. Then put the wireless unit in identification mode.
MENU 5.10 – TOOLS
As the installer, you cane.g. connect an installation via an app here, by activating an access point for direct connection to a mobile phone.
Menu 6 – Scheduling
OVERVIEW
6.1 – Holiday
6.2 – Scheduling
MENU 6.1 – HOLIDAY
In this menu, you schedule longer changes in heating and hot water temperature.
You can also schedule settings for certain installed accessories.
If a room sensor is installed and activated, the desired room temperature (°C) is set during the time period.
If a room sensor is not activated, the desired offset of the heating curve is set. One step is usually enough to change the room temperature by one degree, but in some cases several steps may be required.
TIP
Stop the holiday setting about a day before your return so that room temperature and hot water have time to return to their usual levels.
Caution
Holiday settings finish on the selected date. If you want to repeat the holiday setting once the end date has passed, go into the menu and change the date.
MENU 6.2 – SCHEDULING
In this menu, you schedule repeated changes of heating and hot water, for example.
You can also schedule settings for certain installed accessories.
Caution
A schedule repeats according to the selected setting (e.g. every Monday) until you go into the menu and switch it off.
A mode contains settings that will apply to scheduling.
Create a mode with one or more settings by pressing “New mode”.

Select the settings that the mode will contain. Drag to the left with your finger to select mode name and colour to make it unique and to distinguish it from other modes.

Select an empty row that is of interest and press it to schedule a mode, and adjust as required. You can enter a tick if a mode is to be active during the day or overnight.

If a room sensor is installed and activated, the desired room temperature (°C) is set during the time period.
If a room sensor is not activated, the desired offset of the heating curve is set. One step is usually enough to change the room temperature by one degree, but in some cases several steps may be required.
Menu 7 – Installer settings
OVERVIEW
| 7.1 – Operating settings | 7.1.1 – Hot water | 7.1.1.2 – Operating settings |
| 7.2 – Accessory settings 1 | 7.1.2 – Circulation pumps | 7.1.1.1 – Temperature setting |
| 7.1.2 – Circulation pumps | 7.1.2.3 – Operat. mode charge pump | |
| 7.1.4 – Ventilation¹ | 7.1.2.4 – Pump speed charge pump | |
| 7.1.2.5 – Flow setting charge pump | ||
| 7.1.4.1 – Fan speed, exhaust air¹ | ||
| 7.1.5 – Add. heat | 7.1.4.2 – Fan speed, supply air | |
| 7.1.4.4 – Demand contr. ventilation¹ | ||
| 7.1.5.1 – Add. Heat | ||
| 7.1.6 – Heating | 7.1.6.1 – Max diff supply temp | |
| 7.1.7 – Cooling | 7.1.6.2 – Flow settings, climate sys | |
| 7.1.6.3 – Power at DOT | ||
| 7.1.6.4 – Limit RH in heat | ||
| 7.1.7.1 – Cooling settings | ||
| 7.1.8 – Alarms | 7.1.8.2 – Emergency mode | |
| 7.1.9 – Load monitor | 7.1.8.1 – Alarm actions | |
| 7.1.10 – System settings | 7.1.10.1 – Operating prioritisation | |
| 7.2.1 – Add/remove accessories | 7.1.10.2 – Auto mode setting | |
| 7.1.10.3 – Degree minute settings | ||
| 7.3 – Multi-installation | 7.3.1 – Configure | 7.3.2.1 – Heat pump settings |
| 7.4 – Selectable in/outputs | 7.3.2 – Installed heat pumps | |
| 7.3.3 – Name heat pump | ||
| 7.3.4 – docking | ||
| 7.3.5 – Serial number | ||
| 7.5 – Tools | 7.5.1 – Heat pump, test | 7.5.1.1 – Test mode |
| 7.6 – factory setting service | 7.5.2 – Underfloor drying function | |
| 7.5.3 – forced control | ||
| 7.5.8 – Screen lock | ||
| 7.5.9 – Modbus TCP/IP | ||
| 7.5.10 – Change pump model | ||
| 7.7 – start guide | 7.9.1 – Change log | |
| 7.8 – quick start | 7.9.2 – Extended alarm log | |
| 7.9 – Logs | 7.9.3 – Black box | |
¹ Consult the accessory’s Installer Manual.
MENU 7.1 – OPERATING SETTINGS
Make operating settings for the system here.
MENU 7.1.1 – HOT WATER
This menu contains advanced settings for hot water operation.
MENU 7.1.1.1 – TEMPERATURE SETTING
Start temperature
Demand mode, small/medium/large
Setting range: 5 – 70 °C
Stop temperature
Demand mode, small/medium/large
Setting range: 5 – 70 °C
Stop temperature periodic increase
Setting range: 55 – 70 °C
Here you set the start and stop temperature of the hot water for the different demand modes in menu 2.2 as well as the stop temperature for periodic increase (menu 2.4).
MENU 7.1.1.2 – OPERATING SETTINGS
Step diff. compressor
Setting range: 0.5 – 4.0 °C
Charge method
Alternative: Target temp, Delta temp.
Charge power
Alternatives: auto, manual
Desired output “medium”
Setting range: 1 – 50 kW
Desired output “large”
Setting range: 1 – 50 kW
If several compressors are available set the difference between engagement disengagement of them during hot water charging and fixed condensing.
Here, you select the charge method for hot water mode.
“Delta temp.” is recommended for water heaters with a charge coil, “Target temp.” for double-jacketed heaters and heaters with a hot water coil.
MENU 7.1.2 – CIRCULATION PUMPS
This menu contains sub-menus where you can make advanced circulation pump settings.
MENU 7.1.2.3 – OPERAT. MODE CHARGE PUMP
Operating mode Charge pump
Alternatives: Auto, Intermittent
Operating mode Charge pump during cooling
Alternatives: Auto, Intermittent
Auto: The charge pump runs according to the current operating mode for SMO S40.
Intermittent: The charge pump starts 20 seconds before the compressor starts and it is turned off 20 seconds after the compressor stops.
MENU 7.1.2.4 – PUMP SPEED CHARGE PUMP
Make settings here for the charge pump’s speed in the current operating mode, for example in heating or hot water operation. Which operating modes can be changed depends on which accessories are connected.
Speed control – Heating
Alternatives: Auto/manual
Manual
Alternative: on/off
Speed in standby mode
Setting range: 1 – 100%
Speed control – Pool
Manual
Alternative: on/off
Manual speed Pool
Setting range: 1 – 100%
Speed control – Hot water
Manual
Alternative: on/off
Manual speed Hot water
Setting range: 1 – 100%
Speed control charge pump – Cooling
Manual
Alternative: on/off
Active cooling.
Setting range: 1 – 100%
Lowest permitted speed
Setting range: 1 – 50%
Highest permitted speed
Setting range: 80 – 100%
Speed control: Here, you set whether the charge pump will be regulated automatically or manually. Select “Auto” for optimal operation.
Speed in standby mode: Here, you set the speed the charge pump will have in standby mode. Standby mode occurs when heating or cooling operation is permitted at the same time as there is no need for either compressor operation or electric additional heat.
Speed control charge pump: Here, you set whether the charge pump is to be regulated automatically or via manually controlled speed. Select “Auto” for optimal operation.
Manual speed, charge pump: If you have chosen to control the charge pump manually, you set the desired pump speed here. (Settings are available per demand heating/pool/hot water/cooling.)
Lowest permitted speed: Here, you can restrict the pump speed, so the charge pump is not allowed to operate at a lower speed than the set value.
Maximum permitted speed: Here, you can restrict the pump speed, so the charge pump is not allowed to operate at a higher speed than the set value.
MENU 7.1.2.5 – FLOW SETTING CHARGE PUMP Pump setting
Activate flow test Here, you activate flow test for charge pump (GP12)
Flow setting charge pump
Check that the flow for the charge pump through the heat pump is sufficient. Activate the flow test to measure delta (the difference between the flow and return line temperatures from the heat pump). The test is OK if delta lies below the parameter shown in the display.
If the temperature difference lies above the parameter, adjust the flow for the charge pump by reducing the pressure or in the worst case scenario replacing the charge pump, until the test is OK.
MENU 7.1.5 – ADD. HEAT
This menu contains sub-menus where you can make advanced additional heat settings.
MENU 7.1.5.1 – ADD. HEAT
Make settings for connected additional heat (step controlled or shunt controlled additional heat) here.
Select whether step controlled or shunt controlled additional heat is connected. Then you can make settings for the different alternatives.
Add. heat type: Step-contr
Add. heat type
Alternative: step controlled/shunt controlled
Location
Alternative: After/Before QN10
Additional heat in tank
Alternative: on/off
Activating immersion heater in heat.
Alternative: on/off
Max step
Setting range (binary stepping deactivated): 0 – 3
Setting range (binary stepping activated): 0 – 7
Binary stepping
Alternative: on/off
Placement: Here, you choose whether the step-controlled additional heat is placed before or after the reversing valve for hot water charging (QN10). Step-controlled additional heat is, for example, when an external electric boiler is installed. Additional heat in tank If an immersion heater is installed in the tank, it can be permitted to produce hot water at the same time as the heat pump prioritises heating or cooling.
Max step: Here, you can set the maximum number of permitted additional heat steps, if there is internal additional heat in the tank (only accessible if the additional heat is positioned after QN10), whether binary stepping is to be used, the size of the fuse and transformer ratio.
When binary stepping is deactivated (off) the settings refer to linear stepping. If the additional heat is placed after QN10, the number of steps is restricted to two linear or three binary.
Add. heat type: Shunt-contr
Add. heat type
Alternative: step controlled/shunt controlled
Prioritised add. heat
Alternative: on/off
Minimum operating time
Setting range: 0 – 48 h
Lowest temperature
Setting range: 5 – 90 °C
Shunt amplification
Setting range: 0.1 –10.0
Shunt waiting time
Setting range: 10 – 300 s
Select this option if shunt controlled additional heat is connected.
Here, you set when the additional heat is to start, the minimum operating time and the minimum temperature for external additional heat with shunt. External additional heat with shunt is, for example, a log or pellet boiler. You can set shunt valve amplification and shunt valve waiting time.
If you select “Prioritised additional heat”, the heat from the external additional heat is used instead of the heat pump. The shunt adjusts for as long as heat is available, otherwise the shunt is closed.
MENU 7.1.6 – HEATING
This menu contains sub-menus where you can make advanced settings for heating operation.
MENU 7.1.6.1 – MAX DIFF SUPPLY TEMP
Max diff compressor
Setting range: 1 – 25 °C
Max diff additional heat
Setting range: 1 – 24 °C
BT12 offset heat pump 1 – 8
Setting range: -5 – 5 °C
Here you set the maximum permitted difference between the calculated and actual supply temperature in the event of compressor or additional heat mode respectively. Max difference additional heat can never exceed max difference compressor Max diff compressor: If the current supply temperature exceeds the calculated supply by the set value, the degree minute value is set to +1. The compressor in the heat pump stops if there is only a heating demand.
Max diff additional heat: If “Additional heat” is selected and activated in menu 4.1 and the current supply temperature exceeds the calculated temperature by the set value, the additional heat is forced to stop.
BT12 offset: If there is a difference between external supply temperature sensor (BT25) and temperature sensor, condenser supply (BT12), you can set a fixed offset here to compensate for the difference.
MENU 7.1.6.2 – FLOW SETTINGS, CLIMATE SYS
Setting
Options: Radiator, Underfl heating, Rad + Und. heat., Own setting
DOT
Setting range DOT: -40.0 – 20.0 °C
Delta temp at DOT
Setting range dT at DOT 0.0 – 25.0
The type of heating distribution system the heating medium pump works towards is set here.
dT at DOT is the difference in degrees between supply and return temperatures at design outdoor temperature.
MENU 7.1.6.3 – POWER AT DOT
Manually selected power at DOT
Setting range: on/off
Power at DOT
Setting range: 1 – 1,000 kW
Here, you set the power the property requires at DOT (dimensioned outdoor temperature).
If you choose not to activate “Manually selected power at
DOT”, the setting is made automatically, i.e. SMO S40 calculates suitable power at DOT.
MENU 7.1.6.4 – LIMIT RH IN HEAT
Here you can activate Humidity control, controlled by the relative humidity (RH) of the air, during heating operation.
Only shown if a moisture sensor is installed
MENU 7.1.7 – COOLING
This menu contains sub-menus where you can make advanced settings for cooling operation.
MENU 7.1.7.1 – COOLING SETTINGS
Max compressors in active cool.
Setting range: 1 – max number
Super cooling
Setting range: on/off
Max compressors in active cool.: Here, you set the max number of compressors that are permitted be used for cooling in those cases where several compressors are available.
Super cooling: With super cooling activated, the installation prioritises the production of cooling using the heat pump, while hot water is produced by additional heat in the tank.
MENU 7.1.7.2 – HUMIDITY CONTROL
Only shown if a moisture sensor is installed and cooling is activated.
Prevent condensation in cold
Setting range: on/off
Limit RH in cold
Setting range: on/off
Prevent condensation in cold: With the function activated, condensation in the pipes is prevented.
Limit RH in cold: With the function activated, the temperature is regulated to achieve the desired relative humidity (RH).
MENU 7.1.8 – ALARMS
In this menu, you make settings for the safety measures that SMO S40 will implement in the event of any operational disruption.
MENU 7.1.8.1 – ALARM ACTIONS
Reduce room temperature
Setting range: on/off
Stop producing HW
Setting range: on/off
Audio signal on alarm
Setting range: on/off
Select how you want the SMO S40 to alert you that there is an alarm in the display here.
The different alternatives are that SMO S40 stops producing hot water and/or reduces the room temperature.
Caution
If no alarm action is selected, this can result in higher energy consumption in the event of a malfunction.
MENU 7.1.8.2 – EMERGENCY MODE
Add. heat steps
Setting range: 0 – 3
Shunt controlled additional heat
Alternative: on/off
Settings are made in this menu for how the additional heat will be controlled in emergency mode.
Caution
In emergency mode, the display is switched off. If you feel the selected settings are insufficient, you will not be able to change these.
MENU 7.1.9 – LOAD MONITOR
Fuse size
Setting range: 1 – 400 A
Transformer ratio
Setting range: 300 – 3,000
Here, you set fuse size and transformer ratio for the system.
The transformer ratio is the factor that is used to convert the metered voltage to current.
MENU 7.1.10 – SYSTEM SETTINGS
You make your various system settings for your installation here.
MENU 7.1.10.1 – OPERATING PRIORITISATION
Setting range: 0 – 180 minutes

Here, you select how long the installation will work with each demand, if there are several simultaneous demands. If there is only one demand, the installation works with that demand.
If 0 minutes are selected, this means that the demand is not prioritised, but will instead only be activated when there is no other demand.
MENU 7.1.10.2 – AUTO MODE SETTING
Start cooling
Setting range: 15 – 40 °C
Time betw. cooling and heating
Setting range: 0 – 48 h
Cooling/heat sensor
Setting range: None, BT74, Zone 1 – x
Set point value cool/heat sensor
Setting range: 5 – 40 °C
Heating at subnormal room temp
Setting range: 0.5 – 10.0 °C
Cooling at excess room temp
Setting range: 0.5 – 10.0 °C
Auto: When the operating mode is set to “Auto”, SMO S40 selects when start and stop of additional heat and cooling/heating production are permitted, depending on the average outdoor temperature.
Stop heating, Stop additional heat: In this menu, you set the temperatures that the system will use for control in auto mode.
Caution
In systems where heating and cooling share the same pipes “Stop heating” cannot be set higher than “Start cooling” if there is not a cooling/heating sensor.
Filtering time: You can set the time over which the average outdoor temperature is calculated. If you select 0, the current outdoor temperature is used.
Time betw. cooling and heating: Here, you can set how long SMO S40 will wait before it returns to heating mode when the cooling demand has ceased or vice versa.
Cooling/heat sensor
Here, you select the sensor that will be used for cooling/heating. If BT74 is installed, it will be preselected and no other option is possible.
Set point value cool/heat sensor: Here, you can set the indoor temperature at which SMO S40 will shift between heating and cooling operation.
Heating at subnormal room temp: Here, you can set how far the room temperature may drop below the desired temperature before SMO S40 switches to heating operation.
Cooling at excess room temp: Here, you can set how high the room temperature may increase above the desired temperature before SMO S40 switches to cooling operation.
MENU 7.1.10.3 – DEGREE MINUTE SETTINGS
Current value
Setting range: -3,000 – 100 DM
Heating, auto
Setting option: on/off
Start compressor
Setting range: -1,000 – (-30) DM
Relative DM start additional heat
Setting range: 100 – 2,000 DM
Diff. between add heat steps
Setting range: 10 – 1,000 DM
Cooling, auto
Setting option: on/off
Degree minutes cooling
Setting alternative: -3,000 – 3,000 DM
Start active cooling
Setting alternative: 10 – 300 DM
Stepping diff compressors
Setting range: 10 – 2,000 DM
DM = degree minutes
Degree minutes are a measurement of the current heating/cooling demand in the house and determine when the compressor or additional heat will start/stop.
Caution
Higher value on “Start compressor” gives more compressor starts, which increase wear on the compressor. Too low value can give uneven indoor temperatures.
Start active cooling: Here, you set when active cooling will start.
MENU 7.2 – ACCESSORY SETTINGS
The operating settings for accessories that are installed and activated are made in the sub-menus for this.
MENU 7.2.1 – ADD/REMOVE ACCESSORIES
Here, you tell SMO S40 which accessories are installed.
To identify connected accessories automatically, select “Search for accessories”. It is also possible to select accessories manually from the list.
MENU 7.3 – MULTI-INSTALLATION
In the sub-menus here, you make settings for the heat pumps that are connected to SMO S40.
MENU 7.3.1 – CONFIGURE
Search installed heat pumps: Here, you can search for, activate or deactivate connected heat pumps.
Caution
In multi-installations, each heat pump must have a unique ID. You enter this for each heat pump that is connected to SMO S40.
In systems with several air/water heat pumps, each heat pump must have a unique address. This is set using a DIP switch in the relevant air/water heat pump that is connected to SMO S40.
MENU 7.3.2 – INSTALLED HEAT PUMPS
Here, you select the settings that you want to make for each heat pump.
MENU 7.3.2.1 – HEAT PUMP SETTINGS
Here, you make settings that are specific for the installed heat pumps. To see what settings you can make, see Installer Manual for the relevant heat pump.
MENU 7.3.3 – NAME HEAT PUMPS
Here, you can name the heat pumps that are connected to SMO S40.
MENU 7.3.4 – DOCKING
Here you set how your system is docked in respect of pipes, in relation to heating the property and any accessories.
TIP
Examples of docking alternatives can be found at nibe.co.uk.
This menu has a docking memory which means that the control system remembers how a particular reversing valve is docked and automatically enters the correct docking the
next time you use the same reversing valve.

Main unit/heat pump: Here, you select the heat pump for which the docking setting is to be made (if the heat pump is solitary in the system, only the main unit is shown).
Workspace for docking: The system docking is drawn here.
Compressor: Select here if the compressor in the heat pump is blocked (factory setting), externally controlled via a selectable input or standard (docked to hot water charging and heating the building, for example).
Marking frame: Press the marking frame you want to change. Select one of the selectable components.
| Symbol | Description |
| Blocked | |
| Compressor (standard) | |
| Compressor (blocked) | |
| Shuttle valve The designations above the reversing valve indic- ate where it is electrically connected (EB101 = Heat pump 1, EB102 = Heat pump 2, etc). |
| Hot water charging. For a multi-installation: hot water with the main unit and/or shared hot water from several different heat pumps. | |
| Hot water charging with subordinate heat pump in multi-installation. | |
| Pool 1 | |
| Pool 2 | |
| Heating (heating the building, includes any extra climate system) | |
| Cooling |
MENU 7.3.5 – SERIAL NUMBER
Here, you allocate your heat pumps a serial number.
Caution
This menu is only shown if at least one connected heat pump does not have a serial number. (This can occur during service visits.)
MENU 7.4 – SELECTABLE IN/OUTPUTS
Here, you state where the external switch function has been connected, either to one of the AUX inputs on terminal block X10 or to the AUX outputs on terminal blocks X6 and X7.
MENU 7.5 – TOOLS
Here, you can find functions for maintenance and service work.
MENU 7.5.1 – HEAT PUMP, TEST
NOTE
This menu and its sub-menus are intended for testing the heat pump.
Use of this menu for other reasons may result in your installation not functioning as intended.
MENU 7.5.2 – UNDERFLOOR DRYING FUNCTION
Length period 1 – 7
Setting range: 0 – 30 days
Temperature period 1 – 7
Setting range: 15 – 70 °C
Set the function for under floor drying here.
You can set up to seven time periods with different calculated supply temperatures. If fewer than seven periods are to be used, set the remaining periods to 0 days.
When the underfloor drying function has been activated, a counter is displayed showing the number of full days the function has been active. The function counts degree minutes in the same way as during normal heating operation, but for the supply temperatures that are set for the respective period.
TIP
If the operating mode “Additional heat only” is to be used, select this in menu 4.1.
MENU 7.5.3 – FORCED CONTROL
Here you can force control the various components in the installation. The most important safety functions remain active however.
NOTE
Forced control is only intended to be used for troubleshooting purposes. Using the function in any other way may cause damage to the components in your installation.
MENU 7.5.8 – SCREEN LOCK
Here, you can choose to activate the screen lock for SMO S40. During activation, you will be asked to enter the required code (four digits). The code is used when:
- deactivating the screen lock.
- changing the code.
- starting up the display when it has been inactive.
- the front panel is closed for more than three seconds.
- restarting/starting up SMO S40.
MENU 7.5.9 – MODBUS TCP/IP
Setting range: on/off
Here, you activate Modbus TCP/IP. Read more on page 63.
MENU 7.5.10 – CHANGE PUMP MODEL
Here, you select the model of circulation pump that is connected to the installation.
MENU 7.6 – FACTORY SETTING SERVICE
Here, you can reset all settings (including settings available to the user) to factory values
Here, you can also choose to factory reset the connected heat pumps.
NOTE
When resetting, the start guide is displayed the next time SMO S40 restarts.
MENU 7.7 – START GUIDE
When SMO S40 is started for the first time, the start guide is automatically activated. From this menu, you can start it manually.
MENU 7.8 – QUICK START
Here, you can quick start the compressors.
One of the following demands for the compressor must exist for quick start:
- heating
- hot water
- cooling
- pool (accessory is required)
Caution
Too many quick starts in a short space of time may damage the compressors and their auxiliary equipment.
MENU 7.9 – LOGS
Under this menu, there are logs that collect information about alarms and changes made. The menu is intended to be used for troubleshooting.
MENU 7.9.1 – CHANGE LOG
Read off any previous changes to the control system here.
NOTE
The change log is saved at restart and remains unchanged after factory setting.
MENU 7.9.2 – EXTENDED ALARM LOG
This log is intended to be used for troubleshooting.
MENU 7.9.3 – BLACK BOX
Via this menu, it is possible to export all logs (Change log, Extended alarm log) to USB. Connect a USB memory and select the log(s) you want to export.
Service
Service actions
NOTE
Servicing should only be carried out by persons with the necessary expertise. When replacing components on SMO S40 only replacement parts from NIBE may be used.
NOTE
If an electrical connection has been disconnected and is connected, ground must be checked using a suitable multimeter.
MAINTENANCE
General inspection
Check the following:
- Condition of casing.
- Electrical connections.
- Alarm log. Correct any fault before continuing.
Climate system
Check the following:
- Climate system start and stop temperature.
- Heating curve settings.
- Function of the room sensor (if installed).
- System pressure. 5 – 10 °C. Correct any fault before continuing.
EMERGENCY MODE
NOTE
Do not start the system before filling up with water. Components in the system could be damaged.
Emergency mode is used in event of operational interference nd in conjunction with service.
When SMO S40 is put into emergency mode, the system works as follows:
- SMO S40 prioritises heating production.
- Hot water is produced if possible.
- The load monitor is not active.
- Fixed supply temperature if the system has no value from the outdoor temperature sensor (BT1).
TEMPERATURE SENSOR DATA
| Temperature (°C) | Resistance (kOhm) | Voltage (VDC) |
| -10 | 56.20 | 3. |
| 0 | 33. | 3. |
| 10 | 20. | 3. |
| 20 | 13. | 2. |
| 30 | 8. | 2. |
| 40 | 5. | 2. |
| 50 | 4. | 1. |
| 60 | 2. | 1. |
| 70 | 2. | 0.891 |
| 80 | 1. | 0.691 |
USB SERVICE OUTLET

The display unit is equipped with a USB socket that can be used to update the software and save logged information in SMO S40.
If you connect the product to the network, you can upgrade the software without using the USB port. See section “myUplink”.
When a USB memory is connected, a new menu (menu 8) appears in the display.
Menu 8.1 – “Update the software”
You can update the software with a USB memory in menu
8.1 – “Update the software”.
NOTE
In order to update using a USB memory, the memory must contain a file with software for SMO S40 from NIBE.
Software for SMO S40 can be downloaded from https://myuplink.com.
One or more files are shown in the display. Select a file and press “OK”.
TIP
A software update does not reset the menu settings in SMO S40.
Caution
If the update is interrupted before it is complete (e.g. during a power cut), the software is automatically restored to the previous version.
Menu 8.2 – Logging
Setting range: 1 s – 60 min
Here you can choose how current measurement values from SMO S40 should be saved onto a log file on the USB memory.
- Set the desired interval between loggings.
- Select “Start logging”.
- The relevant measurement values from SMO S40 are now saved in a file on the USB memory at the set interval until you select “Stop logging”.
Caution
Select “Stop logging” before removing the USB memory.
Logging floor drying
Here you can save a floor drying log on the USB memory and in this way see when the concrete slab reached the correct temperature.
- Make sure that “Underfloor drying function” is activated in menu 7.5.2.
- A log file is now created, where the temperature and the immersion heater output can be read off. Logging continues until “Underfloor drying function” is stopped.
Caution
Close “Underfloor drying function” before removing the USB memory.
Menu 8.3 – Manage settings
Here you can manage (save as or retrieve from) all the menu settings (user and service menus) in SMO S40 with a USB memory.
Via “Save settings” you save the menu settings to the USB memory in order to restore them later or to copy the settings to another SMO S40.
Caution
When you save the menu settings to the USB memory you replace any previously saved settings on the USB memory.
Caution
Reset of the menu settings from the USB memory cannot be undone.
Manual restoring of software
If you want to restore the software to the previous version:
- Switch off SMO S40 via the shutdown menu. The status lamp goes out, off/on button light up blue.
- Press the on/off button once.
- When the on/off button changes colour from blue to white, press and hold the on/off button.
- When the status lamp changes to green, release the on/off button.
Caution
If the status lamp should turn yellow at any time, SMO S40 has ended up in emergency mode and the software has not been restored.
TIP
If you have a previous version of the software on your USB memory, you can install that instead of manually restoring the version.
MODBUS TCP/IP
SMO S40 has built-in support for Modbus TCP/IP, which is activated in menu 7.5.9 – “Modbus TCP/IP”.
TCP/IP settings are set in menu 5.2 – “Network settings”.
Modbus protocol uses port 502 for communication.
| Readable | ID | Input Register |
| Read | 0x04 | Description |
| Read writable | 0x03 | Holding Register |
| Writable multiple | 0x10 | Write multiple registers |
| Writable single | 0x06 | Write single register |
Available registers are shown in the display for the currect product and its installed and activated accessories.
Export register
- Insert a USB memory.
- Go to menu 7.5.9 and choose “Export most used registers”or”Export all registers”. These will then be stored on the USB memory in CSV format. (These options is only shown when a USB memory in inserted in the display).
Disturbances in comfort
In most cases, SMO S40 notes a malfunction (a malfunction can lead to disruption in comfort) and indicates this with alarms, and instructions for action, in the display.
Info-menu
All the control module’s measurement values are gathered under menu 3.1 – “Operating info” in the control module’s menu system. Examining the values in this menu can often make it easier to identify the source of the fault.
Manage alarm
In the event of an alarm, a malfunction has occurred and the status lamp shines with a steady red light. You receive information about the alarm in the smartguide on the display.

ALARM
In the event of an alarm with a red status lamp, a malfunction has occurred that SMO S40 cannot remedy itself. On the display, you can see what type of alarm it is and reset it. In many cases, it is sufficient to select “Reset alarm and try again” for the installation to revert to normal operation. If a white light comes on after selecting “Reset alarm and try again”, the alarm has been remedied. “Auxiliary operation” is a type of emergency mode. This means that the installation attempts to produce heat and/or hot water, even though there is some kind of problem. This could mean that the heat pump’s compressor is not in operation. In this case, any electric additional heat produces heat and/or hot water.
Caution
To select “Auxiliary operation”, an alarm action must be selected in menu 7.1.8.1 – “Alarm actions”.
Caution
Selecting “Auxiliary operation” is not the same as correcting the problem that caused the alarm. The status lamp will therefore remain red.
Troubleshooting
If the operational interference is not shown in the display the following tips can be used:
Basic actions
Start by checking the following items:
- The installation’s group and main fuses.
- The building’s earth circuit breaker.
- Correctly set load monitor.
Low hot water temperature or a lack of hot water
This part of the fault-tracing chapter only applies if the water heater is installed in the system.
- Closed or throttled externally mounted filling valve for the hot water.
– Open the valve. - Mixing valve (if there is one installed) set too low.
– Adjust the mixer valve. - SMO S40 in incorrect operating mode.
– Enter menu 4.1 – “Operating mode”. If “Auto” mode is selected, select a higher value for “Stop additional heat” in menu 7.1.10.2 – “Auto mode setting”.
– If mode “Manual” is selected, select “Additional heat”. - Large hot water consumption.
– Wait until the hot water has heated up. Temporarily increased hot water capacity can be activated in the “Hot water” home screen, in menu 2.1 – “More hot water” or via myUplink. - Too low hot water setting.
– Enter menu 2.2 – “Hot water demand” and select a higher demand mode. - Low hot water access with the “Smart Control” function active.
– If the hot water usage has been low for an extended period of time, less hot water than normal will be produced. Activate “More hot water” via the “Hot water” home screen, in menu 2.1 – “More hot water” or via myUplink. - Too low or no operating prioritisation of hot water.
– Enter menu 7.1.10.1 – “Operating prioritisation” and increase the time for when hot water is to be prioritised.
Note that, if the time for hot water is increased, the time for heating production is reduced, which can give lower/uneven room temperatures. - “Holiday” activated in menu 6.
– Enter menu 6 and deactivate.
Low room temperature
- Closed thermostats in several rooms.
– Set the thermostats to max in as many rooms as possible.
Adjust the room temperature via the “Heating” home screen, rather than turning down the thermostats. - SMO S40 in incorrect operating mode.
– Enter menu 4.1 – “Operating mode”. If “Auto” mode is selected, select a higher value for “Stop heating” in menu 7.1.10.2 – “Auto mode setting”.
– If mode “Manual” is selected, select “Heating”. If this is not enough, select “Additional heat”.
• Too low set value on the automatic heating control.
– Adjust via the smart guide or home screen “Heating” – If the room temperature is only low in cold weather, the curve slope in menu 1.30.1 – “Curve, heating” may need to be adjusted upwards. - Too low or no operating prioritisation of heat.
– Enter menu 7.1.10.1 – “Operating prioritisation” and increase the time for when heating is to be prioritised.
Note that if the time for heating is increased, the time for hot water production is reduced, which can give a smaller amount of hot water. - “Holiday” activated in menu 6 – “Scheduling”.
– Enter menu 6 and deactivate. - External switch for changing room temperature activated.
– Check any external switches. - Air in the climate system.
– Vent the climate system. - Closed valves to the climate system or heat pump.
– Open the valves.
High room temperature
- Too high set value on the automatic heating control.
– Adjust via the smart guide or home screen “Heating”
– If the room temperature is only high in cold weather, the curve slope in menu 1.30.1 – “Curve, heating” may need to be adjusted downwards. - External switch for changing room temperature activated.
– Check any external switches.
Low system pressure
- Not enough water in the climate system.
– Fill the climate system with water and check for leaks.
The air/water heat pump’s compressor does not start
- There is no heating or hot water demand, nor cooling demand.
– SMO S40 does not call on heating, hot water or cooling. - Compressor blocked due to the temperature conditions.
– Wait until the temperature is within the product’s working range. - Minimum time between compressor starts has not been reached.
– Wait for at least 30 minutes and then check if the compressor has started. - Alarm tripped.
– Follow the display instructions. - “Add. heat only” is selected.
– Switch to “Auto” or “Manual” in menu 4.1 – “Operating mode”. - The heat pump can be missing in the docking.
– Select the heat pumps that will be included in the installation in menu 7.3.4 – “Docking”.
Accessories
Detailed information about the accessories and complete accessories list available at nibe.co.uk.
Not all accessories are available on all markets.
IMMERSION HEATER IU
3 kW Part no. 018 084
6 kW Part no. 018 088
9 kW Part no. 018 090
ENERGY MEASUREMENT KIT EMK 500
This accessory is installed externally and used to measure the amount of energy that is supplied for the pool, hot water, heating and cooling in the building.
Cu pipe Ø28. Part no. 067 178
EXTERNAL ELECTRIC ADDITIONAL HEAT ELK
ELK 15
15 kW, 3 x 400 V
Part no. 069 022
ELK 42
42 kW, 3 x 400 V
Part no. 067 075
ELK 26
26 kW, 3 x 400 V
Part no. 067 074
ELK 213
7–13 kW, 3 x 400 V
Part no. 069 500
EXTRA SHUNT GROUP ECS 40/ECS 41
This accessory is used when SMO S40 is installed in houses with two or more different heating systems that require different supply temperatures.
ECS 40 (Max 80 m²)
Part no 067 287
ECS 41 (approx. 80-250 m²)
Part no 067 288
EXHAUST AIR HEAT PUMP S135
S135 is an exhaust air heap pump specially designed to combine the recovery of mechanical exhaust air with an air/water heat pump. Indoor module/control module controls S135.
Part no. 066 161
HRV UNIT ERS
This accessory is used to supply the accommodation with energy that has been recovered from the ventilation air. The unit ventilates the house and heats the supply air as necessary.
ERS S10-400¹
Part no. 066 163
ERS 30-400¹
Part no. 066 165
ERS 20-250¹
Part no. 066 068
ERS S40-350
Part no. 066 166
¹A preheater may be required.
AUXILIARY RELAY HR 10
Auxiliary relay HR 10 is used to control external 1 to 3 phase such as oil burners, immersion heaters and pumps.
Part no 067 309
COMMUNICATION MODULE FOR SOLAR ELECTRICITY EME 20
EME 20 is used to enable communication and control between inverters for solar cells from NIBE and SMO S40.
Part no. 057 188
CONNECTION BOX K11
Connection box with thermostat and overheating protection.
(When connecting Immersion heater IU)
Part no. 018 893
CHARGE PUMP CPD 11
Charge pump for heat pump
CPD 11-25/65
Part no. 067 321
CPD 11-25/75
Part no. 067 320
POOL HEATING POOL 40
POOL 40 is used to enable pool heating with SMO S40.
Part no 067 062
ROOM UNIT RMU S40
The room unit is an accessory with a built-in room sensor, which allows the control and monitoring of SMO S40 to be carried out in a different part of your home to where it is located.
Part no. 067 650
ACCESSORY CARD AXC 30
An accessory board for active cooling (4-pipe system), extra climate system, hot water comfort or if more than two charge pumps are to be connected to SMO S40. It can also be used for step-controlled additional heat (e.g. external electric boiler), shunt-controlled additional heat (e.g. wood/oil/gas/pellet boiler).
An accessory board is required if for example an HWC pump is to be connected to SMO S40 at the same time that the common alarm indication is activated.
Part no. 067 304
WIRELESS ACCESSORIES
It is possible to connect wireless accessories to SMO S40, e.g. room, humidity, CO2 sensors.
For more information, as well as a complete list of all available wireless accessories, see myuplink.com.
WATER HEATER/ACCUMULATOR TANK AHPH S
Accumulator tank without an immersion heater with an integrated hot water coil (stainless steel corrosion protection).
Part no. 080 137
VPA
Water heater with double-jacketed vessel.
VPA 300/200 Cu UK
Corrosion protection:
Copper Part no. 082 024
VPB
Water heater without immersion heater with charging coil.
VPB 300 R UK
Corrosion protection:
VPB 500 UK
Corrosion protection:
Stainless Part no. 081 056
Copper Part no. 081 081
VPB S
Water heater without immersion heater with charging coil.
VPB S300 R UK
Corrosion protection:
Stainless Part no. 081 147
HA-WH 5016-2 F
Titanium Megacoil, 160 litre
Art. no G1100001
HA-WH 5020-2 F
Titanium Megacoil, 200 litre
Art. no G1100002
HA-WH 5030-2 F
Titanium Megacoil, 300 litre
Art. no G1100003
HA-WH 5020-2 FS
Titanium Megacoil, Solar 200 litre
Art. no G1100004
HA-WH 5030-2 FS
Titanium Megacoil, Solar 300 litre
Art. no G1100005
HOT WATER CONTROL
VST 05
Reversing valve, cu-pipe Ø22
(Max recommended power, 8 kW)
Part no. 089 982
VST 20
Reversing valve, cu-pipe Ø35
(Max recommended power, 40 kW)
Part no 089 388
VST 11
Reversing valve, cu-pipe Ø28
(Max recommended power, 17 kW)
Part no. 089 152
REVERSING VALVE FOR COOLING
VCC 11
Reversing valve, Cu pipe Ø28 mm
Part no. 067 312
Technical Data
Dimensions
Technical specifications
SMO S40 | ||
Electrical data | ||
| Supply voltage | 230V~ 50Hz | |
| Enclosure class | IP21 | |
| Rated value for impulse voltage | kV | 4 |
| Pollution degree | 2 | |
| Fuse | A | 10 |
WLAN | ||
| 402.412 – 2.484 GHz max power | dbm | 11 |
| Wireless units | ||
| 2.405 – 2.480 GHz max power | dbm | 4 |
Optional connections | ||
| Max number air/water heat pumps | 8 | |
| Max number of charge pumps | 2 | |
| Max number of outputs for additional heat step | 3 | |
Miscellaneous | ||
| Operation mode (EN60730) | Type 1 | |
| Area of operation | °C | -25 – 70 |
| Ambient temperature | °C | 5 – 35 |
| Program cycles, hours | 1, 24 | |
| Program cycles, days | 1, 2, 5, 7 | |
| Resolution, program | min. | 1 |
Dimensions and weight | ||
| Width | mm | |
| Width | mm | 540 |
| Depth | mm | 110 |
| Height | mm | |
| Height | mm | 350 |
| Weight, (without packaging and enclosed components) | kg | 5 |
Miscellaneous | ||
| Part no. SMO S40 | 067 654 | |
Max load relay outputs on AA100
| Relay output | Function | Max load |
| X5:1 (I2) | K1 | 2 (1)A |
| X5:2 (I3) | K2 | 2 (1)A |
| X5:3 (I4) | K3 | 2 (1)A |
| X5:4 (I5) | K4 | 2 (1)A |
| X6:NO/NC | K8 (AUX10) | 2 (0,3)A |
| X7:NO/NC | K9 (AUX11) | 2 (0,3)A |
| X8:1 (I6) | K5 | 2 (1)A |
| X8:2 (I7) | K6 | 2 (1)A |
| X8:3 (I8) | K7 | 2 (1)A |
NOTE
Max load on AA100-X4 (L1) must not exceed 6 (3)A.
Energy labelling Supplier
| Supplier | NIBE | |
| Model | SMO S40 + F2040 / F2120 | |
| Controller, class | 4 | |
| Controller, contribution to efficiency | % | VI |
Electrical circuit diagram




Item register
A
Accessories, 66
Addition, 16
Alarm, 64
B
Buffer vessel UKV, 16
C
Climate system, 14
Climate systems and zones, 38
Control – Introduction, 38
Cold and hot water
Connecting the hot water heater, 15
Commissioning and adjusting, 30
Commissioning with additional heating only, 30
Commissioning with NIBE air/water heat pump, 30
Preparations, 30
Setting the cooling/heating curve, 31
Start guide, 30
Commissioning with additional heating only, 30
Commissioning with NIBE air/water heat pump, 30
Communication, 23
Connecting accessories, 26
Connecting current sensors, 21
Connecting hot water circulation, 15
Connecting the charge pump for the heat pump, 19
Connecting the climate system, 14
Connecting the hot water heater, 15
Connections, 19
Control, 35
Control – Introduction, 35
Control – Introduction, 35
Control – Menus
Menu 1 – Indoor climate, 39
Menu 2 – Hot water, 43
Menu 3 – Info, 45
Menu 4 – My system, 46
Menu 5 – Connection, 50
Menu 6 – Scheduling, 51
Menu 7 – Service, 52
Cooling, 16
Country specific information, 5
D
Delivery and handling, 8
Mounting, 10
Open front hatch, 9
Open USB cover, 9
Removing the front panel, 9
Supplied components, 8
Dimensions, 68
Disruption to comfort
Info menu, 64
Disturbances in comfort, 64
Alarm, 64
Manage alarm, 64
Troubleshooting, 64
Docking alternatives
Pool, 17
Two or more climate systems, 17
E
Electrical addition – maximum output, 29
Electrical circuit diagram, 71
Electrical connection, 18
General, 18
Electrical connections
Communication, 23
Connecting accessories, 26
Connecting the charge pump for the heat pump, 19
Connections, 19
Electrical addition – maximum output, 29
External circulation pump, 23
External connection options, 26
External return line sensor, 20
External supply temperature sensor, 20
Load monitor, 21
Power connection, 19
Pulse energy meter, 21
Reversing valve, 23
Settings, 29
Shunt controlled additional heat, 23
Step controlled additional heat, 22
Supply voltage, 19
Temperature sensor installation on pipe, 20
Energy labelling, 70
External circulation pump, 23
External connection options, 26
Possible selection for AUX inputs, 27
Possible selection for AUX output (potential free variable
relay), 28
External return line sensor, 20
External supply temperature sensor, 20
G
General, 18
H
Help menu, 36
I
Important information, 4
Country specific information, 5
Inspection of the installation, 6
Marking, 4
Safety information, 4
Symbols, 4
System solutions, 7
Info menu, 64
Inspection of the installation, 6
Installation alternative, 15
Additional heat, 16
Buffer vessel UKV, 16
Connecting hot water circulation, 15
Cooling, 16
Installing the installation, 13
Cold and hot water
Connecting the hot water heater, 15
General, 13
Installation alternative, 15
Symbol key, 13
L
Load monitor, 21
M
Manage alarm, 64
Marking, 4
Menu 1 – Indoor climate, 39
Menu 2 – Hot water, 43
Menu 3 – Info, 45
Menu 4 – My system, 46
Menu 5 – Connection, 50
Menu 6 – Scheduling, 51
Menu 7 – Service, 52
Modbus TCP/IP, 63
Mounting, 10
myUplink, 34
N
Navigation
Help menu, 36
O
Open front hatch, 9
Open USB cover, 9
P
Pipe and ventilation connections
Climate system, 14
Connecting the climate system, 14
Pipe connections
Pipe coupling, heating medium, 14
Symbol key, 13
Pipe coupling, heating medium, 14
Possible selection for AUX inputs, 27
Possible selection for AUX output (potential free variable
relay), 28
Power connection, 19
Preparations, 30
Pulse energy meter, 21
R
Removing the front panel, 9
Reversing valve, 23
S
Safety information, 4
Marking, 4
Serial number, 4
Symbols, 4
Warranty information, 5
Serial number, 4
Service, 60
Service actions, 60
Service actions, 60
Modbus TCP/IP, 63
Standby mode, 60
Temperature sensor data, 61
USB service outlet, 62
Settings, 29
Emergency mode, 29, 60
Setting the cooling/heating curve, 31
Shunt controlled additional heat, 23
Standby mode, 29, 60
Start guide, 30
Start-up and inspection, 30
Step controlled additional heat, 22
Supplied components, 8
Supply voltage, 19
Symbol key, 13
Symbols, 4
System solutions, 7
T
Technical data, 68
Dimensions, 68
Electrical circuit diagram, 71
Temperature sensor data, 61
Temperature sensor installation on pipe, 20
The Control Module Design, 11
Component locations, 11
List of components, 12
Troubleshooting, 64
U
USB service outlet, 62
W
Warranty information, 5
NIBE Energy Systems Ltd 3C Broom Business Park, Bridge Way. S41 9QG Chesterfield
Tel: +44 (0)330 311 2201
[email protected]
nibe.co.uk
IHB EN 2208-1 631929
This is a publication from NIBE Energy Systems. All product illustrations, facts and data are based on the available information at the time of the publication’s approval.
NIBE Energy Systems makes reservations for any factual or printing errors in this publication.
©2022 NIBE ENERGY SYSTEMS


























