C4 eT 12.20 ES Combi Oven
Owner’s Manual
C4 eT 12.20 ES Combi Oven
Convotherm 4 deluxe easyTouch Marine
- 12.20 12 Shelves GN 2/1 with locking bar
- Electric
- Injection/Spritzer
- Disappearing door
Key features
- Natural Smart ClimateTM (ACS+) with extra functions:
- Crisp&Tasty – 5 moisture-removal settings
- BakePro – 5 levels of traditional baking
- HumidityPro – 5 humidity settings
- Controllable fan – 5 speed settings easyTouch 10” TFT HiRes glass touch display (capacitive) ConvoClean+ fully automatic cleaning system with eco, regular and express modes – with optional single-dose dispensing
- HygieniCare
- WiFi and Ethernet interface (LAN)
- USB port integrated in the control panel
- TriColor indicator ring – indicates the current operating status
- Steam generated by injecting water into the oven cavity
- Disappearing door with door latch: more space and greater safety at work (available optionally at an additional charge)
- Standard unit feet for bolting or welding (marine feet)
Standard features
- Cooking methods:
- Steam (30-130°C) with guaranteed steam saturation
- Combi-steam (30-250 °C) with automatic moisture control
- Convection (30-250 °C) with optimized heat transfer Operation of easyTouch user interface:
- 10” TFT HiRes glass touch display (capacitive)
- Smooth-action, quick-reacting scrolling function
- Natural Smart ClimateTM (ACS+) Climate Management
- Natural Smart ClimateTM (ACS+), HumidityPro, Crisp&Tasty Quality Management
- Airflow Management, BakePro, Multi-point core temperature probe, Preheat and cool down function Production Management
- Automatic cooking with Press&Go with up to 399 profiles
- Integrated cookbook with 7 different categories
- TrayTimer – load management for different products at the same time (manual mode)
- TrayView – Load management for automatic cooking of different products using Press&Go
- Favorites management
- HACCP data storage
- USB port
- ecoCooking – energy-save function
- LT cooking (low-temperature cooking) / Delta-T cooking
- Cook&Hold – cook and hold in one process
- Auto Start
- Regenerate+ – flexible multi-mode rethermalization function with preselect
Standard features
- Cleaning Management:
- Convoclean+: Fully automatic cleaning system
- Quick access to individually created and saved cleaning profiles
- Cleaning Scheduler
- FilterCare Interface HygieniCare:
- Hygienic Steam Function
- Hygienic Handles
- SteamDisinfect Design:
- Unit door with safety latch, sure-shut function, venting position
- Steam generated by injecting water into the oven cavity
- Adjustable appliance feet, from 100 mm to 125 mm
- Multi-point core temperature probe
- Integrated recoil hand shower
Key features
- Natural Smart ClimateTM (ACS+) with extra functions:
- Crisp&Tasty – 5 moisture-removal settings
- BakePro – 5 levels of traditional baking
- HumidityPro – 5 humidity settings
- Controllable fan – 5 speed settings easyTouch 10” TFT HiRes glass touch display (capacitive) ConvoClean+ fully automatic cleaning system with eco, regular and express modes – with optional single-dose dispensing
- HygieniCare
- WiFi and Ethernet interface (LAN)
- USB port integrated in the control panel
- TriColor indicator ring – indicates the current operating status
- Steam generated by injecting water into the oven cavity
- Disappearing door with door latch: more space and greater safety at work (available optionally at an additional charge)
- Standard unit feet for bolting or welding (marine feet)
Options
- Disappearing door with door latch – more space and greater safety at work
- Steam and vapour removal – built-in condensation module (on request)
- Available in various voltages
- Sous-vide probe, external connection
- Core temperature probe, external connection
Accessories
- Production Management: kitchenconnect® (WiFi/LAN), network solution from Welbilt for updating and monitoring appliances from anywhere
- Signal tower – external operating-state indicator
- Banquet system (optionally as a package or individually): Plate loading trolley, loading trolley, thermal cover
- Care products for the ConvoClean+ fully automatic cleaning system (multiple and single-measure dispensing)
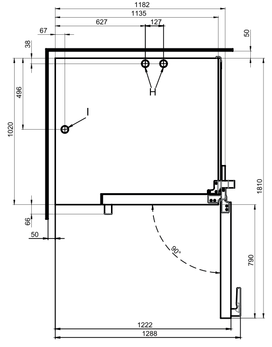
Front view
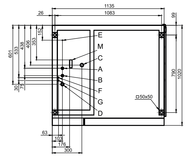
View from above with wall clearances
Installation instructions
| Absolute tilt of unit in operation* | max. 2° (3.5%) |
| Clearance from heat sources | min. 500 mm |
| Recommended clearance for service, left side of unit | min. 500 mm |
* Adjustable feet included as standard.
Connection points
| A Water connection (for water injection) | FRinse-aid connection |
| B Water connection (for cleaning, recoil hand shower) | G Cleaning-agent connection |
| CDrain connection DN 50 | H Air vent Æ 50 mm |
| DElectrical connection | I Dry air intake Æ 50 mm |
| EEquipotential bonding | M Safety overflow 80 x 25 mm RJ45 Ethernet port |
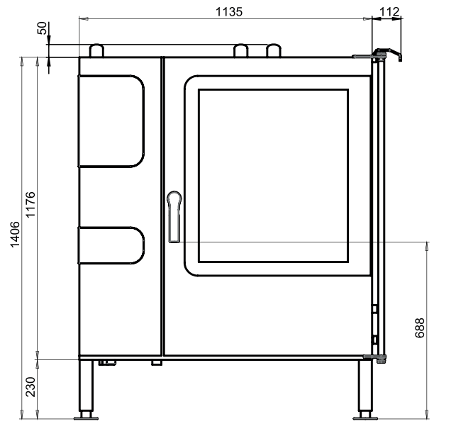
Dimensions and weights
| Dimensions including packaging | |
| Width x Height x Depth | 1410 x 1615 x 1170 mm |
| Weight | |
| Empty weight without options* / accessories | 252 kg |
| Weight of packaging | 45 kg |
| Safety clearances** | |
| Rear | 50 mm |
| Right-hand side (disappearing door pushed back) | 160 mm |
| Left (see installation instructions) | 50 mm |
| Top*** | 500 mm |
* Weight of options 15 kg max.
** Required for functionality of appliance.
*** Depends on type of air ventilation system and nature of ceiling.
Loading capacity
Max. number of food containers
| GN 1/1* | 24 |
| GN 2/1* | 12 |
| Plates max. Ø 32 cm, | 74 |
| Ring spacing 66 mm** | |
| Plates max. Ø 32 cm, | 59 |
| Ring spacing 80 mm** |
| Maximum loading weight | |
| GN 1/1 / 600 x 400 | |
| Per combi oven | 120 kg |
| Per shelf level | 15 kg |
* Matching loading trolley included as standard.
** Matching loading trolley available as an accessory.
Electrical supply
| 3~ 230V 50/60Hz* | |
| Rated power consumption | 33.4 kW |
| Rated current | 84.0 A |
| Fuse rating | 100 A |
| RCD (GFCI), single-phase frequency converter | Type A/B |
| Recommended conductor cross-section | 4G35 |
| 3~ 400V 50/60Hz (also available as 3N~ 400V 50/60Hz)* | |
| Rated power consumption | 33.7 kW |
| Rated current | 48.7 A |
| Fuse rating | 50 A |
| RCD (GFCI), three-phase frequency converter | Type B, (A/B) |
| Recommended conductor cross-section | 5G16 |
| 3~ 440V 50/60Hz* | |
| Rated power consumption | 28.2 kW |
| Rated current | 37.0 A |
| Fuse rating | 50 A |
| RCD (GFCI), three-phase frequency converter | Type B |
| Recommended conductor cross-section | 4G16 |
| 3~ 480V 50/60Hz* | |
| Rated power consumption | 33.4 kW |
| Rated current | 40.3 A |
| Fuse rating | 50 A |
| RCD (GFCI), three-phase frequency converter | Type B |
| Recommended conductor cross-section | 4G16 |
- Connection to energy optimization system included as standard.
Water connection
| Water supply | |
| Water supply* | 2 x G 3/4” fixed connection, optionally including connecting pipe (min. DN13 / 1/2”) |
| Flow pressure | 150 – 600 kPa (1.5 – 6 bar) |
| Appliance drain | |
| Drain version | Open tank or channel/trough (recommended) or fixed connection |
| Type | DN 50 (min. internal Ø: 46 mm) |
| Slope for drain pipe | min. 3.5% (2°) |
* Install a backflow preventer approved by the manufacturer if stipulated by the relevant standards and regulations.
Water quality
Water-supply connection A* for water injection
| General requirements | Drinking water, typically soft water (install water treatment system if necessary) |
| General hardness | 4 – 7 °dh / 70 – 125 ppm / 7 – 13 °TH / 5 – 9 °e |
Water-supply connection B* for cleaning, recoil hand shower
| General requirements | Drinking water, typically hard water |
| General hardness | 4 – 20 °dh / 70 – 360 ppm / 7 – 35 °TH / 5 – 25 °e |
Water-supply connections A, B*
| pH value | 6.5 – 8.5 |
| Cl- (chloride) | max. 60 mg/l |
| Cl2 (free chlorine) | max. 0.2 mg/l |
| SO42- (sulphate) | max. 150 mg/l |
| Fe (iron) | max. 0.1 mg/l |
| SiO2 (silicate) | max. 13 mg/l |
| NH2Cl (monochloramine) | max. 0.2 mg/l |
| Temperature | max. 40 °C |
| Electrical conductivity | min. 20 μS/cm |
* See diagram of connection points, page 2.
Water consumption
| Water-supply connection A* | |
| Ø Consumption for cooking | 8.8 l/h |
| Max. consumption | 0.6 l/min |
| Water-supply connections A, B | |
| Ø Consumption for cooking** | 13.3 l/h |
| Max. water flow rate | 15 l/min |
* Values for selecting the capacity of the water treatment system.
** Including water used for cooling the wastewater.
PLEASE NOTE: See diagram of connection points, page 2.
Emissions
| Dissipated heat* | |
| Latent heat | 6900 kJ/h / 1.92 kW |
| Sensible heat | 7800 kJ/h / 2.17 kW |
| Waste water temperature | max. 80 °C |
| Noise during operation | max. 70 dBA |
* The dissipated heat values were measured as per DIN 18873-1 “Methods for measuring the energy use of equipment for commercial kitchens — Part 1”.
The type and frequency of appliance usage are decisive for the specification of an air conditioning and ventilation system. These values can be higher than the values indicated for dissipated heat. Guide values can be found in the technical literature, e.g. in VDI 2052.
Please consult your specialized design engineer for planning an air conditioning and ventilation system.
Please observe the following points:
- This document is to be used solely for planning purposes.
- Please refer to the Installation manual for further technical data and guidance on installation and positioning.
Welbilt Deutschland GmbH
Talstraße 35, 82436 Eglfing, Germany
Tel: +49(0)8847 67-0
Fax: +49(0)8847 414
www.convotherm.com














