
INSTALLATION INSTRUCTIONS
PRG7 RF
7 DAY TWO CHANNEL PROGRAMMER WITH RF ROOM THERMOSTAT

PACK CONTAINS

INSTALLATION – PROGRAMMER
MOUNTING OF WALL MOUTING PLATE
For best performance, do not mount the programmer on metal wall boxes and leave at least 30 cm distance from any metal objects including wall boxes and boiler housing. The digital programmer is fixed on the wall with the wall plate which is supplied with the product.
| 1- Unscrew the 2 screws under the programmer. | 2- Remove the wall plate from the programmer. |
![]() | ![]() |
| 3- Secure the wall plate with the two screws provided using the horizontal and vertical holes. | 4- In case of surface mounting, a knock out area is provided on the wall plate and on the corresponding area of the programmer. |
![]() | ![]() |
INSTALLING BATTERY

WIRING
All electrical installation work should be carried out by a suitably qualified Electrician or other competent person. If you are not sure how to install this programmer consult either with a qualified electrician or heating Engineer. Do not remove or refit the appliance onto the backplate without the mains supply to the system being isolated.
All wiring must be in accordance with IEE regulations. This product is for fixed wiring only.
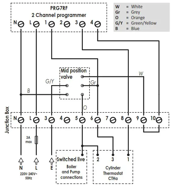
• Internal wiring
N = Neutral IN
L = Live IN
1 = HW/Z2: Normal close output
2 = CH/Z1: Normal close output
3 = HW/Z2: Normal open output
4 = CH/Z1: Normal open output

Note: The unit is double in insulated so does not require an earth but a terminal is supplied for the spare wire.

• Wiring diagrams
3 port system

2 port system

MOUNTING OF THE PROGRAMMER
| 1- Replace the programmer on the wall mounting plate. | 2- Secure the programmer by screwing both locking screws under the programmer. |
![]() | ![]() |
INSTALLATION – THERMOSTAT
INSTALLING BATTERIES
| 1- Remove the batteries cover which is placed on the front of thermostat. | 2- Insert the 2 batteries AA supplied. Note the correct polarity according to the engraving on the thermostat when inserting the batteries. | 3- Replace the batteries cover. |
![]() | ![]() | ![]() |
MOUNTING OF THERMOSTAT
• On the wall
| 1- Unscrew the 2 screws under the thermostat. | 2- Remove the wall plate from the thermostat. |
![]() | ![]() |
| 3- Secure the wall plate with the two screws provided using the horizontal and vertical holes. | 4- Replace the thermostat on the wall mounting plate. |
![]() | ![]() |
5- Secure the thermostat by screwing the locking screws under the thermostat.

• On the table stand
| 1- Insert the 2 pins inside the wallplate and slide on the stand . | 2- Fold the stand and lock it into the wallplate. |
![]() | ![]() |
Recommended locations for your thermostat.
To ensure that your thermostat provides accurate readings and controls effectively, it must be installed approximately 1.5 m above floor level on an inside wall, away from direct sunshine and any other sources of heat or cold such as radiators, cold draughts, etc.

NB: In order to ensure proper operation of the product, ensure that the thermostat is not positioned near to an area which could be affected by interference from another source. E.g.: a wireless transmitter or receiver, TV, PC, etc.
Important: The thermostat measures the temperature of the place where it is installed. It does not take into account the temperature differences that may exist between different locations in the house if the temperature is not uniform.
PAIRING PROCEDURE
The programmer and the thermostat are not bonded together at the factory.
To bond the programmer and the thermostat together, proceed as below:
- Move the 2 mode sliders on both sides of the programmer to the OFF position and then move the program slider to the RUN position. Once this is done, press and hold the RF test button until Pair is shown in the display (approx. 5 seconds). The pairing icon will be flashing.

- Within 1 minute, press and hold the RF Test button on the thermostat until PAir is shown in the display (approx. 5 seconds). The pairing Icon will be flashing.

- Programmer and Thermostat RF icon will be solid when pairing is complete and normal display is returned.
Note: the programmer is usually located near your boiler. If you want to check the signal strength, press and release the RF test button on the thermostat. RF icon blinks for 10 seconds then signal strength appears. 10 is the best signal strength.
INSTALLER SETTINGS
ADVANCED INSTALLER SETTING
• Access
| Move the 2 mode sliders to off position. | Move the programming slider to |
![]() | ![]() |
Press and hold Review and then press – and hold both down until spanner is in display.

6 advanced settings can be modified.
Press Yes until correct option is in display then use – or + to select your choice.
| Setting number | Description |
| 1 | Select gravity/pumped mode |
| 2 | Set 12 or 24 hours clock |
| 3 | Activation of auto Summer/Winter change over |
| 4 | Set the number of ON/OFF periods |
| 5 | Select your system between Z1/Z2 or CH/HW |
| 6 | Activation of backlight |
• Gravity/Pumped mode (1)
The pre-set system is Pumped.
1- Press – or + to change to Gravity (2).
1 = Pumped
2 = Gravity

2- Then save by moving the programming slider or save and go to next setting by pressing Yes.

• Set 12/24 hours clock (2)
The pre-set value is 12 hours clock.
1- Press – or + to change to “24h”.
2- Then save by moving the programming slider or save and go to next setting by pressing Yes .

• Auto Summer/Winter change over (3)
The auto Summer/Winter change over default is ON.
| 1- Press – or + to change to OFF | 2- Then save by moving the programming slider or save and go to next setting by pressing Yes. |
![]() | ![]() |
• Set number of ON/OFF periods (4)
You can adjust the number of ON/OFF switching time periods. The pre-set number is 2.
| 1- Press – or + to change to 3 periods. | 2- Then save by moving the programming slider or save and go to next setting by pressing Yes . |
![]() | ![]() |
• Installation operating (5)
The digital programmer can manage Central Heating and Hot Water or 2 zones. The pre-set choice is CH/HW.
| 1- Press – or + to change to Z1/Z2. | 2- Then save by moving the programming slider or save and go to next setting by pressing Yes . |
![]() | ![]() |
• Backlight (6)
The backlight can be switched Off. The pre-set value is ON.
| 1- Press – or + to change to OFF. | 2- 2. Then save by moving the programming slider or save and go to next setting by pressing Yes. |
![]() | ![]() |
Note regarding the Advanced installer settings: If programming slider is moved, it will save changes and exit installer mode.
TECHNICAL SPECIFICATIONS
Programmer
- Power supply: 220V-240V/50Hz.
- Output per relay: 3(2)A, 240V/50Hz.
- Rated impulse voltage: 4000V.
- Micro disconnection: Type 1B.
- Pollution degree: 2.
- Automatic action: 100,000 cycles.
- Class II.

Environment:
- Operation temperature: 0°C to +40°C.
- Storage temperature: from -20°C to +60°C.
- Humidity: 80% at +25°C (without condensation).
- Protection rating: IP30.
Thermostat
- Manual temperature setting range: from +5°C to +30°C.
- Power supply: 2 alkaline 1.5 V AA (LR6) batteries.
- Battery life: approx. 2 years.
Maximum range in the home: 15m is typical but this varies depending on the building construction E.g. plasterboard lined with metal foil, the number of walls and ceilings that the signal has to pass through, and by the surrounding electromagnetic environment.
Signal sending: every 10 minutes, maximum time-lag 1 minute after setpoint temperature has been changed.
Environment :
- Operation temperature: 0°C to +40°C.
- Storage temperature: from -10°C to +60°C.
- Humidity: 80% at +25°C (without condensation)
- Protection rating: IP30.
UKCA declaration of conformity: We, Neomitis Ltd, hereby declare under our sole responsibility that the products described in these instructions comply with statutory instruments 2017 No. 1206 (Radio Equipment Regulations), 2012 n°3032 (ROHS) and following designated standards listed below:
- 2017 No. 1206 (Radio Equipment Regulations):
- Article 3.1a : EN 60730-1:2011, EN 60730-2-7:2010/AC:2011, EN 60730-2-9:2010, EN 62311:2008
- Article 3.1b : EN 301489-1 V1.9.2
- Article 3.2 : EN 300440 V2.1.1
- The Restriction of the Use of Certain Hazardous Substances in Electrical and Electronic
Equipment Regulations 2012 (2012 No.3032) : EN IEC 63000:2018.
Neomitis Ltd: 16 Great Queen Street, Covent Garden, London, WC2B 5AH UNITED KINGDOM – [email protected]
EU declaration of conformity: We, Imhotep Creation, hereby declare under our sole responsibility that the products described in these instructions comply with the provisions of Directives and harmonized standards listed below:
- RED:
- Article 3.1a (Safety): EN60730-1:2011 / EN60730-2-7:2010/ EN60730-2-9: 2010 / EN62311:2008
- Article 3.1b (EMC): ETSI EN 301 489-1 V2.2.1 (2019-03) / ETSI EN 301 489-3 V2.1.1
- Article 3.2 (RF): ETSI EN 300440 V2.1.1 (2017)
- RoHS 2011/65/UE, amended by Directives 2015/863/UE & 2017/2102/UE : EN IEC 63000:2018
Imhotep Creation: ZI Montplaisir – 258 Rue du champ de courses – 38780 Pont-Evêque –
France – [email protected]
Neomitis Ltd and Imhotep Creation belong to Axenco Group.
The symbol
, affixed on the product indicates that you must dispose of it at the end of its useful life at a special recycling point, in accordance with European Directive WEEE 2012/19/EU. If you are replacing it, you can also return it to the retailer from which you buy the replacement equipment. Thus, it is not ordinary household waste. Recycling products enables us to protect the environment and to use less natural resources.
PRG7 RF
OPERATING INSTRUCTIONS
7 DAY TWO CHANNEL PROGRAMMER WITH RF ROOM THERMOSTAT

OVERVIEW
Thank you for purchasing our PRG7 RF, wireless 7 day digital programmer with digital thermostat. It is by listening to your requirements we have created and designed our products to be easy to operate and install.
It is this ease of operation that is intended to make your life easier and help you save energy and money.

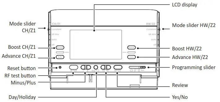
CONTROLS AND DISPLAY
PROGRAMMER

Programming sliders sequences:
Time → CH/Z1 programming → HW/Z2 programming → Run
• LCD Display

THERMOSTAT

• LCD Display

SETTINGS
INITIAL POWER UP
• Programmer
- Switch on the programmer power supply.
All symbols will be displayed on the LCD screen as shown for two seconds.
- After 2 seconds, the LCD will show:
– The default time and day
– Run icon solid
– CH and HW systems are OFF
– RF icon flashes
Note: A low battery level indicator
will appear in the display when the battery must be changed.
Remember to take used batteries to a battery collection point so they can be recycled.
• Thermostat
- To start: insert the two AA batteries provided into the battery compartment.
Once batteries are fitted all symbols will be displayed on the LCD screen as shown for two seconds.
- After 2 seconds, the LCD will show:
– The ambient temperature (°C) solid.
– The icon
is solid when the heating is turned ON.
– The setpoint temperature (°C) solid.
– RF icon flashes.
Note: When the batteries must be changed, a low battery level indicator appears on the device.
Remember to take used batteries to battery collection points so they can be recycled.
– Installing batteries
| 1- Remove the batteries cover which is placed on the front of thermostat. | 2- Insert the 2 batteries AA supplied. Note the correct polarity according to the engraving on the thermostat when inserting the batteries. | 3- Replace the batteries cove r. |
![]() | ![]() | ![]() |
PAIRING PROCEDURE
The thermostat and the programmer are not bonded together at the factory.
To bond the thermostat and the programmer together, proceed as below:
- Move the 2 mode sliders on both sides of the programmer to the OFF position and then move the program slider to the RUN position.
Once this is done, press and hold the RF test button until Pair is shown in the display (approx. 5 seconds). The pairing icon will be flashing.
- Within 1 minute, press and hold the RF Test button on the thermostat until PAir is shown in the display (approx. 5 seconds). The pairing Icon will be flashing.

- Programmer and Thermostat RF icon will be solid when pairing is complete and normal display is returned.
Note: the programmer is usually located near your boiler. If you want to check the signal strength, press and release the RF test button on the thermostat. RF icon blinks for 10 seconds then signal strength appears. 10 is the best signal strength.
PROGRAMMING
Note : The PRG is already set with correct date and time. Should programmer need reseting for any reasons, please see instructions on page 4.
Boost
SET THE CH/Z1 AND HW/Z2 PROGRAMMING
- Move the Programming slider to position CH Z1.
All days of week are solid. Underscore and Yes/ No are flashing.
- Press Day if you want to set an other day of the week. Underscore moves under the other days. Then press Yes to program the underscored day.

- Press + or – to increment/decrement the first On/Off period start time.
Then press Yes to confirm.
- Press + or – to increment/decrement the first On/Off period end time. Then press Yes to confirm.

Repeat for the second On/Off period and for the third On/Off period. (Please refer to the advanced installer settings on Installation instruction to enable the third On/Off period).
| On/Off periods | Default schedule | |
| Two On/Off periods settings | ||
| Period 1 | Start at 06:30 am | End at 08:30 am |
| Period 2 | Start at 05:00 pm | End at 10:00 pm |
| Three On/Off periods settings | ||
| Period 1 | Start at 06:30 am | End at 08:30 am |
| Period 2 | Start at 12:00 pm | End at 02:00 pm |
| Period 3 | Start at 05:00 pm | End at 10:00 pm |
6- The current program can be copy to the next days. Press Yes to copy or No to program manually the next day.

7- Slide the programming slider to position HWZ2 to confirm and program the second channel.

8- Repeat the previous step to program On/Off period for HW/Z2.
9- When finished, move the program slider Run to position to confirm.

OPERATING
MODE SELECTION AND DESCRIPTION
Mode sliders sequences for CH/Z1 and HW/Z2: Constant → all day→ auto→ off
| Constant: Permanent ON mode. The system is permanently turned ON. | All day: The system turn ON from the first On period start time until the last Off period end time of the current day. |
![]() | ![]() |
| Auto: Automatic mode. The unit is controlling to the programming that have been selected (refer to “Programming” section page 2). | Off: Permanent Off mode. The system stays Off permanently. The boost mode can be still used. |
![]() | ![]() |
BOOST
BOOST: Boost mode is a temporary mode which allows you to switch ON for 1, 2 or 3 hours. At the end of set period the device will revert to its prior setting.

BOOST will work from any running mode.
BOOST is entered by pressing Boost button for corresponding system (CH/Z1 or HW/ Z2).
Press 1 time to set 1 hour, 2 times to set 2 hours and 3 times to set 3 hours.
BOOST is cancelled by pressing again on Boost or movement of sliders.
When BOOST is running the end of Boost period is shown for each system.
Note:
– The Programming slider must be in the Run position.
– There will be a slight delay between pressing and activation of the relay.
ADVANCE
Advance: advance mode is a temporary mode which allows you to switch ON the system in advance, until the next On/Off period end time.
Press Adv button of corresponding channel to activate this mode.
Press again Adv button to disable it before the end.

HOLIDAY
Holiday: Holiday mode allows to switch off the heating (or Z1) and hot water (or Z2) for a specified number of days, adjustable between 1 and 99 days.

To set the holiday function:
| 1- Press Day button for 5 seconds. | 2- OFF appears on the display. Press – or + to increment or decrement the number of days. |
![]() | ![]() |
| 3- Then press Yes to confirm. the heating (or Z1) and hot water (or Z2) switch Off and the number of remaining days will count down on display. | 4- To cancel the holiday function, press Day button. |
![]() | ![]() |
REVIEW
Review: Review mode allows to review all programming in one time. The review starts from the beginning of the week and each steps appears each 2 seconds.
Press Review button to start the programming review.
Press again to go back on normal operating mode.

TEMPERATURE SETTING
The desired temperature can be set.
1- To set the temperature, turn the dial clockwise, to increment the temperature, turn the dial counter-clockwise, to decrement the temperature.
The default temperature is 20°C (68°F).

FACTORY SETTINGS
• Programmer
| Settings | Factory settings | |
| Two On/Off periods settings | ||
| Period 1 | Start at 06:30 am | End at 08:30 am |
| Period 2 | Start at 05:00 Pm | End at 10:00 pm |
| Three On/Off periods settings | ||
| Period 1 | Start at 06:30 am | End at 08:30 am |
| Period 2 | Start at 12:00 Pm | End at 02:00 pm |
| Period 3 | Start at 05:00 ‘am | End at 10:00 pm |
Note: To restore factory settings, press and hold down this part for more than 3 seconds using the tip of a pen.

All LCD display will be turned ON for 2 seconds and the factory settings will be restored.
• Thermostat
| Settings | Factory settings |
| Set temperature | 20°C |
Note: To restore factory settings, press and hold down this part for more than 3 seconds using the tip of a pen.
All LCD display will be turned ON for 2 seconds and the factory settings will be restored.

SET DATE AND CLOCK
- Move the Programming slider to position
.
Preset year is solid.
- To select the current year, press + , to increment the year.
Press –, to decrement the year.
Press Yes to confirm and set the current month.
- The preset month appears.
Press + to increment the month.
Press – to decrement the month.
Press Yes to confirm and set the current day.
- The preset day appears.
Press + to increment the day.
Press – to decrement the day.
Press Yes to confirm and set the clock.
01 = January ; 02 = February ; 03 = March ; 04 = April ; 05 = May ; 06 = June ; 07 = July ; 08 = August ; 09 = September ; 10 = October ; 11 = November ; 12 = December
- The preset time appears.
Press + to increment the time.
Press – to decrement the time.
Move the program slider to any other position to confirm/finish this setting.
TROUBLESHOOTING
Display disappears on programmer:
• Check fused spur supply.
Heating does not come on:
- If the CH Indicator light is on then it is unlikely to be a fault with the programmer.
- If CH indicator light is NOT ON then check programme then try BOOST as this should operate in any position.
- Check that your room thermostat is calling for heat.
- Check that the boiler is on.
- Check that your pump is working.
- Check that your motorised valve if fitted has opened.
Hot water does not come on:
- If the HW Indicator light is on then it is unlikely to be a fault with the programmer.
- If HW indicator light is NOT ON then check programme then try BOOST as this should operate in any position.
- Check that your Cylinder thermostat is calling for heat.
- Check that the boiler is on.
- Check that your pump is working.
- Check that your motorised valve if fitted has opened.
The boiler is not heating:
- Check that the thermostat is calling for heat if yes then the thermostat would appear to be working check that the boiler has not switched itself off. If no increase set temperature.
- Check the position of the batteries. Remove them for 30 seconds and reinsert them. If the problem persists, replace the 2 batteries.
Nothing in the display:
• Check the position of the batteries. Remove them for 30 seconds and reinsert them. If the problem persists, replace the 2 batteries.
The room temperature is not high enough, the boiler is not providing enough heat:
• Check the active desired temperature and increase it if need be (see page 3).
You made a mistake while setting:
• You just need to restore factory settings, as explained in the “Factory settings” section (see page 4). This will reverse any changes you might have made.
The system is not heating but is on:
• If and indicator light is on but the system remains cold, then you should contact your installer.
If the problem persists contact your installer.
Note: If Service due soon or service due appears in display please contact your landlord.
TECHNICAL SPECIFICATIONS
Please refer to the installing instructions for any informations about standards and product environment.
NOTE
In some instances the unit may have been set with the service interval function enabled.
By Law in rented accommodation, your gas boiler should be inspected/serviced annually to ensure it is working correctly.
This option is designed to remind the end user to contact the relevant person to have the annual service carried out on the boiler.
This function will be enabled and programmed by your Installer, maintenance Engineer, or Landlord.
If it has been set to do so, the unit will display a message on the screen to remind you that a boiler service is due.
The Service Due Soon countdown will be indicated up to 50 days before the Service is due to allow time to arrange for an engineer to attend, normal functions will continue during this stage. At the end of this service due soon period, the unit will go to Service Due OFF at which point only the 1hour boost will operate on TMR7 and PRG7, if the unit is a thermostat RT1/RT7, it will operate at 20°C during this hour. If PRG7 RF, Thermostat has no function.
WHAT IS A PROGRAMMER ?

…an Explanation for Householders. Programmers allow you to set ‘On’ and ‘Off’ time periods. Some models switch the central heating and domestic hot water on and off at the same time, while others allow the domestic hot water and heating to come on and go off at different times. Set the ‘On’ and ‘Off’ time periods to suit your own lifestyle. On some programmers you must also set whether you want the heating and hot water to run continuously, run under the chosen ‘On’ and ‘Off’ heating periods, or be permanently off. The time on the programmer must be correct. Some types have to be adjusted in spring and autumn at the changes between Greenwich Mean Time and British Summer Time. You may be able to temporarily adjust the heating programme, for example, ‘Advance’, or ‘Boost’. These are explained in the manufacturer’s instructions. The heating will not work if the room thermostat has switched the heating off. And, if you have a hot-water cylinder, the water heating will not work if the cylinder thermostat detects that the hot water has reached the correct temperature.
WHAT IS PID
The PID feature works by using a formula to calculate the difference between the desired temperature setpoint and current ambient temperature, the PID feature then predicts how much power to use to ensure the ambient temperature remains as close to the temperature setpoint as possible by eliminating the impact of environmental temperature changes.

Creating innovative solutions for ambient comfort
NEOMITIS® LIMITED – 16 Great Queen Street, Covent Garden, London, WC2B 5AH UNITED KINGDOM
Registered in England and Wales No: 9543404
Tel: +44 (0) 2071 250 236 – Fax: +44 (0) 2071 250 267 – E-mail: [email protected]

















Note: the programmer is usually located near your boiler. If you want to check the signal strength, press and release the RF test button on the thermostat. RF icon blinks for 10 seconds then signal strength appears. 10 is the best signal strength.










Note: A low battery level indicator
Remember to take used batteries to a battery collection point so they can be recycled.
Note: When the batteries must be changed, a low battery level indicator appears on the device.


















Press Yes to confirm and set the current day.
Press Yes to confirm and set the clock.
Move the program slider to any other position to confirm/finish this setting.


















