CONVOTHERM C4 Combi Oven

Combi oven
Convotherm maxx pro easy touch Marine
Key features
- Natural Smart ClimateTM (ACS+) with extra functions:
- Crisp&Tasty – 5 moisture-removal settings
- BakePro – 5 levels of traditional baking
- HumidityPro – 5 humidity settings
- Controllable fan – 5 speed settings
- easyTouch 10” TFT HiRes glass touch display (capacitive) ConvoClean+ fully automatic cleaning system with eco, regular and express modes – with optional single-dose dispensing HygieniCare
- WiFi and Ethernet interface (LAN)
- USB port integrated in the control panel
- TriColor indicator ring – indicates the current operating status Steam generated by injecting water into the oven cavity
- LED lighting in the oven cavity
- Unit door with triple glazing, right-hinged and door holder Standard unit feet for bolting or welding (marine feet)
Standard features
- Cooking methods:
- Steam (30-130°C) with guaranteed steam saturation
- Combi-steam (30-250 °C) with automatic moisture control ™ Convection (30-250 °C) with optimized heat transfer Operation of easyTouch user interface:
- 10” TFT HiRes glass touch display (capacitive)
- Smooth-action, quick-reacting scrolling function
- Natural Smart ClimateTM (ACS+)
- Climate Management
- Natural Smart ClimateTM (ACS+), HumidityPro, Crisp&Tasty Quality Management
- Airflow Management, BakePro, Multi-point core temperature probe, Preheat and cool down function
- Production Management
- Automatic cooking with Press&Go with up to 399 profiles
- Integrated cookbook with 7 different categories
- TrayTimer – load management for different products at the same time (manual mode)
- TrayView – Load management for automatic cooking of different products using Press&Go
- Favorites management
- HACCP data storage
- USB port
- ecoCooking – energy-save function
- LT cooking (low-temperature cooking) / Delta-T cooking
- Cook&Hold – cook and hold in one process
- Auto Start
- Regenerate+ – flexible multi-mode rethermalization function with preselect
Standard features
- Cleaning Management:
- Convoclean+: Fully automatic cleaning system
- Quick access to individually created and saved cleaning
- profiles
- Cleaning Scheduler
- FilterCare Interface
- HygieniCare:
- Hygienic Steam Function
- Hygienic Handles
- SteamDisinfect
- Design:
- Unit door with triple glazing, safety latch, sure-shut function, venting position, right-hinged, LEDs for oven cavity lighting and door holder
- Standard feet with additional bracket for screwing or welding to the supporting surface
- Steam generated by injecting water into the oven cavity
- Adjustable appliance feet, from 100 mm to 125 mm
- Multi-point core temperature probe
- Integrated recoil hand shower
Options Accessories
Convotherm maxx pro easyTouch Marine

- 10.10 10+1 Shelves GN 1/1 with locking bar
- Electric
- Injection/Spritzer
- Right-hinged door
Key features
- Natural Smart ClimateTM (ACS+) with extra functions:
- Crisp&Tasty – 5 moisture-removal settings
- BakePro – 5 levels of traditional baking
- HumidityPro – 5 humidity settings
- Controllable fan – 5 speed settings
- easyTouch 10” TFT HiRes glass touch display (capacitive)
- ConvoClean+ fully automatic cleaning system with eco, regular and express modes – with optional single-dose dispensing HygieniCare WiFi and Ethernet interface (LAN)
- USB port integrated in the control panel
- TriColor indicator ring – indicates the current operating status Steam generated by injecting water into the oven cavity
- LED lighting in the oven cavity
- Unit door with triple glazing, right-hinged and door holder Standard unit feet for bolting or welding (marine feet)
Options
- Disappearing door with door latch – more space and greater safety at work (see separate datasheet)
- Steam and vapour removal – built-in condensation module (on request)
- Available in various voltages
- Sous-vide probe, external connection
- Core temperature probe, external connection
Accessories
- Production Management: kitchenconnect® (WiFi/LAN), a network solution from Welbilt for updating and monitoring appliances from anywhere
- Signal tower – external operating-state indicator
- Banquet system (optionally as a package or individually): Plate rack, mobile shelf rack, transport trolley, thermal cover
- Stands in various sizes and designs
- Racks, choice of GN or BM versions with securing rod (BM = standard baking sheet size)
- Stacking kit with maritime flanged feet
- Care products for the ConvoClean+ fully automatic cleaning system (multiple and single-measure dispensing)
Dimensions Weights Views
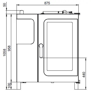
Front view
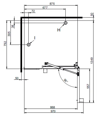
View from above with wall clearances
Installation instructions
- Absolute tilt of unit in operation* max. 2° (3.5%)
- Clearance from heat sources min. 500 mm
- Recommended clearance for service, left side of unit min. 500 mm
Adjustable feet included as standard.
The combi oven must be set up with 3 sides free to provide access for cleaning. As an alternative, use a 150 mm high foot; on request.
Connection points

- A Water connection (for water injection)
- B Water connection (for cleaning, recoil hand shower)
- C Drain connection DN 50
- D Electrical connection
- E Equipotential bonding
- F Rinse-aid connection
- G Cleaning-agent connection
- H Air vent Æ 50 mm
- I Dry air intake Æ 50 mm
- M Safety overflow 80 x 25 mm
- N RJ45 Ethernet port
Dimensions and weights
Dimensions including packaging
- Width x Height x Depth 1100 x 1300 x 940 mm
Weight
- Empty weight without options* / accessories 120 kg
- Weight of packaging 28 kg
Safety clearances
- Rear 50 mm
- Right 50 mm
- Left (see installation instructions) 50 mm
- Top 500 mm
- Weight of options 15 kg max.
- Required for functionality of appliance.
- Depends on type of air ventilation system and nature of ceiling.
Loading Electrical supply
Loading capacity
- Matching rack included as standard.
- Matching rack available as an accessory.
Electrical supply
- Connection to energy optimization system included as standard.
PLEASE NOTE: If the ConvoSmoke option is chosen, the only voltages available are 3~ 230V 50/60Hz and 3N~ 400V 50/60Hz.
Water Emissions
Water connection
- Water supply Water supply* 2 x G 3/4” fixed connection, optionally including connecting pipe (min. DN13 / 1/2”)
- Flow pressure 150 – 600 kPa (1.5 – 6 bar)
Appliance drain
- Drain version Funnel drain with P-trap (recommended) or fixed connection
- Type DN 50 (min. internal Ø: 46 mm)
- Slope for drain pipe min. 3.5% (2°)
Install a backflow preventer approved by the manufacturer if stipulated by the relevant standards and regulations.
Water quality
Water consumption
- Values for selecting the capacity of the water treatment system.
- Including water used for cooling the wastewater.
PLEASE NOTE: See the diagram of connection points, on page 2.
Emissions
Dissipated heat*
- Latent heat 2900 kJ/h / 0.81 kW
- Sensible heat 3600 kJ/h / 1.00 kW
- Wastewater temperature max. 80 °C
- Noise during operation max. 70 dBA
* The dissipated heat values were measured as per DIN 18873-1 “Methods for measuring the energy use of equipment for commercial kitchens — Part 1”. The type and frequency of appliance usage are decisive for the specification of an air conditioning and ventilation system. These values can be higher than the values indicated for dissipated heat. Guide values can be found in the technical literature, e.g. in VDI 2052. Please consult your specialized design engineer for planning an air conditioning and ventilation system.
Accessories
(Please refer to the Accessories brochure for detailed information)
Stacking kit
- Permitted combination 6.10 on 10.10
- Select “Stacking kit for Convotherm 4 Marine version”
Please observe the following points:
This document is to be used solely for planning purposes. Please refer to the Installation manual for further technical data and guidance on installation and positioning.
- Tel: +49(0)8847 67-0
- Fax: +49(0)8847 414
- www.convotherm.com

















