
Combi oven
Convotherm maxx pro easyDial

C4 Full Pan Combi Oven
Project __________________________
Item ____________________________
Quantity _________________________
FCSI section ______________________
Approval _________________________
Date _____________________________
- 6.10 6+1 Shelves GN 1/1
- Electric
- Boiler
- Disappearing door
Key features
- Natural Smart Climate™ (ACS+) cooking methods: Steam, Combisteam, Convection
- Natural Smart Climate™ (ACS+) with extra functions:
- Crisp&Tasty – 5 moisture-removal settings
- BakePro – 5 levels of traditional baking
- HumidityPro – 5 humidity settings
- Controllable fan – 5 speed settings
- easyDial: all functions are set in one operating level
- Semi-automatic cleaning system
- HygieniCare
- USB port integrated in the control panel
- TriColor indicator ring – indicates the current operating status
- Steam generated by high-performance boiler outside the oven cavity
- LED lighting in the oven cavity
- Disappearing door with triple glazing: more space and greater safety at work (available optionally at an additional charge)
Standard features
- Cooking methods: Steam (30-130°C) with guaranteed
- steam saturation Combi-steam (30-250 °C) with automatic moisture control
- Convection (30-250 °C) with optimized heat transfer
- Operation of easyDial user interface:
- Central control unit, Convotherm-Dial (C-Dial)
- Digital display
- Climate Management
- Natural Smart ClimateTM (ACS+), HumidityPro, Crisp&Tasty
- Quality Management
- Airflow Management, BakePro, Multi-point core temperature probe Production Management
- 99 cooking profiles each containing up to 9 steps
- HACCP data storage
- USB port
- Regenerating function regenerates products to their peak level
- Preheat and cool down function
- Cleaning Management:
- Semi-automatic cleaning system
- HygieniCare:
- Hygienic Handles
- Design:
- Unit door with triple glazing, safety latch, sure-shut function, venting position and LEDs for oven cavity lighting
- Steam generation by means of a boiler
- Adjustable appliance feet, from 100 mm to 125 mm
- Multi-point core temperature probe
- Integrated recoil hand shower
Dimensions Weights Views
Front view

View from above with wall clearances

Installation instructions
| Absolute tilt of unit in operation* | max. 2° (3.5%) |
| Clearance from heat sources | min. 500 mm |
| Recommended clearance for service, left side of unit | min. 500 mm |
* Adjustable feet included as standard.
The combi oven must be set up with 3 sides free to provide access for cleaning.
As an alternative, use a 150 mm high foot; on request.
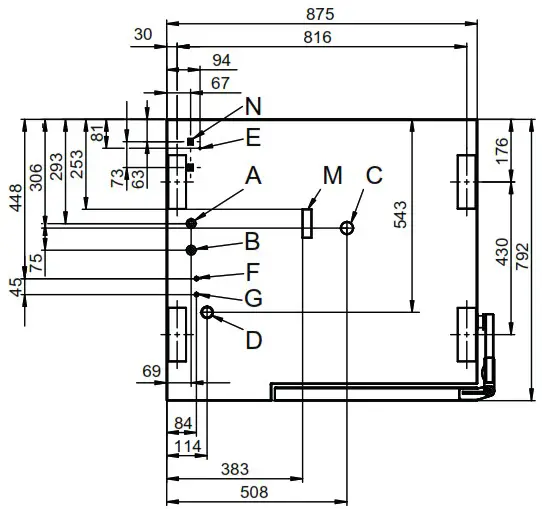
Connection points

| A Water connection (for boiler) B Water connection (for cleaning, recoil hand shower) C Drain connection DN 50 D Electrical connection E Equipotential bonding F Rinse-aid connection | G Cleaning-agent connection H Air vent Æ 50 mm I Dry air intake Æ 50 mm M Safety overflow 80 x 25 mm N RJ45 Ethernet port |
Dimensions and weights
| Dimensions including packaging | |
| Width x Height x Depth | 1100 x 1025 x 940 mm |
| Weight | |
| Empty weight without options* / accessories | 126 kg |
| Weight of packaging | 25 kg |
| Safety clearances** | |
| Rear | 50 mm |
| Right-hand side (disappearing door pushed back) | 130 mm |
| Left (see installation instructions) | 50 mm |
| Top*** | 500 mm |
* Weight of options 15 kg max.
** Required for functionality of appliance.
*** Depends on type of air ventilation system and nature of ceiling.
Loading Electrical supply
Loading capacity
| Max. number of food containers | |
| GN 1/1* | 6+1 |
| 600 x 400** baking tray | 5 |
| Plates max. Ø 32 cm, Ring spacing 65 mm** | 20 |
| Plates max. Ø 32 cm, Ring spacing 78 mm** | 15 |
| Maximum loading weight GN 1/1 / 600 x 400 | |
| Per combi oven | 30 kg |
| Per shelf level | 15 kg |
* Matching rack included as standard.
** Matching rack available as an accessory.
Electrical supply
| 3N~ 400V 50/60Hz* | |
| Rated power consumption | 11.0 kW |
| Rated current | 15.9 A |
| Fuse rating | 16A |
| RCD (GFCI), single-phase frequency converter | Type A/B |
| Recommended conductor cross-section | 5G4 |
| 3~ 230V 50/60Hz* | |
| Rated power consumption | 10.9 kW |
| Rated current | 27.4 A |
| Fuse rating | 35 A |
| RCD (GFCI), single-phase frequency converter | Type A/B |
| Recommended conductor cross-section | 4G6 |
| 3~ 200V 50/60Hz* | |
| Rated power consumption | 10.9 kW |
| Rated current | 31.5 A |
| Fuse rating | 35 A |
| RCD (GFCI), single-phase frequency converter | Type A/B |
| Recommended conductor cross-section | 4G6 |
| 3~ 400V 50/60Hz* | |
| Rated power consumption | 11.0 kW |
| Rated current | 15.9 A |
| Fuse rating | 16 A |
| RCD (GFCI), three-phase frequency converter | Type B |
| Recommended conductor cross-section | 5G4 |
* Connection to energy optimization system included as standard.
Water Emissions
| Water supply | 2 x G 3/4” fixed connection, optionally including connecting pipe (min. DN13 / 1/2”) |
| Flow pressure | 150 – 600 kPa (1.5 – 6 bar) |
| Appliance drain Drain version | Funnel drain with P-trap (recommended) or fixed connection |
| Type | DN 50 (min. internal Ø: 46 mm) |
| Slope for drain pipe | min. 3.5% (2°) |
Water quality
Water-supply connection A* for boiler,
Water-supply connection B* for cleaning, recoil hand shower
| General requirements | Drinking water, typically hard water |
| General hardness** | 4 – 20 °dh / 70 – 360 ppm /7 – 35 °TH / 5 – 25 °e |
| pH value | 6.5 – 8.5 |
| Cl- (chloride) | max. 60 mg/l |
| Cl2 (free chlorine) | max. 0.2 mg/l |
| SO42- (sulphate) | max. 150 mg/l |
| Fe (iron) | max. 0.1 mg/l |
| SiO2 (silicate) | max. 13 mg/l |
| NH2Cl (monochloramine) | max. 0.2 mg/l |
| Temperature | max. 40 °C |
| Electrical conductivity | min. 20 μS/cm |
* See diagram of connection points, page 2.
** Despite compliance with the general hardness limits, non-hardness deposits may occur in certain cases. Measures must be coordinated with the technical service.
Water consumption
Water-supply connections A, B
| Ø Consumption for cooking** | 3.0 l/h |
| Max. water flow rate | 15 l/min |
** Including water used for cooling the wastewater.
PLEASE NOTE: See diagram of connection points, page 2.
Emissions
Dissipated heat*
| Latent heat | 2100 kJ/h / 0.58 kW |
| Sensible heat | 2900 kJ/h / 0.81 kW |
| Waste water temperature | max. 80 °C |
| Noise during operation | max. 70 dBA |
* The dissipated heat values were measured as per DIN 18873-1 “Methods for measuring the energy use of equipment for commercial kitchens — Part 1”. The type and frequency of appliance usage are decisive for the specification of an air conditioning and ventilation system. These values can be higher than the values indicated for dissipated heat. Guide values can be found in the technical literature, e.g. in VDI 2052.
Please consult your specialized design engineer for planning an air conditioning and ventilation system.
Accessories
ACCESSORIES
(Please refer to the Accessories brochure for detailed information) Stacking kit
| Permitted combinations | 6.10 on 6.10 6.10 on 10.10 |
For a combination of two electric appliances
Select “Stacking kit for Convotherm 4 electric appliances”
For a combination of one electric appliance and one gas appliance in the stacking kit
Select “Stacking kit for Convotherm 4 electric appliances” if:
| Bottom combi oven | EB/ES |
| Top combi oven | GB/GS |
Select “Stacking kit for Convotherm 4 gas appliances” if:
| Bottom combi oven | GB/GS |
| Top combi oven | EB/ES |
Condensation hood ConvoVent 4*
Electrical supply
| Rated voltage | 1N~ 200-240V 50/60Hz |
| Rated power consumption | 130-260 W |
| Rated current | 1.0-1.9 A |
| Fuse rating | 2.5 A |
Dimensions excluding packaging
| Width x Height x Depth | 877 x 240 x 1085 mm |
| Weight excluding packaging | 66 kg |
| Safety clearance above** | 500 mm |
* Condensation hoods specially designed for stacking kits are available.
** Depends on type of air ventilation system and nature of ceiling.
Condensation hood ConvoVent 4+*
Electrical supply
| Rated voltage | 1N~ 200-240V 50/60Hz |
| Rated power consumption | 130-260 W |
| Rated current | 1.0-1.9 A |
| Fuse rating | 2.5 A |
Dimensions excluding packaging
| Width x Height x Depth | 877 x 373 x 1085 mm |
| Weight excluding packaging | 85 kg |
| Safety clearance above** | 500 mm |
* Condensation hoods specially designed for stacking kits are available.
** Depends on type of air ventilation system and nature of ceiling.
Please observe the following points:
This document is to be used solely for planning purposes.
Please refer to the Installation manual for further technical data and guidance on installation and positioning.
![]()
Welbilt Deutschland GmbH
Talstraße 35, 82436 Eglfing, Germany
Tel: +49(0)8847 67-0
Fax: +49(0)8847 414
www.convotherm.com
9769343_00 ENG_GBR 06/21, © 2021 Welbilt.
Continuous improvements to the product may mean changes to the specification are made without explicit mention.
















