CONVOTHERM C4eD20.10GB Combi Oven Instructions

Key features
Natural Smart ClimateTM (ACS+) cooking methods: Steam, Combisteam, Convection
Natural Smart ClimateTM (ACS+) with extra functions:
- Crisp&Tasty – 5 moisture-removal settings
- BakePro – 5 levels of traditional baking
- HumidityPro – 5 humidity settings
- Controllable fan – 5 speed settings easyDial: all functions are set in one operating level
Semi-automatic cleaning system
HygieniCare
USB port integrated in the control panel
TriColor indicator ring – indicates the current operating status
Steam generated by injecting water into the oven cavity
Disappearing door: more space and greater safety at work (optionally available for an extra charge)
Standard features
- Cooking methods:
Steam (30-130°C) with guaranteed steam saturation
Combi-steam (30-250 °C) with automatic moisture control
Convection (30-250 °C) with optimized heat transfer - Operation of easyDial user interface:
Central control unit, Convotherm-Dial (C-Dial)
Digital display
Climate Management
Natural Smart ClimateTM (ACS+), HumidityPro, Crisp&Tasty - Quality Management
Airflow Management, BakePro, Multi-point core temperature probe - Production Management
99 cooking profiles each containing up to 9 steps
HACCP data storage
USB port
Regenerating function – regenerates products to their peak level
Preheat and cool down function - Cleaning Management:
Semi-automatic cleaning system - HygieniCare:
Hygienic Handles - Design:
Unit door with safety latch, sure-shut function, venting position
Steam generated by injecting water into the oven cavity
Adjustable appliance feet, from 100 mm to 125 mm
Multi-point core temperature probe
Integrated recoil hand shower
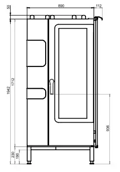
Front view

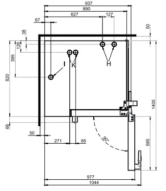
View from above with wall clearances

Installation instructions
Absolute tilt of unit in operation* max. 2° (3.5%)
Clearance from heat sources min. 500 mm
Recommended clearance for service, left side of unit min. 500 mm
* Adjustable feet included as standard.
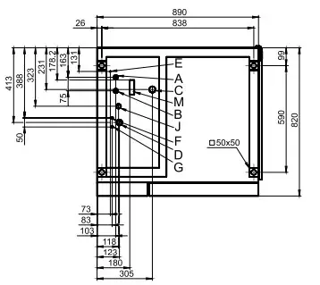
Connection points

A Water connection (for water injection)
B Water connection (for cleaning, recoil hand shower)
C Drain connection DN 50
D Electrical connection
E Equipotential bonding
F Rinse-aid connection
G Cleaning-agent connection
H Air vent Æ 50 mm
I Dry air intake Æ 50 mm
J Gas supply
K Exhaust outlet Æ 50 mm
M Safety overflow 80 x 25 mm
Dimensions and weights
Dimensions including packaging
Width x Height x Depth 1165 x 2150 x 970 mm
| Weight Empty weight without options* / accessories | 284 kg |
| Weight of packaging | 40 kg |
| Safety clearances** Rear | 50 mm |
| Right-hand side (disappearing door pushed back) | 160 mm |
| Left (see installation instructions) | 50 mm |
| Top*** | 1000 mm |
* Weight of options 15 kg max.
** Required for functionality of appliance.
*** Depends on type of air ventilation system and nature of ceiling.



















