velleman K8016 PC Function Generator Instruction Manual
Features & specifications
Features
- frequency range: from 0.01Hz to 1MHz
- crystal-based stability
- optically isolated from the PC
- low sinewave distortion
- TTL level synchronisation output
- stores up to 32K of waveform points
- standard waveforms: sine, square and triangle
- predefined library waveforms included: noise, sweep, …
- includes Windows™ ’95/’98/NT/2000/XP integrated software for the function generator and Velleman PC oscilloscopes
- you can create your own waveforms with the integrated signal wave editor
- can be chained with Velleman PC oscilloscopes to the same PC printer port (LPT1, 2 or 3)
- extended bode plot possibility, used with PC scope PCS500 / K8031 / PCS100
function generator screen with signal preview - assembled version available: PCG10
Specifications
- power supply: standard 12V DC adapter, 800mA (PS1208)
- direct digital wave synthesis (DDS), 32K wave table
- frequency setting resolution: 0.01%
- amplitude range: 100mVpp to 10Vpp @ 600ohm load
- amplitude resolution: 0.4% of full scale
- offset: from 0 to -5V or +5V max. (resolution 0.4% of full scale)
- vertical resolution: 8 bits (0.4% of full scale)
- maximum sample rate: 32MHz
- typical sine wave distortion (THD): < 0.08%
- output impedance: 50ohm
- dimensions: 235 x 165 x 47mm (9.3″ x 6.5″ x 1.9″)
Windows™ is a registrated trademark of Microsoft® Corporation
Assembly (Skipping this can lead to troubles ! )
Ok, so we have your attention. These hints will help you to make this project successful. Read them carefully.
Make sure you have the right tools:
- A good quality soldering iron (25-40W) with a small tip.

- Wipe it often on a wet sponge or cloth, to keep it clean; then apply solder to the tip, to give it a wet look. This is called ‘thinning’ and will protect the tip, and enables you to make good connections. When solder rolls off the tip, it needs cleaning.
- Thin raisin-core solder. Do not use any flux or grease.

- A diagonal cutter to trim excess wires. To avoid injury when cutting excess leads, hold the lead so they cannot fly towards the eyes.
- Needle nose pliers, for bending leads, or to hold components in place.
- Small blade and Phillips screwdrivers. A basic range is fine.

For some projects, a basic multi-meter is required, or might be handy
Assembly Hints :
- Make sure the skill level matches your experience, to avoid disappointments.
- Follow the instructions carefully. Read and understand the entire step before you perform each operation.
- Perform the assembly in the correct order as stated in this manual
- Position all parts on the PCB (Printed Circuit Board) as shown on the drawings.
- Values on the circuit diagram are subject to changes.
- Values in this assembly guide are correct*
- Use the check-boxes to mark your progress.
- Please read the included information on safety and customer service
* Typographical inaccuracies excluded. Always look for possible last minute manual updates, indicated as ‘NOTE’ on a separate leafle
Soldering Hints :
- Mount the component against the PCB surface and carefully solder the leads

- Make sure the solder joints are cone-shaped and shiny

- Trim excess leads as close as possible to the solder joint

AXIAL COMPONENTS ARE TAPED IN THE CORRECT MOUNTING SEQUENCE !
REMOVE THEM FROM THE TAPE ONE AT A TIME !
Diodes (check the polarity)

- D1 : 1N4148
- D2 : 1N4148
- D3 : 1N4148
- D4 : 1N4148
- D5 : 1N4148
- D6 : 1N4148
- D7 : 1N4148
- D8 : 1N4148
- D9 : 1N4148
- D11 : 1N4148
- D12 : 1N4148
- D13 : 1N4148
- D14 : 1N4148
- D15 : 1N4148
- D16 : 1N4148
- D17 : 1N4148
- D18 : 1N4148
- D19 : 1N4148
- D20 : 1N4148
- D21 : 1N4148
- D22 : 1N4148
- D24 : 1N4148
- D25 : 1N4148
- D35 : 1N4007
Zenerdiode (check the polarity)

- ZD1 : 5V1
Resistors (1%)

- R1 : 10K (1 – 0 – 0 – 2 – 1)
- R2 : 1K (1 – 0 – 0 – 1 – 1)
- R3 : 1K (1 – 0 – 0 – 1 – 1)
- R4 : 1K (1 – 0 – 0 – 1 – 1)
- R5 : 1K (1 – 0 – 0 – 1 – 1)
- R6 : 100 (1 – 0 – 0 – 0 – 1)
- R7 : 100 (1 – 0 – 0 – 0 – 1)
- R8 : 100 (1 – 0 – 0 – 0 – 1)
- R9 : 100 (1 – 0 – 0 – 0 – 1)
- R10 : 100 (1 – 0 – 0 – 0 – 1)
- R11 : 100 (1 – 0 – 0 – 0 – 1)
- R12 : 100 (1 – 0 – 0 – 0 – 1)
- R13 : 200 (2 – 0 – 0 – 0 – 1)
- R14 : 200 (2 – 0 – 0 – 0 – 1)
- R15 : 1K (1 – 0 – 0 – 1 – 1)
- R16 : 470 (4 – 7 – 0 – 0 – 1)
- R17 : 9K1 (9 – 1 – 0 – 1 – 1)
- R18 : 270K (2 – 7 – 0 – 3 – 1)
- R19 : 560K (5 – 6 – 0 – 3 – 1)
- R20 : 82K (8 – 2 – 0 – 2 – 1)
- R21 : 270K (2 – 7 – 0 – 3 – 1)
- R22 : 51K (5 – 1 – 0 – 2 – 1)
- R23 : 150K (1 – 5 – 0 – 3 – 1)
- R24 : 10K (1 – 0 – 0 – 2 – 1)
- R25 : 68K (6 – 8 – 0 – 2 – 1)
- R26 : 12K (1 – 2 – 0 – 2 – 1)
- R27 : 39K (3 – 9 – 0 – 2 – 1)
- R28 : 1K (1 – 0 – 0 – 1 – 1)
- R29 : 10K (1 – 0 – 0 – 2 – 1)
- R30 : 10K (1 – 0 – 0 – 2 – 1)
- R31 : 10K (1 – 0 – 0 – 2 – 1)
- R32 : 4K7 (4 – 7 – 0 – 1 – 1)
- R33 : 47 (4 – 7 – 0 – B – 1)
- R34 : 2K2 (2 – 2 – 0 – 1 – 1)
- R35 : 1K (1 – 0 – 0 – 1 – 1)
- R36 : 1K (1 – 0 – 0 – 1 – 1)
- R37 : 10K (1 – 0 – 0 – 2 – 1)
- R38 : 1M (1 – 0 – 0 – 4 – 1)
- R39 : 10K (1 – 0 – 0 – 2 – 1)
- R40 : 200 (2 – 0 – 0 – 0 – 1)
- R41 : 200 (2 – 0 – 0 – 0 – 1)
- R42 : 200 (2 – 0 – 0 – 0 – 1)
- R43 : 200 (2 – 0 – 0 – 0 – 1)
- R44 : 100 (1 – 0 – 0 – 0 – 1)
- R45 : 47 (4 – 7 – 0 – B – 1)
- R46 : 1K (1 – 0 – 0 – 1 – 1)
- R47 : 1K (1 – 0 – 0 – 1 – 1)
- R48 : 1K (1 – 0 – 0 – 1 – 1)
- R49 : 470 (4 – 7 – 0 – 0 – 1)
- R50 : 4K7 (4 – 7 – 0 – 1 – 1)
- R51 : 10K (1 – 0 – 0 – 2 – 1)
- R52 : 10K (1 – 0 – 0 – 2 – 1)
- R53 : 10K (1 – 0 – 0 – 2 – 1)
- R54 : 20K (2 – 0 – 0 – 2 – 1)
- R55 : 2K (2 – 0 – 0 – 1 – 1)
- R56 : 470 (4 – 7 – 0 – 0 – 1)
- R57 : 1K (1 – 0 – 0 – 1 – 1)
- R58 : 10K (1 – 0 – 0 – 2 – 1)
- R59 : 560K (5 – 6 – 0 – 3 – 1)
- R60 : 330 (3 – 3 – 0 – 0 – 1)
- R61 : 47K (4 – 7 – 0 – 2 – 1)
- R62 : 1K (1 – 0 – 0 – 1 – 1)
- R63 : 330 (3 – 3 – 0 – 0 – 1)
- R64 : 560K (5 – 6 – 0 – 3 – 1)
- R69 : 100 (1 – 0 – 0 – 0 – 1)
- R74 : 100 (1 – 0 – 0 – 0 – 1)
- R75 : 100 (1 – 0 – 0 – 0 – 1)
- R76 : 100 (1 – 0 – 0 – 0 – 1)
- R79 : 4K7 (4 – 7 – 0 – 1 – 1)
- R84 : 2K (2 – 0 – 0 – 1 – 1)
- R85 : 2K (2 – 0 – 0 – 1 – 1)
- R86 : 2K (2 – 0 – 0 – 1 – 1)
Capacitors

- C1 : 100nF (104)
- C2 : 100nF (104)
- C3 : 100nF (104)
- C5 : 100pF (101)
- C6 : 33pF (33)
- C8 : 1nF (102)
- C9 : 100nF (104)
- C10 : 10nF (103)
- C12 : 100nF (104 – µ 1)
- C17 : 100nF (104 – µ 1)
- C20 : 100nF (104 – µ 1)
- C23 : 100nF (104 – µ 1)
- C25 : 100nF (104 – µ 1)
- C26 : 100nF (104 – µ 1)
- C27 : 100nF (104 – µ 1)
- C28 : 100nF (104 – µ 1)
- C29 : 100nF (104 – µ 1)
- C30 : 100nF (104 – µ 1)
- C31 : 100nF (104 – µ 1)
- C32 : 10pF (10)
- C34 : 100nF (104 – µ 1)
- C35 : 100nF (104 – µ 1)
- C36 : 100nF (104 – µ 1)
- C37 : 100nF (104 – µ 1)
- C38 : 100nF (104 – µ 1)
- C39 : 100nF (104 – µ 1)
- C40 : 82pF (82)
- C41 : 100nF (104 – µ 1)
- C42 : 100nF (104 – µ 1)
- C43 : 100nF (104 – µ 1)
- C44 : 100nF (104 – µ 1)
- C45 : 470nF (474)
- C46 : 100nF (104 – µ 1)
- C49 : 100nF (104 – µ 1)
- C50 : 100nF (104 – µ 1)
- C51 : 100nF (104 – µ 1)
- C53 : 100nF (104 – µ 1)
- C54 : 100nF (104 – µ 1)
- C55 : 100nF (104 – µ 1)
- C56 : 100nF (104 – µ 1)
- C57 : 100nF (104 – µ 1)
- C58 : 100nF (104 – µ 1)
- C59 : 100nF (104 – µ 1)
- C64 : 100nF (104 – µ 1)
- C75 : 100nF (104 – µ 1)
- C76 : 100nF (104 – µ 1)
- C79 : 100nF (104 – µ 1)
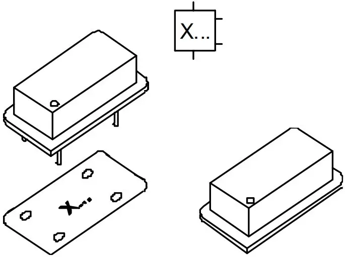
IC sockets Watch the position of the notch!

- IC2 : 16P
- IC3 : 16P
- IC4 : 16P
- IC5 : 16P
- IC6 : 16P
- IC7 : 16P
- IC8 : 16P
- IC9 : 14P
- IC10 : 28P
- IC11 : 16P
- IC13 : 8P
- IC14 : 16P
- IC15 : 14P
- IC18 : 16P
- IC19 : 16P
- IC20 : 8P
- IC21 : 16P
- IC22 : 24P
- IC24 : 8P
- IC33 : 8P
- IC35 : 8P
- IC36 : 8P
- IC37 : 8P
- IC48 : 16P
- IC49 : 16P
- IC50 : 16P
Electrolytic capacitors. Check the polarity !

- C4 : 4µ 7
- C7 : 1µ F
- C11 : 4µ 7
- C13 : 100µ F
- C14 : 100µ F
- C15 : 100µ F
- C16 : 100µ F
- C18 : 4µ 7
- C19 : 100µ F
- C21 : 4µ 7
- C22 : 100µ F
- C24 : 100µ F
- C33 : 10µ F
- C47 : 4µ 7
- C48 : 100µ F
- C71 : 100µ F
- C77 : 1µ F
- C101 : 4µ 7
- C102 : 4µ 7
- C103 : 4µ 7
- C104 : 4µ 7
Multiturn trimmer

- RV1 : 2K (K002TW)
Oscillator (watch the position of the notch)

- X1 : 32MHz
Reed relays (check the position of the notch)

- RY1 : VR05R051A
Pico fuse

- FS1 : 1A fast (PFU1)
Transistor

- T1 : BC337
- T2 : BC327
- T3 : BC337
- T4 : BC327
- T5 : BC337
- T6 : BC337
- T7 : BC337
- T8 : BC327
- T9 : BC337
- T10 : BC337
- T11 : BC337
- T13 : BC337
- T14 : BC337
- T15 : BC32

- T16 : TIP42 (TIP32)
Voltage regulators

- IC1 : 7912 (UA7912)
- IC12 : 7812 (UA7812)
- IC17 : 7805 (UA7805)

- IC16 : 79L05 (UA79L05)
LEDs. Watch the polarity!

- LD1 : 3mm RED (Power ON)
- LD2 : 3mm RED (Ready)
IMPORTANT
Mount these LEDs exactly like in the drawing, otherwise the LEDs will not fit correctly in the front panel.
Connectors

- J6 : BNC
- J8 : BNC
Carefully solder the connections.
- J14 : Power (DJ-005)

- J5 : 25P SUBD, female (connection to PC-scope)

- J7 : 25P SUBD, male (connection from printer port)
IC’s check the position ! (Watch the position of the notch!)

- IC2 : 74HC595
- IC3 : 74HC595
- IC4 : 74HC4518
- IC5 : 74HC595
- IC6 : TDA8702
- IC7 : 74F161
- IC8 : 74HC162
- IC9 : 74HC14
- IC10 : CY7C199
- IC11 : 74HC4518
- IC13 : LM6181
- IC14 : 74HC4051
- IC15 : 74HC132
- IC18 : 74HC4051
- IC19 : 74HC595
- IC20 : 6N136
- IC21 : 74HC595
- IC22 : VK8016 (GAL22V10)
- IC24 : TL081 (TL081CP)
- IC33 : LM6181
- IC35 : 6N136
- IC36 : 6N136
- IC37 : 6N136
- IC48 : 74F161
- IC49 : 74F161
- IC50 : 74F161
Voltage regulator and PCB assembly
- IC23: 7805 (UA7805P) – This regulator must be isolated plastic type !
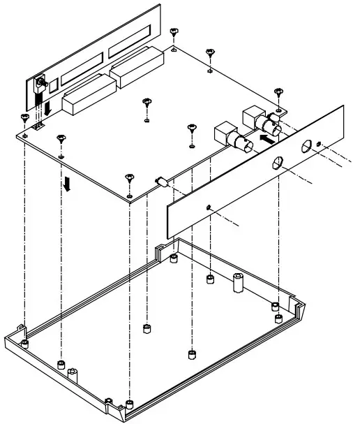
Attention : The voltage regulator is a fully isolated (plastic) type because it has to be isolated galvanically from the rear panel. Mount the voltage regulator on the rear panel and fasten it with the supplied M3 bolt, washer and nut as shown on the drawing. Position the PCB together with the front and rear panel in the bottom half of the enclosure. Now the voltage regulator can be soldered at the component side of the PCB, not at the solder side. Do not fasten the PCB yet.
- Assemble the enclosure as following:

Calibration
To allow calibration, the unit must be connected to the computer and the supplied software must be installed. Please consult the ‘Getting Started’ manual for details on the connection and installation procedure.
- Select the function generator module [Function generator].
- Select the correct parallel port [Options > Hardware setup].
- Check if the ‘POWER ON’ (LD1) LED lights. If it does not light, check the complete assembly and check the parallel port settings in the options-hardware setup of the software.
- Make sure the frequency is set to 1000Hz (1KHz). Adjust if necessary (1).
- Make sure the offset is set to 0V. Adjust if necessary (6).
- Make sure the amplitude is set to 5Vpp. Adjust if necessary (7).
- Select sinewave output (4). Readout (9) should now show a sine wave and the ‘READY’ LED (LD2) should light.
- Connect a digital multimeter to the ‘signal out’ connector of the generator. Set it to DC volts. Adjust the multi-turn trimmer RV1 until the multimeter displays zero volts. If necessary, adjust the range of the meter to obtain a higher resolution. Now you can check the waveform, using an oscilloscope or one of our PC- or handheld scopes
- If for some the measured values are totally off, please inspect the complete assembly, paying special attention to the solder joints, component positioning and values.
- If everything went well, you can fasten the PCB with the supplied screws, and close the enclosure lid.
Your function generator is now ready for use !
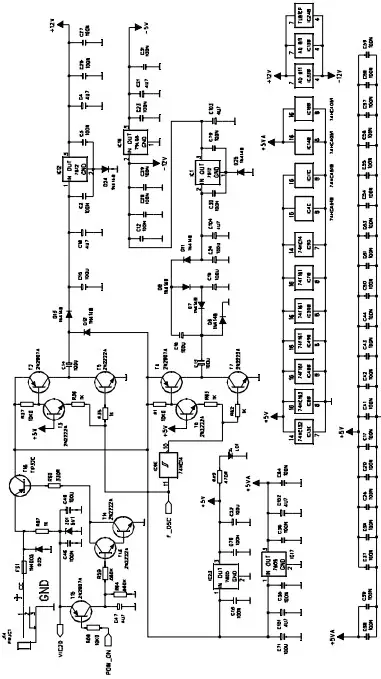
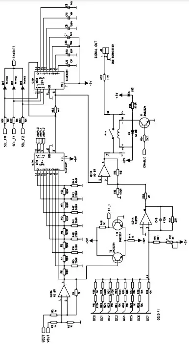
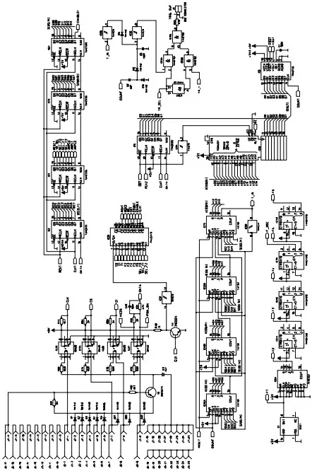
PCB

Power supply section

Analogue section

Digital section

VELLEMAN KIT NV
Legen Heirweg 33
9890 Gavere
Belgium Europe
Info ?: http://www.velleman.be
Questions ?: [email protected]




























