GYS EXATIG HF Generator

WARNING – SAFETY RULES
GENERAL INSTRUCTIONS
Read and understand the following safety recommendations before using or servicing the unit. Any change or servicing that is not specified in the instruction manual must not be undertaken. The manufacturer is not liable for any injury or damage caused due to non-compliance with the instructions featured in this manual . In the event of problems or uncertainties, please consult a qualified person to handle the installation properly.
ENVIRONMENT
This equipment must only be used for welding operations in accordance with the limits indicated on the descriptive panel and/or in the user manual. The operator must respect the safety precautions that apply to this type of welding. In case of inedaquate or unsafe use, the manufacturer cannot be held liable for damage or injury. This equipment must be used and stored in a place protected from dust, acid or any other corrosive agent. Operate the machine in an open, or well-ventilated area.
Operating temperature:
- Use between -10 and +40°C (+14 and +104°F).
- Store between -20 and +55°C (-4 and 131°F).
- Air humidity:
- Lower or equal to 50% at 40°C (104°F).
- Lower or equal to 90% at 20°C (68°F).
- Altitude: Up to 1000 meters above sea level (3280 feet).
PROTECTION OF THE INDIVIDUALS
Arc welding can be dangerous and can cause serious and even fatal injuries. Welding exposes the user to dangerous heat, arc rays, electromagnetic fields, noise, gas fumes, and electrical shocks. People wearing pacemakers are advised to consult with their doctor before using this device. To protect oneself as well as the other, ensure the following safety precautions are taken:

WELDING FUMES AND GAS
The fumes, gases and dust produced during welding are hazardous. It is mandatory to ensure adequate ventilation and/or extraction to keep fumes and gases away from the work area. An air fed helmet is recommended in cases of insufficient air supply in the workplace. Check that the air intake is in compliance with safety standards. Care must be taken when welding in small areas, and the operator will need supervision from a safe distance. Welding certain pieces of metal containing lead, cadmium, zinc, mercury or beryllium can be extremely toxic. The user will also need to degrease the workpiece before welding. Gas cylinders must be stored in an open or ventilated area. The cylinders must be in a vertical position secured to a support or trolley. Do not weld in areas where grease or paint are stored.
FIRE AND EXPLOSION RISKS
Protect the entire welding area. Compressed gas containers and other inflammable material must be moved to a minimum safe distance of 11 meters. A fire extinguisher must be readily available. Be careful of spatter and sparks, even through cracks. It can be the source of a fire or an explosion. Keep people, flammable objects and containers under pressure at a safe distance. Welding of sealed containers or closed pipes should not be undertaken, and if opened, the operator must remove any inflammable or explosive materials (oil, petrol, gas…). Grinding operations should not be directed towards the device itself, the power supply or any flammable materials.
GAS BOTTLE
Gas leaking from the cylinder can lead to suffocation if present in high concentrations around the work area. Transport must be done safely: Cylinders closed and product off. Always keep cylinders in an upright position securely chained to a fixed support or trolley. Close the bottle after any welding operation. Be wary of temperature changes or exposure to sunlight. Cylinders should be located away from areas where they may be struck or subjected to physical damage. Always keep gas bottles at a safe distance from arc welding or cutting operations, and any source of heat, sparks or flames. Be careful when opening the valve on the gas bottle, it is necessary to remove the tip of the valve and make sure the gas meets your welding requirements.
ELECTRIC SAFETY
The machine must be connected to an earthed electrical supply. Use the recommended fuse size. An electrical discharge can directly or indirectly cause serious or deadly accidents. Do not touch any live part of the machine (inside or outside) when it is plugged in (Torches, earth cable, cables, electrodes) because they are connected to the welding circuit. Before opening the device, it is imperative to disconnect it from the mains and wait 2 minutes, so that all the capacitors are discharged. Do not touch the torch or electrode holder and earth clamp at the same time. Damaged cables and torches must be changed by a qualified and skilled professional. Make sure that the cable cross section is adequate with the usage (extensions and welding cables). Always wear dry clothes in good condition, in order to be insulated from the electrical circuit. Wear insulating shoes, regardless of the environment in which you work in.
EMC CLASSIFICATION
These Class A devices are not intended to be used on a residential site where the electric current is supplied by the public network, with a low voltage power supply. There may be potential difficulties in ensuring electromagnetic compatibility on these sites, because of the interferences, as well as radio frequencies.
This equipment complies with the IEC 61000-3-12 standard.
This equipment complies with the IEC 61000-3-11 standard
ELECTROMAGNETIC INTERFERENCES
The electric currents flowing through a conductor cause electrical and magnetic fields (EMF). The welding current generates an EMF field around the welding circuit and the welding equipment. The EMF fields may disrupt some medical implants, such as pacemakers. Protection measures should be taken for people wearing medical implants. For example, access restrictions for passers-by or an individual risk evaluation for the welders. All welders should take the following precautions in order to minimise exposure to the electromagnetic fields (EMF) generated by the welding circuit::
- position the welding cables together – if possible, attach them;
- keep your head and torso as far as possible from the welding circuit;
- never enroll the cables around your body;
- never position your body between the welding cables. Hold both welding cables on the same side of your body;
- connect the earth clamp as close as possible to the area being welded;
- do not work too close to, do not lean and do not sit on the welding machine
- do not weld when you’re carrying the welding machine or its wire feeder. People wearing pacemakers are advised to consult their doctor before using this device. Exposure to electromagnetic fields while welding may have other health effects which are not yet known.
RECOMMENDATIONS TO ASSES THE AREA AND WELDING INSTALLATION
Overview
The user is responsible for installing and using the arc welding equipment in accordance with the manufacturer’s instructions. If electromagnetic disturbances are detected, it is the responsibility of the user of the arc welding equipment to resolve the situation with the manufacturer’s technical assistance. In some cases, this remedial action may be as simple as earthing the welding circuit. In other cases, it may be necessary to construct an electromagnetic shield around the welding power source and around the entire piece by fitting input filters. In all cases, electromagnetic interferences must be reduced until they are no longer bothersome.
Welding area assessment
Before installing the machine, the user must evaluate the possible electromagnetic problems that may arise in the area where the installation is planned.. In particular, it should consider the following:
- the presence of other power cables (power supply cables, telephone cables, command cable, etc…)above, below and on the sides of the arc welding machine.
- television transmitters and receivers ;
- computers and other hardware;
- critical safety equipment such as industrial machine protections;
- the health and safety of the people in the area such as people with pacemakers or hearing aids;
- calibration and measuring equipment
- The isolation of the equipment from other machinery. The user will have to make sure that the devices and equipments that are in the same room are compatible with each other. This may require extra precautions;
- make sure of the exact hour when the welding and/or other operations will take place.
The surface of the area to be considered around the device depends on the the building’s structure and other activities that take place there. The area taken in consideration can be larger than the limits determined by the companies.
Welding area assessment
Besides the welding area, the assessment of the arc welding systems intallation itself can be used to identify and resolve cases of disturbances. The assessment of emissions must include in situ measurements as specified in Article 10 of CISPR 11. In situ measurements can also be used to confirm the effectiveness of mitigation measures.
TRANSPORT AND TRANSIT OF THE WELDING MACHINE
Do not use the cables or torch to move the machine. The welding equipment must be moved in an upright position. Do not place/carry the unit over people or objects.
EQUIPMENT INSTALLATION
- Put the machine on the floor (maximum incline of 10°).
- The machine must be placed in a sheltered area away from rain or direct sunlight. The power cables, extensions and welding cables must be fully uncoiled to prevent overheating. The manufacturer does not incur any responsability regarding damages to both objects and persons that result from an incorrect and/or dangerous use of the machine.
MAINTENANCE / RECOMMENDATIONS
- Maintenance should only be carried out by a qualified person. Annual maintenance is recommended.
- Ensure the machine is unplugged from the mains, and wait for two minutes before carrying out maintenance work. DANGER High Voltage and Currents inside the machine.
- Remove the casing 2 or 3 times a year to remove any excess dust. Take this opportunity to have the electrical connections checked by a qualified person, with an insulated tool.
- Regularly check the condition of the power supply cable. If the power cable is damaged, it must be replaced by the manufacturer, its after sales service or an equally qualified person.
- Ensure the ventilation holes of the device are not blocked to allow adequate air circulation.
- Do not use this equipment to thaw pipes, to charge batteries, or to start any engine.
TIG HF
The arc initiating and stabilizing device is designed for manual
Warning: Increasing the length of the torch or earth return cables beyond the maximum length specified by the manufacturer will increase the risk of electric shock.
INSTALLATION – PRODUCT OPERATION
Only qualified personnel authorised by the manufacturer should perform the installation of the welding equipment. During the installation, the operator must ensure that the machine is disconnected from the mains. Connecting generators in serial or in parallel is forbidden.EQUIPMENT DESCRIPTION (FIG-1)
The EXATIG has to be plugged into the DC power output (such as MMA for example) and it creates high frequency for a TIG HF ignition system. TIG
welding requires gas shield protection of pure gas (Argon). Connecting it into the EXAGON generator gives access to all the TIG settings.
EQUIPMENT DESCRIPTION (FIG-1)
The EXATIG has to be plugged into the DC power output (such as MMA for example) and it creates high frequency for a TIG HF ignition system. TIG welding requires gas shield protection of pure gas (Argon). Connecting it into the EXAGON generator gives access to all the TIG settings.
- Keypad
- Negative polarity plug (torch)
- Trigger connection
- Flow (Argon) knob
- Gas connection for torch
- Negative polarity plug (power generator)
- EXAGON connection input
- Gas inlet
- Positive polarity plug (earth clamp)
- Positive polarity plug (power generator)
INTERFACE (MMI) (FIG-2)
- Default supply indicator
- Product ON indicator
- Trigger mode selection
- Thermal protection indicator
- Priming mode selection
- EXAGON communication indicator
POWER SWITCH
EXATIG is auto-supplied by power generator. This equipment can only be used with a generator which supplies a voltage between 10V and 100 V. Warning, the EXATIG generates a high voltage with high frequency! Make sure the machine is well protected. Make sure the supply chosen is consistant with the EXATIG duty cycle. Warning, it is not possible to reduce the time between each weld to less than 3 seconds. A minimum delay between 2 trigger pushes is needed. Connect the current generator to EXATIG using an interconnect cable (option) WARNING : Make sure to follow the polarity and compatibility between the quarter-turn fitting and EXATIG generator terminals. Connect gas arrival (argon) to EXATIG solenoid valve. Machine welding assistance features (Hot Start, Arc force and Anti-sticking) must be deactivated.
Ensure that welding assistance features are turned off at the power source (e.g. hot start etc.) or it will prevent the machine from going low enough in the voltage and reach 10V.
Machines must have a no-load voltage greater than 10 V to weld, otherwise the EXATIG will stop. EXAGON case : Connect control harness between EXAGON and EXATIG; 2 possibilities:
- ref. 036925 : complete interconnect cable 11 m
- ref. 036918 : kit for interconnect cable see cabling p.24 + control cable (21544)
Continuous working fan Do not obstruct air vents.
FUNCTION, MENU AND PICTOGRAM DESCRIPTIONS

TUNGSTEN ELECTRODE WELDING WITH INERT GAS (TIG MODE) CONNECTIONS AND RECOMMENDATIONS
TIG welding requires a torch as well as a gas bottle equipped with a regulator Connect the earth clamp to the positive connector (+) at the back of the product. Connect the torch power cable to the negative connector (-) , as well as the control connectors for the torch and the gas. Ensure that the torch is equipped and ready to weld and that the consumables (Vise grip, ceramic gas nozzle, collet and collet body) are not worned out.
TRIGGER MODE
2T

4T

EXAGON (TIG MODE)
Make sure there is no voltage when connecting the EXAGON and EXATIG. If there is voltage the connection will not function. The remote control option or pedal option has not been designed to operate on the EXAGON when the EXATIG is connected. The current can be adjusted by using the potentiometer torch connected to the EXATIG which controls the EXAGON’s current level.
WELDING SETTINGS
- Welding intensity settings:
Adjust the downslope duration using the secondary knob according to the diameter and the type of assembly to be carried out. The current setpoint is indicated on the right side display. - Welding downslope settings:
Adjust the downslope duration using the secondary knob (X). . The indicator shows the chosen settings, the right display indicates the precise downslope duration in seconds
ARCING:
HF ignition with EXATIG Using the torch, approach the electrode to the metal piece without making any contact to start the arc.
SELECT IGNITION MODE
- HF TIG: High-Frequency start without contact
- TIG LIFT: Arcing by contact (for environments where HF is not desirable). (only usable with EXAGON)

- Touch the workpiece with the electrode
- Press the trigger on the torch
- Pull back the torch to lift the electrode.
COMPATIBLE TORCHES

The remote control and foot pedal command features are not available when EXATIG is connected to EXAGON and are automatically deactivated.
TRIGGER MODE
2T mode

T1 – The main button is pressed, the welding cycle starts (PreGas and welding).
T2 – The main button is released, the welding cycle is stopped (PostGas) For the double button torch and in 2T mode only, the secondary button works like the main button..
4T mode

T1 – The main button is pressed, welding cycle starts at PreGas and stops in the I_Start.
T2 – The main button is released, the cycle continues in UpSlope and in welding.
T3 – The main button is pressed, the cycle switches to DownSlope and stops in I_Stop.
T4 – The main button is released, the cycle ends with PostGas.
TIG MODE
The chronogram for TIG is as shown in the table below:
| Setting | Comments | Display | Range of settings | Default value |
| Pregaz | Trigger setting with 4T mode or adjustable | PrE. | 0 to 25 sec. | 0 sec. |
| ISTART | % of I1 | I.St. | 10 to 200 % | 50% |
| TSTART | Duration of TSTART | t.St. | 0 to 10 sec. | 0 sec. |
| UpSlope | Upslope by second | UP.S. | 0 to 25 sec. | 0 sec. |
|
I1 | Welding current setting The setting can be done using the coder at the font of the EXAGON or using torch scrollwheel Ipotar=50%IIHM to 100%IIHM (ex : if I1=100A => 50A to 100A wheel capacity.) Display of welding current in A. |
xxx |
10 to 400 A | |
| PLS | Pulse Mode. From OFF to ON there are 2 menu | “PLS ON PLS OFF” | / | OFF |
| Frq | Pulse frequency to switch from crt l1 to crt l2 only if PLS mode is ON 50% duty cycle | FrE. | 0.1 to 200 Hz | 100 Hz |
| Cld | Cold current | Cld | 20 à 80 % | |
| DownSlope | DownSlope is adjusted with wheel. | wheel | 0 to 25 sec. | 1 sec. |
| ISTOP | % of I1 | I.SO. | 10 to 100 % | 20% |
| TSTOP | Duration of TSTOP | t.SO. | 0 to 10 sec. | 0 sec. |
| Post-gas | Trigger setting with 4T mode or customizable : | Po.G. | 0 to 25 sec. | 8 sec. |
ACCESS TO MENU

MENU TIG

RECOMMENDATIONS & USE
RECOMMENDED COMBINATIONS
| Process | Type | HF | Lift |
| TIG DC | STD | ||
| PULSE | |||
| SPOT | – |
|
DC | Current (A) | Electrode (mm) | Shroud (mm) | Argon flow rate (L/min) | |
| 0.3 – 3 mm | 5 – 75 | 1 | 6.5 | 6 – 7 | |
| 2.4 – 6 mm | 60 – 150 | 1.6 | 8 | 6 – 7 | |
| 4 – 8 mm | 100 – 200 | 2 | 9.5 | 7 – 8 | |
| 6.8 – 8.8 mm | 170 – 250 | 2.4 | 11 | 8 – 9 | |
| 9 – 12 mm | 225 – 300 | 3.2 | 12.5 | 9 – 10 |
ELECTRODE GRINDING
To optimise the welding process, it is recommended to grind the electrode prior to welding as described below:

- L = 3 x d for a low current.
- L = d for a high current
USAGE WARNING
Warning: EXATIG is not suitable for spot weld application with power over 200A as this might increase the wear of the product. The contactor might get damaged in the process and will not be covered by the warranty. Contactor 250A SU280 12V : Ref.51081.
USING THE FLOWMETER
TIG welding requires the protection of inert gas (Argon) A flowmeter is integrated into EXATIG giving the operator the possibility to adjust the gas debit (argon) directly. Debit adjustment possibility: 5-25 LPM (litre/min) Precision: ± 5%
DEBIT GAS ADJUSTMENT :
The ball flowmeter must be located in a vertical position To use it, open the scroll wheel (FIG 1) and adjust the position of the ball based on the debit required. The adjustment of the flow has to be when the torch trigger is pushed in. WARNING, do not unscrew the wheel entirely when gas is open.
FLOW GAS READING:
Each scale matches with a flow, the top float (ball) must be at the level of the line in order to get the indicated flow. Reading plan:

MAINTENANCE:
Clean outside the machine using soapy water. Clean and dry If using detergent products make sure they can be used on plastic Do not immerse Inspect between 1 and 3 years according the use.
POST GAS AND PREGAS ADJUSTMENT
PREGAS (0 TO 25 SEC.)
The pregas is used, before arcing, to purge the torch and the area around the welding bead. It also improves arcing consistency.
Advice: the longer the torch is, the longer pregas setting should be. (0.15 s/m of torch)
POSTGAS ADJUSTMENT (3 TO 20 SEC.)
The parameter sets the time while gas is still flowing after arc shutdown. It protects the weld pool and the electrode against oxidisation when the metal is cooling down.
Advice: Increase the duration if welding in a dark area.. (Base : 25A=4sec – 50A=8sec – 75A=9sec – 100A=10sec – 125A=11sec- 150A=13sec)
ADJUST SETTINGS
The switches for post-gas & pre-gas are setted by which are located on the main PCB inside the EXATIG. It is necessary to remove the PCB in order to access. Identify the post gas & Pregas switch to modify the settings according the needs.
Advice: See following table for settings (ms)

The switches are in position 0000 are the default settings:
0 sec for pre-gas
8 sec. for post-gas

| 1 | 2 | 3 | 4 | Pre Gas (ms) | Post Gas (ms) |
| 0 | 0 | 0 | 0 | Fault | Fault |
| 1 | 0 | 0 | 0 | 0 | 0 |
| 0 | 1 | 0 | 0 | 500 | 2000 |
| 1 | 1 | 0 | 0 | 1000 | 3000 |
| 0 | 0 | 1 | 0 | 2000 | 4000 |
| 1 | 0 | 1 | 0 | 3000 | 5000 |
| 0 | 1 | 1 | 0 | 4000 | 6000 |
| 1 | 1 | 1 | 0 | 5000 | 7000 |
| 0 | 0 | 0 | 1 | 6000 | 8000 |
| 1 | 0 | 0 | 1 | 7000 | 9000 |
| 0 | 1 | 0 | 1 | 8000 | 10000 |
| 1 | 1 | 0 | 1 | 9000 | 12500 |
| 0 | 0 | 1 | 1 | 10000 | 15000 |
| 1 | 0 | 1 | 1 | 15000 | 17500 |
| 0 | 1 | 1 | 1 | 20000 | 20000 |
| 1 | 1 | 1 | 1 | 25000 | 25000 |
COMMAND TRIGGER CONNECTOR
| Torch type | Wire description | Pin | ||
| Torch 2 triggers + poten- tiometer | Torch 2 triggers | Torch 1 trigger | Common/Earth | 2 (green) |
| Switch trigger 1 | 4 (white) | |||
| Switch trigger 2 | 3 (brown) | |||
| Common/ Potentiomete earth | 2 (grey) | |||
| 10V | 1 (yellow) | |||
| Cursor | 5 (pink) | |||
WARNING: when EXATIG is not connected to EXAGON the potentiometer on the trigger does not work.
TROUBLESHOOTING, CAUSES, SOLUTIONS
| TROUBLESHOOTING | CAUSES | SOLUTIONS |
|
No gas output | Closed bottle | Open the bottle |
| Flowmeter closed | Unscrew the knob | |
| Defective trigger control | Replace the torch | |
|
The product does not switch on | Turned off generator | Turn on the generator to supply EXATIG |
| Polarity default | Check back the connection (page 2) | |
| The generator voltage level is too low <10V | Disconnect one of the power connections and reconnect to the EXATIG | |
| Thermal LED turned on | Product is used out of its specifications | Let the product cool down |
| Power supply issue LED is on | The product has been overcharged | Use a generator with an output voltage between 10V and 114V |
|
HF does not work | Lift mode selected | Clean the workpiece |
| Non conducting workpiece | Make sure the earth has a good contact with the workpiece | |
| Earth default | ||
| Defective trigger control | Replace the torch | |
| LED communication EXAGON turned off | EXAGON is off | Turn on EXAGON |
| Connection lead between the two products is not plugged. | Connect the interconnect cable | |
| Interconnect cable fault | Replace the interconnect cable | |
| Remote control does not function | The connection of EXATIG with EXAGON is preventing the remote control from functioning. | Disconnect EXATIG from EXAGON. |
ASSEMBLY OF THE EXATIG COMMAND CABLE KIT (réf. 036918)
Assembly kit is supplied with command cable and two connectors to assembly (one male and one female connector)
In order to assembly control harness respect following steps:
- Cut the protection at each cable endpoints
- Fit the connector insulation material
- Strip the endpoints of 10 wires on 5 mm
- Repeat the operation with second connector at the other cable end
- Connect wires according the diagram below:

- Screw and tighten 2 rings on the connector.
- Turn the cable with a 1/4 turn and put inside in order to prevent the plate from blocking the wires for the next step.
- Screw and tighten the 2 screws holding the cable on each insulation sheet (ground without block out).
| Wire diameter | Wire colour | Connection terminal |
| Wire 0.75 | Yellow | K |
| Green | J | |
| Brown | H | |
| White | G | |
|
Wire 0.50 (wire withe transparent plastic) | Pink | F |
| Grey | E | |
| Yellow | D | |
| Brown | C | |
| Green | B | |
| White | A |
TECHNICAL SPECIFICATIONS
| EXATIG HF | ||
| Tension d’entrée assignée / Rated input voltage / Nenneingangsspannung / Tensión de entrada nominal / номинальное входное напряжение / nominale ingangsspanning / tensione di ingresso nominale | 20 – 100V / 48V | |
| Tension crête du dispositif d’amorçage manuel (IEC 60974-3) Manual striking system’s maximum voltage (IEC 60974-3) Spitzenspannung der manuellen Zündvorrichtung (IEC 60974-3) Tensión pico del dispositivo de cebado manual (IEC 60974-3) Пиковое напряжение механизма ручного поджига (IEC 60974-3) Piekspanning van het handmatige ontstekingssysteem (IEC 60974-3) Tensione di picco del dispositivo di innesco manuale (IEC 60974-3) |
9 kV | |
| Courant d’entrée assigné à charge maximale / Rated input current at maximum load / Nenneingangsstrom bei maximaler Last / Corriente nominal de entrada a carga máxima / Номинальный входной ток при максимальной нагрузке / Nominale ingangsstroom bij maximale belasting / Corrente nominale di ingresso al massimo carico | 400 A / 2 A | |
| Facteur de marche à 40°C (10 min) selon l’EN 60974-1*/** Duty cycle 40°C (10 min) according to standard EN 60974-1*/** Einschaltdauer @ 40° C (10 Min.) nach der Norm EN 60974-1*/** Ciclo de trabajo a 40°C (10 min) conforme a la EN60974-1*/** ПВ% при 40°C (10 мин) согласно норме EN 60974-1*/** Inschakelduur bij 40°C (10 min) volgens de norm EN 60974-1*/** Ciclo di lavoro a 40°C (10 min) secondo l’EN 60974-1*/** | I2max | 400 A @ 25% |
| 60% | 270 A | |
| 100% | 220 A | |
| T° de stockage / Storage temperature / Lagertemperatur / Temperatura de almacenaje / T° хранения / Opslagtemperatuur / T° di stoccaggio | -20°C > 55°C | |
| Dimensions (L x l x h) / Dimensions (L x l x h) / Abmessungen (L x B x H) / Dimensiones (L x A x A) / Размеры (Д x Ш x В) / Afmetingen (L x b x h) / Dimensioni (L x l x h) | 34 x 26 x 16 mm | |
| Poids / Weight / Gewicht / Peso / Вес / Gewicht / Peso | 6,5 kg | |
The duty cycles are measured according to standard EN60974-1 à 40°C and on a 10 min cycle. While under intensive use (> to duty cycle) the thermal protection can turn on, in that case, the arc swictes off and the indicator switches on. Keep the machine’s power supply on to enable cooling until thermal protection cancellation. The welding power source describes an external drooping characteristic.
** Depending of the integration source.
SPARE PARTS
| EXATIG HF | ||
| 1 | Clavier EXATIG / EXATIG keyboard / Bedienfeld EXATIG / Teclado EXATIG / Панель управления EXATIG / Toet- senbord EXATIG / Tastiera EXATIG | 51989 |
| 2 | Embase Texas H21 Femelle / Female dinse connector H21 / Texasanschlussbuchse H21 / Conector Texas H21 Hembra / Гнездо Texas H21 / Vrouwelijke Texas H21 aansluiting / Colletto Texas femmina H21 | 51461 |
| 3 | Faisceau F 5 fils sur 7 pts / Beam F5 wire on 7 pts / Leitungssatz F 5 Drahte 7 Punkte / Cable de unión F 5 cables de 7 pts / Кабель F 5 проводов на 7 тчк / Kabel F 5 draden op 7 pts / Fascio F5 fili su 7 pts | 91846 |
| 4 | Molette de réglage de débit / Flow adjustment knob / Drehregler für Gasdurchfluss / Ruedecilla de ajuste de caudal / Колесико настройки расхода газа / Draaiknop aanvoer / Manopola di regolazione del flusso | 95598 |
| 5 | Coupleur Mâle BSP cylindrique G1/8 / Cylindric male coupling device BSP G1/8 / Kupplung männlich BSP zylin- derförmig G1/8 / Acoplador Macho BSP cilíndrico G1/8 / Цилиндрический соединитель «папа» BSP G1/8 / Mannelijke BSP aansluiting cilindrisch G1/8 / Accoppiatore maschio BSP cilindrico G1/8 | 55090 |
| 6 | Embase Texas H21 Male / Male dinse connector H21 / Texasstecker H21 / Conector Texas H21 Macho / Цоколь коннектора Texas H21 папа / Mannelijke Texas H21 aansluiting / Colletto Texas H21 Maschio | 51472 |
| 7 | Faisceau 10 pts / Connection cable 10 pts / Leitungssatz 10 Punkte / Conector de 10 pts / Кабель 10 тчк / Kabel 10 pts / Fascio 10 pts | 91683 ST |
| 8 | Electrovanne 2 voies NC 12V / 2 way solenoid valve NC 12V / Magnetventil 2 Wege NC 12V / Electroválvula 2 vías NC 12V / Двойной электромагнитный клапан NC 12V / Magneetventiel NC 12V / Solenoide 2 vie 24V | 71849 |
| 9 | Carte électronique / Electronic board / Steurplatine / Tarjeta electrónica / Электронная плата / Print plaat / Scheda elettrica | 97701 |
| 10 | Débitmètre / Flowmeter / Drehregler / Caudalímetro / Расходомер / Flowmeter / Flussometro | 90603 |
| 11 | Ventilateur 60x60x20 / 60x60x20 fan / Ventilator 60x60x20 / Ventilador 60x60x20 / Вентилятор 60х60х20 / Ventilator 60x60x20 / Ventilatore 60x60x20 | 51018 |
| 12 | Contacteur 250A SU280 12V / 250A SU280 12V Contactor / Schütz 250A SU280 12V / Contactor 250A SU280 12V / Замыкатель 250A SU280 12V / Schakelaar 250A SU280 12V / Contattore 250 A SU280 12V | 51081 |
| 13 | Self HF TIG / Self HF TIG / Drossel HF TIG / Inductancia HF TIG / Дроссель ВЧ TIG / Inductor HF TIG / Self HF TIG | 63698 |
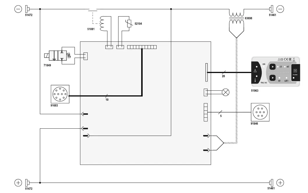
CIRCUIT DIAGRAM
WARRANTY
The warranty covers faulty workmanship for 2 years from the date of purchase (parts and labour).
The warranty does not cover:
- Transit damage.
- 250A SU280 12V Contactor.
- Normal wear of parts (eg. : cables, clamps, etc..).
- Damages due to misuse (power supply error, dropping of equipment, disassembling).
- Environment related failures (pollution, rust, dust).
- In case of failure, return the unit to your distributor together with:
- The proof of purchase (receipt etc …)
- A description of the fault reported





















