Steam Planet Superior Encore
Steam Generator
Installation & Operation Manual
(6kW, 9kW, 12kW, 18kW & 24kW)


Safety Notes
is a safety warning symbol and it should be observed strictly. Failure to do so may cause bodily injury and financial loss.- The power supply must be installed according to the local standard and with GFCI (Ground Fault Current Interrupter.) Test the GFCI before using to confirm its security and validity.
- The grounding for electrical appliance should be connected to a permanent ground.
- To avoid electric shock, replacing the power supply wire should be done by professional electrician.
- To avoid electric shock, no extra power supply should be used. Proper electrical standards apply. Broken electric wire should be changed.
- No modifications to the system are allowed, unless direction specifically given by Homeward Bath.
- Adjusting the low temperature to high temperature slowly to avoid scald.
- User should not be with in 3 feet of the steam outlet to avoid burning.
- Children should only use the product under adult supervision.
Warnings
To reduce the risk of injury, do not permit children to use this product unless they are closely supervised at all times.
To reduce the risk of injury:
a. The wet surfaces of steam enclosures may be slippery. Use care when entering or leaving.
b. The steam head is hot. Do not touch the steam head and avoid the steam near the steam head.
c. Prolonged use of the steam system can raise excessively the internal human body temperature and impair the body’s ability to regulate its internal temperature (hyperthermia).
Hyperthermia occurs when the internal temperature of the body reaches a level several degrees above the normal body temperature of 98.6° F. The symptoms of hyperthermia include an increase in the internal temperature of the body, dizziness, lethargy, drowsiness, and fainting. The effects of yperthermia include:
a) Failure to perceive heat;
b) Failure to recognize the need to exit the steam bath;
c) Unawareness of impending risk;
d) Fetal damage in pregnant women;
e) Physical inability to exit the steam bath; and
f) Unconsciousness.
The use of alcohol, drugs, or medication can greatly increase the risk of hyperthermia. Limit your use of steam to 10 – 15 minutes until you are certain of your body’s reaction. Excessive temperatures have a high potential for causing fetal damage during the early months of pregnancy. Pregnant or possibly pregnant women should consult a physician regarding correct exposure.
Caution: Do not place wiring in close proximity to hot water or steam pipes.
To prevent overheating, operate the controller as described in this manual only.
**Not for Space Heating Purposes
Choose your size of machine
Measure the length, width, and height in feet of the current steam shower or bathtub room.
Example; L:7 x W:5 x H:8 = 280 Cubic feet x 2 to get complete cubic measurement Note: Multiplying the cubic feet by two is done to account for heat loss due to the room having natural stone such as granite or marble, exterior walls, ceiling height exceeding 8 feet, ceramic tile, or glass walls.
Refer to the Parameter section to know if you have the correct size needed for your space.
Parameter
| Power | Space | Voltage | Max Current | Wire DIA |
| 6kW | 140-320ft³ | 220-240V | 27.3A | 10# ro 6MM² |
| 9kW | 320-460ft³ | 220-240V | 41A | 10# ro 6MM² |
| 12kW | 460-700ft³ | 220-240V | 55A | 6# ro 10MM² |
| 18kW | 700-920ft³ | Two 220-240V Lines | Two 41A breakers | Two 10# ro 6MM² lines |
| 24kW | 920-1400ft³ | Two 220-240V Lines | Two 55A breakers | Two 6# ro 10MM² lines |
- 110-120V AC power supply for power module GH21-PB
- Single power box comes with every size of the generator. Additional keypads and/or generators could be added to the same power box. Call for any clarification.
Dimensions

| Size | A | B | C | D | E |
| 6/9kW | 10 3/8in (263.5mm) | 7 7/8in (200mm) | 13 1/8in (333mm) | 10 7/16in (264.5mm) | 14 5/8in (372mm) |
| 12kW | 10 3/4in (260mm) | 9 3/8in (238mm) | 16 1/8in (409mm) | 10 7/16in (264.5mm) | 14 5/8in (372mm) |
Parts List
| Standard Package | |
| Steam Generator | |
| Main power box | |
| Keypad with attached 11ft power cable | |
| External temperature sensor | |
| External temperature sensor foundation | |
| 12ft power box extension cable | |
| 9.5ft cable for keypad or generator connection | |
| 1ft light cable | |
| 25ft cable for single white light | |
| 1 ¾in Chrome steam head (there are 2 with 12kw generator) |
When ordering Bluetooth upgrade, these items will be included
| Upgraded Package | |
| Bluetooth box | |
| 11ft power cable, already attached to Bluetooth box | |
| 15in chroma therapy power wire for lights, already attached to Bluetooth box | |
| 2 – 15in speaker wires, already attached to Bluetooth box | |
| 2 speakers with attached 36in wires |
References
| Model | Description |
| GS08-HW | Steam generator |
| GH21EE | Keypad |
| GH21-HT | Bluetooth box |
| GH21-PB | Power box |
Replacement Parts
Replacement parts could be ordered on hwbpro.com/parts/
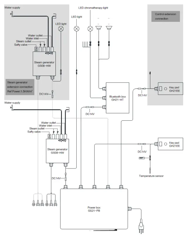
Wiring Diagram

Wiring Introduction
The system consists of power box (GH21-PB), control keypad (GH21EE), Bluetooth module GH21-BT and steam generator (GS08-HW).
Power box (GH21-PB) provides 14v DC and there are 6 power output with DC5521 connectors. The input voltage is 110V-265V and output is 50W.
Control module (GH21EE) has two connectors: 14V input voltage with DC5521 connectors and temp sensor input with 2core SIM2.54 connector.
Bluetooth module (GH21-BT) has 3 connectors: 14V input voltage with DC connector: Chroma lights (20W, 12V) with 4pin SIM2.54 connector and 2 speaker cable with 2 wire
2-pin SIM2.54 connectors.
Steam generator (GH08-HW) has two connectors: 14V input power with DC5521 connector and white light (20W, 12V) with 2-pin SIM2.54 connector.
Module Introduction
The system consists of power box (GH21-PB), control module (GH21EE), Bluetooth module (GH21-BT) and steam module GS08-HW. Power box (GH21-PB) provides 14v DC.
The keypad controls the system and there are two temp sensor connectors: internal temp sensor and external sensor.
When the external sensor is connected, the internal sensor will not work.
Then using the internal temperature probe, there will be 30 to 60 second delay.
Steam generator: controls steam function, water filling and draining.
Wiring:
The power module provides 14V DC and there are 6 connectors. If the wire isn’t long enough, user can extend it with extension wire. All modules should be connected to the power module.
Reset Introduction
Removing or adding of any modules, the steam generator will not work properly, unless power box is unplugged before any changes and reconnected after the change.
Choosing the proper location
Recommended locations for proper installation:
- The steam box should not be located further than 15 feet away from the steam room.
- The steam generator should not be installed inside the steam room.
- The steam generator should not be installed outdoors or in any place that will influence the security of the machine.
- Do not install it in any places where the water might freeze.
- Do not install near flammable objects or chemicals (coal, gas, etc.)
- The steam generator should be installed in a dry and ventilated place.
- If mounting machine to the wall: Make sure it is secured and is horizontally positioned.
- On the other three sides, there has to be at least 6 inches of space left between steam generator and any other object.
- The place where the machine is installed must be accessible for cleaning and possible service work.
- The steam generator should be in a close proximity to a drain for convenient Water Drain Valve hook-up.
- After use, the steam pipe, safety valve, drain valve, water pipe, steam outlet is still very hot.
- Place steam outlet minimum of 3ft away from bathers. Attention: install an exhaust fan outside of the steam room so that it can expel any excess steam for proper ventilation.
- The shorter and straighter the steam lines, the more efficient they will be.
- Avoid using 90-degree fitting. Use 45-degree bends to allow better steam flow.
- The unit should be slightly higher than the steam outlet to allow condensation to drain out of the steam head.
- The steam line must be insulated.
- The 12kW generator requires the use of both steam outlets.
Keypad Diagram

Keypad Introduction
| INDICATOR LIGHT | FUNCTION | DISPLAY AFTER TURN OR PUSH | EXPLAIN |
| NCODE R | P:PRESS | CONFIM | |
| LP:LONG PRESS(ABOVE 5S) | MODEL CHANGE | ||
| TL:TURN LEFT | OPTION / ADJUST / – / LAST | ||
| TL:TURN RIGHT | OPTION / ADJUST / + f NEXT | ||
| POWFR ON / OFF | POWER ON/OFF | ||
| STEAM ON/OFF | STEAM ON/OFF | ||
| BLUETOOTH ON/OFF | BLUETOOTH ON/OFF | ||
| ECHO | SONG: LAST/NEXT | ||
| VOLUME | VOLUEME – / r | ||
| LIGHT | LIGHT ON/OFF | ||
| LONG PRESS FOR LIGHT CHENGE IN TURN | |||
| TEMPERATURE | CESIUS:TEMPERATURE – / + | ||
| FAHRENHEIT:TEMPERATURE – / + | |||
| LONG PRESS FOR T EMPERTURE MODE CONVERSIONL:OUT ROOM / IN ROOM | |||
| TIME SET | TIME + / TIME +,RANGE:20-1:59, SHUTDOWNTIMEOUT | ||
| DRAIN IMMEDIATELY,IF NOT,DRAIN 15MIN AFTER POWER OFF | |||
| LONG PRESS CESIUS FAHRENHEIT CONVERSION |
Dual Keypad Setup
When installing one inside and one outside of the shower: since both keypads have built in temperature sensors, they need to be reset.
- Rotate the dial so the Temperature Icon is highlighted on the keypad, the current temperature will be displayed.
- Press and hold the dial in, the steam room temperature will be displayed and the thermometer in the display will start to blink.
- Continue holding the dial in until the display reads, “IN” or “OUT” for where the keypad will be placed, release the dial, the room temperature will be displayed and the keypad is set.

Common Installation Problems
Is the unit connected to 220V? The unit has no neutral wire, just L1, L2 and ground. To properly test for the 220V, you must test the L1 and L2 wires together and you should get 220V. If you test individually, you will get a false reading.
Power box issues? Make sure the wiring that connects the power box to the keypad and steam generator is not damaged.
Suggested Steam Room Layout
Installation
- For wall mounting: Steam generator is installed outside the steam enclosure as per the diagram. Mark the position and drill the holes according to the marks. Insert expansion plug and tapping screws. Keep the screw head 3/8in (10mm) outside the wall.
- Connect the steam generator according to the drawing.
a. Water inlet: G1/2 thread connector.
b. Drain: G1/2 thread connector. Must be copper for at least first 3ft from the generator.
c. Steam outlet: G3/4 thread connector
d. Steam line: Must use copper. Insulate the line with high temp 212 plus temp rating insulation.
e. Install a brass union on the steam line for easy disassembly. - Keypad and steam outlet are installed according to the drawing below. Steam generator must be installed out of the steam enclosure. The keypad can be installed according to the situation on site. Drill ɸ20 hole for wire.
Tear the sticker off keypad and stick it on the wall.
▪ When using the internal temperature sensor of the keypad:
• The keypad should be placed shoulder high when occupant will be sitting.
▪ When using the external temperature sensor:
• The sensor should be placed shoulder high when occupant will be sitting. The sensor must be as far away from the steam outlet as possible.
- Install the steam outlet on the wall. The steam outlet is G3/4 thread connector. Leave 3/16in (30mm) outside the wall. Seal the connector with Teflon tape and connect the steam outlet like drawing below shows. The gap is sealed with high temperature resistant material. Outlet should be no closer than 10in from the floor and no higher that 15in from the floor.
The steam outlet should be installed face down. Wrap a few circles Teflon tape around the threads of the steam pipe, install the steam nozzle and tighten with hands. Do not tighten the steam head onto the steam pipe. It may cover the steam head’s output holes.
Warning: The steam outlet will get very hot! It should not be installed near the individual sitting inside.
Note: Aromatherapy oils are placed in the indentation at the top of the steam nozzle.
Attention: In order to protect the steam nozzle, do not use any tools to tighten that will scratch finish, use a little soapy water and soft sponge to wipe, and do not use corrosive chemical solutions or abrasive cleaning tools.
Attention: Please consult your distributors of building materials like acrylic, fiberglass or other heat-resistant material around the installation and position of steam nozzle. It is suggested that MS-103412 heat resistant material is used.
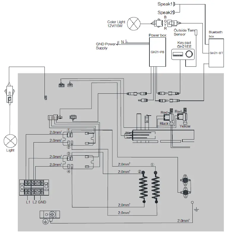
Circuit Diagram for 6kW & 9kW

Internal wiring diagram of steam generator
Circuit Diagram for 12kW

Maintenance
The unit will drain automatically 20 minutes after use.
Clean the steam generator every 60 uses, and 30 if on well water.
- Wait for the completion of automatic water discharge after each use of the steam engine to make sure the water in the tank is discharged completely before cutting off power supply.
- There should not be any leaking or damage to the steam engine, steam nozzle, components and pipes. They should be checked monthly.
- Clean the water supply pipes of the steam engine once a year.
- Check all the connections, water, and electric, to see if they have become loose or are damaged due to overheating.
Steam Generator Cleaning
MAKE SURE POWER IS OFF
If you can observe that the steam generator is draining after use, this means the tank is not clogged with debris or other material from use. The tank cleaning procedure is not too difficult.
You must introduce the citric acid solution into the tank. 6- and 9-Kw units have a 1.5-gal tank, the 12Kw has a 3.2-gal tank. This can be done by disconnecting the steam line and with a funnel and hose pour the solution into the tank. If the steam line cannot be disconnected you can unscrew the pressure relief valve and pour the solution in through the opening. Both openings go to the tank. Fill the tank until the solution starts to come out of the steam outlet or the pressure relief valve opening. Replace the steam line or the pressure relief valve, then turn on the steam generator and let it produce steam for about one minute, then shut it off at the circuit breaker and let sit for an hour or overnight. Then restart the generator and let it run for about 5 minutes and shut it off at the key pad. Wait until the automatic drain allows the solution to exit the tank or use the manual drain button on the key pad. Once again, it is most important you are able to actually verify the solution has been drained out from the unit. By verifying the draining of the solution, you know the tank is not clogged. If the tank is clogged it leads to premature heating element failure and other issues.
This procedure will also clean the water level sensor probe.
If the tank is not draining please call 1-866-783-2661 or 216-587-6790 for assistance.
Parts Requests
Please visit homewardbath.com/support to submit a request.
If you require additional assistance, call 866-783-2661.
Warranty Information & Registration
Please visit our website: homewardbath.com/warranty-registration
Note serial number on the generator: ________________________
Registration must be completed within 45 days of receipt to be valid.
A full description of the warranty is available on the Homeward Bath website.
a. Water inlet: G1/2 thread connector.


















